Huzalozási tartozék STAK

Lehetővé teszi az EMC-optimális átmenő vezetékezés létrehozását a DIN VDE 0100-534 szerint

Details

Villámáram- és túlfeszültség-korlátozók EMC-optimális átmenő vezetékezésének létrehozása a DIN VDE 0100-534 szerint STAK 2X16 segítségével.
lorem ipsum

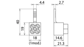
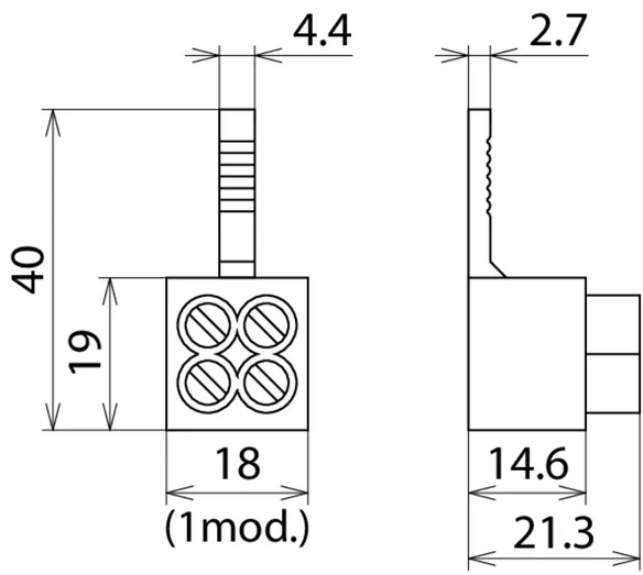
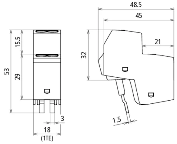
Push-in rugós kapocs STAK 4X10

1 Product

Part No. 952588 STAK 4X10

GTIN 4013364526624, Customs tariff No. (EU): 85369010, Gross weight: 35.67 g, PU: 2.00 db.


Images

Additional information

Push-in kapocs STAK 4X10
Csatlakozási keresztmetszet: 4 x 10 mm²

Gyártó: DEHN
Típus: STAK 4X10
Cikksz.: 952588
vagy egyenértékű.

Certificates

 

Technical data

Legnagyobb tartós üzemi feszültség AC (UC ) 275 V
Legnagyobb PV feszültség (UCPV ) 1500 V
Villám-lökőáram (10/350 µs) (Iimp ) 6,25 kA
Névleges levezetési lökőáram (8/20 µs) (In ) 20 kA
Maximális levezetési áram (8/20 µs) (Imax ) 40 kA
Csatlakozási keresztmetszet (min.) 1,5 mm2 tömör / 6 mm2 finomsodrat
Csatlakozási keresztmetszet (max.) 10 mm2 tömör / finomsodrat
Csatlakozási keresztmetszet (min) érvéghüvellyel 1,5 mm²
Csatlakozási keresztmetszet (max.) érvéghüvellyel 6 mm²
Csatlakozási keresztmetszet (max.) érvéghüvellyel gallér nélkül 10 mm²

Product 952588 was added to Notepad.

Product 952588 was added to the cart.


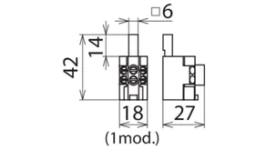
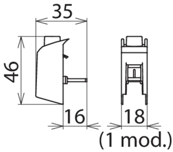
Tűs csatlakozókapocs STAK 25

Tűs csatlakozókapocs villámáram- és túlfeszültség-korlátozók EMC-optimális átmenő vezetékezésének létrehozása a DIN VDE 0100-534 szerint.

1 Product

Part No. 952589 STAK 25

GTIN 4013364132306, Customs tariff No. (EU): 85369010, Gross weight: 17.40 g, PU: 4.00 db.


Images

Additional information

Tűs csatlakozókapocs STAK 25
Tűs csatlakozókapocs V-huzalozáshoz
túlfeszültségvédelmi eszközökön 25 mm²-ig

Gyártó: DEHN
Típus: STAK 25
Cikksz.: 952589
vagy egyenértékű.

Certificates

 

Technical data

Névleges feszültség AC / DC (UN ) 600 V
Legnagyobb PV feszültség (UCPV) alkalmazásban DEHNguard M YPV ... 1200 V
Névleges terhelőáram AC (IL ) 100 A
Villám-lökőáram (10/350 µs) (Iimp ) 25 kA
Levezetési áram (8/20 µs) 50 kA
Csatlakozási keresztmetszet (min.) 1,5 mm2 tömör / finomsodrat
Csatlakozási keresztmetszet (max.) 25 mm2 több / 16 mm2 finomsodrat
Csatlakozás módja elöl

Product 952589 was added to Notepad.

Product 952589 was added to the cart.


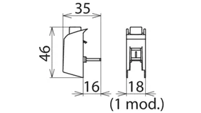
Tűs csatlakozókapocs STAK 3X16

Tűs csatlakozókapocs villámáram- és túlfeszültség-korlátozók EMC-optimális átmenő vezetékezésének létrehozása a DIN VDE 0100-534 szerint.

1 Product

Part No. 900588 STAK 3X16

GTIN 4013364323933, Customs tariff No. (EU): 85369010, Gross weight: 40.00 g, PU: 4.00 db.


Images

Additional information

Tűs csatlakozókapocs STAK 3X16
Kapcsos kivitel V-huzalozáshoz
Csatlakozási keresztmetszet: 3 x 16 mm2

Gyártó: DEHN
Típus: STAK 3X16
Cikksz.: 900588
vagy egyenértékű.

Certificates

 

Technical data

Névleges feszültség AC / DC (UN ) 690 V / 1500 V
Névleges terhelőáram AC (IL ) 160 A
Névleges terhelőáram V kapcsolásnál 80 A
Villám-lökőáram (10/350 µs) (Iimp ) 25 kA
Csatlakozási keresztmetszet (min.) 1,5 mm2 tömör / finomsodrat
Csatlakozási keresztmetszet (max.) 16 mm2 több / 10 mm2 finomsodrat
Csatlakozás módja elöl

Product 900588 was added to Notepad.

Product 900588 was added to the cart.


Tűs csatlakozókapocs STAK 2X16

Tűs csatlakozókapocs villámáram- és túlfeszültség-korlátozók EMC-optimális átmenő vezetékezésének létrehozása a DIN VDE 0100-534 szerint.

1 Product

Part No. 900589 STAK 2X16

GTIN 4013364109339, Customs tariff No. (EU): 85369010, Gross weight: 20.00 g, PU: 1.00 db.


Images

Additional information

Tűs csatlakozókapocs STAK 2X16
Kettős kapocs kivitelezés az
EMC-optimális átmenő huzalozáshoz
Csatlakozási keresztmetszet: 2 x 10 mm2 vagy 2 x 16 mm2

Gyártó: DEHN
Típus: STAK 2X16
Cikksz.: 900589
vagy egyenértékű.

 

Technical data

Villám-lökőáram (10/350 µs) (Iimp ) 25 kA
Csatlakozási keresztmetszet (min.) 2x 10 mm2
Csatlakozási keresztmetszet (max.) 2x 16 mm2
Csatlakozás módja elöl (kettős kapocs)

Product 900589 was added to Notepad.

Product 900589 was added to the cart.


back to top