Leválasztó egység DASD 45

  • DASD: DEHN Advanced Solid-State Decoupler
  • Védelem tranziens, átmeneti és helyhez kötött túlfeszültségeknél
  • Magas levezetési képesség
  • Fail-Safe meghibásodási magatartás
  • Integrált tesztaljzat
  • Külső területen alkalmazható

DASD 45 LP 100 T

1 Product

Part No. 923402 DASD 45 LP 100 T

GTIN 4013364442269, Customs tariff No. (EU): 85363030, Gross weight: 3.69 kg, PU: 1.00 db.


Images

Additional information

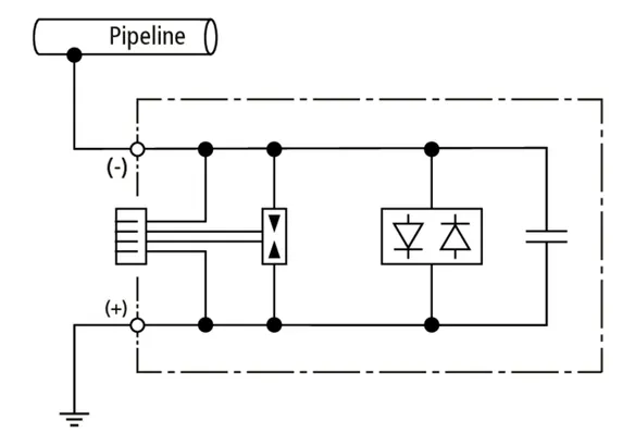
Kapacitív leválasztó egység DASD
Kapacitív leválasztó egység
védelemre tranziens, átmeneti és helyhez kötött túlfeszültségeknél
Levezetési áram tranziens: (10/350 us): 75 kA
Levezetési áram átmeneti (16,7 Hz, 50 Hz, 60 Hz): 3,7 kAeff (200 ms-ig)
Levezetési áram helyhez kötött (16,7 Hz, 50 Hz, 60 Hz): 45 A (tartós)
Beépített tesztaljzattal
Külső területen alkalmazható

Gyártó: DEHN
Típus: DASD 45 LP 100 T
Cikksz.: 923402
vagy egyenértékű.

Certificates

 

Technical data

Levezetési áram tranziens (10/350 µs) 75 kA
Levezetési áram tranziens (8/20 µs) 100 kA
Levezetési áram átmeneti (16,7 Hz, 50 Hz, 60 Hz) 5,0 kArms (40 ms-ig)
Levezetési áram átmeneti (16,7 Hz, 50 Hz, 60 Hz) 3,7 kArms (200 ms-ig)
Levezetési áram átmeneti (16,7 Hz, 50 Hz, 60 Hz) 2,0 kArms (600 ms-ig)
Levezetési áram stacionárius (16,7 Hz, 50 Hz, 60 Hz) 45 Arms
Határoló feszültség tranziens (1 ms-ig) ≤ 1,35 kV
Határoló feszültség stacionárius (> 600 ms) ≤ 3 V
IECEx-jóváhagyások IECEx TUR 22.0029X
Ex- (RB-) jelölés az EN 60079-0 és EN 60079-7 szerint Ex ec IIC T4 Gc

Product 923402 was added to Notepad.

Product 923402 was added to the cart.


back to top