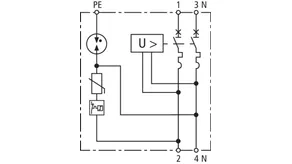
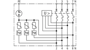
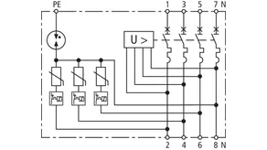
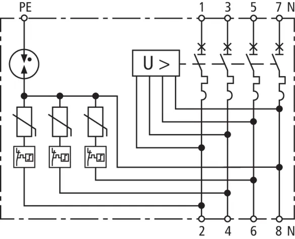
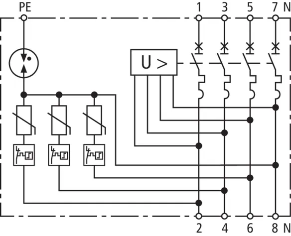
SPD+POP+MCB / POP+MCB / POP

  • Átfogó védelem tranziens és hálózati frekvenciás túlfeszültségekkel szemben (SPD+POP)
  • Teljesíti az EN 50550 „Védőberendezések hálózati frekvenciás túlfeszültségekkel szemben” követelményeit"
  • Csatlakozáskész komplett egység, az egyedi készülékek járulékos huzalozása nem szükséges
  • Könnyű telepítés és utólagos beszerelés a kis helyigény következtében
  • Nagy készülékbiztonság a „Thermo Dynamic Control” levezető-felügyeletnek köszönhetően SPD-ben
  • Alkalmazás-optimalizált levezetési képesség 5 kA (In) / 15 kA (Imax) (8/20 µs) pólusonként
  • Energetikailag koordinált a Red/Line termékcsaládon belül
  • Működés-, hibajelzés zöld-piros jelöléssel az SPD betekintő ablakában

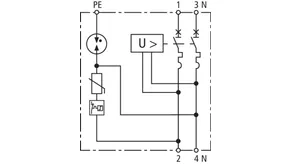
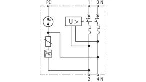
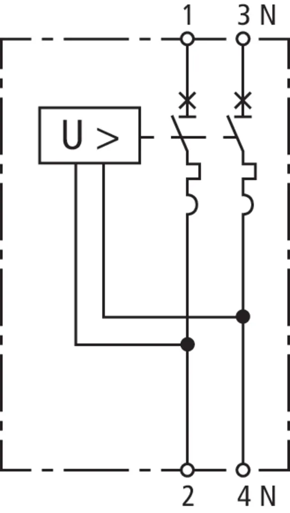
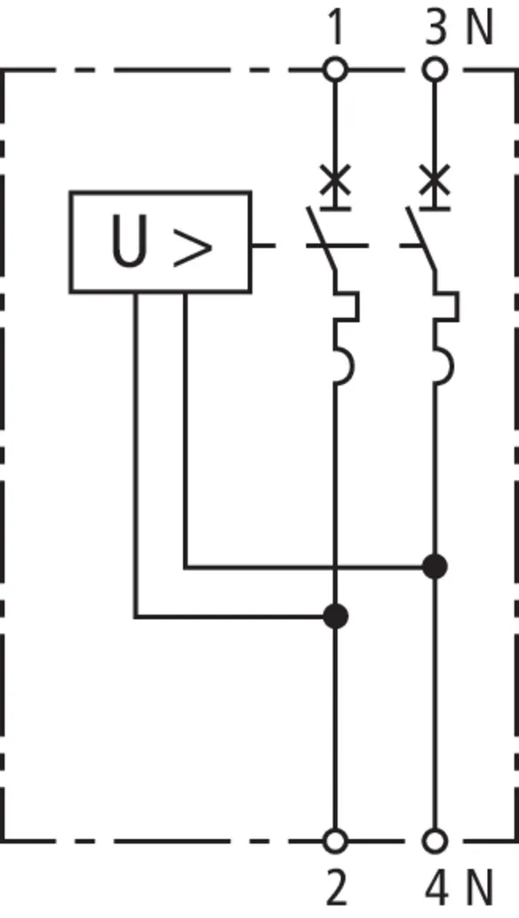
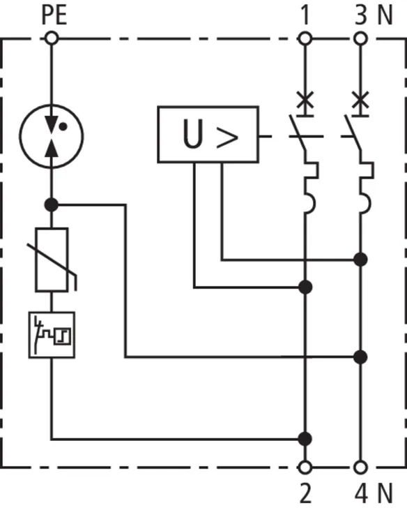
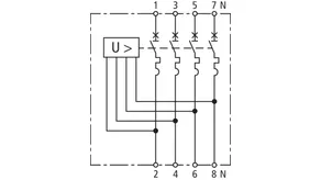
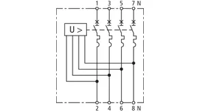
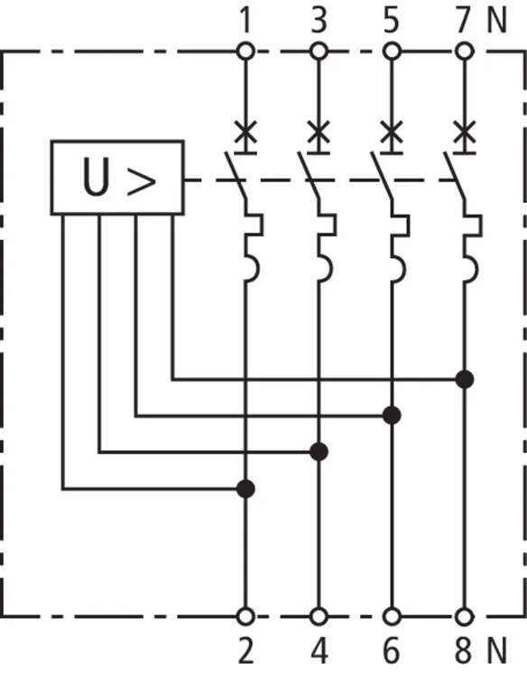
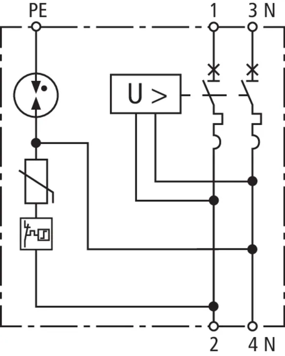
Kétpólusú SPD+POP+MCB

3 Products

Part No. 900780 SPD+POP 2 255 C25

GTIN 4013364156203, Customs tariff No. (EU): 85363030, Gross weight: 404.00 g, PU: 1.00 db.


Images

Additional information

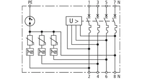
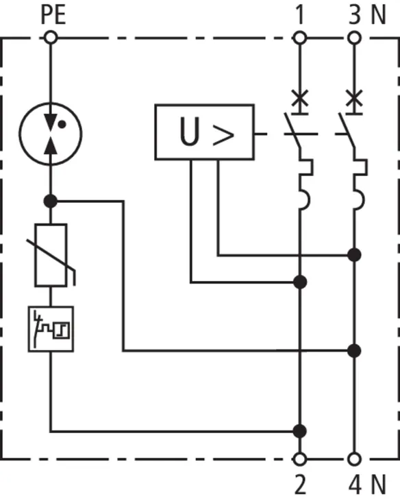
Túlfeszültség-korlátozó SPD+POP 2 255 C25
Kompakt túlfeszültség-korlátozó tranziens és
hálózati frekvenciás túlfeszültségekre integrált
Kismegszakítóval
2. Típusú levezető az EN 61643-11, POP az EN 50550 szerint
Átfogó védelem tranziens és hálózati frekvenciás
túlfeszültségekkel szemben
Csatlakozáskész komplett egység, az egyedi készülékek
járulékos huzalozása nem szükséges
Pólusszám 1P + N
Kioldási karakterisztika MCB / névleges áram MCB C 25 A
Legmagasabb tartós feszültség: 275 V AC
Védelmi feszültségszint: <= 1,5 kV
Névleges levezetési lökőáram: 5 kA / 20 kA
Energetikai koordináció az
DIN EN 62305-4 (VDE 0185-305-4) szabvány szerint a Red/Line család
1. típusú és 3. típusú levezetőjével
Felügyelet SPD: Thermo-Dynamic-Control
Funkció- és hibajelzés
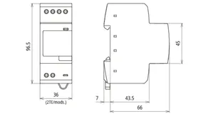
Soros beépített eszköz a DIN 43880 szerint, 4 modul széles

Gyártó: DEHN
Típus: SPD+POP 2 255 C25
Cikksz.: 900780
vagy egyenértékű.

Certificates

 

Technical data

Általános
Pólusszám 1P + N
Névleges feszültség AC (UN ) 230 V
SPD
Névleges levezetési áram (8/20) [L-N] (In ) 5 kA
POP
Legnagyobb feszültség kioldás nélkül AC 255 V
Legnagyobb kioldási feszültség AC 415 V
MCB
Kioldási karakterisztika C
Névleges áram AC (IL ) 25 A

Product 900780 was added to Notepad.

Product 900780 was added to the cart.

Part No. 900781 SPD+POP 2 255 C32

GTIN 4013364156210, Customs tariff No. (EU): 85363030, Gross weight: 425.00 g, PU: 1.00 db.


Images

Additional information

Túlfeszültség-korlátozó SPD+POP 2 255 C32
Kompakt túlfeszültség-korlátozó tranziens és
hálózati frekvenciás túlfeszültségekkel szemben integrált kismegszakítóval
2. Típusú levezető az EN 61643-11, POP az EN 50550 szerint
Átfogó védelem tranziens és hálózati frekvenciás
túlfeszültségekkel szemben
Csatlakozáskész komplett egység, az egyedi készülékek
járulékos huzalozása nem szükséges
Pólusszám 1P + N
Kioldási karakterisztika MCB / névleges áram MCB C 32 A
Legmagasabb tartós feszültség: 275 V AC
Védelmi feszültségszint: <= 1,5 kV
Névleges levezetési lökőáram: 5 kA / 20 kA
Energetikai koordináció az
DIN EN 62305-4 (VDE 0185-305-4) szabvány szerint a Red/Line család
1. típusú és 3. típusú levezetőjével
Felügyelet SPD: Thermo-Dynamic-Control
Funkció- és hibajelzés
Soros beépített eszköz a DIN 43880 szerint, 4 modul széles

Gyártó: DEHN
Típus: SPD+POP 2 255 C32
Cikksz.: 900781
vagy egyenértékű.

Certificates

 

Technical data

Általános
Pólusszám 1P + N
Névleges feszültség AC (UN ) 230 V
SPD
Névleges levezetési áram (8/20) [L-N] (In ) 5 kA
POP
Legnagyobb feszültség kioldás nélkül AC 255 V
Legnagyobb kioldási feszültség AC 415 V
MCB
Kioldási karakterisztika C
Névleges áram AC (IL ) 32 A

Product 900781 was added to Notepad.

Product 900781 was added to the cart.

Part No. 900782 SPD+POP 2 255 C40

GTIN 4013364156227, Customs tariff No. (EU): 85363030, Gross weight: 424.00 g, PU: 1.00 db.


Images

Additional information

Túlfeszültség-korlátozó SPD+POP 2 255 C40
Kompakt túlfeszültség-korlátozó tranziens és
hálózati frekvenciás túlfeszültségekre integrált
Kismegszakítóval
2. Típusú levezető az EN 61643-11, POP az EN 50550 szerint
Átfogó védelem tranziens és hálózati frekvenciás
túlfeszültségekkel szemben
Csatlakozáskész komplett egység, az egyedi készülékek
járulékos huzalozása nem szükséges
Pólusszám 1P + N
Kioldási karakterisztika MCB / névleges áram MCB C 40 A
Legmagasabb tartós feszültség: 275 V AC
Védelmi feszültségszint: <= 1,5 kV
Névleges levezetési lökőáram: 5 kA / 20 kA
Energetikai koordináció az
DIN EN 62305-4 (VDE 0185-305-4) szabvány szerint a Red/Line család
1. típusú és 3. típusú levezetőjével
Felügyelet SPD: Thermo-Dynamic-Control
Funkció- és hibajelzés
Soros beépített eszköz a DIN 43880 szerint, 4 modul széles

Gyártó: DEHN
Típus: SPD+POP 2 255 C40
Cikksz.: 900782
vagy egyenértékű.

Certificates

 

Technical data

Általános
Pólusszám 1P + N
Névleges feszültség AC (UN ) 230 V
SPD
Névleges levezetési áram (8/20) [L-N] (In ) 5 kA
POP
Legnagyobb feszültség kioldás nélkül AC 255 V
Legnagyobb kioldási feszültség AC 415 V
MCB
Kioldási karakterisztika C
Névleges áram AC (IL ) 40 A

Product 900782 was added to Notepad.

Product 900782 was added to the cart.


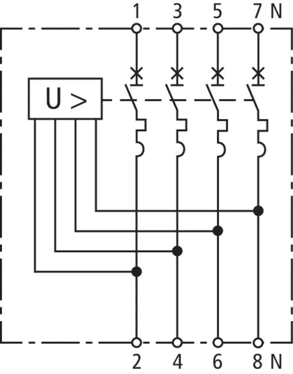
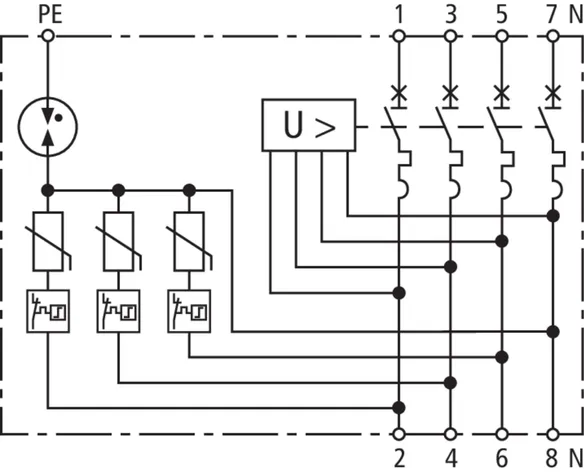
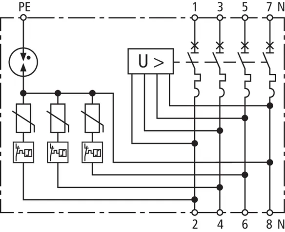
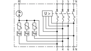
Négypólusú SPD+POP+MCB

4 Products

Part No. 900785 SPD+POP 4 255 C25

GTIN 4013364156234, Customs tariff No. (EU): 85363030, Gross weight: 730.00 g, PU: 1.00 db.


Images

Additional information

Túlfeszültség-korlátozó SPD+POP 4 255 C25
Kompakt túlfeszültség-korlátozó tranziens és
hálózati frekvenciás túlfeszültségekre integrált
Kismegszakítóval
2. Típusú levezető az EN 61643-11, POP az EN 50550 szerint
Átfogó védelem tranziens és hálózati frekvenciás
túlfeszültségekkel szemben
Csatlakozáskész komplett egység, az egyedi készülékek
járulékos huzalozása nem szükséges
Pólusszám 3P + N
Kioldási karakterisztika MCB / névleges áram MCB C 25 A
Legmagasabb tartós feszültség: 275 V AC
Védelmi feszültségszint: <= 1,5 kV
Névleges levezetési lökőáram: 5 kA / 20 kA
Energetikai koordináció az
DIN EN 62305-4 (VDE 0185-305-4) szabvány szerint a Red/Line család
1. típusú és 3. típusú levezetőjével
Felügyelet SPD: Thermo-Dynamic-Control
Funkció- és hibajelzés
Soros beépített eszköz a DIN 43880 szerint, 7 modul széles

Gyártó: DEHN
Típus: SPD+POP 4 255 C25
Cikksz.: 900785
vagy egyenértékű.

Certificates

 

Technical data

Általános
Pólusszám 3P + N
Névleges feszültség AC (UN ) 230 / 400 V
SPD
Névleges levezetési áram (8/20) [L-N] (In ) 5 kA
POP
Legnagyobb feszültség kioldás nélkül AC 255 V
Legnagyobb kioldási feszültség AC 415 V
MCB
Kioldási karakterisztika C
Névleges áram AC (IL ) 25 A

Product 900785 was added to Notepad.

Product 900785 was added to the cart.

Part No. 900786 SPD+POP 4 255 C32

GTIN 4013364156241, Customs tariff No. (EU): 85363030, Gross weight: 763.00 g, PU: 1.00 db.


Images

Additional information

Túlfeszültség-korlátozó SPD+POP 4 255 C32
Kompakt túlfeszültség-korlátozó tranziens és
hálózati frekvenciás túlfeszültségekre integrált
Kismegszakítóval
2. Típusú levezető az EN 61643-11, POP az EN 50550 szerint
Átfogó védelem tranziens és hálózati frekvenciás
túlfeszültségekkel szemben
Csatlakozáskész komplett egység, az egyedi készülékek
járulékos huzalozása nem szükséges
Pólusszám 3P + N
Kioldási karakterisztika MCB / névleges áram MCB C 32 A
Legmagasabb tartós feszültség: 275 V AC
Védelmi feszültségszint: <= 1,5 kV
Névleges levezetési lökőáram: 5 kA / 20 kA
Energetikai koordináció az
DIN EN 62305-4 (VDE 0185-305-4) szabvány szerint a Red/Line család
1. típusú és 3. típusú levezetőjével
Felügyelet SPD: Thermo-Dynamic-Control
Funkció- és hibajelzés
Soros beépített eszköz a DIN 43880 szerint, 7 modul széles

Gyártó: DEHN
Típus: SPD+POP 4 255 C32
Cikksz.: 900786
vagy egyenértékű.

Certificates

 

Technical data

Általános
Pólusszám 3P + N
Névleges feszültség AC (UN ) 230 / 400 V
SPD
Névleges levezetési áram (8/20) [L-N] (In ) 5 kA
POP
Legnagyobb feszültség kioldás nélkül AC 255 V
Legnagyobb kioldási feszültség AC 415 V
MCB
Kioldási karakterisztika C
Névleges áram AC (IL ) 32 A

Product 900786 was added to Notepad.

Product 900786 was added to the cart.

Part No. 900787 SPD+POP 4 255 C40

GTIN 4013364156258, Customs tariff No. (EU): 85363030, Gross weight: 769.00 g, PU: 1.00 db.


Images

Additional information

Túlfeszültség-korlátozó SPD+POP 4 255 C40
Kompakt túlfeszültség-korlátozó tranziens és
hálózati frekvenciás túlfeszültségekre integrált
Kismegszakítóval
2. Típusú levezető az EN 61643-11, POP az EN 50550 szerint
Átfogó védelem tranziens és hálózati frekvenciás
túlfeszültségekkel szemben
Csatlakozáskész komplett egység, az egyedi készülékek
járulékos huzalozása nem szükséges
Pólusszám 3P + N
Kioldási karakterisztika MCB / névleges áram MCB C 40 A
Legmagasabb tartós feszültség: 275 V AC
Védelmi feszültségszint: <= 1,5 kV
Névleges levezetési lökőáram: 5 kA / 20 kA
Energetikai koordináció az
DIN EN 62305-4 (VDE 0185-305-4) szabvány szerint a Red/Line család
1. típusú és 3. típusú levezetőjével
Felügyelet SPD: Thermo-Dynamic-Control
Funkció- és hibajelzés
Soros beépített eszköz a DIN 43880 szerint, 7 modul széles

Gyártó: DEHN
Típus: SPD+POP 4 255 C40
Cikksz.: 900787
vagy egyenértékű.

Certificates

 

Technical data

Általános
Pólusszám 3P + N
Névleges feszültség AC (UN ) 230 / 400 V
SPD
Névleges levezetési áram (8/20) [L-N] (In ) 5 kA
POP
Legnagyobb feszültség kioldás nélkül AC 255 V
Legnagyobb kioldási feszültség AC 415 V
MCB
Kioldási karakterisztika C
Névleges áram AC (IL ) 40 A

Product 900787 was added to Notepad.

Product 900787 was added to the cart.

Part No. 900788 SPD+POP 4 255 C63

GTIN 4013364156265, Customs tariff No. (EU): 85363030, Gross weight: 773.00 g, PU: 1.00 db.


Images

Additional information

Túlfeszültség-korlátozó SPD+POP 4 255 C63
Kompakt túlfeszültség-korlátozó tranziens és
hálózati frekvenciás túlfeszültségekre integrált
Kismegszakítóval
2. Típusú levezető az EN 61643-11, POP az EN 50550 szerint
Átfogó védelem tranziens és hálózati frekvenciás
túlfeszültségekkel szemben
Csatlakozáskész komplett egység, az egyedi készülékek
járulékos huzalozása nem szükséges
Pólusszám 3P + N
Kioldási karakterisztika MCB / névleges áram MCB C 63 A
Legmagasabb tartós feszültség: 275 V AC
Védelmi feszültségszint: <= 1,5 kV
Névleges levezetési lökőáram: 5 kA / 20 kA
Energetikai koordináció az
DIN EN 62305-4 (VDE 0185-305-4) szabvány szerint a Red/Line család
1. típusú és 3. típusú levezetőjével
Felügyelet SPD: Thermo-Dynamic-Control
Funkció- és hibajelzés
Soros beépített eszköz a DIN 43880 szerint, 7 modul széles

Gyártó: DEHN
Típus: SPD+POP 4 255 C63
Cikksz.: 900788
vagy egyenértékű.

Certificates

 

Technical data

Általános
Pólusszám 3P + N
Névleges feszültség AC (UN ) 230 / 400 V
SPD
Névleges levezetési áram (8/20) [L-N] (In ) 5 kA
POP
Legnagyobb feszültség kioldás nélkül AC 255 V
Legnagyobb kioldási feszültség AC 415 V
MCB
Kioldási karakterisztika C
Névleges áram AC (IL ) 63 A

Product 900788 was added to Notepad.

Product 900788 was added to the cart.


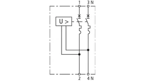
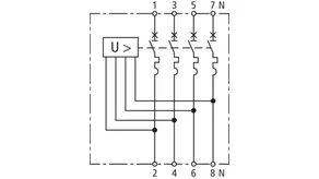
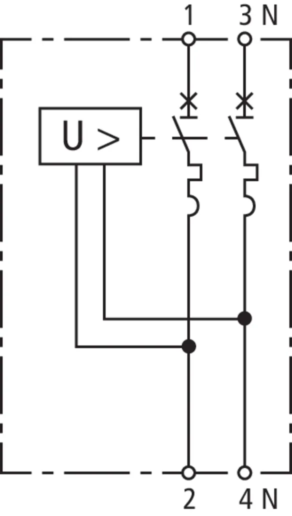
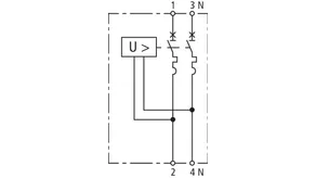
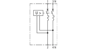
Kétpólusú POP+MCB

3 Products

Part No. 900760 POP 2 255 C25

GTIN 4013364156135, Customs tariff No. (EU): 85363030, Gross weight: 297.00 g, PU: 1.00 db.


Images

Additional information

Védőberendezés POP 2 255 C25
Védőberendezés hálózati frekvenciás túlfeszültségekkel szemben
integrált kismegszakítóval
POP az EN 50550 szerint
Csatlakozáskész komplett egység, az egyedi készülékek
járulékos huzalozása nem szükséges
Pólusszám 1P + N
Kioldási karakterisztika MCB / névleges áram MCB C 25 A
Névleges megszakítóképesség az EN 60898 szerint 6 kA
Soros beépített eszköz a DIN 43880 szerint, 3 modul széles

Gyártó: DEHN
Típus: POP 2 255 C25
Cikksz.: 900760
vagy egyenértékű.

Certificates

 

Technical data

Általános
Pólusszám 1P + N
Névleges feszültség AC (UN ) 230 V
POP
Legnagyobb feszültség kioldás nélkül AC 255 V
Legnagyobb kioldási feszültség AC 415 V
MCB
Kioldási karakterisztika C
Névleges áram AC (IL ) 25 A

Product 900760 was added to Notepad.

Product 900760 was added to the cart.

Part No. 900761 POP 2 255 C32

GTIN 4013364156142, Customs tariff No. (EU): 85363030, Gross weight: 317.00 g, PU: 1.00 db.


Images

Additional information

Védőberendezés POP 2 255 C32
Védőberendezés hálózati frekvenciás túlfeszültségekkel
szemben integrált kismegszakítóval
POP az EN 50550 szerint
Csatlakozáskész komplett egység, az egyedi készülékek
járulékos huzalozása nem szükséges
Pólusszám 1P + N
Kioldási karakterisztika MCB / névleges áram MCB C 32 A
Névleges megszakítóképesség az EN 60898 szerint 6 kA
Soros beépített eszköz a DIN 43880 szerint, 3 modul széles

Gyártó: DEHN
Típus: POP 2 255 C32
Cikksz.: 900761
vagy egyenértékű.

Certificates

 

Technical data

Általános
Pólusszám 1P + N
Névleges feszültség AC (UN ) 230 V
POP
Legnagyobb feszültség kioldás nélkül AC 255 V
Legnagyobb kioldási feszültség AC 415 V
MCB
Kioldási karakterisztika C
Névleges áram AC (IL ) 32 A

Product 900761 was added to Notepad.

Product 900761 was added to the cart.

Part No. 900762 POP 2 255 C40

GTIN 4013364156159, Customs tariff No. (EU): 85363030, Gross weight: 317.00 g, PU: 1.00 db.


Images

Additional information

Védőberendezés POP 2 255 C40
Védőberendezés hálózati frekvenciás túlfeszültségekkel
szemben integrált kismegszakítóval
POP az EN 50550 szerint
Csatlakozáskész komplett egység, az egyedi készülékek
járulékos huzalozása nem szükséges
Pólusszám 1P + N
Kioldási karakterisztika MCB / névleges áram MCB C 40 A
Névleges megszakítóképesség az EN 60898 szerint 6 kA
Soros beépített eszköz a DIN 43880 szerint, 3 modul széles

Gyártó: DEHN
Típus: POP 2 255 C40
Cikksz.: 900762
vagy egyenértékű.

Certificates

 

Technical data

Általános
Pólusszám 1P + N
Névleges feszültség AC (UN ) 230 V
POP
Legnagyobb feszültség kioldás nélkül AC 255 V
Legnagyobb kioldási feszültség AC 415 V
MCB
Kioldási karakterisztika C
Névleges áram AC (IL ) 40 A

Product 900762 was added to Notepad.

Product 900762 was added to the cart.


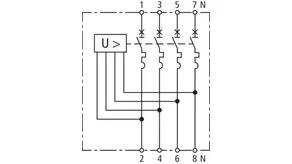
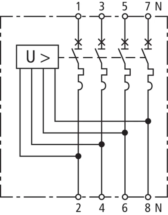
Négypólusú POP+MCB

4 Products

Part No. 900765 POP 4 255 C25

GTIN 4013364156166, Customs tariff No. (EU): 85363030, Gross weight: 547.00 g, PU: 1.00 db.


Images

Additional information

Védőberendezés POP 4 255 C25
Védőberendezés hálózati frekvenciás túlfeszültségekkel
szemben integrált kismegszakítóval
POP az EN 50550 szerint
Csatlakozáskész komplett egység, az egyedi készülékek
járulékos huzalozása nem szükséges
Pólusszám 3P + N
Kioldási karakterisztika MCB / névleges áram MCB C 25 A
Névleges megszakítóképesség az EN 60898 szerint 6 kA
Soros beépített eszköz a DIN 43880 szerint, 5 modul széles

Gyártó: DEHN
Típus: POP 4 255 C25
Cikksz.: 900765
vagy egyenértékű.

Certificates

 

Technical data

Általános
Pólusszám 3P + N
Névleges feszültség AC (UN ) 230 / 400 V
POP
Legnagyobb feszültség kioldás nélkül AC 255 V
Legnagyobb kioldási feszültség AC 415 V
MCB
Kioldási karakterisztika C
Névleges áram AC (IL ) 25 A

Product 900765 was added to Notepad.

Product 900765 was added to the cart.

Part No. 900766 POP 4 255 C32

GTIN 4013364156173, Customs tariff No. (EU): 85363030, Gross weight: 580.00 g, PU: 1.00 db.


Images

Additional information

Védőberendezés POP 4 255 C32
Védőberendezés hálózati frekvenciás túlfeszültségekkel
szemben integrált kismegszakítóval
POP az EN 50550 szerint
Csatlakozáskész komplett egység, az egyedi készülékek
járulékos huzalozása nem szükséges
Pólusszám 3P + N
Kioldási karakterisztika MCB / névleges áram MCB C 32 A
Névleges megszakítóképesség az EN 60898 szerint 6 kA
Soros beépített eszköz a DIN 43880 szerint, 5 modul széles

Gyártó: DEHN
Típus: POP 4 255 C32
Cikksz.: 900766
vagy egyenértékű.

Certificates

 

Technical data

Általános
Pólusszám 3P + N
Névleges feszültség AC (UN ) 230 / 400 V
POP
Legnagyobb feszültség kioldás nélkül AC 255 V
Legnagyobb kioldási feszültség AC 415 V
MCB
Kioldási karakterisztika C
Névleges áram AC (IL ) 32 A

Product 900766 was added to Notepad.

Product 900766 was added to the cart.

Part No. 900767 POP 4 255 C40

GTIN 4013364156180, Customs tariff No. (EU): 85363030, Gross weight: 586.00 g, PU: 1.00 db.


Images

Additional information

Védőberendezés POP 4 255 C40
Védőberendezés hálózati frekvenciás túlfeszültségekkel
szemben integrált kismegszakítóval
POP az EN 50550 szerint
Csatlakozáskész komplett egység, az egyedi készülékek
járulékos huzalozása nem szükséges
Pólusszám 3P + N
Kioldási karakterisztika MCB / névleges áram MCB C 40 A
Névleges megszakítóképesség az EN 60898 szerint 6 kA
Soros beépített eszköz a DIN 43880 szerint, 5 modul széles

Gyártó: DEHN
Típus: POP 4 255 C40
Cikksz.: 900767
vagy egyenértékű.

Certificates

 

Technical data

Általános
Pólusszám 3P + N
Névleges feszültség AC (UN ) 230 / 400 V
POP
Legnagyobb feszültség kioldás nélkül AC 255 V
Legnagyobb kioldási feszültség AC 415 V
MCB
Kioldási karakterisztika C
Névleges áram AC (IL ) 40 A

Product 900767 was added to Notepad.

Product 900767 was added to the cart.

Part No. 900768 POP 4 255 C63

GTIN 4013364156197, Customs tariff No. (EU): 85363030, Gross weight: 591.00 g, PU: 1.00 db.


Images

Additional information

Védőberendezés POP 4 255 C63
Védőberendezés hálózati frekvenciás túlfeszültségekkel
szemben integrált kismegszakítóval
POP az EN 50550 szerint
Csatlakozáskész komplett egység, az egyedi készülékek
járulékos huzalozása nem szükséges
Pólusszám 3P + N
Kioldási karakterisztika MCB / névleges áram MCB C 63 A
Névleges megszakítóképesség az EN 60898 szerint 6 kA
Soros beépített eszköz a DIN 43880 szerint, 5 modul széles

Gyártó: DEHN
Típus: POP 4 255 C63
Cikksz.: 900768
vagy egyenértékű.

Certificates

 

Technical data

Általános
Pólusszám 3P + N
Névleges feszültség AC (UN ) 230 / 400 V
POP
Legnagyobb feszültség kioldás nélkül AC 255 V
Legnagyobb kioldási feszültség AC 415 V
MCB
Kioldási karakterisztika C
Névleges áram AC (IL ) 63 A

Product 900768 was added to Notepad.

Product 900768 was added to the cart.


Négypólusú POP

1 Product

Part No. 900720 DEHNduo POP SA 3P 230

GTIN 4013364477377, Customs tariff No. (EU): 85363030, Gross weight: 175.44 g, PU: 1.00 db.


Images

Additional information

Védőberendezés POP SA 3P 230
Védőberendezés
hálózati frekvenciás túlfeszültségekkel szemben
külső teljesítmény- és
kismegszakítók kioldásához
POP IEC 63052 cat. 4.1.3S2
Pólusszám 3P + N
beállítható kimeneti kapcsolójel
12 V – 230 V
Soros beépített eszköz a DIN 43880
szerint, 2 modul széles

Gyártó: DEHN
Típus: DEHNduo POP SA 3P 230
Cikksz.: 900720
vagy egyenértékű.

 

Technical data

Általános
Pólusszám 3P + N
Névleges feszültség AC (UN ) 230 / 400 V
POP
Legnagyobb feszültség kioldás nélkül AC 255 V
Legnagyobb kioldási feszültség AC 440 V
Kioldási idő 275 V AC feszültségszinten 9 s
Kioldási idő 300 V AC feszültségszinten 3 s
Kioldási idő 350 V AC feszültségszinten 0,5 s
Megszakító képesség DCout 50 ms 230 V / 1 A; 48 V / 3 A; 24 V / 5 A; 12 V / 5 A
Teljesítményfelvétel 500 mW

Product 900720 was added to Notepad.

Product 900720 was added to the cart.


back to top