DEHNguard modular E (Y)PV SCI 1500

  • Moduláris, csatlakozáskész kompakt eszköz napelemes rendszerekhez 1500V-ig, mely alapmodulból és duhaszolható védelmi modulokból áll
  • Kombinált leválasztó és rövidrezáró kapcsolás biztonságos szigeteléssel a védelmi modulban (szabadalmaztatott SCI - ShortCircuitInterruption elv)
  • Új kialakítás, az 1500V-os napelemes rendszerekben való biztonságos használatra
  • MSZ EN 50539-11 szabvány szerint tesztelt
  • Használható az MSZ HD 60364-7-712 szabvány szerint "Különleges berendezésekre vagy helyekre vonatkozó követelmények. Napelemes (PV-) rendszerek"

Details

Háromlépcsős átkapcsoló berendezés (szabadalmaztatott SCI elv)
lorem ipsum

DEHNguard ME YPV SCI 1500 (FM)

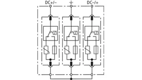
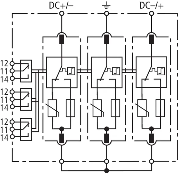
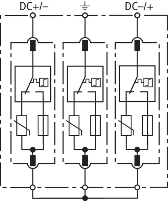
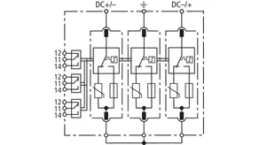
Moduláris többpólusú túlfeszültségvédelmi készülék háromlépcsős DC átkapcsoló berendezéssel napelemes rendszerek számára

2 Products

Part No. 952520 DG ME YPV SCI 1500

GTIN 4013364149069, Customs tariff No. (EU): 85354000, Gross weight: 535.70 g, PU: 1.00 db.


Images

Additional information

DEHNguard ME YPV SCI 1500 túlfeszültségkorlátozó
Moduláris és dugaszolható többpólusú védelmi készülék
fotovoltaikus rendszerek védelmére 1500 V DC-ig
háromlépcsős DC átkapcsoló berendezéssel, szélesség: 4,5 modul
Hibajelzés
2.típusú SPD az MSZ EN 50539-11 szerint
Használat az MSZ HD 60364-7-712 szerint
Biztonságos galvanikus leválasztással a védelmi modulban
Legnagyobb PV feszültség: <= 1500 V DC
Teljes levezetési áram: 25 kA
Védelmi feszültségszint: <= 6 kV
Zárlati szilárdság Iscpv: 10 kA

Gyártó: DEHN
Típus: DG ME YPV SCI 1500
Cikksz.: 952520
vagy egyenértékű.

Certificates

 

SCI-Technology

The patented SCI technology with active arc extinction allows to actively, quickly and safely extinguish a possible switching arc in case of overload. The PV fuse integrated in the short-circuit path trips immediately after the arc has been extinguished, thus ensuring safe electrical isolation (interruption). Consequently, all PV arresters from DEHN combine surge protection, fire protection and personal protection in a single device

Technical data

SPD az EN 61643-31 / ... szerint IEC 61643-31 2. típus / Class II
Legnagyobb PV feszültség (UCPV ) 1500 V
Zárlati szilárdság (ISCPV ) 10 kA
Teljes levezetési áram (8/20 µs) (Itotal ) 25 kA
Névleges levezetési lökőáram (8/20 µs) [(DC+/DC-) --> PE] (In ) 12,5 kA
Védelmi feszültségszint (UP ) ≤ 6 kV
Tanúsítványok KEMA, UL

Product 952520 was added to Notepad.

Product 952520 was added to the cart.

Part No. 952525 DG ME YPV SCI1500 FM

GTIN 4013364149076, Customs tariff No. (EU): 85354000, Gross weight: 556.00 g, PU: 1.00 db.


Images

Additional information

DEHNguard ME YPV SCI 1500 túlfeszültségkorlátozó
Moduláris és dugaszolható többpólusú védelmi készülék
fotovoltaikus rendszerek védelmére 1500 V DC-ig
háromlépcsős DC átkapcsoló berendezéssel, szélesség: 4,5 modul
Hibajelzés, távjelző érintkezővel
2.típusú SPD az MSZ EN 50539-11 szerint
Használat az MSZ HD 60364-7-712 szerint
Biztonságos galvanikus leválasztással a védelmi modulban
Legnagyobb PV feszültség: <= 1500 V DC
Teljes levezetési áram: 25 kA
Védelmi feszültségszint: <= 6 kV
Zárlati szilárdság Iscpv: 10 kA

Gyártó: DEHN
Típus: DG ME YPV SCI1500 FM
Cikksz.: 952525
vagy egyenértékű.

Certificates

 

SCI-Technology

The patented SCI technology with active arc extinction allows to actively, quickly and safely extinguish a possible switching arc in case of overload. The PV fuse integrated in the short-circuit path trips immediately after the arc has been extinguished, thus ensuring safe electrical isolation (interruption). Consequently, all PV arresters from DEHN combine surge protection, fire protection and personal protection in a single device

Technical data

SPD az EN 61643-31 / ... szerint IEC 61643-31 2. típus / Class II
Legnagyobb PV feszültség (UCPV ) 1500 V
Zárlati szilárdság (ISCPV ) 10 kA
Teljes levezetési áram (8/20 µs) (Itotal ) 25 kA
Névleges levezetési lökőáram (8/20 µs) [(DC+/DC-) --> PE] (In ) 12,5 kA
Védelmi feszültségszint (UP ) ≤ 6 kV
Tanúsítványok KEMA, UL
Jelzőérintkező / Érintkezőtípus váltóérintkező

Product 952525 was added to Notepad.

Product 952525 was added to the cart.


back to top