DEHNvenCI

  • Szikraköz alapú kombinált villámáram-levezető és túlfeszültségkorlátozó beépített előtét-biztosítóval
  • Energetikailag koordinált más Red/Line termékcsalád eszközeivel
  • Kisfeszültségű védelmi szint UP ≤ 1.5 kV (beleértve a beépített biztosítót)
  • Nagy rendelkezésre állás a RADAX Flow hálózati utánfolyó áramkorlátozás révén
  • Hálózati utánfolyó zárlati áramkioltó képesség akár 100 kAeff
  • Magas levezetési áramimpulzus akár 25kA (10/350us)
  • Végkészülék védelmére alkalmas
  • Működési állapot/hiba jelzése zöld/piros színnel kémlelő ablakban

DEHNvenCI 255 (FM)

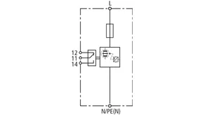
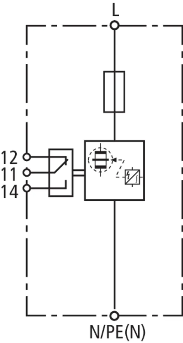
Egypólusú kombi villámáram-levezető és túlfeszültségkorlátozó beépített előtét-biztosítóval 230/400V-os rendszerekhez; FM változat potenciálfüggetlen távjelző érintkezőkkel

2 Products

Part No. 961200 DVCI 1 255

GTIN 4013364145108, Customs tariff No. (EU): 85363090, Gross weight: 477.30 g, PU: 1.00 db.


Images

Additional information

Kombinált levezető DEHNvenCI 255
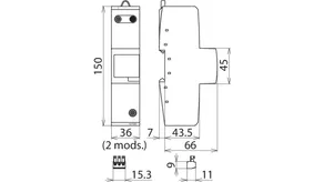
1 pólusú kombinált levezető integrált
levezető-előbiztosítóval, szélessége 2 TE
1. típusú + 2. típusú levezető az MSZ EN 61643-11 szerint
RADAX Flow szikraköz technológia
az utánfolyóáram korlátozására
Lehetővé teszi a végberendezések védelmét
Hibajelzés levezetőre és integrált biztosítóra
Legmagasabb tartós feszültség: 255 V AC
Védelmi feszültségszint: <= 1,5 kV
Villámáram impulzus (10/350): 25 kA
Utánfolyó zárlati áramkioltó képesség: max. 100 kAeff.
Energetikai koordináció az MSZ EN 62305-4 szerint
Red/Line-család levezetője, valamint közvetlenül a végberendezéshez

Gyártó: DEHN
Típus: DVCI 1 255
Cikksz.: 961200
vagy egyenértékű.

Certificates

 

Circuit Interruption

The backup fuse is already integrated here. This means: reduced space requirement, lower installation costs, faster wiring, and shorter connecting cables. This concept can be found in the product ranges DEHNvenCI, DEHNbloc Maxi S, DEHNguard ... CI and V(A) NH...

Wave breaker function

In the case of spark-gap-based type 1 arresters, the entire current flows through the type 1 arrester during the discharge process. Like a wave breaker, the incoming energy is greatly broken down, which significantly relieves the downstream SPDs. All type 1 arresters in the Red/Line product range feature the WBF wave breaker function.

Technical data

SPD típus/osztály az MSZ EN 61643-11 / ... IEC 61643-11 alapján 1.típus + 2.típus/ I.osztály + II.osztály
Legnagyobb folyamatos üzemi feszültség AC (UC ) 255 V (50 / 60 Hz)
Levezetési áramimpulzus (10/350 µs) (Iimp ) 25 kA
Védelmi feszültségszint (UP ) ≤ 1,5 kV
Max. hálózatoldali túláramvédelem integrált előbiztosító
Tanúsítványok KEMA
Kiegészítő műszaki adatok: Alkalmazás kapcsolószekrényekben, ahol a független zárlati áram nagyobb mint 50 kAeff (VDE által bevizsgálva)
– Max. független zárlati áram 100 kAeff (220 kAcsúcs)

Product 961200 was added to Notepad.

Product 961200 was added to the cart.

Part No. 961205 DVCI 1 255 FM

GTIN 4013364145115, Customs tariff No. (EU): 85363090, Gross weight: 480.80 g, PU: 1.00 db.


Images

Additional information

Kombinált levezető DEHNvenCI 255 FM
1 pólusú kombinált levezető integrált
levezető-előbiztosítóval, szélessége 2 TE
távjelző érintkezővel
1. típusú + 2. típusú levezető az MSZ EN 61643-11 szerint
RADAX Flow szikraköz technológia
az utánfolyóáram korlátozására
Lehetővé teszi a végberendezések védelmét
Hibajelzés és távjelzés levezetőre és integrált biztosítóra
Legmagasabb tartós feszültség: 255 V AC
Védelmi feszültségszint: <= 1,5 kV
Villámáram impulzus (10/350): 25 kA
Utánfolyó zárlati áramkioltó képesség: max. 100 kAeff.
Energetikai koordináció az
MSZ EN 62305-4 szerint
Red/Line-család levezetője, valamint közvetlenül a végberendezéshez

Gyártó: DEHN
Típus: DVCI 1 255 FM
Cikksz.: 961205
vagy egyenértékű.

Certificates

 

Circuit Interruption

The backup fuse is already integrated here. This means: reduced space requirement, lower installation costs, faster wiring, and shorter connecting cables. This concept can be found in the product ranges DEHNvenCI, DEHNbloc Maxi S, DEHNguard ... CI and V(A) NH...

Wave breaker function

In the case of spark-gap-based type 1 arresters, the entire current flows through the type 1 arrester during the discharge process. Like a wave breaker, the incoming energy is greatly broken down, which significantly relieves the downstream SPDs. All type 1 arresters in the Red/Line product range feature the WBF wave breaker function.

Technical data

SPD típus/osztály az MSZ EN 61643-11 / ... IEC 61643-11 alapján 1.típus + 2.típus/ I.osztály + II.osztály
Legnagyobb folyamatos üzemi feszültség AC (UC ) 255 V (50 / 60 Hz)
Levezetési áramimpulzus (10/350 µs) (Iimp ) 25 kA
Védelmi feszültségszint (UP ) ≤ 1,5 kV
Max. hálózatoldali túláramvédelem integrált előbiztosító
Tanúsítványok KEMA
Jelzőérintkező / Érintkezőtípus váltóérintkező
Kiegészítő műszaki adatok: Alkalmazás kapcsolószekrényekben, ahol a független zárlati áram nagyobb mint 50 kAeff (VDE által bevizsgálva)
– Max. független zárlati áram 100 kAeff (220 kAcsúcs)

Product 961205 was added to Notepad.

Product 961205 was added to the cart.


back to top