DEHNshield

  • Alkalmazásoptimalizált, készreszerelt szikraköz alapú 1.típus+2.típusú kombinált villámáram-levezető és túlfeszültségkorlátozó
  • Kompakt kialakítás, helytakarékos szikraköz technológiával mely pólusonként csak 1 modul széles
  • Teljesíti a IEC 60364-5-53 szabvány minimális követelményeit a villámáram levezetésével kapcsolatosan
  • Kompakt potenciálkiegyenlítés és végkészülékek védelme
  • Levezetési áram akár 50kA (10/350 µs)
  • Működési állapot /hibajelzés zöld/piros
  • Magas utánfolyó áram kioltóképesség (Ifi = 25 kArms)

Details

V csatlakozás a villámárammal tesztelt STAK25 tűalakú csatlakozóval
lorem ipsum

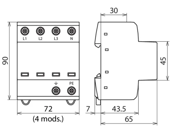
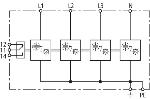
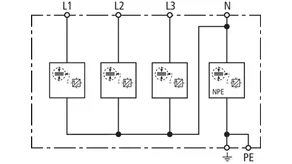
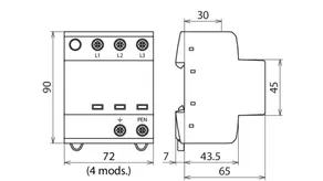
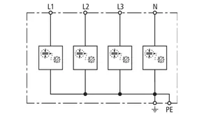
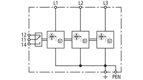
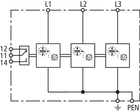
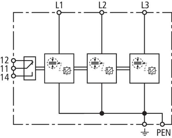
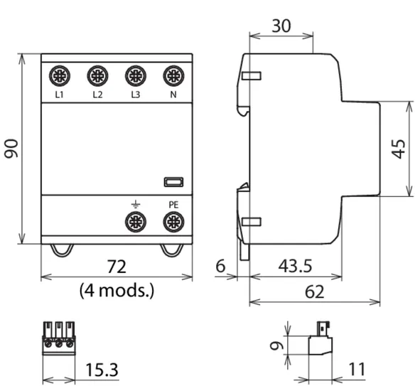
DEHNshield TNC

Alkalmazásoptimalizált, készreszerelt kombinált kombinált villámáram-levezető és túlfeszültségkorlátozó modul TN-C rendszerekhez 230 /400 V névleges feszültséghez (3+0 kapcsolás)

1 Product

Part No. 941300 DSH TNC 255

GTIN 4013364133556, Customs tariff No. (EU): 85363090, Gross weight: 415.80 g, PU: 1.00 db.


Images

Additional information

DEHNshield TNC 255 FM kombi levezető
3 pólusú kombinált levezető 230/400 V TN-C rendszerekhez
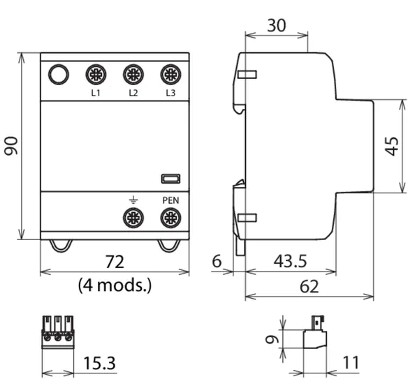
szélesség: 4 modul
1.típus+2.típusú SPD az MSZ EN 61643-11 szerint
Alkalmazásoptimalizált eszköz, kompakt elektromos telepítésekre
Szikraköz technológia utánfolyó villámáram korlátozással
Hibajelzés
Legnagyobb folyamatos üzemi feszültség: 255 V AC
Védelmi szint: <= 1,5 kV
Villám lökőáram (10/350): 37,5kA
Energetikailag koordinált védőhatás az MSZ EN 62305-4 szerint
a Red/Line termékcsaládon belül, valamint végkészülékeknél.

Gyártó: DEHN
Típus: DSH TNC 255
Cikksz.: 941300
vagy egyenértékű.

Certificates

 

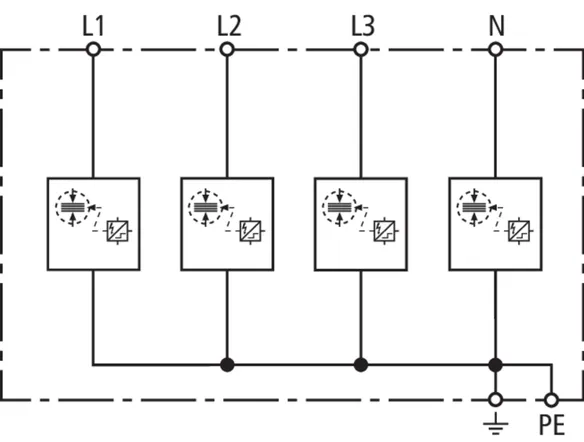
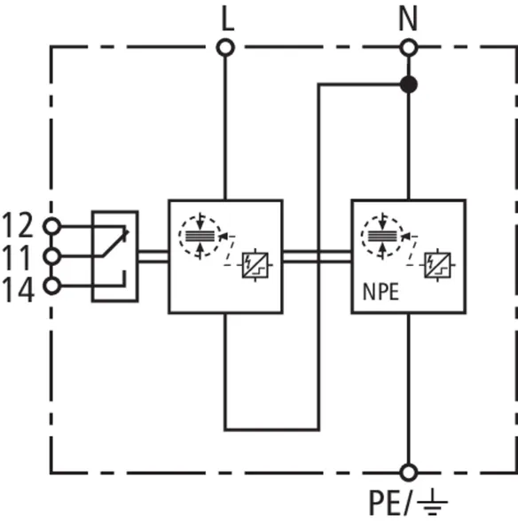
Wave breaker function

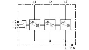
In the case of spark-gap-based type 1 arresters, the entire current flows through the type 1 arrester during the discharge process. Like a wave breaker, the incoming energy is greatly broken down, which significantly relieves the downstream SPDs. All type 1 arresters in the Red/Line product range feature the WBF wave breaker function.

Technical data

SPD típus/osztály az MSZ EN 61643-11 / ... IEC 61643-11 alapján 1.típus+2.típus / I. osztály + II. osztály
Legnagyobb folyamatos üzemi feszültség AC (UC ) 255 V (50 / 60 Hz)
Levezetési áramimpulzus (10/350 µs) [L1+L2+L3-PEN] (Itotal ) 37,5 kA
Levezetési áramimpulzus (10/350 µs) [L-PEN] (Iimp ) 12,5 kA
Védelmi feszültségszint (UP ) ≤ 1,5 kV
Legnagyobb hálózatoldali túláramvédelem 160 A gG
Tanúsítványok KEMA, VDE, UL

Product 941300 was added to Notepad.

Product 941300 was added to the cart.


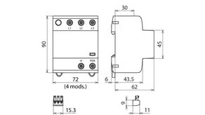
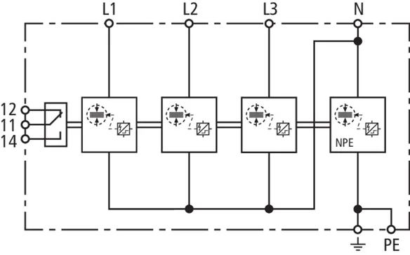
DEHNshield TNC FM

Alkalmazásoptimalizált, készreszerelt kombinált kombinált villámáram-levezető és túlfeszültségkorlátozó modul TN-C rendszerekhez 230 /400 V névleges feszültséghez (3+0 kapcsolás); potenciálfüggetlen távjelző érintkezővel

1 Product

Part No. 941305 DSH TNC 255 FM

GTIN 4013364275317, Customs tariff No. (EU): 85363090, Gross weight: 420.60 g, PU: 1.00 db.


Images

Additional information

Kombinált levezető DEHNshield TNC 255 FM
3 pólusú kombinált levezető 230/400 V TN-C rendszerekhez
távjelző érintkezővel, szélesség: 4 modul
1.típusú+2.típusú levezető MSZ EN 61643-11 szerint
Alkalmazásoptimalizált eszköz, kompakt elektromos telepítésekre
Szikraköz technológia utánfolyó villámáram korlátozással
Hibajelzés
Legnagyobb folyamatos üzemi feszültség: 255 V AC
Védelmi szint: <= 1,5 kV
Villám lökőáram (10/350): 37,5kA
Energetikailag koordinált védőhatás az MSZ EN 62305-4 szerint
a Red/Line termékcsaládon belül, valamint végkészülékeknél.

Gyártó: DEHN
Típus: DSH TNC 255 FM
Cikksz.: 941305
vagy egyenértékű.

Certificates

 

Wave breaker function

In the case of spark-gap-based type 1 arresters, the entire current flows through the type 1 arrester during the discharge process. Like a wave breaker, the incoming energy is greatly broken down, which significantly relieves the downstream SPDs. All type 1 arresters in the Red/Line product range feature the WBF wave breaker function.

Technical data

SPD típus/osztály az MSZ EN 61643-11 / ... IEC 61643-11 alapján 1.típus+2.típus / I. osztály + II. osztály
Legnagyobb folyamatos üzemi feszültség AC (UC ) 255 V (50 / 60 Hz)
Levezetési áramimpulzus (10/350 µs) [L1+L2+L3-PEN] (Itotal ) 37,5 kA
Levezetési áramimpulzus (10/350 µs) [L-PEN] (Iimp ) 12,5 kA
Védelmi feszültségszint (UP ) ≤ 1,5 kV
Legnagyobb hálózatoldali túláramvédelem 160 A gG
Tanúsítványok KEMA, VDE
Távjelzés érintkező típusa váltóérintkező

Product 941305 was added to Notepad.

Product 941305 was added to the cart.


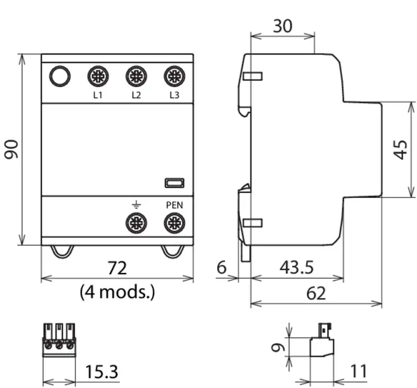
DEHNshield TNC Basic FM

Alkalmazásoptimalizált, készreszerelt kombinált kombinált villámáram-levezető és túlfeszültségkorlátozó modul TN-C rendszerekhez; potenciálfüggetlen távjelző érintkezőkkel.

1 Product

Part No. 941306 DSH B TNC 255 FM

GTIN 4013364328068, Customs tariff No. (EU): 85363090, Gross weight: 422.00 g, PU: 1.00 db.


Images

Additional information

DEHNshield B TNC 255 FM kombinált levezető
Hárompólusú kombinált levezető 230/400 V TN-C rendszerekhez
távjelző érintkezővel, szélesség: 4 modul
1.típus+2.típus SPD MSZ EN 61643-11 szerint
Teljesíti az MSZ HD 60364-5-534 és MSZ HD 60364-4-443 szabványok összes követelményét
Szikraköz technológia utánfolyó villámáram korlátozással
Hibajelzés
Legnagyobb folyamatos üzemi feszültség: 255 V AC
Védelmi szint: <= 1,5 kV
Villám lökőáram (10/350): 22,5kA
Energetikailag koordinált védőhatás az MSZ EN 62305-4 szerint
a Red/Line termékcsaládon belül, valamint végkészülékeknél.

Gyártó: DEHN
Típus: DSH B TNC 255 FM
Cikksz.: 941306
vagy egyenértékű.

Certificates

 

Wave breaker function

In the case of spark-gap-based type 1 arresters, the entire current flows through the type 1 arrester during the discharge process. Like a wave breaker, the incoming energy is greatly broken down, which significantly relieves the downstream SPDs. All type 1 arresters in the Red/Line product range feature the WBF wave breaker function.

Technical data

SPD típus/osztály az MSZ EN 61643-11 / ... IEC 61643-11 alapján 1.típus+2.típus/I.osztály + II.osztály
Legnagyobb folyamatos üzemi feszültség AC (UC ) 255 V (50 / 60 Hz)
Levezetési áramimpulzus (10/350 µs) [L1+L2+L3-PEN] (Itotal ) 22,5 kA
Levezetési áramimpulzus (10/350 µs) [L-PEN] (Iimp ) 7,5 kA
Védelmi feszültségszint (UP ) ≤ 1,5 kV
Legnagyobb hálózatoldali túláramvédelem 160 A gG
Tanúsítványok VDE
Távjelzés érintkező típusa váltóérintkező

Product 941306 was added to Notepad.

Product 941306 was added to the cart.


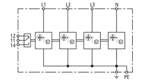
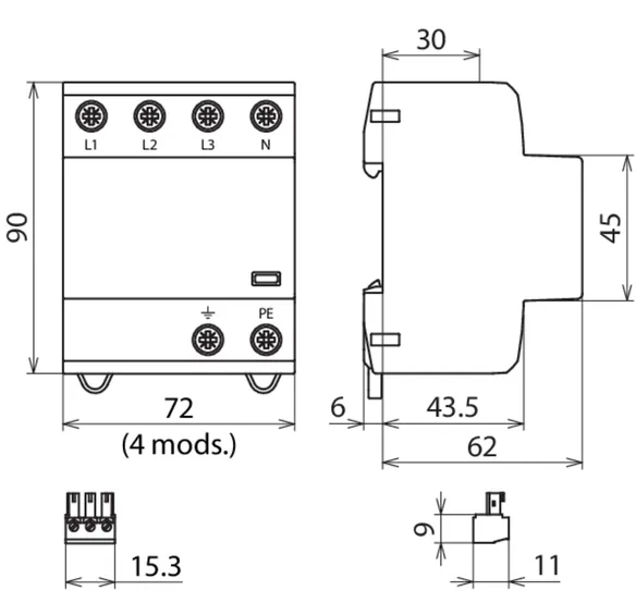
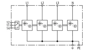
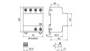
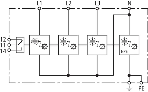
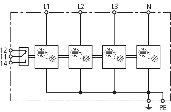
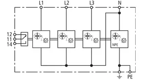
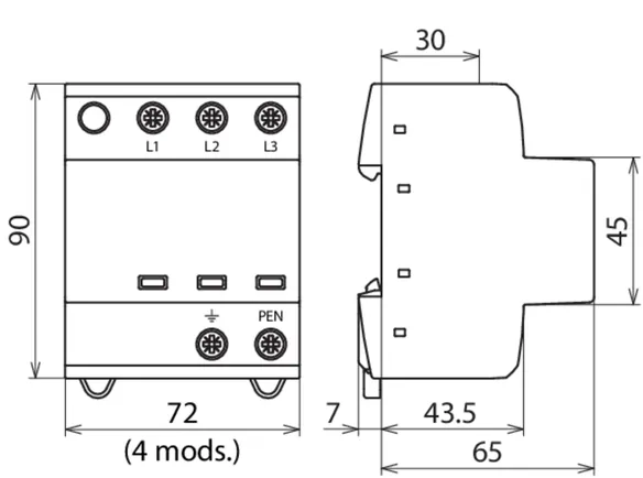
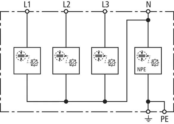
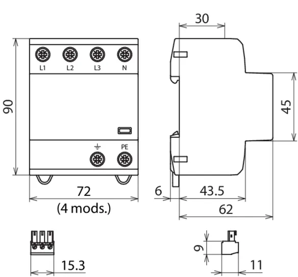
DEHNshield TNS

Alkalmazásoptimalizált, készreszerelt kombinált kombinált villámáram-levezető és túlfeszültségkorlátozó modul TN-S rendszerekhez 230 /400 V névleges feszültséghez (4+0 kapcsolás)

1 Product

Part No. 941400 DSH TNS 255

GTIN 4013364133563, Customs tariff No. (EU): 85363090, Gross weight: 555.00 g, PU: 1.00 db.


Images

Additional information

DEHNshield TNS 255 kombi levezető
4 pólusú kombinált levezető 230/400 V TN(C)-S rendszerekhez
szélesség: 4 modul
1.típus+2.típusú SPD az MSZ EN 61643-11 szerint
Alkalmazásoptimalizált eszköz, kompakt elektromos telepítésekre
Szikraköz technológia utánfolyó villámáram korlátozással
Hibajelzés
Legnagyobb folyamatos üzemi feszültség: 255 V AC
Védelmi szint: <= 1,5 kV
Villám lökőáram (10/350): 50kA
Energetikailag koordinált védőhatás az MSZ EN 62305-4 szerint
a Red/Line termékcsaládon belül, valamint végkészülékeknél.

Gyártó: DEHN
Típus: DSH TNS 255
Cikksz.: 941400
vagy egyenértékű.

Certificates

 

Wave breaker function

In the case of spark-gap-based type 1 arresters, the entire current flows through the type 1 arrester during the discharge process. Like a wave breaker, the incoming energy is greatly broken down, which significantly relieves the downstream SPDs. All type 1 arresters in the Red/Line product range feature the WBF wave breaker function.

Technical data

SPD típus/osztály az MSZ EN 61643-11 / ... IEC 61643-11 alapján 1.típus+2.típus / I.osztály + II.osztály
Legnagyobb folyamatos üzemi feszültség AC (UC ) 255 V (50 / 60 Hz)
Levezetési áramimpulzus (10/350 µs) [L1+L2+L3+N-PE] (Itotal ) 50 kA
Levezetési áramimpulzus (10/350 µs) [L, N-PE] (Iimp ) 12,5 kA
Védelmi feszültségszint [L-PE]/[N-PE] (UP ) ≤ 1,5 / ≤ 1,5 kV
Legnagyobb hálózatoldali túláramvédelem 160 A gG
Tanúsítványok KEMA, VDE, UL

Product 941400 was added to Notepad.

Product 941400 was added to the cart.


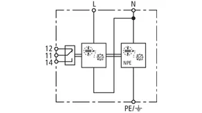
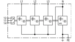
DEHNshield TNS FM

Alkalmazásoptimalizált, készreszerelt kombinált kombinált villámáram-levezető és túlfeszültségkorlátozó modul TN-S rendszerekhez 230 /400 V névleges feszültséghez (4+0 kapcsolás) ; potenciáltfüggetlen távjelző érintkezőkkel

1 Product

Part No. 941405 DSH TNS 255 FM

GTIN 4013364275331, Customs tariff No. (EU): 85363090, Gross weight: 488.30 g, PU: 1.00 db.


Images

Additional information

DEHNshield TNS 255 FM kombi levezető
4 pólusú kombinált levezető 230/400 V TN(C)-S rendszerekhez
szélesség: 4 modul, potenciálfüggetlen távjelző érintkezővel
1.típus+2.típusú SPD az MSZ EN 61643-11 szerint
Alkalmazásoptimalizált eszköz, kompakt elektromos telepítésekre
Szikraköz technológia utánfolyó villámáram korlátozással
Hibajelzés
Legnagyobb folyamatos üzemi feszültség: 255 V AC
Védelmi szint: <= 1,5 kV
Villám lökőáram (10/350): 50kA
Energetikailag koordinált védőhatás az MSZ EN 62305-4 szerint
a Red/Line termékcsaládon belül, valamint végkészülékeknél.

Gyártó: DEHN
Típus: DSH TNS 255 FM
Cikksz.: 941405
vagy egyenértékű.

Certificates

 

Wave breaker function

In the case of spark-gap-based type 1 arresters, the entire current flows through the type 1 arrester during the discharge process. Like a wave breaker, the incoming energy is greatly broken down, which significantly relieves the downstream SPDs. All type 1 arresters in the Red/Line product range feature the WBF wave breaker function.

Technical data

SPD típus/osztály az MSZ EN 61643-11 / ... IEC 61643-11 alapján 1.típus+2.típus / I.osztály + II.osztály
Legnagyobb folyamatos üzemi feszültség AC (UC ) 255 V (50 / 60 Hz)
Levezetési áramimpulzus (10/350 µs) [L1+L2+L3+N-PE] (Itotal ) 50 kA
Levezetési áramimpulzus (10/350 µs) [L, N-PE] (Iimp ) 12,5 kA
Védelmi feszültségszint [L-PE]/[N-PE] (UP ) ≤ 1,5 / ≤ 1,5 kV
Legnagyobb hálózatoldali túláramvédelem 160 A gG
Tanúsítványok KEMA, VDE
Távjelzés érintkező típusa váltóérintkező

Product 941405 was added to Notepad.

Product 941405 was added to the cart.


DEHNshield TNS Basic FM

Csatlakozáskész, alkalmazásoptimalizált, kombinált villámáram-levezető és túlfeszültségkorlátozó modul TN-S rendszerekhez fő áramellátó rendszerekben (4+0 kapcsolás) külső villámvédelem nélküli lakóépületeknél (légvezetékes betáplálásnál is); potenciálfüggetlen távjelző érintkezővel.

1 Product

Part No. 941406 DSH B TNS 255 FM

GTIN 4013364328082, Customs tariff No. (EU): 85363090, Gross weight: 489.00 g, PU: 1.00 db.


Images

Additional information

DEHNshield B TNS 255 FM kombi levezető
4 pólusú kombinált levezető 230/400 V TN(C)-S rendszerekhez
szélesség: 4 modul, potenciálfüggetlen távjelző érintkezővel
1.típus+2.típusú SPD az MSZ EN 61643-11 szerint
Teljesíti az MSZ HD 60364-5-534 illetve az MSZ HD 60364-4-443 szabványok összes követelményét
Alkalmazásoptimalizált eszköz, kompakt elektromos telepítésekre
Szikraköz technológia utánfolyó villámáram korlátozással
Hibajelzés
Legnagyobb folyamatos üzemi feszültség: 255 V AC
Védelmi szint: <= 1,5 kV
Villám lökőáram (10/350): 30kA
Energetikailag koordinált védőhatás az MSZ EN 62305-4 szerint
a Red/Line termékcsaládon belül, valamint végkészülékeknél.

Gyártó: DEHN
Típus: DSH B TNS 255 FM
Cikksz.: 941406
vagy egyenértékű.

Certificates

 

Wave breaker function

In the case of spark-gap-based type 1 arresters, the entire current flows through the type 1 arrester during the discharge process. Like a wave breaker, the incoming energy is greatly broken down, which significantly relieves the downstream SPDs. All type 1 arresters in the Red/Line product range feature the WBF wave breaker function.

Technical data

SPD típus/osztály az MSZ EN 61643-11 / ... IEC 61643-11 alapján 1.típus + 2.típus/ I.osztály + II.osztály
Legnagyobb folyamatos üzemi feszültség AC (UC ) 255 V (50 / 60 Hz)
Levezetési áramimpulzus (10/350 µs) [L1+L2+L3+N-PE] (Itotal ) 30 kA
Levezetési áramimpulzus (10/350 µs) [L, N-PE] (Iimp ) 7,5 kA
Védelmi feszültségszint [L-PE]/[N-PE] (UP ) ≤ 1,5 / ≤ 1,5 kV
Legnagyobb hálózatoldali túláramvédelem 160 A gG
Tanúsítványok VDE
Távjelzés érintkező típusa váltóérintkező

Product 941406 was added to Notepad.

Product 941406 was added to the cart.


DEHNshield TT

Alkalmazásoptimalizált, készreszerelt kombinált kombinált villámáram-levezető és túlfeszültségkorlátozó modul TT és TN-S rendszerekhez 230 /400 V névleges feszültséghez (3+1 kapcsolás).

1 Product

Part No. 941310 DSH TT 255

GTIN 4013364131798, Customs tariff No. (EU): 85363090, Gross weight: 509.90 g, PU: 1.00 db.


Images

Additional information

DEHNshield TT 255 kombi levezető
4 pólusú kombinált levezető 230/400 V TT és TN(C)-S rendszerekhez
szélesség: 4 modul
1.típus+2.típusú SPD az MSZ EN 61643-11 szerint
Alkalmazásoptimalizált eszköz, kompakt elektromos telepítésekre
Szikraköz technológia utánfolyó villámáram korlátozással
Hibajelzés
Legnagyobb folyamatos üzemi feszültség: 255 V AC
Védelmi szint: <= 1,5 kV
Villám lökőáram (10/350): 50kA
Energetikailag koordinált védőhatás az MSZ EN 62305-4 szerint
a Red/Line termékcsaládon belül, valamint végkészülékeknél.

Gyártó: DEHN
Típus: DSH TT 255
Cikksz.: 941310
vagy egyenértékű.

Certificates

 

Wave breaker function

In the case of spark-gap-based type 1 arresters, the entire current flows through the type 1 arrester during the discharge process. Like a wave breaker, the incoming energy is greatly broken down, which significantly relieves the downstream SPDs. All type 1 arresters in the Red/Line product range feature the WBF wave breaker function.

Technical data

SPD típus/osztály az MSZ EN 61643-11 / ... IEC 61643-11 alapján 1.típus+2.típus / I.osztály + II.osztály
Legnagyobb folyamatos üzemi feszültség AC (UC ) 255 V (50 / 60 Hz)
Levezetési áramimpulzus (10/350 µs) [L1+L2+L3+N-PE] (Itotal ) 50 kA
Levezetési áramimpulzus (10/350 µs) [L-N]/[N-PE] (Iimp ) 12,5 / 50 kA
Védelmi feszültségszint [L-N]/[N-PE] (UP ) ≤ 1,5 / ≤ 1,5 kV
Legnagyobb hálózatoldali túláramvédelem 160 A gG
Tanúsítványok KEMA, VDE, UL
Kiegészítő adatok: ---------------------------------
Védelmi feszültségszint [L-PE] (UP ) 2,0 kV

Product 941310 was added to Notepad.

Product 941310 was added to the cart.


DEHNshield TT FM

Alkalmazásoptimalizált, készreszerelt kombinált kombinált villámáram-levezető és túlfeszültségkorlátozó modul TT és TN-S rendszerekhez 230 /400 V névleges feszültséghez (3+1 kapcsolás); potenciálfüggetlen távjelző érintkezőkkel.

1 Product

Part No. 941315 DSH TT 255 FM

GTIN 4013364275324, Customs tariff No. (EU): 85363090, Gross weight: 508.80 g, PU: 1.00 db.


Images

Additional information

DEHNshield TT 255 FM kombi levezető
4 pólusú kombinált levezető 230/400 V TT és TN(C)-S rendszerekhez
szélesség: 4 modul, potenciálfüggetlen távjelző érintkezővel
1.típus+2.típusú SPD az MSZ EN 61643-11 szerint
Alkalmazásoptimalizált eszköz, kompakt elektromos telepítésekre
Szikraköz technológia utánfolyó villámáram korlátozással
Hibajelzés
Legnagyobb folyamatos üzemi feszültség: 255 V AC
Védelmi szint: <= 1,5 kV
Villám lökőáram (10/350): 50kA
Energetikailag koordinált védőhatás az MSZ EN 62305-4 szerint
a Red/Line termékcsaládon belül, valamint végkészülékeknél.

Gyártó: DEHN
Típus: DSH TT 255 FM
Cikksz.: 941315
vagy egyenértékű.

Certificates

 

Wave breaker function

In the case of spark-gap-based type 1 arresters, the entire current flows through the type 1 arrester during the discharge process. Like a wave breaker, the incoming energy is greatly broken down, which significantly relieves the downstream SPDs. All type 1 arresters in the Red/Line product range feature the WBF wave breaker function.

Technical data

SPD típus/osztály az MSZ EN 61643-11 / ... IEC 61643-11 alapján 1.típus+2.típus / I.osztály + II.osztály
Legnagyobb folyamatos üzemi feszültség AC (UC ) 255 V (50 / 60 Hz)
Levezetési áramimpulzus (10/350 µs) [L1+L2+L3+N-PE] (Itotal ) 50 kA
Levezetési áramimpulzus (10/350 µs) [L-N]/[N-PE] (Iimp ) 12,5 / 50 kA
Védelmi feszültségszint [L-N]/[N-PE] (UP ) ≤ 1,5 / ≤ 1,5 kV
Legnagyobb hálózatoldali túláramvédelem 160 A gG
Tanúsítványok KEMA, VDE
Kiegészítő adatok: ---------------------------------
Védelmi feszültségszint [L-PE] (UP ) 2,0 kV

Product 941315 was added to Notepad.

Product 941315 was added to the cart.


DEHNshield TT Basic FM

Csatlakozáskész, alkalmazásoptimalizált, kombinált villámáram-levezető és túlfeszültségkorlátozó modul TT- és TN-S rendszerekhez fő áramellátó rendszerekben (3+1 kapcsolás) külső villámvédelem nélküli lakóépületeknél (légvezetékes betáplálásnál is); potenciálfüggetlen távjelző érintkezővel.

1 Product

Part No. 941316 DSH B TT 255 FM

GTIN 4013364328075, Customs tariff No. (EU): 85363090, Gross weight: 510.00 g, PU: 1.00 db.


Images

Additional information

DEHNshield B TT 255 FM kombi levezető
4 pólusú kombinált levezető 230/400 V TT és TN(C)-S rendszerekhez
szélesség: 4 modul, potenciálfüggetlen távjelző érintkezővel
1.típus+2.típusú SPD az MSZ EN 61643-11 szerint
Alkalmazásoptimalizált eszköz, kompakt elektromos telepítésekre
Teljesíti az MSZ HD 60364-5-534 illetve MSZ HD 60364-4-443 szabványok összes követelményeit
Szikraköz technológia utánfolyó villámáram korlátozással
Hibajelzés
Legnagyobb folyamatos üzemi feszültség: 255 V AC
Védelmi szint: <= 1,5 kV
Villám lökőáram (10/350): 30kA
Energetikailag koordinált védőhatás az MSZ EN 62305-4 szerint
a Red/Line termékcsaládon belül, valamint végkészülékeknél.

Gyártó: DEHN
Típus: DSH B TT 255 FM
Cikksz.: 941316
vagy egyenértékű.

Certificates

 

Wave breaker function

In the case of spark-gap-based type 1 arresters, the entire current flows through the type 1 arrester during the discharge process. Like a wave breaker, the incoming energy is greatly broken down, which significantly relieves the downstream SPDs. All type 1 arresters in the Red/Line product range feature the WBF wave breaker function.

Technical data

SPD típus/osztály az MSZ EN 61643-11 / ... IEC 61643-11 alapján 1.típus+2.típus / I.osztály + II.osztály
Legnagyobb folyamatos üzemi feszültség AC (UC ) 255 V (50 / 60 Hz)
Levezetési áramimpulzus (10/350 µs) [L1+L2+L3+N-PE] (Itotal ) 30 kA
Levezetési áramimpulzus (10/350 µs) [L-N]/[N-PE] (Iimp ) 7,5 / 30 kA
Védelmi feszültségszint [L-N]/[N-PE] (UP ) ≤ 1,5 / ≤ 1,5 kV
Legnagyobb hálózatoldali túláramvédelem 160 A gG
Tanúsítványok VDE
Kiegészítő adatok: ---------------------------------
Védelmi feszültségszint [L-PE] (UP ) 2,0 kV

Product 941316 was added to Notepad.

Product 941316 was added to the cart.


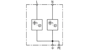
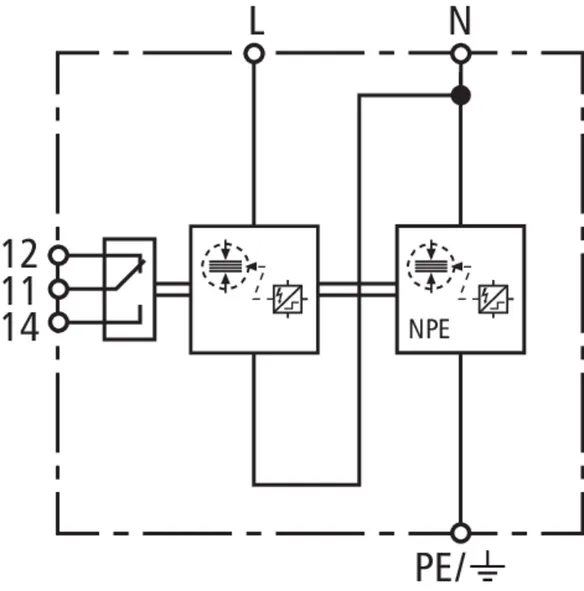
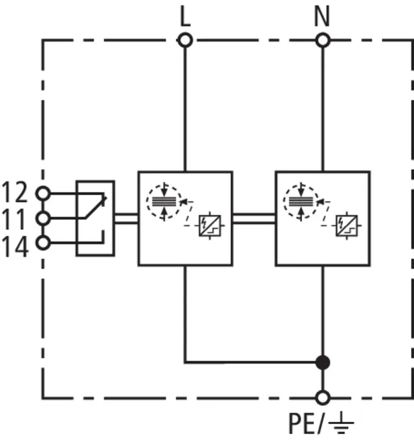
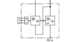
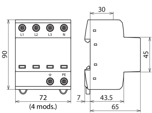
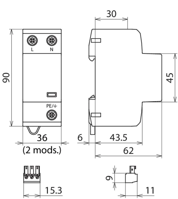
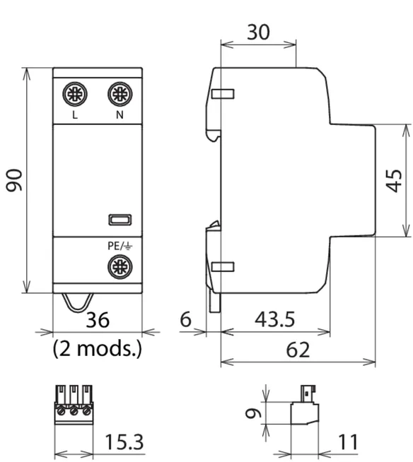
DEHNshield TN

Alkalmazásoptimalizált, készreszerelt kombinált kombinált villámáram-levezető és túlfeszültségkorlátozó modul egyfázisú TN rendszerekhez 230V névleges feszültséghez (2+0 kapcsolás).

1 Product

Part No. 941200 DSH TN 255

GTIN 4013364138209, Customs tariff No. (EU): 85363090, Gross weight: 266.00 g, PU: 1.00 db.


Images

Additional information

DEHNshield TN 255 kombi levezető
kétpólusú kombinált levezető 230/400 V TN rendszerekhez
szélesség: 2 modul
1.típus+2.típusú SPD az MSZ EN 61643-11 szerint
Alkalmazásoptimalizált eszköz, kompakt elektromos telepítésekre
Szikraköz technológia utánfolyó villámáram korlátozással
Hibajelzés
Legnagyobb folyamatos üzemi feszültség: 255 V AC
Védelmi szint: <= 1,5 kV
Villám lökőáram (10/350): 25kA
Energetikailag koordinált védőhatás az MSZ EN 62305-4 szerint
a Red/Line termékcsaládon belül, valamint végkészülékeknél.

Gyártó: DEHN
Típus: DSH TN 255
Cikksz.: 941200
vagy egyenértékű.

Certificates

 

Wave breaker function

In the case of spark-gap-based type 1 arresters, the entire current flows through the type 1 arrester during the discharge process. Like a wave breaker, the incoming energy is greatly broken down, which significantly relieves the downstream SPDs. All type 1 arresters in the Red/Line product range feature the WBF wave breaker function.

Technical data

SPD típus/osztály az MSZ EN 61643-11 / ... IEC 61643-11 alapján 1.típus+2.típus / I.osztály + II.osztály
Legnagyobb folyamatos üzemi feszültség AC (UC ) 255 V (50 / 60 Hz)
Levezetési áramimpulzus (10/350 µs) [L+N-PE] (Itotal ) 25 kA
Levezetési áramimpulzus (10/350 µs) [L, N-PE] (Iimp ) 12,5 kA
Védelmi feszültségszint [L-PE]/[N-PE] (UP ) ≤ 1,5 / ≤ 1,5 kV
Legnagyobb hálózatoldali túláramvédelem 160 A gG
Tanúsítványok KEMA, VDE, UL

Product 941200 was added to Notepad.

Product 941200 was added to the cart.


DEHNshield TN FM

Alkalmazásoptimalizált, készreszerelt kombinált kombinált villámáram-levezető és túlfeszültségkorlátozó modul egyfázisú TN rendszerekhez 230V névleges feszültséghez (2+0 kapcsolás); potenciálfüggetlen távjelző érintkezőkkel.

1 Product

Part No. 941205 DSH TN 255 FM

GTIN 4013364289185, Customs tariff No. (EU): 85363090, Gross weight: 276.00 g, PU: 1.00 db.


Images

Additional information

DEHNshield TN 255 FM kombi levezető
kétpólusú kombinált levezető 230/400 V TN rendszerekhez
szélesség: 2 modul, távjelző érintkezővel
1.típus+2.típusú SPD az MSZ EN 61643-11 szerint
Alkalmazásoptimalizált eszköz, kompakt elektromos telepítésekre
Szikraköz technológia utánfolyó villámáram korlátozással
Hibajelzés
Legnagyobb folyamatos üzemi feszültség: 255 V AC
Védelmi szint: <= 1,5 kV
Villám lökőáram (10/350): 25kA
Energetikailag koordinált védőhatás az MSZ EN 62305-4 szerint
a Red/Line termékcsaládon belül, valamint végkészülékeknél.

Gyártó: DEHN
Típus: DSH TN 255 FM
Cikksz.: 941205
vagy egyenértékű.

Certificates

 

Wave breaker function

In the case of spark-gap-based type 1 arresters, the entire current flows through the type 1 arrester during the discharge process. Like a wave breaker, the incoming energy is greatly broken down, which significantly relieves the downstream SPDs. All type 1 arresters in the Red/Line product range feature the WBF wave breaker function.

Technical data

SPD típus/osztály az MSZ EN 61643-11 / ... IEC 61643-11 alapján 1.típus + 2.típus/ I.osztály + II.osztály
Legnagyobb folyamatos üzemi feszültség AC (UC ) 255 V (50 / 60 Hz)
Levezetési áramimpulzus (10/350 µs) [L+N-PE] (Itotal ) 25 kA
Levezetési áramimpulzus (10/350 µs) [L, N-PE] (Iimp ) 12,5 kA
Védelmi feszültségszint [L-PE]/[N-PE] (UP ) ≤ 1,5 / ≤ 1,5 kV
Legnagyobb hálózatoldali túláramvédelem 160 A gG
Tanúsítványok KEMA, VDE
Távjelzés érintkező típusa váltóérintkező

Product 941205 was added to Notepad.

Product 941205 was added to the cart.


DEHNshield TN Basic FM

Alkalmazásoptimalizált, készreszerelt kombinált kombinált villámáram-levezető és túlfeszültségkorlátozó modul egyfázisú TN rendszerekhez; potenciálfüggetlen távjelző érintkezővel.

1 Product

Part No. 941206 DSH B TN 255 FM

GTIN 4013364373839, Customs tariff No. (EU): 85363090, Gross weight: 276.00 g, PU: 1.00 db.


Images

Additional information

DEHNshield B TN 255 FM kombi levezető
2 pólusú kombinált levezető 230/400 V TN rendszerekhez
szélesség: 2 modul, potenciálfüggetlen távjelző érintkezővel
1.típus+2.típusú SPD az MSZ EN 61643-11 szerint
Teljesíti az MSZ HD 60364-5-534 illetve MSZ HD 60364-4-443 szabványok összes követelményeit
Szikraköz technológia utánfolyó villámáram korlátozással
Hibajelzés
Legnagyobb folyamatos üzemi feszültség: 255 V AC
Védelmi szint: <= 1,5 kV
Villám lökőáram (10/350): 15kA
Energetikailag koordinált védőhatás az MSZ EN 62305-4 szerint
a Red/Line termékcsaládon belül, valamint végkészülékeknél.

Gyártó: DEHN
Típus: DSH B TN 255 FM
Cikksz.: 941206
vagy egyenértékű.

Certificates

 

Wave breaker function

In the case of spark-gap-based type 1 arresters, the entire current flows through the type 1 arrester during the discharge process. Like a wave breaker, the incoming energy is greatly broken down, which significantly relieves the downstream SPDs. All type 1 arresters in the Red/Line product range feature the WBF wave breaker function.

Technical data

SPD típus/osztály az MSZ EN 61643-11 / ... IEC 61643-11 alapján 1.típus + 2.típus/ I.osztály + II.osztály
Legnagyobb folyamatos üzemi feszültség AC (UC ) 255 V (50 / 60 Hz)
Levezetési áramimpulzus (10/350 µs) [L+N-PE] (Itotal ) 15 kA
Levezetési áramimpulzus (10/350 µs) [L, N-PE] (Iimp ) 7,5 kA
Védelmi feszültségszint [L-PE]/[N-PE] (UP ) ≤ 1,5 / ≤ 1,5 kV
Legnagyobb hálózatoldali túláramvédelem 160 A gG
Távjelzés érintkező típusa váltóérintkező

Product 941206 was added to Notepad.

Product 941206 was added to the cart.


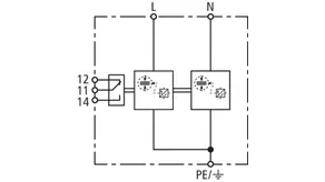
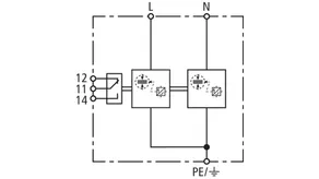
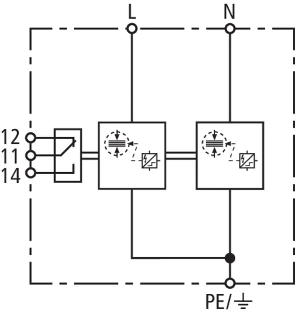
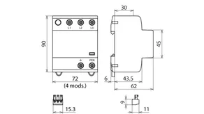
DEHNshield TT 2P

Alkalmazásoptimalizált, készreszerelt kombinált kombinált villámáram-levezető és túlfeszültségkorlátozó modul egyfázisú TT és TN rendszerekhez 230V névleges feszültséghez (1+1 kapcsolás).

1 Product

Part No. 941110 DSH TT 2P 255

GTIN 4013364137899, Customs tariff No. (EU): 85363090, Gross weight: 291.00 g, PU: 1.00 db.


Images

Additional information

DEHNshield TT 255 kombi levezető
kétpólusú kombinált levezető 230/400 V TT rendszerekhez
szélesség: 2 modul
1.típus+2.típusú SPD az MSZ EN 61643-11 szerint
Alkalmazásoptimalizált eszköz, kompakt elektromos telepítésekre
Szikraköz technológia utánfolyó villámáram korlátozással
Hibajelzés
Legnagyobb folyamatos üzemi feszültség: 255 V AC
Védelmi szint: <= 1,5 kV
Villám lökőáram (10/350): 25kA
Energetikailag koordinált védőhatás az MSZ EN 62305-4 szerint
a Red/Line termékcsaládon belül, valamint végkészülékeknél.

Gyártó: DEHN
Típus: DSH TT 2P 255
Cikksz.: 941110
vagy egyenértékű.

Certificates

 

Wave breaker function

In the case of spark-gap-based type 1 arresters, the entire current flows through the type 1 arrester during the discharge process. Like a wave breaker, the incoming energy is greatly broken down, which significantly relieves the downstream SPDs. All type 1 arresters in the Red/Line product range feature the WBF wave breaker function.

Technical data

SPD típus/osztály az MSZ EN 61643-11 / ... IEC 61643-11 alapján 1.típus + 2.típus/ I.osztály + II.osztály
Legnagyobb folyamatos üzemi feszültség AC (UC ) 255 V (50 / 60 Hz)
Levezetési áramimpulzus (10/350 µs) [L+N-PE] (Itotal ) 25 kA
Levezetési áramimpulzus (10/350 µs) [L-N]/[N-PE] (Iimp ) 12,5 / 25 kA
Védelmi feszültségszint [L-N]/[N-PE] (UP ) ≤ 1,5 / ≤ 1,5 kV
Legnagyobb hálózatoldali túláramvédelem 160 A gG
Tanúsítványok KEMA, VDE, UL
Kiegészítő adatok: ---------------------------------
Védelmi feszültségszint [L-PE] (UP ) 2,0 kV

Product 941110 was added to Notepad.

Product 941110 was added to the cart.


DEHNshield TT 2P FM

Alkalmazásoptimalizált, készreszerelt kombinált kombinált villámáram-levezető és túlfeszültségkorlátozó modul egyfázisú TT és TN rendszerekhez 230V névleges feszültséghez (1+1 kapcsolás); potenciálfüggetlen távjelző érintkezőkkel.

1 Product

Part No. 941115 DSH TT 2P 255 FM

GTIN 4013364289208, Customs tariff No. (EU): 85363090, Gross weight: 301.00 g, PU: 1.00 db.


Images

Additional information

DEHNshield TT 2P 255 FM kombi levezető
kétpólusú kombinált levezető 230/400 V TT rendszerekhez
szélesség: 2 modul, távjelző érintkezővel
1.típus+2.típusú SPD az MSZ EN 61643-11 szerint
Alkalmazásoptimalizált eszköz, kompakt elektromos telepítésekre
Szikraköz technológia utánfolyó villámáram korlátozással
Hibajelzés
Legnagyobb folyamatos üzemi feszültség: 255 V AC
Védelmi szint: <= 1,5 kV
Villám lökőáram (10/350): 25kA
Energetikailag koordinált védőhatás az MSZ EN 62305-4 szerint
a Red/Line termékcsaládon belül, valamint végkészülékeknél.

Gyártó: DEHN
Típus: DSH TT 2P 255 FM
Cikksz.: 941115
vagy egyenértékű.

Certificates

 

Wave breaker function

In the case of spark-gap-based type 1 arresters, the entire current flows through the type 1 arrester during the discharge process. Like a wave breaker, the incoming energy is greatly broken down, which significantly relieves the downstream SPDs. All type 1 arresters in the Red/Line product range feature the WBF wave breaker function.

Technical data

SPD típus/osztály az MSZ EN 61643-11 / ... IEC 61643-11 alapján 1.típus + 2.típus/ I.osztály + II.osztály
Legnagyobb folyamatos üzemi feszültség AC (UC ) 255 V (50 / 60 Hz)
Levezetési áramimpulzus (10/350 µs) [L+N-PE] (Itotal ) 25 kA
Levezetési áramimpulzus (10/350 µs) [L-N]/[N-PE] (Iimp ) 12,5 / 25 kA
Védelmi feszültségszint [L-N]/[N-PE] (UP ) ≤ 1,5 / ≤ 1,5 kV
Legnagyobb hálózatoldali túláramvédelem 160 A gG
Tanúsítványok KEMA, VDE
Kiegészítő adatok: ---------------------------------
Védelmi feszültségszint [L-PE] (UP ) 2,0 kV

Product 941115 was added to Notepad.

Product 941115 was added to the cart.


DEHNshield TT 2P Basic FM

Alkalmazásoptimalizált, készreszerelt kombinált kombinált villámáram-levezető és túlfeszültségkorlátozó modul egyfázisú TT és TN-S rendszerekhez (1+1 kapcsolás); potenciálfüggetlen távjelző érintkezővel.

1 Product

Part No. 941116 DSH B TT 2P 255 FM

GTIN 4013364373235, Customs tariff No. (EU): 85363090, Gross weight: 301.00 g, PU: 1.00 db.


Images

Additional information

DEHNshield B TT 2P 255 FM kombi levezető
2 pólusú kombinált levezető 230/400 V TT rendszerekhez
szélesség: 2 modul, távjelző érintkezővel
1.típus+2.típusú SPD az MSZ EN 61643-11 szerint
Teljesíti az MSZ HD 60364-5-534 illetve MSZ HD 60364-4-443 szabványok összes követelményeit
Szikraköz technológia utánfolyó villámáram korlátozással
Hibajelzés
Legnagyobb folyamatos üzemi feszültség: 255 V AC
Védelmi szint: <= 1,5 kV
Villám lökőáram (10/350): 15kA
Energetikailag koordinált védőhatás az MSZ EN 62305-4 szerint
a Red/Line termékcsaládon belül, valamint végkészülékeknél.

Gyártó: DEHN
Típus: DSH B TT 2P 255 FM
Cikksz.: 941116
vagy egyenértékű.

Certificates

 

Wave breaker function

In the case of spark-gap-based type 1 arresters, the entire current flows through the type 1 arrester during the discharge process. Like a wave breaker, the incoming energy is greatly broken down, which significantly relieves the downstream SPDs. All type 1 arresters in the Red/Line product range feature the WBF wave breaker function.

Technical data

SPD típus/osztály az MSZ EN 61643-11 / ... IEC 61643-11 alapján 1.típus + 2.típus/ I.osztály + II.osztály
Legnagyobb folyamatos üzemi feszültség AC (UC ) 255 V (50 / 60 Hz)
Levezetési áramimpulzus (10/350 µs) [L+N-PE] (Itotal ) 15 kA
Levezetési áramimpulzus (10/350 µs) [L-N]/[N-PE] (Iimp ) 7,5 / 15 kA
Védelmi feszültségszint [L-N]/[N-PE] (UP ) ≤ 1,5 / ≤ 1,5 kV
Legnagyobb hálózatoldali túláramvédelem 160 A gG
Távjelzés érintkező típusa váltóérintkező
Kiegészítő adatok: ---------------------------------
Védelmi feszültségszint [L-PE] (UP ) 2,0 kV

Product 941116 was added to Notepad.

Product 941116 was added to the cart.


back to top