DEHNcord

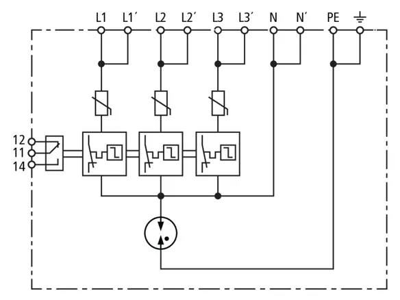
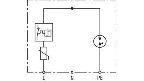
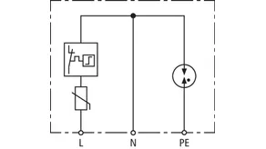
  • Egypólusú, kétpólusú vagy hárompólusú túlfeszültség-védelmi készülék felügyeleti eszközzel és leválasztó eszközzel
  • Vizuális hibajelzés
  • Változatok beépített fogyasztói áramkör megszakítással vezérlőfázis meghibásodása esetén
  • Kompakt kivitel kültéri használatra is
  • Kábelcsatlakozó dobozokban, padlóburkolatokban, kábelcsatornákban egyéb eszközszerelési dobozokban való használatra

Details

lorem ipsum

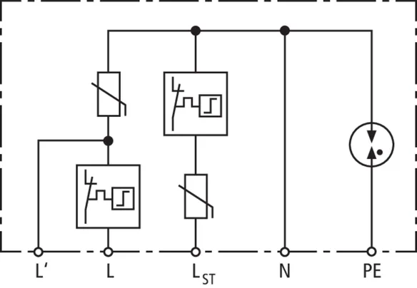
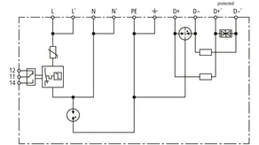
DEHNcord 3P TT 275 FM

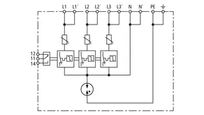
Háromfázisú, kompakt túlfeszültség-védelmi készülék TT és TN-S rendszerekhez.

1 Product

Part No. 900439 DCOR 3P TT 275 FM

GTIN 4013364436053, Customs tariff No. (EU): 85363030, Gross weight: 129.38 g, PU: 1.00 db.


Images

Additional information

DEHNcord L 3P 275 SO LTG túlfeszültség-korlátozó
Többpólusú 2.típusú túlfeszültség-korlátozó az MSZ EN 61643-11 szerint
Kötődobozokban való szerelésre
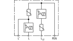
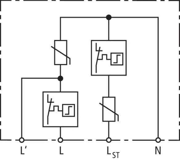
Vezérlőfázis túláram védelme
LED világítótest lekapcsolható hiba esetén
Beépített vizuális hibajelzés a tápfeszültségre és a vezérlő fázisra
Legnagyobb folyamatos üzemi feszültség: 275 V AC
Névleges levezetési áram (8/20): 5 kA
Teljes levezetési áram (8/20): 20 kA
Utánfolyóáram kioltási képesség [N-PE]: 100 A eff
Legnagyobb hálózatoldali túláramvédelem: 16 A gG
Legnagyobb fogyasztói áram (AC): 10 A
Energetikailag koordinált MSZ EN 62305-4
szabvány szerint a Red/Line termékcsalád levezetőivel

Gyártó: DEHN
Típus: DCOR 3P TT 275 FM
Cikksz.: 900439
vagy egyenértékű.

Certificates

 

Technical data

SPD típus/osztály az MSZ EN 61643-11 / ... IEC 61643-11 alapján 2.típus +3.típus / II. osztály + III.osztály
Legnagyobb folyamatos üzemi feszültség AC [L-N] (UC ) 275 V (50 / 60 Hz)
Legnagyobb folyamatos üzemi feszültség DC (UC ) 350 V
Névleges levezetési áram (8/20 µs) [L-N] (In ) 10 kA
Maximális levezetési áram (8/20 µs) [L-N] (Imax ) 20 kA
Névleges levezetési áram (8/20 µs) [N-PE] (In ) 10 kA
Maximális levezetési áram (8/20 µs) [N-PE] (Imax ) 40 kA
Védelmi feszültségszint [L-N] (UP ) ≤ 1,5 kV
Védelmi feszültségszint [N-PE] (UP ) ≤ 1,5 kV
Tanúsítványok KEMA

Product 900439 was added to Notepad.

Product 900439 was added to the cart.


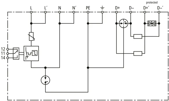
DEHNcord 1P 275 D FM

Egyfázisú, kompakt levezető TT-rendszerek számára integrált védelmi áramkörrel DALI interfész számára

1 Product

Part No. 900438 DCOR 1P 275 D FM

GTIN 4013364526891, Customs tariff No. (EU): 85363030, Gross weight: 86.27 g, PU: 1.00 db.


Images

Additional information

Túlfeszültség-korlátozó DEHNcord 1P 275 D FM
Egyfázisú túlfeszültség-levezető-védelmi készülék
DEHNcord az EN 61643-11
és EN 61643-21 szerint integrált
védelmi áramkörrel a kommunikációs interfész számára
telepítési rendszerekben alkalmazásra
távjelző érintkezővel, működés-/hibajelzés funkcióval
Telepítés választhatóan kalapsín vagy csavarfül
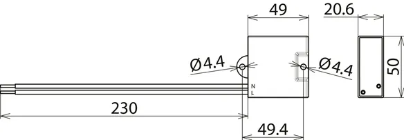
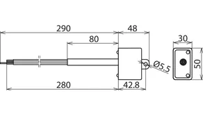
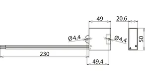
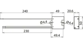
Kompakt méret: 94 x 39,5 x 36 mm
Műszaki értékek (energiaoldal):
Legmagasabb tartós feszültség: 275 V AC
Védelmi feszültségszint: <= 1,5 kV
Névleges levezetési lökőáram (8/20): 10 kA
Utánfolyó zárlati szilárdságkioltó képesség [N-PE]: 100 A eff
Max. hálózatoldali túláramvédelem:
soros 25 A gG / párhuzamos 40 A gG
Max. terhelőáram 25 A
Műszaki értékek (jelző oldal):
Legmagasabb tartós feszültség: 28 V DC
Védelmi feszültségszint Ad-Ad In C2 esetén: ≤ 50 V
C2 névleges levezetési áram (8/20) erenként: 5 kA
Névleges áram 45 °C-on: 0,3 A
Vezetékcsatlakozás: Push-in
Energetikai koordináció az DIN EN 62305-4 szerint
Red/Line család levezetőivel

Gyártó: DEHN
Típus: DCOR 1P 275 D FM
Cikksz.: 900438
vagy egyenértékű.

Certificates

 

Technical data

Műszaki adatok
SPD típus/osztály az MSZ EN 61643-11 / ... IEC 61643-11 alapján 2.típus +3.típus / II. osztály + III.osztály
Legnagyobb folyamatos üzemi feszültség AC [L-N] (UC ) 275 V (50 / 60 Hz)
Legnagyobb folyamatos üzemi feszültség DC (UC ) 350 V
Névleges levezetési áram (8/20 µs) [L-N] (In ) 10 kA
Maximális levezetési áram (8/20 µs) [L-N] (Imax ) 20 kA
Névleges levezetési áram (8/20 µs) [N-PE] (In ) 10 kA
Maximális levezetési áram (8/20 µs) [N-PE] (Imax ) 40 kA
Védelmi feszültségszint [L-N] (UP ) ≤ 1,5 kV
Védelmi feszültségszint [N-PE] (UP ) ≤ 1,5 kV
Tanúsítványok KEMA
Műszaki adatok jelző oldal
SPD osztály U
Névleges feszültség DC (UN ) 24 V
Legnagyobb tartós üzemi feszültség DC (UC ) 28 V
C2 névleges levezetési áram (8/20 µs) összesen (In ) 10 kA
Soros ellenállás erenként 1,8 Ohm
Határfrekvencia ér-ér (100 ohm) (fG ) 10 MHz

Product 900438 was added to Notepad.

Product 900438 was added to the cart.


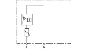
DEHNcord L 2P

Kétpólusú túlfeszültség-védelmi készülék minden típusú telepítéshez (1+1 kapcsolás) és I. védelmi osztályú lámpatestekhez; kompakt kivitel.

2 Products

Part No. 900430 DCOR L 2P 275

GTIN 4013364157286, Customs tariff No. (EU): 85363030, Gross weight: 73.00 g, PU: 1.00 db.


Images

Additional information

DEHNcord L 2P 275 túlfeszültség-korlátozó
Kétpólusú túlfeszültség-korlátozó minden 230 V-os
villamos telepítéshez
2. típusú túlfeszültség-korlátozó az MSZ EN 61643-11 szabvány szerint
Kábelcsatornákhoz, álpadló alatti rendszerekhez és szerelvénydobozokhoz
Hibajelzés
Legnagyobb folyamatos üzemi feszültség: 275 V AC
Védelmi feszültségszint: <= 1.5 kV
Névleges levezetési áram: 5 kA
Teljes levezetési áram: 20 kA
Legnagyobb hálózatoldali túláram védelem: 16 A gG
vagy B/C 16 A
Energetikailag koordinált MSZ EN 62305-4
szabvány szerint a Red/Line termékcsalád levezetőivel

Gyártó: DEHN
Típus: DCOR L 2P 275
Cikksz.: 900430
vagy egyenértékű.

Certificates

 

Technical data

SPD típus/osztály az MSZ EN 61643-11 / ... IEC 61643-11 alapján 2.típus / II.osztály
Legnagyobb folyamatos üzemi feszültség AC [L-N] (UC ) 275 V (50 / 60 Hz)
Névleges levezetési áram (8/20 µs) (In ) 5 kA
Legnagyobb levezetési áram (8/20 µs) (Imax ) 10 kA
Védelmi feszültségszint [L-N] (UP ) ≤ 1,5 kV
Védelmi feszültségszint [N-PE] (UP ) ≤ 1,5 kV
Legnagyobb hálózatoldali túláramvédelem 25 A gG
Tanúsítványok KEMA

Product 900430 was added to Notepad.

Product 900430 was added to the cart.

Part No. 900432 DCOR L 2P 320

GTIN 4013364157309, Customs tariff No. (EU): 85363030, Gross weight: 74.00 g, PU: 1.00 db.


Images

Additional information

DEHNcord L 2P 320 túlfeszültség-korlátozó
Kétpólusú túlfeszültség-korlátozó minden 230 V/277 V-os
villamos telepítéshez
2. típusú túlfeszültség-korlátozó az MSZ EN 61643-11 szabvány szerint
Kábelcsatornákhoz, álpadló alatti rendszerekhez és szerelvénydobozokhoz
Hibajelzés
Legnagyobb folyamatos üzemi feszültség: 320V AC
Védelmi feszültségszint: <= 1.75 kV
Névleges levezetési áram: 5 kA
Teljes levezetési áram: 20 kA
Legnagyobb hálózatoldali túláram védelem: 16 A gG
vagy B/C 16 A
Energetikailag koordinált MSZ EN 62305-4
szabvány szerint a Red/Line termékcsalád levezetőivel

Gyártó: DEHN
Típus: DCOR L 2P 320
Cikksz.: 900432
vagy egyenértékű.

Certificates

 

Technical data

SPD típus/osztály az MSZ EN 61643-11 / ... IEC 61643-11 alapján 2.típus / II.osztály
Legnagyobb folyamatos üzemi feszültség AC [L-N] (UC ) 320 V (50 / 60 Hz)
Névleges levezetési áram (8/20 µs) (In ) 5 kA
Legnagyobb levezetési áram (8/20 µs) (Imax ) 10 kA
Védelmi feszültségszint [L-N] (UP ) ≤ 1,75 kV
Védelmi feszültségszint [N-PE] (UP ) ≤ 1,5 kV
Legnagyobb hálózatoldali túláramvédelem 25 A gG
Tanúsítványok KEMA

Product 900432 was added to Notepad.

Product 900432 was added to the cart.


DEHNcord L 1P

Egypólusú túlfeszültség-védelmi készülék II. védelmi szintű világítótestetkhez; kompakt kivitel.

2 Products

Part No. 900431 DCOR L 1P 275

GTIN 4013364310827, Customs tariff No. (EU): 85363030, Gross weight: 60.00 g, PU: 1.00 db.


Images

Additional information

DEHNcord L 1P 275 túlfeszültség-korlátozó
Egypólusú túlfeszültség-korlátozó minden 230 V-os
villamos telepítéshez
2. típusú túlfeszültség-korlátozó az MSZ EN 61643-11 szabvány szerint
Kábelcsatornákhoz, álpadló alatti rendszerekhez és szerelvénydobozokhoz
Hibajelzés
Legnagyobb folyamatos üzemi feszültség: 275V AC
Védelmi feszültségszint: <= 1.5 kV
Névleges levezetési áram: 5 kA
Teljes levezetési áram: 20 kA
Legnagyobb hálózatoldali túláram védelem: 16 A gG
vagy B/C 16 A
Energetikailag koordinált MSZ EN 62305-4
szabvány szerint a Red/Line termékcsalád levezetőivel

Gyártó: DEHN
Típus: DCOR L 1P 275
Cikksz.: 900431
vagy egyenértékű.

Certificates

 

Technical data

SPD típus/osztály az MSZ EN 61643-11 / ... IEC 61643-11 alapján 2.típus / II.osztály
Legnagyobb folyamatos üzemi feszültség AC [L-N] (UC ) 275 V (50 / 60 Hz)
Névleges levezetési áram (8/20 µs) (In ) 5 kA
Legnagyobb levezetési áram (8/20 µs) (Imax ) 10 kA
Védelmi feszültségszint [L-N] (UP ) ≤ 1,5 kV
Legnagyobb hálózatoldali túláramvédelem 25 A gG
Tanúsítványok KEMA

Product 900431 was added to Notepad.

Product 900431 was added to the cart.

Part No. 900433 DCOR L 1P 320

GTIN 4013364157316, Customs tariff No. (EU): 85363030, Gross weight: 61.00 g, PU: 1.00 db.


Images

Additional information

DEHNcord L 1P 320 túlfeszültség-korlátozó
Egypólusú túlfeszültség-korlátozó minden 230 V/277 V-os
villamos telepítéshez
2. típusú túlfeszültség-korlátozó az MSZ EN 61643-11 szabvány szerint
Kábelcsatornákhoz, álpadló alatti rendszerekhez és szerelvénydobozokhoz
Hibajelzés
Legnagyobb folyamatos üzemi feszültség: 320V AC
Védelmi feszültségszint: <= 1.75 kV
Névleges levezetési áram: 5 kA
Teljes levezetési áram: 20 kA
Legnagyobb hálózatoldali túláram védelem: 16 A gG
vagy B/C 16 A
Energetikailag koordinált MSZ EN 62305-4
szabvány szerint a Red/Line termékcsalád levezetőivel

Gyártó: DEHN
Típus: DCOR L 1P 320
Cikksz.: 900433
vagy egyenértékű.

Certificates

 

Technical data

SPD típus/osztály az MSZ EN 61643-11 / ... IEC 61643-11 alapján 2.típus / II.osztály
Legnagyobb folyamatos üzemi feszültség AC [L-N] (UC ) 320 V (50 / 60 Hz)
Névleges levezetési áram (8/20 µs) (In ) 5 kA
Legnagyobb levezetési áram (8/20 µs) (Imax ) 10 kA
Védelmi feszültségszint [L-N] (UP ) ≤ 1,75 kV
Legnagyobb hálózatoldali túláramvédelem 25 A gG
Tanúsítványok KEMA

Product 900433 was added to Notepad.

Product 900433 was added to the cart.


DEHNcord L 2P SN1864

Egypólusú túlfeszültség-védelmi készülék II. védelmi szintű világítótestetkhez; kompakt kivitel. Kikapcsoló funkcióval hiba esetén.

1 Product

Part No. 999906 DCOR L 2P SN1864

GTIN 4013364310926, Customs tariff No. (EU): 85363030, Gross weight: 70.50 g, PU: 1.00 db.


Images

Additional information

DEHNcord L 2P SN1864 túlfeszültség-korlátozó
Többpólusú 2.típusú túlfeszültség-korlátozó az MSZ EN 61643-11 szerint
Kötődobozokban való szerelésre
Vezérlőfázis védelemmel
LED világítótest lekapcsolható hiba esetén
Beépített vizuális hibajelzés a tápfeszültségre
Legnagyobb folyamatos üzemi feszültség: 275 V AC
Védelmi feszültségszint: <= 1,5 kV
Névleges levezetési áram (8/20): 5 kA
Teljes levezetési áram (8/20): 20 kA
Legnagyobb hálózatoldali túláramvédelem: 16 A gG
Legnagyobb fogyasztói áram (AC): 10 A
Energetikailag koordinált MSZ EN 62305-4
szabvány szerint a Red/Line termékcsalád levezetőivel

Gyártó: DEHN
Típus: DCOR L 2P SN1864
Cikksz.: 999906
vagy egyenértékű.

Certificates

 

Technical data

SPD típus/osztály az MSZ EN 61643-11 / ... IEC 61643-11 alapján 2.típus / II.osztály
Legnagyobb folyamatos üzemi feszültség AC [L-N] (UC ) 275 V (50 / 60 Hz)
Névleges levezetési áram (8/20 µs) (In ) 5 kA
Legnagyobb levezetési áram (8/20 µs) (Imax ) 10 kA
Védelmi feszültségszint [L-N] (UP ) ≤ 1,5 kV
Legnagyobb hálózatoldali túláramvédelem B 16 A

Product 999906 was added to Notepad.

Product 999906 was added to the cart.


DEHNcord L 2P SN1860

Túlfeszültség-védelmi készülék mindenféle villamos telepítéshez; kompakt kivitel. Fogyasztói áramkör lekapcsolással hiba esetén.

1 Product

Part No. 999937 DCOR L 2P SN1860

GTIN 4013364303195, Customs tariff No. (EU): 85363030, Gross weight: 86.00 g, PU: 1.00 db.


Images

Additional information

DEHNcord L 2P 275 2P SN1860 túlfeszültség-korlátozó
Többpólusú 2.típusú túlfeszültség-korlátozó az MSZ EN 61643-11 szerint
Kötődobozokban való szerelésre
LED világítótest lekapcsolható hiba esetén
Beépített vizuális hibajelzés a tápfeszültségre
Legnagyobb folyamatos üzemi feszültség: 275 V AC
Védelmi feszültségszint: <= 1,5 kV
Névleges levezetési áram (8/20): 5 kA
Teljes levezetési áram (8/20): 20 kA
Utánfolyóáram kioltási képesség [N-PE]: 100 A eff
Legnagyobb hálózatoldali túláramvédelem: 16 A gG
Legnagyobb fogyasztói áram (AC): 10 A
Energetikailag koordinált MSZ EN 62305-4
szabvány szerint a Red/Line termékcsalád levezetőivel

Gyártó: DEHN
Típus: DCOR L 2P SN1860
Cikksz.: 999937
vagy egyenértékű.

Certificates

 

Technical data

SPD típus/osztály az MSZ EN 61643-11 / ... IEC 61643-11 alapján 2.típus / II.osztály
Legnagyobb folyamatos üzemi feszültség AC [L-N] (UC ) 275 V (50 / 60 Hz)
Névleges levezetési áram (8/20 µs) (In ) 5 kA
Legnagyobb levezetési áram (8/20 µs) (Imax ) 10 kA
Védelmi feszültségszint [L-N] (UP ) ≤ 1,5 kV
Védelmi feszültségszint [N-PE] (UP ) ≤ 1,5 kV
Legnagyobb hálózatoldali túláramvédelem B 16 A

Product 999937 was added to Notepad.

Product 999937 was added to the cart.


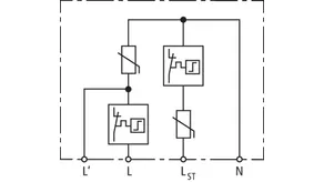
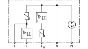
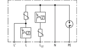
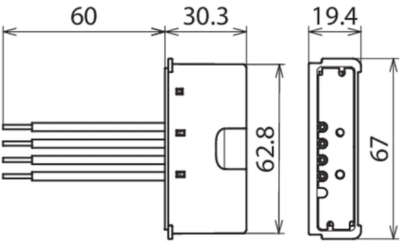
DEHNcord L 2P 275 SO LTG

Túlfeszültség-védelmi készülék mindenféle villamos telepítéshez; kompakt kivitel. Fogyasztói áramkör lekapcsolással hiba esetén.

1 Product

Part No. 900446 DCOR L 2P 275 SO LTG

GTIN 4013364292970, Customs tariff No. (EU): 85363030, Gross weight: 62.50 g, PU: 1.00 db.


Images

Additional information

DEHNcord L 2P 275 SO LTG túlfeszültség-korlátozó
Többpólusú 2.típusú túlfeszültség-korlátozó az MSZ EN 61643-11 szerint
Kötődobozokban való szerelésre
Vezérlőfázis túláram védelme
LED világítótest lekapcsolható hiba esetén
Beépített vizuális hibajelzés a tápfeszültségre és a vezérlő fázisra
Legnagyobb folyamatos üzemi feszültség: 275 V AC
Névleges levezetési áram (8/20): 5 kA
Teljes levezetési áram (8/20): 20 kA
Utánfolyóáram kioltási képesség [N-PE]: 100 A eff
Legnagyobb hálózatoldali túláramvédelem: 16 A gG
Legnagyobb fogyasztói áram (AC): 10 A
Energetikailag koordinált MSZ EN 62305-4
szabvány szerint a Red/Line termékcsalád levezetőivel

Gyártó: DEHN
Típus: DCOR L 2P 275 SO LTG
Cikksz.: 900446
vagy egyenértékű.

Certificates

 

Technical data

SPD típus/osztály az MSZ EN 61643-11 / ... IEC 61643-11 alapján 2.típus / II.osztály
Legnagyobb folyamatos üzemi feszültség AC [L-N] (UC ) 275 V (50 / 60 Hz)
Névleges levezetési áram (8/20 µs) (In ) 5 kA
Legnagyobb levezetési áram (8/20 µs) (Imax ) 10 kA
Védelmi feszültségszint [L-N] (UP ) ≤ 1,5 kV
Védelmi feszültségszint [N-PE] (UP ) ≤ 1,5 kV
Legnagyobb hálózatoldali túláramvédelem B 16 A
Tanúsítványok KEMA

Product 900446 was added to Notepad.

Product 900446 was added to the cart.


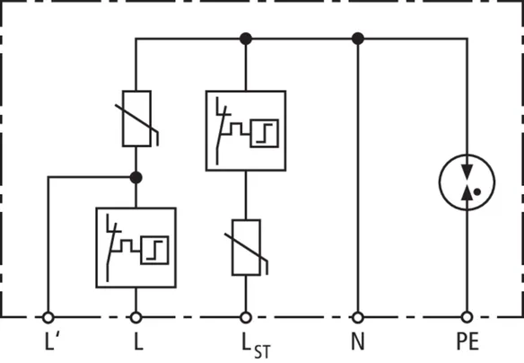
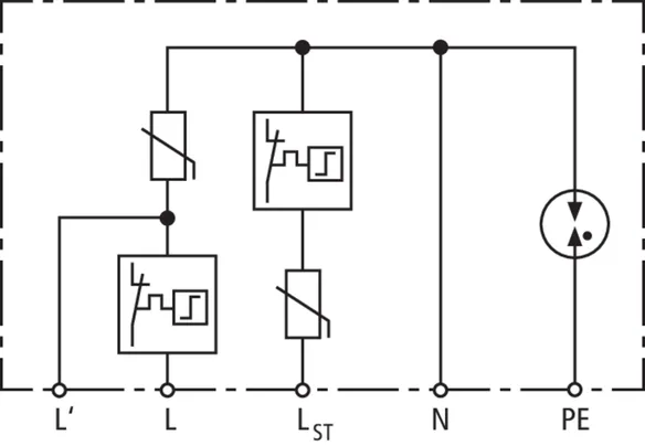
DEHNcord L 3P 275 SO LTG

Hárompólusú túlfeszültség-védelmi készülék mindenféle villamos telepítéshez; kompakt kivitel. Fogyasztói áramkör leválasztási- (hiba esetén), és a vezérelt fázis túláramvédelmi funkcióval.

1 Product

Part No. 900445 DCOR L 3P 275 SO LTG

GTIN 4013364280380, Customs tariff No. (EU): 85363030, Gross weight: 71.50 g, PU: 1.00 db.


Images

Additional information

DEHNcord L 3P 275 SO LTG túlfeszültség-korlátozó
Többpólusú 2.típusú túlfeszültség-korlátozó az MSZ EN 61643-11 szerint
Kötődobozokban való szerelésre
Vezérlőfázis túláram védelme
LED világítótest lekapcsolható hiba esetén
Beépített vizuális hibajelzés a tápfeszültségre és a vezérlő fázisra
Legnagyobb folyamatos üzemi feszültség: 275 V AC
Névleges levezetési áram (8/20): 5 kA
Teljes levezetési áram (8/20): 20 kA
Utánfolyóáram kioltási képesség [N-PE]: 100 A eff
Legnagyobb hálózatoldali túláramvédelem: 16 A gG
Legnagyobb fogyasztói áram (AC): 10 A
Energetikailag koordinált MSZ EN 62305-4
szabvány szerint a Red/Line termékcsalád levezetőivel

Gyártó: DEHN
Típus: DCOR L 3P 275 SO LTG
Cikksz.: 900445
vagy egyenértékű.

Certificates

 

Technical data

SPD típus/osztály az MSZ EN 61643-11 / ... IEC 61643-11 alapján 2.típus / II.osztály
Legnagyobb folyamatos üzemi feszültség AC [L-N] (UC ) 275 V (50 / 60 Hz)
Névleges levezetési áram (8/20 µs) (In ) 5 kA
Legnagyobb levezetési áram (8/20 µs) (Imax ) 10 kA
Védelmi feszültségszint [L-N] (UP ) ≤ 1,5 kV
Védelmi feszültségszint [N-PE] (UP ) ≤ 1,5 kV
Legnagyobb hálózatoldali túláramvédelem B 16 A
Tanúsítványok KEMA

Product 900445 was added to Notepad.

Product 900445 was added to the cart.


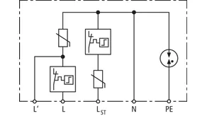
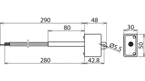
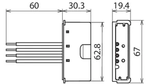
SK EK480 G2S-2d LM DCOR

Az EK480 biztosító doboz, egy kiváló minőségű termék a Langmatz-tól, melyet a kitűnő kidolgozás és a kipróbált, letesztelt funkcionalitás jellemzi. Az EK480 sorozat teljesíti az összes mechanikai illetve villamossági követleményeket és szabványokat. Ez biztosítja a magas minőségű elektronikával ellátott világítási armatúrák hatékony védelmét a kapcsolási műveletek- valamint a közeli villámcsapások átal okozott túlfeszültségek ellen.

1 Product

Part No. 900443 SK EK480 G2S-2d LM DCOR

GTIN 4013364394322, Customs tariff No. (EU): 85362010, Gross weight: 788.00 g, PU: 20.00 db.


Images

Additional information

EK480 biztosító doboz túlfeszültség-korlátozóval
DEHNcord L 3P 275 SO LTG
LED világítóoszlopok védelmére
Vezérelt fázis védelme
LED világítás kikapcsolható hiba esetén
Beépített külön hibajelzés a tápfeszültség és a vezérelt fázis hibájára
Legnagyobb folyamatos üzemi feszültség: 275 V AC
Védelmi feszültségszint: <= 1.5 kV
Névleges levezetési áram (8/20): 5 kA
Teljes levezetési áram (8/20): 20 kA
Utánfolyó áram kioltási képesség [N-PE]: 100 A eff
Legnagyobb hálózati túláramvédelem: 16 A gG
Legnagyobb fogyasztói áram (AC): 10 A
Energetikailag koordinált MSZ EN 62305-4
szabvány szerint a Red/Line termékcsalád levezetőivel

Gyártó: DEHN
Típus: SK EK480 G2S-2d LM DCOR
Cikksz.: 900443
vagy egyenértékű.

Certificates

 

Technical data

Biztosítódoboz adatai
Méretek 276 x 81 x 70 mm
Oszlopokhoz melyek nagyobb belső átmérővel rendelkeznek mint 89 mm
SPD technológia bejövő: csúszósaru technológia / kimenő: rugóssarú technológia
Legnagyobb csatlakoztatható kábelkeresztmetszet 1 - 3 kábel (4 or 5 x 16 mm2)
Kimeneti csatlakozók max. 2,5 mm2
DEHNcord L 3P 275 SO LTG túlfeszültség-védelmi készülék adatai
SPD típus/osztály az MSZ EN 61643-11 / ... IEC 61643-11 alapján 2.típus / II.osztály
Legnagyobb folyamatos üzemi feszültség AC [L-N] (UC ) 275 V (50 / 60 Hz)
Névleges levezetési áram (8/20 µs) (In ) 5 kA
Legnagyobb levezetési áram (8/20 µs) (Imax ) 10 kA
Védelmi feszültségszint [L-N] (UP ) ≤ 1,5 kV
Védelmi feszültségszint [N-PE] (UP ) ≤ 1,5 kV
Legnagyobb hálózatoldali túláramvédelem B 16 A

Product 900443 was added to Notepad.

Product 900443 was added to the cart.


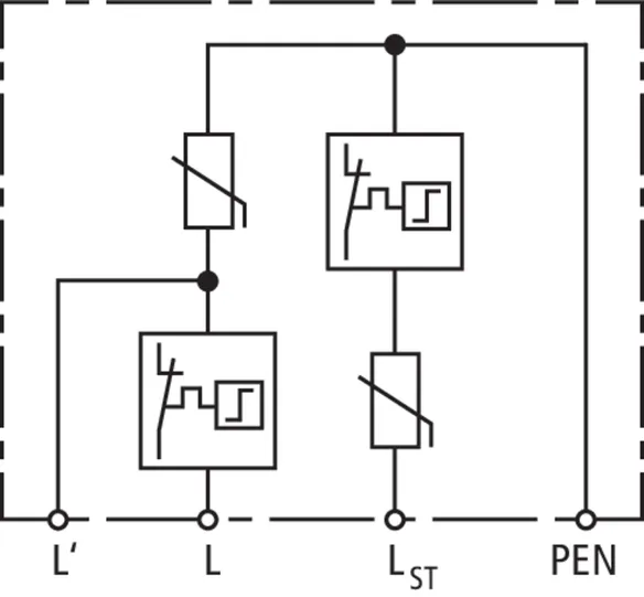
DEHNcord L 2P 275 SO LT

Kétpólusú túlfeszültség-védelmi készülék TNC rendszerekhez; kompakt kivitel. Fogyasztói áramkör leválasztási- (hiba esetén), és a vezérelt fázis túláramvédelmi funkcióval.

1 Product

Part No. 900435 DCOR L 2P 275 SO LT

GTIN 4013364292963, Customs tariff No. (EU): 85363030, Gross weight: 70.00 g, PU: 1.00 db.


Images

Additional information

DEHNcord L 2P 275 SO LT túlfeszültség-korlátozó
Többpólusú 2.típusú túlfeszültség-korlátozó az MSZ EN 61643-11 szerint
Kötődobozokban való szerelésre
Vezérlőfázis túláram védelme
LED világítótest lekapcsolható hiba esetén
Beépített vizuális hibajelzés a tápfeszültségre és a vezérlő fázisra
Legnagyobb folyamatos üzemi feszültség: 275 V AC
Névleges levezetési áram (8/20): 5 kA
Teljes levezetési áram (8/20): 20 kA
Legnagyobb hálózatoldali túláramvédelem: 16 A gG
Legnagyobb fogyasztói áram (AC): 10 A
Energetikailag koordinált MSZ EN 62305-4
szabvány szerint a Red/Line termékcsalád levezetőivel

Gyártó: DEHN
Típus: DCOR L 2P 275 SO LT
Cikksz.: 900435
vagy egyenértékű.

Certificates

 

Technical data

SPD típus/osztály az MSZ EN 61643-11 / ... IEC 61643-11 alapján 2.típus / II.osztály
Legnagyobb folyamatos üzemi feszültség AC [L-PEN] (UC ) 275 V (50 / 60 Hz)
Névleges levezetési áram (8/20 µs) (In ) 5 kA
Legnagyobb levezetési áram (8/20 µs) (Imax ) 10 kA
Védelmi feszültségszint [L-PEN] (UP ) ≤ 1,5 kV
Legnagyobb hálózatoldali túláramvédelem B 16 A
Tanúsítványok KEMA

Product 900435 was added to Notepad.

Product 900435 was added to the cart.


DEHNcord L 3P 275 SO IP

Hárompólusú túlfeszültség-védelmi készülék minden típusú villamos telepítéshez; kompakt kivitel. IP 65 védettségi szint. Fogyasztói áramkör megszakítása hiba esetén és a vezérelt fázis túláram védelme.

1 Product

Part No. 900447 DCOR L 3P 275 SO IP

GTIN 4013364282216, Customs tariff No. (EU): 85363030, Gross weight: 146.60 g, PU: 1.00 db.


Images

Additional information

DEHNcord L 3P 275 SO IP túlfeszültség-korlátozó
Többpólusú túlfeszültség-korlátozó az MSZ EN 61632-11 szerint
kábelekkel kültéri szereléshez
Vezérelt fázis védelemmel
LED világítás kikapcsolható hiba esetén
Beépített külön hibajelzés a tápfeszültség és a vezérelt fázis hibájára
Legnagyobb folyamatos üzemi feszültség: 275 V AC
Védelmi feszültségszint: <= 1.5 kV
Névleges levezetési áram (8/20): 5 kA
Teljes levezetési áram (8/20): 20 kA
Utánfolyó áram kioltási képesség [N-PE]: 100 A eff
Legnagyobb hálózati túláramvédelem: 16 A gG
Legnagyobb fogyasztói áram (AC): 10 A
Energetikailag koordinált MSZ EN 62305-4
szabvány szerint a Red/Line termékcsalád levezetőivel

Gyártó: DEHN
Típus: DCOR L 3P 275 SO IP
Cikksz.: 900447
vagy egyenértékű.

Certificates

 

Technical data

SPD típus/osztály az MSZ EN 61643-11 / ... IEC 61643-11 alapján 2.típus / II.osztály
Legnagyobb folyamatos üzemi feszültség AC [L-N] (UC ) 275 V (50 / 60 Hz)
Névleges levezetési áram (8/20 µs) (In ) 5 kA
Legnagyobb levezetési áram (8/20 µs) (Imax ) 10 kA
Védelmi feszültségszint [L-N] (UP ) ≤ 1,5 kV
Védelmi feszültségszint [N-PE] (UP ) ≤ 1,5 kV
Legnagyobb hálózatoldali túláramvédelem B 16 A

Product 900447 was added to Notepad.

Product 900447 was added to the cart.


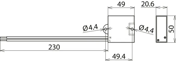
DEHNcord L 2P 275 SO IP

Kétpólusú túlfeszültség-védelmi készülék mindenféle villamos telepítéshez. IP 65-ös védettségi szint. Fogyasztói áramkör megszakítással hiba esetén.

1 Product

Part No. 900448 DCOR L 2P 275 SO IP

GTIN 4013364293007, Customs tariff No. (EU): 85363030, Gross weight: 139.90 g, PU: 1.00 db.


Images

Additional information

DEHNcord L 2P 275 SO IP túlfeszültség-korlátozó
Többpólusú túlfeszültség-korlátozó az MSZ EN 61632-11 szerint
kábelekkel kültéri szereléshez (IP65-ös védettség) kábel kötődobozokban
LED világítás kikapcsolható hiba esetén
Beépített külön hibajelzés a tápfeszültség hiányára
Rögzítő fülekkel
Legnagyobb folyamatos üzemi feszültség: 275 V AC
Védelmi feszültségszint: <= 1.5 kV
Névleges levezetési áram (8/20): 5 kA
Teljes levezetési áram (8/20): 20 kA
Utánfolyó áram kioltási képesség [N-PE]: 100 A eff
Legnagyobb hálózati túláramvédelem: 16 A gG
Legnagyobb fogyasztói áram (AC): 10 A
Energetikailag koordinált MSZ EN 62305-4
szabvány szerint a Red/Line termékcsalád levezetőivel

Gyártó: DEHN
Típus: DCOR L 2P 275 SO IP
Cikksz.: 900448
vagy egyenértékű.

Certificates

 

Technical data

SPD típus/osztály az MSZ EN 61643-11 / ... IEC 61643-11 alapján 2.típus / II.osztály
Legnagyobb folyamatos üzemi feszültség AC [L-N] (UC ) 275 V (50 / 60 Hz)
Névleges levezetési áram (8/20 µs) (In ) 5 kA
Legnagyobb levezetési áram (8/20 µs) (Imax ) 10 kA
Védelmi feszültségszint [L-N] (UP ) ≤ 1,5 kV
Védelmi feszültségszint [N-PE] (UP ) ≤ 1,5 kV
Legnagyobb hálózatoldali túláramvédelem B 16 A

Product 900448 was added to Notepad.

Product 900448 was added to the cart.


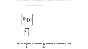
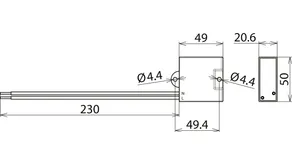
DEHNcord R 3P

Túlfeszültség-védelmi készülék motoros reluxák számára; kompakt méretek.

1 Product

Part No. 900449 DCOR R 3P 275

GTIN 4013364320031, Customs tariff No. (EU): 85363030, Gross weight: 151.00 g, PU: 1.00 db.


Images

Additional information

DEHNcord R 3P 275 túlfeszültség-korlátozó
Többpólusú túlfeszültség-korlátozó 2.típusú az MSZ EN 61643-11 szerint
kültéri telepítésre (IP54-es védettség)
elektromos redönyök, napellenzők, reluxák védelmére
Fogyasztói áramkör megszakítása hiba esetén
LE üzemben
Akusztikus hibajelzés mindkét védelmi áramkör számára
Legnagyobb folyamatos üzemi feszültség: 275 V AC
Védelmi feszültségszint: <= 1.5 kV
Névleges levezetési áram (8/20): 5 kA
Teljes levezetési áram (8/20): 20 kA
Utánfolyó áram kioltási képesség [N-PE]: 100 A eff
Legnagyobb hálózati túláramvédelem: 16 A gG
Legnagyobb fogyasztói áram (AC): 10 A
Energetikailag koordinált MSZ EN 62305-4
szabvány szerint a Red/Line termékcsalád levezetőivel

Gyártó: DEHN
Típus: DCOR R 3P 275
Cikksz.: 900449
vagy egyenértékű.

Certificates

 

Technical data

SPD típus/osztály az MSZ EN 61643-11 / ... IEC 61643-11 alapján 2.típus / II.osztály
Legnagyobb folyamatos üzemi feszültség AC [L-N] (UC ) 275 V (50 / 60 Hz)
Névleges levezetési áram (8/20 µs) (In ) 2,5 kA
Legnagyobb levezetési áram (8/20 µs) (Imax ) 5 kA
Védelmi feszültségszint [L-N] (UP ) ≤ 1,5 kV
Csatlakozó Hirschmann STAK 3 / STAS 3

Product 900449 was added to Notepad.

Product 900449 was added to the cart.


back to top