DEHNcombo

  • Csatlakozáskész kombinált levezető 1. típus+2. típus napelemes (PV) energiaellátó rendszerekhez
  • A bevált és hibatűrő Y-kapcsolás megakadályozza a túlfeszültségvédelem károsodását a fotovoltaikus generátor szigeteléshibája esetén.
  • Névleges feszültség mindegyik védelmi út számára egyenlő, így földelt rendszerekben is alkalmazható
  • Burkolat design helyoptimalizáltan tervezve max. 1500 V DC-ig csak 4 TE széles burkolatban
  • Ellenőrizve az te szerint IEC 61643-31 / EN 61643-31 / EN 50539-11 szerint
  • Alkalmazhatók PV-rendszerekben az IEC 60364-7-712 / DIN VDE 0100-712 szerint
  • Működés-, hibajelzés zöld-piros jelöléssel a betekintő ablakban

DEHNcombo YPV ...

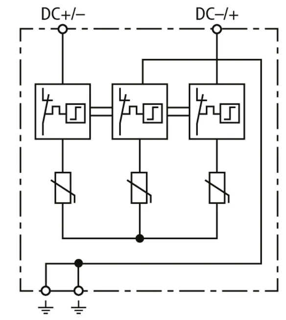
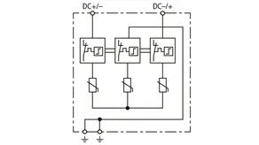
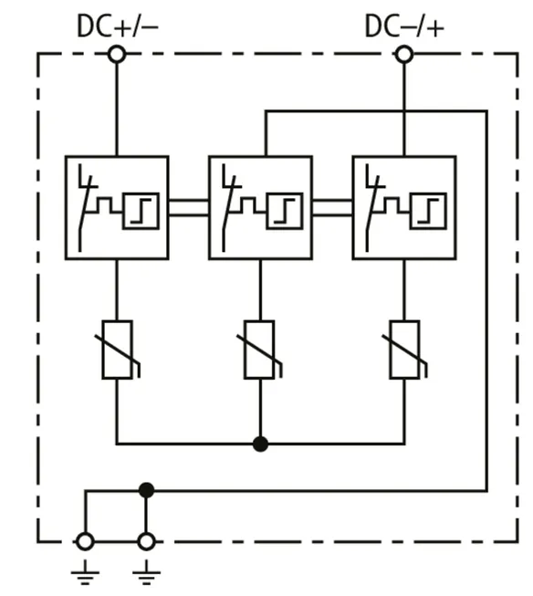
Kombinált levezetők napelemes (PV) áramellátó rendszerekhez 1500 V DC-ig.

2 Products

Part No. 900070 DCB YPV 1200

GTIN 6942299504521, Customs tariff No. (EU): 85354000, Gross weight: 639.16 g, PU: 1.00 db.

Predecessor

Images

Additional information

Kombinált levezető DEHNcombo YPV 1200
Többpólusú kombinált levezető 1. típus + 2. típus
napelemes generátor rendszerekhez 1200 V DC-ig
3 fokozatú DC-kapcsoló berendezéssel, 4 modul széles
1. típusú + 2. típusú levezető az MSZ EN 50539-11 szerint
Felhasználás az IEC MSZ HD 60364-7-712 szabvány szerint
Kombinált leválasztó és rövidrezáró eszköz
Hibajelzés
Legnagyobb PV feszültség: <= 1200 V DC
Teljes levezetési áram: 12,5kA
Védelmi feszültségszint: <= 3,8 kV
Zárlati szilárdság Iscpv: 10 kA

Gyártó: DEHN
Típus: DCB YPV 1200
Cikksz.: 900070
vagy egyenértékű.

Certificates

 

Technical data

SPD az EN 61643-31 / ... szerint IEC 61643-31 1. típus + 2. típus / I. osztály + II. osztály
Legnagyobb PV-feszültség [DC+ -> DC-] (UCPV ) ≤ 1200 V
Zárlati szilárdság (ISCPV ) 10 kA
Teljes levezetési áram (10/350 µs) [DC+/DC- -> PE] (Itotal ) 12,5 kA
Levezetési áramimpulzus (10/350 µs) [DC+ -> PE/DC- -> PE] (Iimp ) 6,25 kA
Védelmi szint [(DC+/DC-) -> PE] (UP ) < 3,8 kV
Tanúsítványok KEMA, UL

Product 900070 was added to Notepad.

Product 900070 was added to the cart.

Part No. 900071 DCB YPV 1500

GTIN 6942299504545, Customs tariff No. (EU): 85354000, Gross weight: 636.22 g, PU: 1.00 db.

Predecessor

Images

Additional information

Kombinált levezető DEHNcombo YPV 1500
Többpólusú kombinált levezető 1. típus + 2. típus
napelemes generátor rendszerekhez 1500 V DC-ig
3 fokozatú DC-kapcsoló berendezéssel, 4 modul széles
1. típusú + 2. típusú levezető az MSZ EN 50539-11 szerint
Felhasználás az IEC MSZ HD 60364-7-712 szabvány szerint
Kombinált leválasztó és rövidrezáró eszköz
Hibajelzés
Legnagyobb PV feszültség: <= 1500 V DC
Teljes levezetési áram: 12,5kA
Védelmi feszültségszint: <= 4,5 kV
Zárlati szilárdság Iscpv: 10 kA

Gyártó: DEHN
Típus: DCB YPV 1500
Cikksz.: 900071
vagy egyenértékű.

Certificates

 

Technical data

SPD az EN 61643-31 / ... szerint IEC 61643-31 1. típus + 2. típus / I. osztály + II. osztály
Legnagyobb PV-feszültség [DC+ -> DC-] (UCPV ) ≤ 1500 V
Zárlati szilárdság (ISCPV ) 10 kA
Teljes levezetési áram (10/350 µs) [DC+/DC- -> PE] (Itotal ) 12,5 kA
Levezetési áramimpulzus (10/350 µs) [DC+ -> PE/DC- -> PE] (Iimp ) 6,25 kA
Védelmi szint [(DC+/DC-) -> PE] (UP ) < 4,5 kV
Tanúsítványok KEMA, UL

Product 900071 was added to Notepad.

Product 900071 was added to the cart.


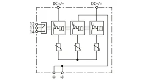
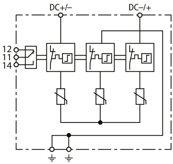
DEHNcombo YPV ... FM

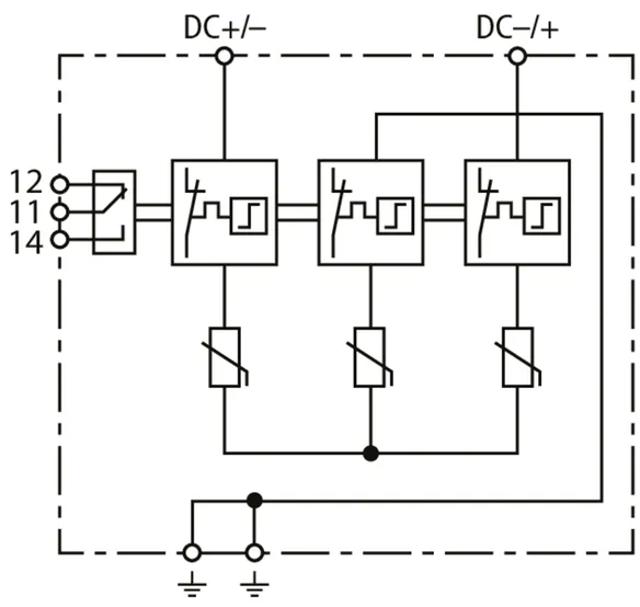
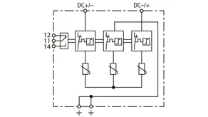
Kombinált levezetők napelemes (PV) energiaellátó rendszerekhez 1500 V DC-ig; potenciálfüggetlen távjelző érintkezővel.

2 Products

Part No. 900075 DCB YPV 1200 FM

GTIN 6942299504538, Customs tariff No. (EU): 85354000, Gross weight: 587.94 g, PU: 1.00 db.

Predecessor

Images

Additional information

Kombinált levezető DEHNcombo YPV 1200 FM
Többpólusú kombinált levezető 1. típus + 2. típus
napelemes generátor rendszerekhez 1200 V DC-ig
3 fokozatú DC-kapcsoló berendezéssel, 4 modul széles
1. típusú + 2. típusú levezető az MSZ EN 50539-11 szerint
Felhasználás az IEC MSZ HD 60364-7-712 szabvány szerint
Kombinált leválasztó és rövidrezáró eszköz
távjelző érintkezővel
Hibajelzés
Legnagyobb PV feszültség: <= 1200 V DC
Teljes levezetési áram: 12,5kA
Védelmi feszültségszint: <= 3,8 kV
Zárlati szilárdság Iscpv: 10 kA

Gyártó: DEHN
Típus: DCB YPV 1200 FM
Cikksz.: 900075
vagy egyenértékű.

Certificates

 

Technical data

SPD az EN 61643-31 / ... szerint IEC 61643-31 1. típus + 2. típus / I. osztály + II. osztály
Legnagyobb PV-feszültség [DC+ -> DC-] (UCPV ) ≤ 1200 V
Zárlati szilárdság (ISCPV ) 10 kA
Teljes levezetési áram (10/350 µs) [DC+/DC- -> PE] (Itotal ) 12,5 kA
Levezetési áramimpulzus (10/350 µs) [DC+ -> PE/DC- -> PE] (Iimp ) 6,25 kA
Védelmi szint [(DC+/DC-) -> PE] (UP ) < 3,8 kV
Tanúsítványok KEMA, UL
Jelzőérintkező / Érintkezőtípus váltóérintkező

Product 900075 was added to Notepad.

Product 900075 was added to the cart.

Part No. 900076 DCB YPV 1500 FM

GTIN 6942299504552, Customs tariff No. (EU): 85354000, Gross weight: 638.51 g, PU: 1.00 db.

Predecessor

Images

Additional information

Kombinált levezető DEHNcombo YPV 1500 FM
Többpólusú kombinált levezető 1. típus + 2. típus
napelemes generátor rendszerekhez 1500 V DC-ig
3 fokozatú DC-kapcsoló berendezéssel, 4 modul széles
1. típusú + 2. típusú levezető az MSZ EN 50539-11 szerint
Felhasználás az IEC MSZ HD 60364-7-712 szabvány szerint
Kombinált leválasztó és rövidrezáró eszköz
távjelző érintkezővel
Hibajelzés
Legnagyobb PV feszültség: <= 1500 V DC
Teljes levezetési áram: 12,5kA
Védelmi feszültségszint: <= 4,5 kV
Zárlati szilárdság Iscpv: 10 kA

Gyártó: DEHN
Típus: DCB YPV 1500 FM
Cikksz.: 900076
vagy egyenértékű.

Certificates

 

Technical data

SPD az EN 61643-31 / ... szerint IEC 61643-31 1. típus + 2. típus / I. osztály + II. osztály
Legnagyobb PV-feszültség [DC+ -> DC-] (UCPV ) ≤ 1500 V
Zárlati szilárdság (ISCPV ) 10 kA
Teljes levezetési áram (10/350 µs) [DC+/DC- -> PE] (Itotal ) 12,5 kA
Levezetési áramimpulzus (10/350 µs) [DC+ -> PE/DC- -> PE] (Iimp ) 6,25 kA
Védelmi szint [(DC+/DC-) -> PE] (UP ) < 4,5 kV
Tanúsítványok KEMA, UL
Jelzőérintkező / Érintkezőtípus váltóérintkező

Product 900076 was added to Notepad.

Product 900076 was added to the cart.


back to top