DEHNguard YPV SCI ... – kompakt

  • Csatlakozáskész komplett egység fotovoltaikus rendszerek számára
  • Kombinált leválasztó és rövidrezáró eszköz biztonságos elektromos leválasztással (szabadalmaztatott SCI elv)
  • A DEHNguard YPV SCI … bevált és hibatűrő Y-kapcsolása megakadályozza a túlfeszültségvédelem károsodását a generátorkör szigeteléshibája esetén
  • Ellenőrizve az EN 61643-31 szerint
  • Alkalmazható PV-rendszerekben az IEC 60364-7-712 szerint

Details

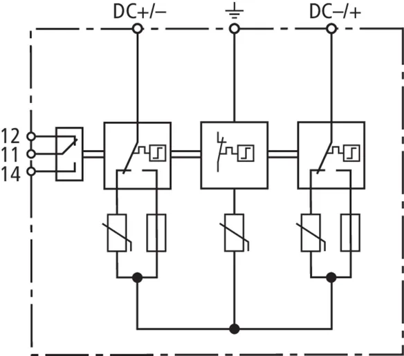
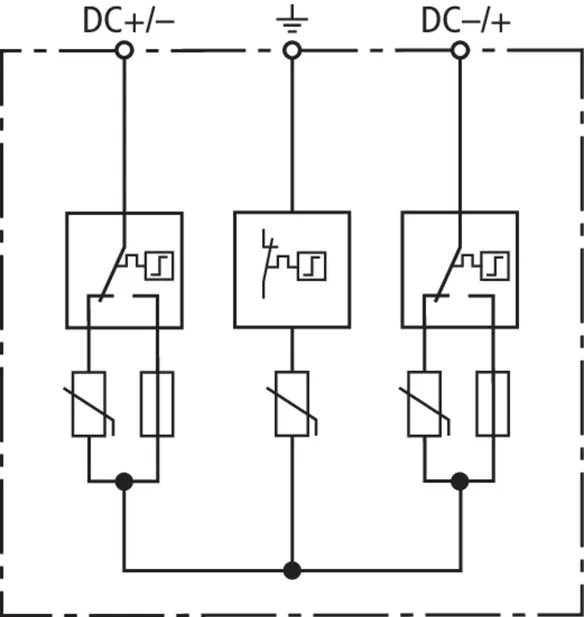
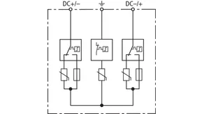
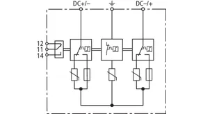
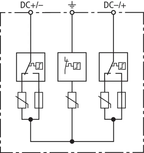
Háromlépcsős DC átkapcsoló berendezés (szabadalmaztatott SCI elv)
lorem ipsum

DEHNguard kompakt YPV SCI ...

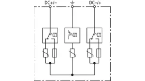
Moduláris többpólusú túlfeszültségvédelmi készülék háromlépcsős DC átkapcsoló berendezéssel napelemes rendszerek számára

2 Products

Part No. 950531 DG YPV SCI 600

GTIN 4013364152953, Customs tariff No. (EU): 85363030, Gross weight: 296.00 g, PU: 1.00 db.

Predecessor

Images

Additional information

Túlfeszültség-korlátozó DEHNguard kompakt YPV SCI 600
Többpólusú levezető 600 V DC-ig napelemes rendszerekhez
háromlépcsős DC átkapcsoló berendezéssel, szélesség: 3 modul
Hibajelzés
2. típus az EN 61643-31 szerint
Felhasználás az IEC MSZ HD 60364-7-712 szabvány szerint
Biztonságos galvanikus leválasztás
Legnagyobb PV feszültség: <= 600 V DC
Teljes levezetési áramimpulzus: 40 kA
Védelmi feszültségszint: <= 2,5 kV
Zárlati szilárdság Iscpv: 1000 A

Gyártó: DEHN
Típus: DG YPV SCI 600
Cikksz.: 950531
vagy egyenértékű.

Certificates

 

SCI-Technology

The patented SCI technology with active arc extinction allows to actively, quickly and safely extinguish a possible switching arc in case of overload. The PV fuse integrated in the short-circuit path trips immediately after the arc has been extinguished, thus ensuring safe electrical isolation (interruption). Consequently, all PV arresters from DEHN combine surge protection, fire protection and personal protection in a single device

Technical data

SPD az EN 61643-31 / ... szerint IEC 61643-31 2. típus / Class II
Legnagyobb PV feszültség (UCPV ) 600 V
Zárlati szilárdság (ISCPV ) 1000 A
Névleges levezetési áram (8/20 µs) [(DC+/DC-) --> PE] (In ) 12,5 kA
Legnagyobb levezetési áram (8/20 µs) [(DC+/DC-) --> PE] (Imax ) 25 kA
Védelmi feszültségszint (UP ) ≤ 2,5 kV
Tanúsítványok KEMA, UL

Product 950531 was added to Notepad.

Product 950531 was added to the cart.

Part No. 950530 DG YPV SCI 1000

GTIN 4013364152960, Customs tariff No. (EU): 85363030, Gross weight: 321.00 g, PU: 1.00 db.


Images

Additional information

Túlfeszültség-korlátozó DEHNguard kompakt YPV SCI 1000
Többpólusú levezető 1000 V DC-ig napelemes rendszerekhez
háromlépcsős DC átkapcsoló berendezéssel, szélesség: 3 modul
Hibajelzés
2. típus az EN 61643-31 szerint
Alkalmazható az MSZ HD 60364-7-71 szerint
Biztonságos elektromos leválasztás
Legnagyobb PV feszültség: <= 1000 V DC
Teljes levezetési áramimpulzus: 40 kA
Védelmi feszültségszint: <= 4 kV
Zárlati szilárdság Iscpv: 1000 A

Gyártó: DEHN
Típus: DG YPV SCI 1000
Cikksz.: 950530
vagy egyenértékű.

Certificates

 

SCI-Technology

The patented SCI technology with active arc extinction allows to actively, quickly and safely extinguish a possible switching arc in case of overload. The PV fuse integrated in the short-circuit path trips immediately after the arc has been extinguished, thus ensuring safe electrical isolation (interruption). Consequently, all PV arresters from DEHN combine surge protection, fire protection and personal protection in a single device

Technical data

SPD az EN 61643-31 / ... szerint IEC 61643-31 2. típus / Class II
Legnagyobb PV feszültség (UCPV ) 1000 V
Zárlati szilárdság (ISCPV ) 1000 A
Névleges levezetési áram (8/20 µs) [(DC+/DC-) --> PE] (In ) 12,5 kA
Legnagyobb levezetési áram (8/20 µs) [(DC+/DC-) --> PE] (Imax ) 25 kA
Védelmi feszültségszint (UP ) ≤ 4 kV
Tanúsítványok KEMA, UL

Product 950530 was added to Notepad.

Product 950530 was added to the cart.


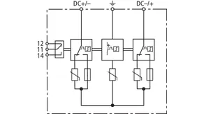
DEHNguard kompakt YPV SCI ... FM

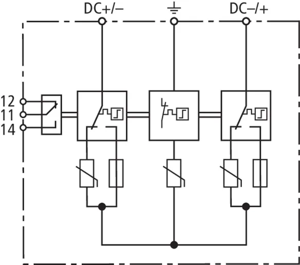
Moduláris többpólusú túlfeszültségvédelmi készülék háromlépcsős DC átkapcsoló berendezéssel napelemes rendszerek számára, távjelző érintkezővel felügyeleti rendszer számára (potenciálfüggetlen váltóérintkező).

2 Products

Part No. 950536 DG YPV SCI 600 FM

GTIN 4013364154995, Customs tariff No. (EU): 85363030, Gross weight: 306.00 g, PU: 1.00 db.

Predecessor

Images

Additional information

Túlfeszültség-korlátozó DEHNguard kompakt YPV SCI 600 FM
Többpólusú levezető 600 V DC-ig napelemes rendszerekhez
háromlépcsős DC átkapcsoló berendezéssel, szélesség: 3 modul
Hibajelzés távjelző érintkezővel
2. típus az EN 61643-31 szerint
Felhasználás az IEC MSZ HD 60364-7-712 szabvány szerint
Biztonságos galvanikus leválasztás
Legnagyobb PV feszültség: <= 600 V DC
Teljes levezetési áramimpulzus: 40 kA
Védelmi feszültségszint: <= 2,5 kV
Zárlati szilárdság Iscpv: 1000 A

Gyártó: DEHN
Típus: DG YPV SCI 600 FM
Cikksz.: 950536
vagy egyenértékű.

Certificates

 

SCI-Technology

The patented SCI technology with active arc extinction allows to actively, quickly and safely extinguish a possible switching arc in case of overload. The PV fuse integrated in the short-circuit path trips immediately after the arc has been extinguished, thus ensuring safe electrical isolation (interruption). Consequently, all PV arresters from DEHN combine surge protection, fire protection and personal protection in a single device

Technical data

SPD az EN 61643-31 / ... szerint IEC 61643-31 2. típus / Class II
Legnagyobb PV feszültség (UCPV ) 600 V
Zárlati szilárdság (ISCPV ) 1000 A
Névleges levezetési áram (8/20 µs) [(DC+/DC-) --> PE] (In ) 12,5 kA
Legnagyobb levezetési áram (8/20 µs) [(DC+/DC-) --> PE] (Imax ) 25 kA
Védelmi feszültségszint (UP ) ≤ 2,5 kV
Tanúsítványok KEMA, UL
Jelzőérintkező / Érintkezőtípus váltóérintkező

Product 950536 was added to Notepad.

Product 950536 was added to the cart.

Part No. 950535 DG YPV SCI 1000 FM

GTIN 4013364154988, Customs tariff No. (EU): 85363030, Gross weight: 331.00 g, PU: 1.00 db.


Images

Additional information

Túlfeszültség-korlátozó DEHNguard kompakt YPV SCI 1000 FM
Többpólusú levezető 1000 V DC-ig napelemes rendszerekhez
háromlépcsős DC átkapcsoló berendezéssel, szélesség: 3 modul
Hibajelzés távjelző érintkezővel
2. típus az EN 61643-31 szerint
Felhasználás az IEC MSZ HD 60364-7-712 szabvány szerint
Biztonságos galvanikus leválasztás
Legnagyobb PV-feszültség: <= 1000 V DC
Teljes levezetési áramimpulzus: 40 kA
Védelmi feszültségszint: <= 4 kV
Zárlati szilárdság Iscpv: 1000 A

Gyártó: DEHN
Típus: DG YPV SCI 1000 FM
Cikksz.: 950535
vagy egyenértékű.

Certificates

 

SCI-Technology

The patented SCI technology with active arc extinction allows to actively, quickly and safely extinguish a possible switching arc in case of overload. The PV fuse integrated in the short-circuit path trips immediately after the arc has been extinguished, thus ensuring safe electrical isolation (interruption). Consequently, all PV arresters from DEHN combine surge protection, fire protection and personal protection in a single device

Technical data

SPD az EN 61643-31 / ... szerint IEC 61643-31 2. típus / Class II
Legnagyobb PV feszültség (UCPV ) 1000 V
Zárlati szilárdság (ISCPV ) 1000 A
Névleges levezetési áram (8/20 µs) [(DC+/DC-) --> PE] (In ) 12,5 kA
Legnagyobb levezetési áram (8/20 µs) [(DC+/DC-) --> PE] (Imax ) 25 kA
Védelmi feszültségszint (UP ) ≤ 4 kV
Tanúsítványok KEMA, UL
Jelzőérintkező / Érintkezőtípus váltóérintkező

Product 950535 was added to Notepad.

Product 950535 was added to the cart.


back to top