DEHNprotector

  • Túlfeszültségvédelem felügyeleti eszközzel és leválasztó eszközzel
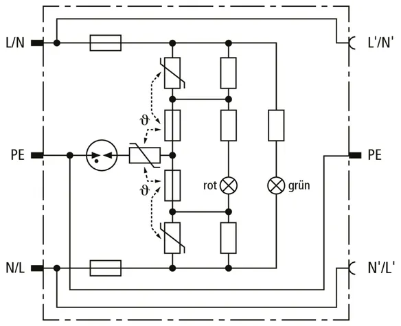
  • Vizuális működésjelző (zöld) és vizuális hibajelző (piros)
  • Megnövelt biztonság hibatűrő Y védelmi áramkör által

Details

lorem ipsum

DPRO 230-Protector

Túlfeszültségvédelem-adapter integrált gyerekzárral.

1 Product

Part No. 909230 DPRO 230

GTIN 4013364117686, Customs tariff No. (EU): 85363010, Gross weight: 239.00 g, PU: 1.00 db.

Predecessor

Images

Additional information

Túlfeszültségvédelem-adapter DEHNprotector 230
Túlfeszültségvédelem-adapter elektronikus
készülékek hálózati táplálásának tranziens túlfeszültségekkel szembeni védelmére
3. típusú levezető az MSZ EN 61643-11 szerint
vizuális funkció- és hibajelzés
Legmagasabb tartós feszültség: 255 V AC
Védelmi feszültségszint: <= 1,5 kV
Teljes levezetési áramimpulzus: 5 kA
Max. hálózatoldali túláramvédelem:
16 A gG vagy B 16 A
Energetikai koordináció az DIN EN 62305-4 szerint
Red/Line-család levezetője

Gyártó: DEHN
Típus: DPRO 230
Cikksz.: 909230
vagy egyenértékű.

Certificates

 

Technical data

SPD típus az MSZ EN 61643-11 / ... IEC 61643-11 3. típus / III. osztály
Legnagyobb tartós üzemi feszültség AC (UC ) 255 V (50 / 60 Hz)
Névleges levezetési lökőáram (8/20 µs) (In ) 3 kA
Teljes levezetési áram (8/20 µs) [L+N-PE] (Itotal ) 5 kA
Védelmi feszültségszint [L-N] / [L/N-PE] (UP ) ≤ 1350 / ≤ 1500 V
Max. hálózatoldali túláramvédelem B 16 A
Hibajelzés piros fény
Üzemjelző zöld fény

Product 909230 was added to Notepad.

Product 909230 was added to the cart.


back to top