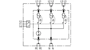
DEHNrail moduláris, többpólusú

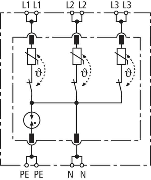
  • Négypólusú túlfeszültség-korlátozó, mely alapmodulból és dugaszolható védőmodulból áll
  • Nagy levezető-képesség a nagyteljesítményű cink-oxid varisztor/szikraköz kombinációnak köszönhetően
  • Energetikailag koordinált a Red/Line termékcsaládon belül
  • Működés-, hibajelzés zöld-piros jelöléssel a betekintő ablakban
  • Egyszerű, szerszámmentes védőmodulcsere modulreteszelő rendszer következtében modul reteszelésoldó gombbal
  • Névleges terhelőáram 25 A
  • Rezgés- és ütésállóság az MSZ EN 60068-2 szabvány szerint

Details

lorem ipsum

DEHNrail M 4P ... (FM)

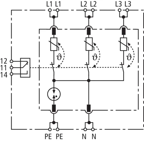
Négypólusú túlfeszültség-korlátozó, alapmodulból és dugaszolható védőmodulból, 230 / 400 V rendszerekhez, az FM változatban potenciálfüggetlen távjelző érintkezővel.

2 Products

Part No. 953400 DR M 4P 255

GTIN 4013364115767, Customs tariff No. (EU): 85363030, Gross weight: 168.20 g, PU: 1.00 db.

Predecessor

Images

Additional information

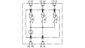
Túlfeszültség-korlátozó DEHNrail M 4P 255
4 pólusú, moduláris, dugaszolható túlfeszültség-korlátozó
ipari elektronikai végberendezések védelmére
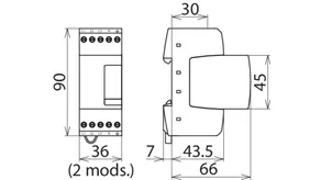
Szélesség 2 modul, hibajelzés
3. típusú levezető az MSZ EN 61643-11 szerint
Legmagasabb tartós feszültség: 255/440 V AC
Teljes levezetési áram: 8 kA
Védelmi feszültségszint (L-N): <= 1 kV
Max. hálózatoldali túláramvédelem:
25 A gG vagy B 25 A
Energetikai koordináció az DIN EN 62305-4 szerint
Red/Line-család levezetője

Gyártó: DEHN
Típus: DR M 4P 255
Cikksz.: 953400
vagy egyenértékű.

Certificates

 

Technical data

SPD típus az MSZ EN 61643-11 / ... IEC 61643-11 3. típus / III. osztály
Legnagyobb tartós üzemi feszültség AC (UC ) 255 / 440 V (50 / 60 Hz)
Névleges levezetési lökőáram (8/20 µs) (In ) 3 kA
Teljes levezetési áram (8/20 µs) [L1+L2+L3+N-PE] (Itotal ) 8 kA
Védelmi feszültségszint [L-N] / [L/N-PE] (UP ) ≤ 1000 / ≤ 1500 V
Max. hálózatoldali túláramvédelem 25 A gG vagy B 25 A
Tanúsítványok KEMA, VDE

Product 953400 was added to Notepad.

Product 953400 was added to the cart.

Part No. 953405 DR M 4P 255 FM

GTIN 4013364115774, Customs tariff No. (EU): 85363030, Gross weight: 171.90 g, PU: 1.00 db.

Predecessor

Images

Additional information

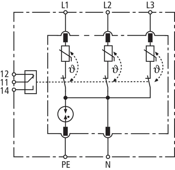
Túlfeszültség-korlátozó DEHNrail M 4P 255 FM
4 pólusú, moduláris, dugaszolható túlfeszültség-korlátozó
ipari elektronikai végberendezések védelmére
Szélesség 2 modul, hibajelzés
távjelző érintkezővel
3. típusú levezető az MSZ EN 61643-11 szerint
Legmagasabb tartós feszültség: 255/440 V AC
Teljes levezetési áram: 8 kA
Védelmi feszültségszint (L-N): <= 1 kV
Max. hálózatoldali túláramvédelem:
25 A gG vagy B 25 A
Energetikai koordináció az DIN EN 62305-4 szerint
Red/Line-család levezetője

Gyártó: DEHN
Típus: DR M 4P 255 FM
Cikksz.: 953405
vagy egyenértékű.

Certificates

 

Technical data

SPD típus az MSZ EN 61643-11 / ... IEC 61643-11 3. típus / III. osztály
Legnagyobb tartós üzemi feszültség AC (UC ) 255 / 440 V (50 / 60 Hz)
Névleges levezetési lökőáram (8/20 µs) (In ) 3 kA
Teljes levezetési áram (8/20 µs) [L1+L2+L3+N-PE] (Itotal ) 8 kA
Védelmi feszültségszint [L-N] / [L/N-PE] (UP ) ≤ 1000 / ≤ 1500 V
Max. hálózatoldali túláramvédelem 25 A gG vagy B 25 A
Tanúsítványok KEMA, VDE
Távjelző érintkező (FM) / Érintkezőtípus váltó

Product 953405 was added to Notepad.

Product 953405 was added to the cart.


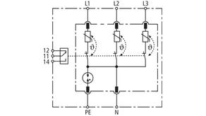
DEHNrail M 4P SN1872 FM

Négypólusú túlfeszültség-korlátozó, mely alapmodulból és dugaszolható védőmodulból áll; potenciálfüggetlen távjelző érintkezővel. Alkalmazás berendezésekben 32 A biztosításig lehetséges.

1 Product

Part No. 953406 DR M 4P 255 SN1872 FM

GTIN 4013364353060, Customs tariff No. (EU): 85363030, Gross weight: 171.90 g, PU: 1.00 db.


Images

Additional information

Túlfeszültség-korlátozó DEHNrail DR M 4P 255 SN1872 FM
4 pólusú, moduláris, dugaszolható túlfeszültség-korlátozó
ipari elektronikai végberendezések védelmére
Szélesség 2 modul, hibajelzés
távjelző érintkezővel
3. típusú levezető az MSZ EN 61643-11 szerint
Legmagasabb tartós feszültség: 255/440 V AC
Teljes levezetési áram: 8 kA
Védelmi feszültségszint (L-N): <= 1 kV
Max. hálózatoldali túláramvédelem:
32 A gG vagy B 32 A
Energetikai koordináció az DIN EN 62305-4 szerint
Red/Line-család levezetője

Gyártó: DEHN
Típus: DR M 4P 255 SN1872 FM
Cikksz.: 953406
vagy egyenértékű.

Certificates

 

Technical data

SPD típus az MSZ EN 61643-11 / ... IEC 61643-11 3. típus / III. osztály
Legnagyobb tartós üzemi feszültség AC (UC ) 255 / 440 V (50 / 60 Hz)
Névleges levezetési lökőáram (8/20 µs) (In ) 3 kA
Teljes levezetési áram (8/20 µs) [L1+L2+L3+N-PE] (Itotal ) 8 kA
Védelmi feszültségszint [L-N] / [L/N-PE] (UP ) ≤ 1000 / ≤ 1500 V
Max. hálózatoldali túláramvédelem 32 A gG oder B 32 A
Távjelző érintkező (FM) / Érintkezőtípus váltó

Product 953406 was added to Notepad.

Product 953406 was added to the cart.


back to top