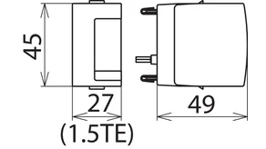
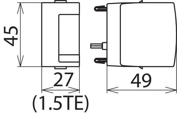
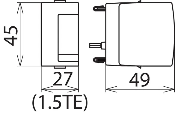
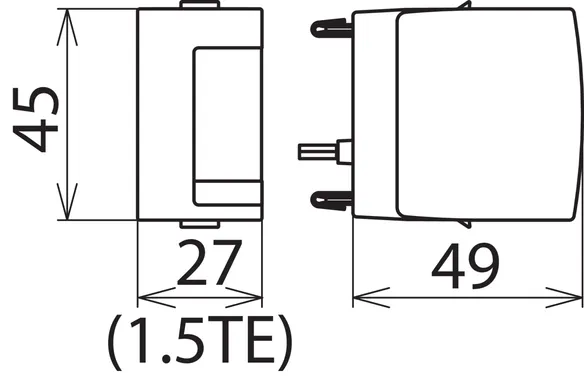
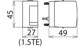
Védelmi modul DEHNguard M, ... S és DEHNgap C S készülékekhez

  • Nagy villámáram levezetési képesség a nagyteljesítményű cink-oxid varisztoroknak / szikraközöknek köszönhetően
  • Nagy eszközbiztonság a „Thermo Dynamic Control” felügyeletnek köszönhetően
  • Energetikailag koordinált a Red/Line termékcsaládon belül
  • Működés-, hibajelzés zöld-piros jelöléssel a betekintő ablakban
  • Egyszerű, szerszámmentes védőmodulcsere modulreteszelő rendszer következtében modul reteszelésoldó gombbal
  • Rezgés- és ütésállóság az EN 60068-2 szabvány szerint

Kapcsoló-szikraköz-védőmodul a DEHNguard M ACI számára

2 Products

Part No. 952024 DG MOD ACI 275

GTIN 4013364377356, Customs tariff No. (EU): 85363030, Gross weight: 55.00 g, PU: 1.00 db.


Images

Additional information

Kombinált kapcsoló / szikraköz védelmi modul DG MOD A 275
Dugaszolható védelmi modul a DEHNguard M ACI ... készülékhez
A Red /Line termékcsalád 2.típusú SPD
az MSZ EN 61643-11 szerint
Legnagyobb folyamatos üzemi feszültség: 275 V AC/350 V DC
Névleges levezetési áram: 20 kA
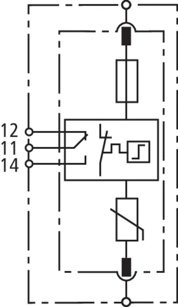
Hibajelzés

Gyártó: DEHN
Típus: DG MOD ACI 275
Cikksz.: 952024
vagy egyenértékű.

Certificates

 

ACI-Technology

A further development of CI technology, ACI technology consists of a switch/spark gap combination connected in series with a heavyduty varistor. This ensures the simple design and safe operation of the surge protective device. Other features are safe dimensioning, TOV withstand, a connection cross-section of only 6 mm� Cu and zero leakage current. Surge arresters with ACI technology offer maximum safety and system availability.

Circuit Interruption

The backup fuse is already integrated here. This means: reduced space requirement, lower installation costs, faster wiring, and shorter connecting cables. This concept can be found in the product ranges DEHNvenCI, DEHNbloc Maxi S, DEHNguard ... CI and V(A) NH...

Direct Current-Disconnection

When using surge arresters in d.c. applications, disconnection must be reliably ensured even if there are no zero crossings. The specifically developed DC Disconnection (DCD) technology acts as a wedge similar to a blocking valve and interrupts the direct current. Consequently, the devices of the DEHNguard SE DC series are capable of safely interrupting direct currents, thus preventing fire damage caused by d.c. switching arcs.

SCI-Technology

The patented SCI technology with active arc extinction allows to actively, quickly and safely extinguish a possible switching arc in case of overload. The PV fuse integrated in the short-circuit path trips immediately after the arc has been extinguished, thus ensuring safe electrical isolation (interruption). Consequently, all PV arresters from DEHN combine surge protection, fire protection and personal protection in a single device

Technical data

Névleges levezetési áram (8/20 µs) (In ) 20 kA
Legnagyobb folyamatos üzemi feszültség AC (UC ) 275 V

Product 952024 was added to Notepad.

Product 952024 was added to the cart.

Part No. 952028 DG MOD ACI 385

GTIN 4013364387843, Customs tariff No. (EU): 85363030, Gross weight: 66.00 g, PU: 1.00 db.


Images

Additional information

Kombinált kapcsoló / szikraköz védelmi modul DG MOD A 275
Dugaszolható védelmi modul a DEHNguard M ACI ... készülékhez
A Red /Line termékcsalád 2.típusú SPD
az MSZ EN 61643-11 szerint
Legnagyobb folyamatos üzemi feszültség: 275 V AC/350 V DC
Névleges levezetési áram: 20 kA
Hibajelzés

Gyártó: DEHN
Típus: DG MOD ACI 385
Cikksz.: 952028
vagy egyenértékű.

 

ACI-Technology

A further development of CI technology, ACI technology consists of a switch/spark gap combination connected in series with a heavyduty varistor. This ensures the simple design and safe operation of the surge protective device. Other features are safe dimensioning, TOV withstand, a connection cross-section of only 6 mm� Cu and zero leakage current. Surge arresters with ACI technology offer maximum safety and system availability.

Circuit Interruption

The backup fuse is already integrated here. This means: reduced space requirement, lower installation costs, faster wiring, and shorter connecting cables. This concept can be found in the product ranges DEHNvenCI, DEHNbloc Maxi S, DEHNguard ... CI and V(A) NH...

Direct Current-Disconnection

When using surge arresters in d.c. applications, disconnection must be reliably ensured even if there are no zero crossings. The specifically developed DC Disconnection (DCD) technology acts as a wedge similar to a blocking valve and interrupts the direct current. Consequently, the devices of the DEHNguard SE DC series are capable of safely interrupting direct currents, thus preventing fire damage caused by d.c. switching arcs.

SCI-Technology

The patented SCI technology with active arc extinction allows to actively, quickly and safely extinguish a possible switching arc in case of overload. The PV fuse integrated in the short-circuit path trips immediately after the arc has been extinguished, thus ensuring safe electrical isolation (interruption). Consequently, all PV arresters from DEHN combine surge protection, fire protection and personal protection in a single device

Technical data

Névleges levezetési áram (8/20 µs) (In ) 20 kA
Legnagyobb folyamatos üzemi feszültség AC (UC ) 385 V

Product 952028 was added to Notepad.

Product 952028 was added to the cart.


Szikraköz alapú védelmi modul DEHNguard M ACI készülékhez

1 Product

Part No. 952022 DG MOD A NPE

GTIN 4013364376533, Customs tariff No. (EU): 85363030, Gross weight: 46.00 g, PU: 1.00 db.


Images

Additional information

Kombinált kapcsoló / szikraköz védelmi modul DG MOD A NPE
Dugaszolható védelmi modul a DEHNguard M ACI ... készülékhez
A Red /Line termékcsalád 2.típusú SPD
az MSZ EN 61643-11 szerint
Legnagyobb folyamatos üzemi feszültség: 275 V AC/350 V DC
Névleges levezetési áram: 20 kA
Hibajelzés

Gyártó: DEHN
Típus: DG MOD A NPE
Cikksz.: 952022
vagy egyenértékű.

Certificates

 

ACI-Technology

A further development of CI technology, ACI technology consists of a switch/spark gap combination connected in series with a heavyduty varistor. This ensures the simple design and safe operation of the surge protective device. Other features are safe dimensioning, TOV withstand, a connection cross-section of only 6 mm� Cu and zero leakage current. Surge arresters with ACI technology offer maximum safety and system availability.

Circuit Interruption

The backup fuse is already integrated here. This means: reduced space requirement, lower installation costs, faster wiring, and shorter connecting cables. This concept can be found in the product ranges DEHNvenCI, DEHNbloc Maxi S, DEHNguard ... CI and V(A) NH...

Direct Current-Disconnection

When using surge arresters in d.c. applications, disconnection must be reliably ensured even if there are no zero crossings. The specifically developed DC Disconnection (DCD) technology acts as a wedge similar to a blocking valve and interrupts the direct current. Consequently, the devices of the DEHNguard SE DC series are capable of safely interrupting direct currents, thus preventing fire damage caused by d.c. switching arcs.

SCI-Technology

The patented SCI technology with active arc extinction allows to actively, quickly and safely extinguish a possible switching arc in case of overload. The PV fuse integrated in the short-circuit path trips immediately after the arc has been extinguished, thus ensuring safe electrical isolation (interruption). Consequently, all PV arresters from DEHN combine surge protection, fire protection and personal protection in a single device

Technical data

Névleges levezetési áram (8/20 µs) (In ) 20 kA
Legnagyobb levezetési áram (8/20 µs) (Imax ) 40 kA
Legnagyobb folyamatos üzemi feszültség AC (UC ) 255 V

Product 952022 was added to Notepad.

Product 952022 was added to the cart.


Varisztor alapú védelmi modul DEHNguard M CI készülékhez

1 Product

Part No. 952020 DG MOD CI 275

GTIN 4013364127784, Customs tariff No. (EU): 85363030, Gross weight: 59.30 g, PU: 1.00 db.


Images

Additional information

Varisztor alapú védelmi modul DG MOD CI 275
Dugaszolható védelmi modul a DEHNguard M CI ... készülékhez
A Red /Line termékcsalád 2.típusú SPD
az MSZ EN 61643-11 szerint
Legnagyobb folyamatos üzemi feszültség: 275 V AC
Névleges levezetési áram: 12,5 kA
Hibajelzés

Gyártó: DEHN
Típus: DG MOD CI 275
Cikksz.: 952020
vagy egyenértékű.

Certificates

 

Circuit Interruption

The backup fuse is already integrated here. This means: reduced space requirement, lower installation costs, faster wiring, and shorter connecting cables. This concept can be found in the product ranges DEHNvenCI, DEHNbloc Maxi S, DEHNguard ... CI and V(A) NH...

Direct Current-Disconnection

When using surge arresters in d.c. applications, disconnection must be reliably ensured even if there are no zero crossings. The specifically developed DC Disconnection (DCD) technology acts as a wedge similar to a blocking valve and interrupts the direct current. Consequently, the devices of the DEHNguard SE DC series are capable of safely interrupting direct currents, thus preventing fire damage caused by d.c. switching arcs.

SCI-Technology

The patented SCI technology with active arc extinction allows to actively, quickly and safely extinguish a possible switching arc in case of overload. The PV fuse integrated in the short-circuit path trips immediately after the arc has been extinguished, thus ensuring safe electrical isolation (interruption). Consequently, all PV arresters from DEHN combine surge protection, fire protection and personal protection in a single device

Technical data

Névleges levezetési áram (8/20 µs) (In ) 12,5 kA
Legnagyobb levezetési áram (8/20 µs) (Imax ) 25 kA
Legnagyobb folyamatos üzemi feszültség AC (UC ) 275 V

Product 952020 was added to Notepad.

Product 952020 was added to the cart.


Varisztor alapú védelmi modul DEHNguard SE CI ... készülékhez

2 Products

Part No. 952926 DG MOD E CI 440

GTIN 4013364322646, Customs tariff No. (EU): 85363030, Gross weight: 83.00 g, PU: 1.00 db.


Images

Additional information

Varisztor alapú védelmi modul DG MOD E CI 440
Dugaszolható védelmi modul a DEHNguard SE CI ... készülékhez
A Red /Line termékcsalád 2.típusú SPD
az MSZ EN 61643-11 szerint
Legnagyobb folyamatos üzemi feszültség: 440 V AC
Névleges levezetési áram: 12,5 kA
Hibajelzés

Gyártó: DEHN
Típus: DG MOD E CI 440
Cikksz.: 952926
vagy egyenértékű.

Certificates

 

Circuit Interruption

The backup fuse is already integrated here. This means: reduced space requirement, lower installation costs, faster wiring, and shorter connecting cables. This concept can be found in the product ranges DEHNvenCI, DEHNbloc Maxi S, DEHNguard ... CI and V(A) NH...

Direct Current-Disconnection

When using surge arresters in d.c. applications, disconnection must be reliably ensured even if there are no zero crossings. The specifically developed DC Disconnection (DCD) technology acts as a wedge similar to a blocking valve and interrupts the direct current. Consequently, the devices of the DEHNguard SE DC series are capable of safely interrupting direct currents, thus preventing fire damage caused by d.c. switching arcs.

SCI-Technology

The patented SCI technology with active arc extinction allows to actively, quickly and safely extinguish a possible switching arc in case of overload. The PV fuse integrated in the short-circuit path trips immediately after the arc has been extinguished, thus ensuring safe electrical isolation (interruption). Consequently, all PV arresters from DEHN combine surge protection, fire protection and personal protection in a single device

Technical data

Névleges levezetési áram (8/20 µs) (In ) 12,5 kA
Legnagyobb folyamatos üzemi feszültség AC (UC ) 440 V
Varisztor névleges feszültség AC (Umov ) 440 V

Product 952926 was added to Notepad.

Product 952926 was added to the cart.

Part No. 952927 DG MOD E CI WE 440

GTIN 4013364322653, Customs tariff No. (EU): 85363030, Gross weight: 82.00 g, PU: 1.00 db.


Images

Additional information

Varisztor alapú védelmi modul DG MOD E CI WE 440
Dugaszolható védelmi modul a DEHNguard SE CI ... készülékhez
A Red /Line termékcsalád 2.típusú SPD
az MSZ EN 61643-11 szerint
Legnagyobb folyamatos üzemi feszültség: 440 V AC
Varisztor névleges feszültsége: 750 V AC
Névleges levezetési áram: 12,5 kA
Hibajelzés

Gyártó: DEHN
Típus: DG MOD E CI WE 440
Cikksz.: 952927
vagy egyenértékű.

Certificates

 

Circuit Interruption

The backup fuse is already integrated here. This means: reduced space requirement, lower installation costs, faster wiring, and shorter connecting cables. This concept can be found in the product ranges DEHNvenCI, DEHNbloc Maxi S, DEHNguard ... CI and V(A) NH...

Direct Current-Disconnection

When using surge arresters in d.c. applications, disconnection must be reliably ensured even if there are no zero crossings. The specifically developed DC Disconnection (DCD) technology acts as a wedge similar to a blocking valve and interrupts the direct current. Consequently, the devices of the DEHNguard SE DC series are capable of safely interrupting direct currents, thus preventing fire damage caused by d.c. switching arcs.

SCI-Technology

The patented SCI technology with active arc extinction allows to actively, quickly and safely extinguish a possible switching arc in case of overload. The PV fuse integrated in the short-circuit path trips immediately after the arc has been extinguished, thus ensuring safe electrical isolation (interruption). Consequently, all PV arresters from DEHN combine surge protection, fire protection and personal protection in a single device

Technical data

Névleges levezetési áram (8/20 µs) (In ) 12,5 kA
Legnagyobb folyamatos üzemi feszültség AC (UC ) 440 V
Varisztor névleges feszültség AC (Umov ) 750 V

Product 952927 was added to Notepad.

Product 952927 was added to the cart.


Varisztor alapú védelmi modul DEHNguard M és DEHNguard S készülékkhez

8 Products

Part No. 952018 DG MOD 48

GTIN 4013364119482, Customs tariff No. (EU): 85363030, Gross weight: 43.50 g, PU: 1.00 db.


Images

Additional information

DG MOD 48 varisztor alapú védelmi modul
Dugaszolható védelmi modul DEHNguard S ... készülékekhez
A Red /Line termékcsalád 2.típusú SPD
az MSZ EN 61643-11 szerint
Nagyteljesítményű varisztor technológia
Legnagyobb folyamatos üzemi feszültség: 48 V AC/60 V DC
Névleges levezetési áram: 7.5 kA
Hibajelzés

Gyártó: DEHN
Típus: DG MOD 48
Cikksz.: 952018
vagy egyenértékű.

Certificates

 

Circuit Interruption

The backup fuse is already integrated here. This means: reduced space requirement, lower installation costs, faster wiring, and shorter connecting cables. This concept can be found in the product ranges DEHNvenCI, DEHNbloc Maxi S, DEHNguard ... CI and V(A) NH...

Direct Current-Disconnection

When using surge arresters in d.c. applications, disconnection must be reliably ensured even if there are no zero crossings. The specifically developed DC Disconnection (DCD) technology acts as a wedge similar to a blocking valve and interrupts the direct current. Consequently, the devices of the DEHNguard SE DC series are capable of safely interrupting direct currents, thus preventing fire damage caused by d.c. switching arcs.

SCI-Technology

The patented SCI technology with active arc extinction allows to actively, quickly and safely extinguish a possible switching arc in case of overload. The PV fuse integrated in the short-circuit path trips immediately after the arc has been extinguished, thus ensuring safe electrical isolation (interruption). Consequently, all PV arresters from DEHN combine surge protection, fire protection and personal protection in a single device

Technical data

Névleges levezetési áram (8/20 µs) (In ) 7,5 kA
Legnagyobb levezetési áram (8/20 µs) (Imax ) 25 kA
Legnagyobb folyamatos üzemi feszültség AC (UC ) 48 V

Product 952018 was added to Notepad.

Product 952018 was added to the cart.

Part No. 952011 DG MOD 75

GTIN 4013364109773, Customs tariff No. (EU): 85363030, Gross weight: 39.30 g, PU: 1.00 db.


Images

Additional information

DG MOD 75 varisztor alapú védelmi modul
Dugaszolható védelmi modul DEHNguard S ... készülékekhez
A Red /Line termékcsalád 2.típusú SPD
az MSZ EN 61643-11 szerint
Nagyteljesítményű varisztor technológia
Legnagyobb folyamatos üzemi feszültség: 75 V AC/100 V DC
Névleges levezetési áram: 10 kA
Hibajelzés

Gyártó: DEHN
Típus: DG MOD 75
Cikksz.: 952011
vagy egyenértékű.

Certificates

 

Circuit Interruption

The backup fuse is already integrated here. This means: reduced space requirement, lower installation costs, faster wiring, and shorter connecting cables. This concept can be found in the product ranges DEHNvenCI, DEHNbloc Maxi S, DEHNguard ... CI and V(A) NH...

Direct Current-Disconnection

When using surge arresters in d.c. applications, disconnection must be reliably ensured even if there are no zero crossings. The specifically developed DC Disconnection (DCD) technology acts as a wedge similar to a blocking valve and interrupts the direct current. Consequently, the devices of the DEHNguard SE DC series are capable of safely interrupting direct currents, thus preventing fire damage caused by d.c. switching arcs.

SCI-Technology

The patented SCI technology with active arc extinction allows to actively, quickly and safely extinguish a possible switching arc in case of overload. The PV fuse integrated in the short-circuit path trips immediately after the arc has been extinguished, thus ensuring safe electrical isolation (interruption). Consequently, all PV arresters from DEHN combine surge protection, fire protection and personal protection in a single device

Technical data

Névleges levezetési áram (8/20 µs) (In ) 10 kA
Legnagyobb levezetési áram (8/20 µs) (Imax ) 40 kA
Legnagyobb folyamatos üzemi feszültség AC (UC ) 75 V

Product 952011 was added to Notepad.

Product 952011 was added to the cart.

Part No. 952012 DG MOD 150

GTIN 4013364109780, Customs tariff No. (EU): 85363030, Gross weight: 42.23 g, PU: 1.00 db.


Images

Additional information

DG MOD 150 varisztor alapú védelmi modul
Dugaszolható védelmi modul DEHNguard S ... készülékekhez
A Red /Line termékcsalád 2.típusú SPD
az MSZ EN 61643-11 szerint
Nagyteljesítményű varisztor technológia
Legnagyobb folyamatos üzemi feszültség: 150 V AC/200 V DC
Névleges levezetési áram: 15 kA
Hibajelzés

Gyártó: DEHN
Típus: DG MOD 150
Cikksz.: 952012
vagy egyenértékű.

Certificates

 

Circuit Interruption

The backup fuse is already integrated here. This means: reduced space requirement, lower installation costs, faster wiring, and shorter connecting cables. This concept can be found in the product ranges DEHNvenCI, DEHNbloc Maxi S, DEHNguard ... CI and V(A) NH...

Direct Current-Disconnection

When using surge arresters in d.c. applications, disconnection must be reliably ensured even if there are no zero crossings. The specifically developed DC Disconnection (DCD) technology acts as a wedge similar to a blocking valve and interrupts the direct current. Consequently, the devices of the DEHNguard SE DC series are capable of safely interrupting direct currents, thus preventing fire damage caused by d.c. switching arcs.

SCI-Technology

The patented SCI technology with active arc extinction allows to actively, quickly and safely extinguish a possible switching arc in case of overload. The PV fuse integrated in the short-circuit path trips immediately after the arc has been extinguished, thus ensuring safe electrical isolation (interruption). Consequently, all PV arresters from DEHN combine surge protection, fire protection and personal protection in a single device

Technical data

Névleges levezetési áram (8/20 µs) (In ) 15 kA
Legnagyobb levezetési áram (8/20 µs) (Imax ) 40 kA
Legnagyobb folyamatos üzemi feszültség AC (UC ) 150 V

Product 952012 was added to Notepad.

Product 952012 was added to the cart.

Part No. 952010 DG MOD 275

GTIN 4013364108356, Customs tariff No. (EU): 85363030, Gross weight: 49.80 g, PU: 1.00 db.


Images

Additional information

DG MOD 275 varisztor alapú védelmi modul
Dugaszolható védelmi modul DEHNguard M ... készülékekhez
A Red /Line termékcsalád 2.típusú SPD
az MSZ EN 61643-11 szerint
Nagyteljesítményű varisztor technológia
Legnagyobb folyamatos üzemi feszültség: 275 V AC/3500 V DC
Névleges levezetési áram: 20 kA
Hibajelzés

Gyártó: DEHN
Típus: DG MOD 275
Cikksz.: 952010
vagy egyenértékű.

Certificates

 

Circuit Interruption

The backup fuse is already integrated here. This means: reduced space requirement, lower installation costs, faster wiring, and shorter connecting cables. This concept can be found in the product ranges DEHNvenCI, DEHNbloc Maxi S, DEHNguard ... CI and V(A) NH...

Direct Current-Disconnection

When using surge arresters in d.c. applications, disconnection must be reliably ensured even if there are no zero crossings. The specifically developed DC Disconnection (DCD) technology acts as a wedge similar to a blocking valve and interrupts the direct current. Consequently, the devices of the DEHNguard SE DC series are capable of safely interrupting direct currents, thus preventing fire damage caused by d.c. switching arcs.

SCI-Technology

The patented SCI technology with active arc extinction allows to actively, quickly and safely extinguish a possible switching arc in case of overload. The PV fuse integrated in the short-circuit path trips immediately after the arc has been extinguished, thus ensuring safe electrical isolation (interruption). Consequently, all PV arresters from DEHN combine surge protection, fire protection and personal protection in a single device

Technical data

Névleges levezetési áram (8/20 µs) (In ) 20 kA
Legnagyobb levezetési áram (8/20 µs) (Imax ) 40 kA
Legnagyobb folyamatos üzemi feszültség AC (UC ) 275 V

Product 952010 was added to Notepad.

Product 952010 was added to the cart.

Part No. 952013 DG MOD 320

GTIN 4013364109797, Customs tariff No. (EU): 85363030, Gross weight: 52.50 g, PU: 1.00 db.


Images

Additional information

DG MOD 320 varisztor alapú védelmi modul
Dugaszolható védelmi modul DEHNguard S ... készülékekhez
A Red /Line termékcsalád 2.típusú SPD
az MSZ EN 61643-11 szerint
Nagyteljesítményű varisztor technológia
Legnagyobb folyamatos üzemi feszültség: 320 V AC/420 V DC
Névleges levezetési áram: 20 kA
Hibajelzés

Gyártó: DEHN
Típus: DG MOD 320
Cikksz.: 952013
vagy egyenértékű.

Certificates

 

Circuit Interruption

The backup fuse is already integrated here. This means: reduced space requirement, lower installation costs, faster wiring, and shorter connecting cables. This concept can be found in the product ranges DEHNvenCI, DEHNbloc Maxi S, DEHNguard ... CI and V(A) NH...

Direct Current-Disconnection

When using surge arresters in d.c. applications, disconnection must be reliably ensured even if there are no zero crossings. The specifically developed DC Disconnection (DCD) technology acts as a wedge similar to a blocking valve and interrupts the direct current. Consequently, the devices of the DEHNguard SE DC series are capable of safely interrupting direct currents, thus preventing fire damage caused by d.c. switching arcs.

SCI-Technology

The patented SCI technology with active arc extinction allows to actively, quickly and safely extinguish a possible switching arc in case of overload. The PV fuse integrated in the short-circuit path trips immediately after the arc has been extinguished, thus ensuring safe electrical isolation (interruption). Consequently, all PV arresters from DEHN combine surge protection, fire protection and personal protection in a single device

Technical data

Névleges levezetési áram (8/20 µs) (In ) 20 kA
Legnagyobb levezetési áram (8/20 µs) (Imax ) 40 kA
Legnagyobb folyamatos üzemi feszültség AC (UC ) 320 V

Product 952013 was added to Notepad.

Product 952013 was added to the cart.

Part No. 952014 DG MOD 385

GTIN 4013364108363, Customs tariff No. (EU): 85363030, Gross weight: 56.80 g, PU: 1.00 db.


Images

Additional information

DG MOD 385 varisztor alapú védelmi modul
Dugaszolható védelmi modul DEHNguard S ... készülékekhez
A Red /Line termékcsalád 2.típusú SPD
az MSZ EN 61643-11 szerint
Nagyteljesítményű varisztor technológia
Legnagyobb folyamatos üzemi feszültség: 385 V AC/500 V DC
Névleges levezetési áram: 20kA
Hibajelzés

Gyártó: DEHN
Típus: DG MOD 385
Cikksz.: 952014
vagy egyenértékű.

Certificates

 

Circuit Interruption

The backup fuse is already integrated here. This means: reduced space requirement, lower installation costs, faster wiring, and shorter connecting cables. This concept can be found in the product ranges DEHNvenCI, DEHNbloc Maxi S, DEHNguard ... CI and V(A) NH...

Direct Current-Disconnection

When using surge arresters in d.c. applications, disconnection must be reliably ensured even if there are no zero crossings. The specifically developed DC Disconnection (DCD) technology acts as a wedge similar to a blocking valve and interrupts the direct current. Consequently, the devices of the DEHNguard SE DC series are capable of safely interrupting direct currents, thus preventing fire damage caused by d.c. switching arcs.

SCI-Technology

The patented SCI technology with active arc extinction allows to actively, quickly and safely extinguish a possible switching arc in case of overload. The PV fuse integrated in the short-circuit path trips immediately after the arc has been extinguished, thus ensuring safe electrical isolation (interruption). Consequently, all PV arresters from DEHN combine surge protection, fire protection and personal protection in a single device

Technical data

Névleges levezetési áram (8/20 µs) (In ) 20 kA
Legnagyobb levezetési áram (8/20 µs) (Imax ) 40 kA
Legnagyobb folyamatos üzemi feszültség AC (UC ) 385 V

Product 952014 was added to Notepad.

Product 952014 was added to the cart.

Part No. 952015 DG MOD 440

GTIN 4013364109803, Customs tariff No. (EU): 85363030, Gross weight: 60.00 g, PU: 1.00 db.


Images

Additional information

DG MOD 440 varisztor alapú védelmi modul
Dugaszolható védelmi modul DEHNguard S ... készülékekhez
A Red /Line termékcsalád 2.típusú SPD
az MSZ EN 61643-11 szerint
Nagyteljesítményű varisztor technológia
Legnagyobb folyamatos üzemi feszültség: 440V AC/585 V DC
Névleges levezetési áram: 20 kA
Hibajelzés

Gyártó: DEHN
Típus: DG MOD 440
Cikksz.: 952015
vagy egyenértékű.

Certificates

 

Circuit Interruption

The backup fuse is already integrated here. This means: reduced space requirement, lower installation costs, faster wiring, and shorter connecting cables. This concept can be found in the product ranges DEHNvenCI, DEHNbloc Maxi S, DEHNguard ... CI and V(A) NH...

Direct Current-Disconnection

When using surge arresters in d.c. applications, disconnection must be reliably ensured even if there are no zero crossings. The specifically developed DC Disconnection (DCD) technology acts as a wedge similar to a blocking valve and interrupts the direct current. Consequently, the devices of the DEHNguard SE DC series are capable of safely interrupting direct currents, thus preventing fire damage caused by d.c. switching arcs.

SCI-Technology

The patented SCI technology with active arc extinction allows to actively, quickly and safely extinguish a possible switching arc in case of overload. The PV fuse integrated in the short-circuit path trips immediately after the arc has been extinguished, thus ensuring safe electrical isolation (interruption). Consequently, all PV arresters from DEHN combine surge protection, fire protection and personal protection in a single device

Technical data

Névleges levezetési áram (8/20 µs) (In ) 20 kA
Legnagyobb levezetési áram (8/20 µs) (Imax ) 40 kA
Legnagyobb folyamatos üzemi feszültség AC (UC ) 440 V

Product 952015 was added to Notepad.

Product 952015 was added to the cart.

Part No. 952016 DG MOD 600

GTIN 4013364109810, Customs tariff No. (EU): 85363030, Gross weight: 70.60 g, PU: 1.00 db.


Images

Additional information

DG MOD 600 varisztor alapú védelmi modul
Dugaszolható védelmi modul DEHNguard S ... készülékekhez
A Red /Line termékcsalád 2.típusú SPD
az MSZ EN 61643-11 szerint
Nagyteljesítményű varisztor technológia
Legnagyobb folyamatos üzemi feszültség: 600 V AC/600 V DC
Névleges levezetési áram: 15 kA
Hibajelzés

Gyártó: DEHN
Típus: DG MOD 600
Cikksz.: 952016
vagy egyenértékű.

Certificates

 

Circuit Interruption

The backup fuse is already integrated here. This means: reduced space requirement, lower installation costs, faster wiring, and shorter connecting cables. This concept can be found in the product ranges DEHNvenCI, DEHNbloc Maxi S, DEHNguard ... CI and V(A) NH...

Direct Current-Disconnection

When using surge arresters in d.c. applications, disconnection must be reliably ensured even if there are no zero crossings. The specifically developed DC Disconnection (DCD) technology acts as a wedge similar to a blocking valve and interrupts the direct current. Consequently, the devices of the DEHNguard SE DC series are capable of safely interrupting direct currents, thus preventing fire damage caused by d.c. switching arcs.

SCI-Technology

The patented SCI technology with active arc extinction allows to actively, quickly and safely extinguish a possible switching arc in case of overload. The PV fuse integrated in the short-circuit path trips immediately after the arc has been extinguished, thus ensuring safe electrical isolation (interruption). Consequently, all PV arresters from DEHN combine surge protection, fire protection and personal protection in a single device

Technical data

Névleges levezetési áram (8/20 µs) (In ) 15 kA
Legnagyobb levezetési áram (8/20 µs) (Imax ) 30 kA
Legnagyobb folyamatos üzemi feszültség AC (UC ) 600 V

Product 952016 was added to Notepad.

Product 952016 was added to the cart.


Varisztor alapú védelmi modul DEHNguard M (S) WE készülékhez

1 Product

Part No. 952017 DG MOD 750

GTIN 4013364113329, Customs tariff No. (EU): 85363030, Gross weight: 69.70 g, PU: 1.00 db.


Images

Additional information

DG MOD 750 varisztor alapú védelmi modul
Dugaszolható védelmi modul DEHNguard S WE 600 (FM)
és DG M WE 600 (FM) készülékekhez
A Red /Line termékcsalád 2.típusú SPD
az MSZ EN 61643-11 szerint
Nagyteljesítményű varisztor technológia
Legnagyobb folyamatos üzemi feszültség: 600 V AC/600 V DC
Varisztor névleges feszültség: 750 V AC
Névleges levezetési áram: 15 kA
Hibajelzés

Gyártó: DEHN
Típus: DG MOD 750
Cikksz.: 952017
vagy egyenértékű.

Certificates

 

Circuit Interruption

The backup fuse is already integrated here. This means: reduced space requirement, lower installation costs, faster wiring, and shorter connecting cables. This concept can be found in the product ranges DEHNvenCI, DEHNbloc Maxi S, DEHNguard ... CI and V(A) NH...

Direct Current-Disconnection

When using surge arresters in d.c. applications, disconnection must be reliably ensured even if there are no zero crossings. The specifically developed DC Disconnection (DCD) technology acts as a wedge similar to a blocking valve and interrupts the direct current. Consequently, the devices of the DEHNguard SE DC series are capable of safely interrupting direct currents, thus preventing fire damage caused by d.c. switching arcs.

SCI-Technology

The patented SCI technology with active arc extinction allows to actively, quickly and safely extinguish a possible switching arc in case of overload. The PV fuse integrated in the short-circuit path trips immediately after the arc has been extinguished, thus ensuring safe electrical isolation (interruption). Consequently, all PV arresters from DEHN combine surge protection, fire protection and personal protection in a single device

Technical data

Névleges levezetési áram (8/20 µs) (In ) 15 kA
Legnagyobb levezetési áram (8/20 µs) (Imax ) 25 kA
Legnagyobb folyamatos üzemi feszültség AC (UC ) 600 V
Varisztor névleges feszültség AC (Umov ) 750 V

Product 952017 was added to Notepad.

Product 952017 was added to the cart.


N-PE szikraköz alapú védelmi modul DEHNguard M ACI készülékhez

N-PE szikraköz alapú védelmi modul kétpólusú- és négypólusú DEHNguard DG M TT (2P) ACI ... készülékekhez .

1 Product

Part No. 952083 DG MOD H A NPE

GTIN 4013364376540, Customs tariff No. (EU): 85363030, Gross weight: 55.00 g, PU: 1.00 db.


Images

Additional information

N-PE szikraköz alapú védelmi modul DG MOD H A NPE
Dugaszolható N-PE szikraköz alapú védelmi modul
DEHNguard DG M TT (2P) ACI ... készülékekhez
A Red /Line termékcsalád 2.típusú N-PE SPD
az MSZ EN 61643-11 szerint
Legnagyobb folyamatos üzemi feszültség: 255 V AC
Névleges levezetési áram: 80 kA
Legnagyobb levezetési áram: 120 kA
Hibajelzés

Gyártó: DEHN
Típus: DG MOD H A NPE
Cikksz.: 952083
vagy egyenértékű.

Certificates

 

Circuit Interruption

The backup fuse is already integrated here. This means: reduced space requirement, lower installation costs, faster wiring, and shorter connecting cables. This concept can be found in the product ranges DEHNvenCI, DEHNbloc Maxi S, DEHNguard ... CI and V(A) NH...

Direct Current-Disconnection

When using surge arresters in d.c. applications, disconnection must be reliably ensured even if there are no zero crossings. The specifically developed DC Disconnection (DCD) technology acts as a wedge similar to a blocking valve and interrupts the direct current. Consequently, the devices of the DEHNguard SE DC series are capable of safely interrupting direct currents, thus preventing fire damage caused by d.c. switching arcs.

SCI-Technology

The patented SCI technology with active arc extinction allows to actively, quickly and safely extinguish a possible switching arc in case of overload. The PV fuse integrated in the short-circuit path trips immediately after the arc has been extinguished, thus ensuring safe electrical isolation (interruption). Consequently, all PV arresters from DEHN combine surge protection, fire protection and personal protection in a single device

Technical data

Névleges levezetési áram (8/20 µs) (In ) 80 kA
Legnagyobb levezetési áram (8/20 µs) (Imax ) 120 kA
Legnagyobb folyamatos üzemi feszültség AC (UC ) 275 V

Product 952083 was added to Notepad.

Product 952083 was added to the cart.


N-PE szikraköz alapú védelmi modul DEHNguard M H TT ... készülékhez

1 Product

Part No. 952081 DG MOD H NPE

GTIN 4013364318182, Customs tariff No. (EU): 85363030, Gross weight: 44.50 g, PU: 1.00 db.


Images

Additional information

N-PE szikraköz alapú védelmi modul DG MOD H NPE
Dugaszolható N-PE szikraköz alapú védelmi modul
DEHNguard DG M TT ... készülékekhez
A Red /Line termékcsalád 2.típusú N-PE SPD
az MSZ EN 61643-11 szerint
Legnagyobb folyamatos üzemi feszültség: 255 V AC
Névleges levezetési áram: 80 kA
Legnagyobb levezetési áram: 120 kA
Hibajelzés

Gyártó: DEHN
Típus: DG MOD H NPE
Cikksz.: 952081
vagy egyenértékű.

Certificates

 

Circuit Interruption

The backup fuse is already integrated here. This means: reduced space requirement, lower installation costs, faster wiring, and shorter connecting cables. This concept can be found in the product ranges DEHNvenCI, DEHNbloc Maxi S, DEHNguard ... CI and V(A) NH...

Direct Current-Disconnection

When using surge arresters in d.c. applications, disconnection must be reliably ensured even if there are no zero crossings. The specifically developed DC Disconnection (DCD) technology acts as a wedge similar to a blocking valve and interrupts the direct current. Consequently, the devices of the DEHNguard SE DC series are capable of safely interrupting direct currents, thus preventing fire damage caused by d.c. switching arcs.

SCI-Technology

The patented SCI technology with active arc extinction allows to actively, quickly and safely extinguish a possible switching arc in case of overload. The PV fuse integrated in the short-circuit path trips immediately after the arc has been extinguished, thus ensuring safe electrical isolation (interruption). Consequently, all PV arresters from DEHN combine surge protection, fire protection and personal protection in a single device

Technical data

Névleges levezetési áram (8/20 µs) (In ) 80 kA
Legnagyobb levezetési áram (8/20 µs) (Imax ) 120 kA
Legnagyobb folyamatos üzemi feszültség AC (UC ) 255 V

Product 952081 was added to Notepad.

Product 952081 was added to the cart.


N-PE szikraköz alapú védelmi modul DEHNguard M TT ... készülékhez

1 Product

Part No. 952050 DG MOD NPE

GTIN 4013364108370, Customs tariff No. (EU): 85363030, Gross weight: 44.50 g, PU: 1.00 db.


Images

Additional information

N-PE szikraköz alapú védelmi modul DG MOD NPE
Dugaszolható N-PE szikraköz alapú védelmi modul
DEHNguard DG M TT... készülékekhez
A Red /Line termékcsalád 2.típusú N-PE SPD
az MSZ EN 61643-11 szerint
Legnagyobb folyamatos üzemi feszültség: 255 V AC
Névleges levezetési áram: 20 kA
Legnagyobb levezetési áram: 40 kA
Hibajelzés

Gyártó: DEHN
Típus: DG MOD NPE
Cikksz.: 952050
vagy egyenértékű.

Certificates

 

Circuit Interruption

The backup fuse is already integrated here. This means: reduced space requirement, lower installation costs, faster wiring, and shorter connecting cables. This concept can be found in the product ranges DEHNvenCI, DEHNbloc Maxi S, DEHNguard ... CI and V(A) NH...

Direct Current-Disconnection

When using surge arresters in d.c. applications, disconnection must be reliably ensured even if there are no zero crossings. The specifically developed DC Disconnection (DCD) technology acts as a wedge similar to a blocking valve and interrupts the direct current. Consequently, the devices of the DEHNguard SE DC series are capable of safely interrupting direct currents, thus preventing fire damage caused by d.c. switching arcs.

SCI-Technology

The patented SCI technology with active arc extinction allows to actively, quickly and safely extinguish a possible switching arc in case of overload. The PV fuse integrated in the short-circuit path trips immediately after the arc has been extinguished, thus ensuring safe electrical isolation (interruption). Consequently, all PV arresters from DEHN combine surge protection, fire protection and personal protection in a single device

Technical data

Névleges levezetési áram (8/20 µs) (In ) 20 kA
Legnagyobb levezetési áram (8/20 µs) (Imax ) 40 kA
Legnagyobb folyamatos üzemi feszültség AC (UC ) 255 V

Product 952050 was added to Notepad.

Product 952050 was added to the cart.


N-PE szikraköz alapú védelmi modul DEHNgap C S készülékhez

1 Product

Part No. 952060 DGP C MOD

GTIN 4013364108387, Customs tariff No. (EU): 85363030, Gross weight: 44.00 g, PU: 1.00 db.


Images

Additional information

N-PE szikraköz alapú védelmi modul DGP C MOD
Dugaszolható N-PE szikraköz alapú védelmi modul
egypólusú DEHNgap C S ... készülékekhez
A Red /Line termékcsalád 2.típusú N-PE SPD
az MSZ EN 61643-11 szerint
Legnagyobb folyamatos üzemi feszültség: 255 V AC
Névleges levezetési áram: 20 kA
Legnagyobb levezetési áram: 40 kA
Hibajelzés

Gyártó: DEHN
Típus: DGP C MOD
Cikksz.: 952060
vagy egyenértékű.

Certificates

 

Circuit Interruption

The backup fuse is already integrated here. This means: reduced space requirement, lower installation costs, faster wiring, and shorter connecting cables. This concept can be found in the product ranges DEHNvenCI, DEHNbloc Maxi S, DEHNguard ... CI and V(A) NH...

Direct Current-Disconnection

When using surge arresters in d.c. applications, disconnection must be reliably ensured even if there are no zero crossings. The specifically developed DC Disconnection (DCD) technology acts as a wedge similar to a blocking valve and interrupts the direct current. Consequently, the devices of the DEHNguard SE DC series are capable of safely interrupting direct currents, thus preventing fire damage caused by d.c. switching arcs.

SCI-Technology

The patented SCI technology with active arc extinction allows to actively, quickly and safely extinguish a possible switching arc in case of overload. The PV fuse integrated in the short-circuit path trips immediately after the arc has been extinguished, thus ensuring safe electrical isolation (interruption). Consequently, all PV arresters from DEHN combine surge protection, fire protection and personal protection in a single device

Technical data

Névleges levezetési áram (8/20 µs) (In ) 20 kA
Legnagyobb levezetési áram (8/20 µs) (Imax ) 40 kA
Legnagyobb folyamatos üzemi feszültség AC (UC ) 255 V

Product 952060 was added to Notepad.

Product 952060 was added to the cart.


Varisztor és szikraköz alapú védelmi modul DEHNguard S ... VA készülékekhez

3 Products

Part No. 952025 DG MOD 75 VA

GTIN 4013364127357, Customs tariff No. (EU): 85363030, Gross weight: 41.00 g, PU: 1.00 db.


Images

Additional information

DG MOD 75 VA varisztor alapú védelmi modul
Dugaszolható védelmi modul DEHNguard S ... VA készülékekhez
A Red /Line termékcsalád 2.típusú SPD
az MSZ EN 61643-11 szerint
Legnagyobb folyamatos üzemi feszültség: 75 V AC /100 V DC
Névleges levezetési áram: 10 kA
Hibajelzés

Gyártó: DEHN
Típus: DG MOD 75 VA
Cikksz.: 952025
vagy egyenértékű.

Certificates

 

Circuit Interruption

The backup fuse is already integrated here. This means: reduced space requirement, lower installation costs, faster wiring, and shorter connecting cables. This concept can be found in the product ranges DEHNvenCI, DEHNbloc Maxi S, DEHNguard ... CI and V(A) NH...

Direct Current-Disconnection

When using surge arresters in d.c. applications, disconnection must be reliably ensured even if there are no zero crossings. The specifically developed DC Disconnection (DCD) technology acts as a wedge similar to a blocking valve and interrupts the direct current. Consequently, the devices of the DEHNguard SE DC series are capable of safely interrupting direct currents, thus preventing fire damage caused by d.c. switching arcs.

SCI-Technology

The patented SCI technology with active arc extinction allows to actively, quickly and safely extinguish a possible switching arc in case of overload. The PV fuse integrated in the short-circuit path trips immediately after the arc has been extinguished, thus ensuring safe electrical isolation (interruption). Consequently, all PV arresters from DEHN combine surge protection, fire protection and personal protection in a single device

Technical data

Névleges levezetési áram (8/20 µs) (In ) 10 kA
Legnagyobb levezetési áram (8/20 µs) (Imax ) 20 kA
Legnagyobb folyamatos üzemi feszültség AC (UC ) 75 V
Legnagyobb folyamatos üzemi feszültség DC (UC ) 100 V

Product 952025 was added to Notepad.

Product 952025 was added to the cart.

Part No. 952027 DG MOD 275 VA

GTIN 4013364127364, Customs tariff No. (EU): 85363030, Gross weight: 47.00 g, PU: 1.00 db.


Images

Additional information

DG MOD 275 VA varisztor alapú védelmi modul
Dugaszolható védelmi modul DEHNguard S ... VA készülékekhez
A Red /Line termékcsalád 2.típusú SPD
az MSZ EN 61643-11 szerint
Legnagyobb folyamatos üzemi feszültség: 275 V AC /350 V DC
Névleges levezetési áram: 10 kA
Hibajelzés

Gyártó: DEHN
Típus: DG MOD 275 VA
Cikksz.: 952027
vagy egyenértékű.

Certificates

 

Circuit Interruption

The backup fuse is already integrated here. This means: reduced space requirement, lower installation costs, faster wiring, and shorter connecting cables. This concept can be found in the product ranges DEHNvenCI, DEHNbloc Maxi S, DEHNguard ... CI and V(A) NH...

Direct Current-Disconnection

When using surge arresters in d.c. applications, disconnection must be reliably ensured even if there are no zero crossings. The specifically developed DC Disconnection (DCD) technology acts as a wedge similar to a blocking valve and interrupts the direct current. Consequently, the devices of the DEHNguard SE DC series are capable of safely interrupting direct currents, thus preventing fire damage caused by d.c. switching arcs.

SCI-Technology

The patented SCI technology with active arc extinction allows to actively, quickly and safely extinguish a possible switching arc in case of overload. The PV fuse integrated in the short-circuit path trips immediately after the arc has been extinguished, thus ensuring safe electrical isolation (interruption). Consequently, all PV arresters from DEHN combine surge protection, fire protection and personal protection in a single device

Technical data

Névleges levezetési áram (8/20 µs) (In ) 10 kA
Legnagyobb levezetési áram (8/20 µs) (Imax ) 20 kA
Legnagyobb folyamatos üzemi feszültség AC (UC ) 275 V
Legnagyobb folyamatos üzemi feszültség DC (UC ) 350 V

Product 952027 was added to Notepad.

Product 952027 was added to the cart.

Part No. 952029 DG MOD 385 VA

GTIN 4013364127371, Customs tariff No. (EU): 85363030, Gross weight: 51.00 g, PU: 1.00 db.


Images

Additional information

DG MOD 385 VA varisztor alapú védelmi modul
Dugaszolható védelmi modul DEHNguard S ... VA készülékekhez
A Red /Line termékcsalád 2.típusú SPD
az MSZ EN 61643-11 szerint
Legnagyobb folyamatos üzemi feszültség: 385 V AC /500 V DC
Névleges levezetési áram: 10 kA
Hibajelzés

Gyártó: DEHN
Típus: DG MOD 385 VA
Cikksz.: 952029
vagy egyenértékű.

Certificates

 

Circuit Interruption

The backup fuse is already integrated here. This means: reduced space requirement, lower installation costs, faster wiring, and shorter connecting cables. This concept can be found in the product ranges DEHNvenCI, DEHNbloc Maxi S, DEHNguard ... CI and V(A) NH...

Direct Current-Disconnection

When using surge arresters in d.c. applications, disconnection must be reliably ensured even if there are no zero crossings. The specifically developed DC Disconnection (DCD) technology acts as a wedge similar to a blocking valve and interrupts the direct current. Consequently, the devices of the DEHNguard SE DC series are capable of safely interrupting direct currents, thus preventing fire damage caused by d.c. switching arcs.

SCI-Technology

The patented SCI technology with active arc extinction allows to actively, quickly and safely extinguish a possible switching arc in case of overload. The PV fuse integrated in the short-circuit path trips immediately after the arc has been extinguished, thus ensuring safe electrical isolation (interruption). Consequently, all PV arresters from DEHN combine surge protection, fire protection and personal protection in a single device

Technical data

Névleges levezetési áram (8/20 µs) (In ) 10 kA
Legnagyobb levezetési áram (8/20 µs) (Imax ) 20 kA
Legnagyobb folyamatos üzemi feszültség AC (UC ) 385 V
Legnagyobb folyamatos üzemi feszültség DC (UC ) 500 V

Product 952029 was added to Notepad.

Product 952029 was added to the cart.


Varisztor alapú védelmi modul DEHNguard M YPV készülékekhez

2 Products

Part No. 952048 DG MOD H PV 600

GTIN 4013364327733, Customs tariff No. (EU): 85363030, Gross weight: 61.20 g, PU: 1.00 db.


Images

Additional information

Varisztoros védőmodul DG MOD H PV 600
Dugaszolható védőmodul a DEHNguard M YPV számára
Besorolás 2. típusú levezető az MSZ EN 61643-31 szerint
Red/Line termékcsalád
Nagyteljesítményű varisztor technológia
Legmagasabb tartós feszültség: 585 V DC
Névleges levezetési lökőáram: 20 kA
Hibajelzés

Gyártó: DEHN
Típus: DG MOD H PV 600
Cikksz.: 952048
vagy egyenértékű.

Certificates

 

Circuit Interruption

The backup fuse is already integrated here. This means: reduced space requirement, lower installation costs, faster wiring, and shorter connecting cables. This concept can be found in the product ranges DEHNvenCI, DEHNbloc Maxi S, DEHNguard ... CI and V(A) NH...

Direct Current-Disconnection

When using surge arresters in d.c. applications, disconnection must be reliably ensured even if there are no zero crossings. The specifically developed DC Disconnection (DCD) technology acts as a wedge similar to a blocking valve and interrupts the direct current. Consequently, the devices of the DEHNguard SE DC series are capable of safely interrupting direct currents, thus preventing fire damage caused by d.c. switching arcs.

SCI-Technology

The patented SCI technology with active arc extinction allows to actively, quickly and safely extinguish a possible switching arc in case of overload. The PV fuse integrated in the short-circuit path trips immediately after the arc has been extinguished, thus ensuring safe electrical isolation (interruption). Consequently, all PV arresters from DEHN combine surge protection, fire protection and personal protection in a single device

Technical data

Névleges levezetési áram (8/20 µs) (In ) 20 kA
Legnagyobb levezetési áram (8/20 µs) (Imax ) 40 kA
Legnagyobb folyamatos üzemi feszültség DC (UC ) 600 V

Product 952048 was added to Notepad.

Product 952048 was added to the cart.

Part No. 952049 DG MOD H PV 750

GTIN 4013364327740, Customs tariff No. (EU): 85363030, Gross weight: 70.60 g, PU: 1.00 db.


Images

Additional information

Varisztoros védőmodul DG MOD H PV 750
Dugaszolható védőmodul a DEHNguard M YPV számára
Besorolás 2. típusú levezető az MSZ EN 61643-31 szerint
Red/Line termékcsalád
Nagyteljesítményű varisztor technológia
Legmagasabb tartós feszültség: 750 V DC
Névleges levezetési lökőáram: 15 kA
Hibajelzés

Gyártó: DEHN
Típus: DG MOD H PV 750
Cikksz.: 952049
vagy egyenértékű.

Certificates

 

Circuit Interruption

The backup fuse is already integrated here. This means: reduced space requirement, lower installation costs, faster wiring, and shorter connecting cables. This concept can be found in the product ranges DEHNvenCI, DEHNbloc Maxi S, DEHNguard ... CI and V(A) NH...

Direct Current-Disconnection

When using surge arresters in d.c. applications, disconnection must be reliably ensured even if there are no zero crossings. The specifically developed DC Disconnection (DCD) technology acts as a wedge similar to a blocking valve and interrupts the direct current. Consequently, the devices of the DEHNguard SE DC series are capable of safely interrupting direct currents, thus preventing fire damage caused by d.c. switching arcs.

SCI-Technology

The patented SCI technology with active arc extinction allows to actively, quickly and safely extinguish a possible switching arc in case of overload. The PV fuse integrated in the short-circuit path trips immediately after the arc has been extinguished, thus ensuring safe electrical isolation (interruption). Consequently, all PV arresters from DEHN combine surge protection, fire protection and personal protection in a single device

Technical data

Névleges levezetési áram (8/20 µs) (In ) 15 kA
Legnagyobb levezetési áram (8/20 µs) (Imax ) 40 kA
Legnagyobb folyamatos üzemi feszültség DC (UC ) 750 V

Product 952049 was added to Notepad.

Product 952049 was added to the cart.


Varisztor alapú védelmi modul DEHNguard M YPV SCI és DEHNguard S PV SCI készülékekhez

3 Products

Part No. 952055 DG MOD PV SCI 75

GTIN 4013364136700, Customs tariff No. (EU): 85363030, Gross weight: 43.40 g, PU: 1.00 db.


Images

Additional information

Varisztoros védőmodul DG MOD PV SCI 75
Dugaszolható védőmodul a DEHNguard M számára (Y)PV SCI
Besorolás 2. típusú levezető az MSZ EN 50539-11 szerint
Red/Line termékcsalád
Nagyteljesítményű varisztor technológia
Kombinált leválasztó és rövidrezáró eszköz
Legmagasabb tartós feszültség: 75 V DC
PV-rendszerek számára Ucpv <= 150 V-ig
Teljes levezetési áramimpulzus: 40 kA
Hibajelzés

Gyártó: DEHN
Típus: DG MOD PV SCI 75
Cikksz.: 952055
vagy egyenértékű.

Certificates

 

Circuit Interruption

The backup fuse is already integrated here. This means: reduced space requirement, lower installation costs, faster wiring, and shorter connecting cables. This concept can be found in the product ranges DEHNvenCI, DEHNbloc Maxi S, DEHNguard ... CI and V(A) NH...

Direct Current-Disconnection

When using surge arresters in d.c. applications, disconnection must be reliably ensured even if there are no zero crossings. The specifically developed DC Disconnection (DCD) technology acts as a wedge similar to a blocking valve and interrupts the direct current. Consequently, the devices of the DEHNguard SE DC series are capable of safely interrupting direct currents, thus preventing fire damage caused by d.c. switching arcs.

SCI-Technology

The patented SCI technology with active arc extinction allows to actively, quickly and safely extinguish a possible switching arc in case of overload. The PV fuse integrated in the short-circuit path trips immediately after the arc has been extinguished, thus ensuring safe electrical isolation (interruption). Consequently, all PV arresters from DEHN combine surge protection, fire protection and personal protection in a single device

Technical data

Névleges levezetési áram (8/20 µs) (In ) 10 kA
Legnagyobb levezetési áram (8/20 µs) (Imax ) 20 kA
Legnagyobb folyamatos üzemi feszültség DC (UC ) 75 V

Product 952055 was added to Notepad.

Product 952055 was added to the cart.

Part No. 952051 DG MOD PV SCI 500

GTIN 4013364126442, Customs tariff No. (EU): 85363030, Gross weight: 56.15 g, PU: 1.00 db.


Images

Additional information

Varisztoros védőmodul DG MOD PV SCI 500
Dugaszolható védőmodul a DEHNguard M számára (Y)PV SCI
Besorolás 2. típusú levezető az MSZ EN 61643-31 szerint
Red/Line termékcsalád
Nagyteljesítményű varisztor technológia
Kombinált leválasztó és rövidrezáró eszköz
Legmagasabb tartós feszültség: 500 V DC
PV-rendszerek számára Ucpv <= 1000 V-ig
Teljes levezetési áramimpulzus: 40 kA
Hibajelzés

Gyártó: DEHN
Típus: DG MOD PV SCI 500
Cikksz.: 952051
vagy egyenértékű.

Certificates

 

Circuit Interruption

The backup fuse is already integrated here. This means: reduced space requirement, lower installation costs, faster wiring, and shorter connecting cables. This concept can be found in the product ranges DEHNvenCI, DEHNbloc Maxi S, DEHNguard ... CI and V(A) NH...

Direct Current-Disconnection

When using surge arresters in d.c. applications, disconnection must be reliably ensured even if there are no zero crossings. The specifically developed DC Disconnection (DCD) technology acts as a wedge similar to a blocking valve and interrupts the direct current. Consequently, the devices of the DEHNguard SE DC series are capable of safely interrupting direct currents, thus preventing fire damage caused by d.c. switching arcs.

SCI-Technology

The patented SCI technology with active arc extinction allows to actively, quickly and safely extinguish a possible switching arc in case of overload. The PV fuse integrated in the short-circuit path trips immediately after the arc has been extinguished, thus ensuring safe electrical isolation (interruption). Consequently, all PV arresters from DEHN combine surge protection, fire protection and personal protection in a single device

Technical data

Névleges levezetési áram (8/20 µs) (In ) 12,5 kA
Legnagyobb levezetési áram (8/20 µs) (Imax ) 25 kA
Legnagyobb folyamatos üzemi feszültség DC (UC ) 500 V

Product 952051 was added to Notepad.

Product 952051 was added to the cart.

Part No. 952054 DG MOD PV SCI 600

GTIN 4013364127975, Customs tariff No. (EU): 85363030, Gross weight: 58.80 g, PU: 1.00 db.


Images

Additional information

Varisztoros védőmodul DG MOD PV SCI 600
Dugaszolható védőmodul a DEHNguard M számára (Y)PV SCI
Besorolás 2. típusú levezető az MSZ EN 61643-31 szerint
Red/Line termékcsalád
Nagyteljesítményű varisztor technológia
Kombinált leválasztó és rövidrezáró eszköz
Legmagasabb tartós feszültség: 600 V DC
Legnagyobb PV feszültség: <= 1200 V DC
Teljes levezetési áram: 30 kA
Hibajelzés

Gyártó: DEHN
Típus: DG MOD PV SCI 600
Cikksz.: 952054
vagy egyenértékű.

Certificates

 

Circuit Interruption

The backup fuse is already integrated here. This means: reduced space requirement, lower installation costs, faster wiring, and shorter connecting cables. This concept can be found in the product ranges DEHNvenCI, DEHNbloc Maxi S, DEHNguard ... CI and V(A) NH...

Direct Current-Disconnection

When using surge arresters in d.c. applications, disconnection must be reliably ensured even if there are no zero crossings. The specifically developed DC Disconnection (DCD) technology acts as a wedge similar to a blocking valve and interrupts the direct current. Consequently, the devices of the DEHNguard SE DC series are capable of safely interrupting direct currents, thus preventing fire damage caused by d.c. switching arcs.

SCI-Technology

The patented SCI technology with active arc extinction allows to actively, quickly and safely extinguish a possible switching arc in case of overload. The PV fuse integrated in the short-circuit path trips immediately after the arc has been extinguished, thus ensuring safe electrical isolation (interruption). Consequently, all PV arresters from DEHN combine surge protection, fire protection and personal protection in a single device

Technical data

Névleges levezetési áram (8/20 µs) (In ) 12,5 kA
Legnagyobb levezetési áram (8/20 µs) (Imax ) 25 kA
Legnagyobb folyamatos üzemi feszültség DC (UC ) 600 V

Product 952054 was added to Notepad.

Product 952054 was added to the cart.


Varisztor alapú védőmodul DEHNguard M YPV és DEHNguard S PV számára

3 Products

Part No. 952045 DG MOD PV 75

GTIN 4013364141827, Customs tariff No. (EU): 85363030, Gross weight: 40.20 g, PU: 1.00 db.


Images

Additional information

Varisztoros védőmodul DG MOD PV 75
Dugaszolható védőmodul DEHNguard
M YPV SCI és S PV SCI számára
Besorolás 2. típusú levezető az MSZ EN 50539-11 szerint
Red/Line termékcsalád
Nagyteljesítményű varisztor technológia
Legmagasabb tartós feszültség: 75 V DC
Névleges levezetési lökőáram: 10 kA
Hibajelzés

Gyártó: DEHN
Típus: DG MOD PV 75
Cikksz.: 952045
vagy egyenértékű.

Certificates

 

Circuit Interruption

The backup fuse is already integrated here. This means: reduced space requirement, lower installation costs, faster wiring, and shorter connecting cables. This concept can be found in the product ranges DEHNvenCI, DEHNbloc Maxi S, DEHNguard ... CI and V(A) NH...

Direct Current-Disconnection

When using surge arresters in d.c. applications, disconnection must be reliably ensured even if there are no zero crossings. The specifically developed DC Disconnection (DCD) technology acts as a wedge similar to a blocking valve and interrupts the direct current. Consequently, the devices of the DEHNguard SE DC series are capable of safely interrupting direct currents, thus preventing fire damage caused by d.c. switching arcs.

SCI-Technology

The patented SCI technology with active arc extinction allows to actively, quickly and safely extinguish a possible switching arc in case of overload. The PV fuse integrated in the short-circuit path trips immediately after the arc has been extinguished, thus ensuring safe electrical isolation (interruption). Consequently, all PV arresters from DEHN combine surge protection, fire protection and personal protection in a single device

Technical data

Névleges levezetési áram (8/20 µs) (In ) 10 kA
Legnagyobb levezetési áram (8/20 µs) (Imax ) 40 kA
Legnagyobb folyamatos üzemi feszültség DC (UC ) 75 V

Product 952045 was added to Notepad.

Product 952045 was added to the cart.

Part No. 952041 DG MOD PV 500

GTIN 4013364141841, Customs tariff No. (EU): 85363030, Gross weight: 60.19 g, PU: 1.00 db.


Images

Additional information

Varisztoros védőmodul DG MOD PV 500
Dugaszolható védőmodul DEHNguard
M YPV SCI és S PV SCI számára
Besorolás 2. típusú levezető az MSZ EN 61643-31 szerint
Red/Line termékcsalád
Nagyteljesítményű varisztor technológia
Legmagasabb tartós feszültség: 500 V DC
Névleges levezetési lökőáram: 20 kA
Hibajelzés

Gyártó: DEHN
Típus: DG MOD PV 500
Cikksz.: 952041
vagy egyenértékű.

Certificates

 

Circuit Interruption

The backup fuse is already integrated here. This means: reduced space requirement, lower installation costs, faster wiring, and shorter connecting cables. This concept can be found in the product ranges DEHNvenCI, DEHNbloc Maxi S, DEHNguard ... CI and V(A) NH...

Direct Current-Disconnection

When using surge arresters in d.c. applications, disconnection must be reliably ensured even if there are no zero crossings. The specifically developed DC Disconnection (DCD) technology acts as a wedge similar to a blocking valve and interrupts the direct current. Consequently, the devices of the DEHNguard SE DC series are capable of safely interrupting direct currents, thus preventing fire damage caused by d.c. switching arcs.

SCI-Technology

The patented SCI technology with active arc extinction allows to actively, quickly and safely extinguish a possible switching arc in case of overload. The PV fuse integrated in the short-circuit path trips immediately after the arc has been extinguished, thus ensuring safe electrical isolation (interruption). Consequently, all PV arresters from DEHN combine surge protection, fire protection and personal protection in a single device

Technical data

Névleges levezetési áram (8/20 µs) (In ) 20 kA
Legnagyobb levezetési áram (8/20 µs) (Imax ) 40 kA
Legnagyobb folyamatos üzemi feszültség DC (UC ) 500 V

Product 952041 was added to Notepad.

Product 952041 was added to the cart.

Part No. 952044 DG MOD PV 600

GTIN 4013364141858, Customs tariff No. (EU): 85363030, Gross weight: 69.49 g, PU: 1.00 db.


Images

Additional information

Varisztoros védőmodul DG MOD PV 600
Dugaszolható védőmodul DEHNguard
M YPV SCI és S PV SCI számára
Besorolás 2. típusú levezető az EN 61643-31 szerint
Red/Line termékcsalád
Nagyteljesítményű varisztor technológia
Legmagasabb tartós feszültség: 600 V DC
Névleges levezetési lökőáram: 15 kA
Hibajelzés

Gyártó: DEHN
Típus: DG MOD PV 600
Cikksz.: 952044
vagy egyenértékű.

Certificates

 

Circuit Interruption

The backup fuse is already integrated here. This means: reduced space requirement, lower installation costs, faster wiring, and shorter connecting cables. This concept can be found in the product ranges DEHNvenCI, DEHNbloc Maxi S, DEHNguard ... CI and V(A) NH...

Direct Current-Disconnection

When using surge arresters in d.c. applications, disconnection must be reliably ensured even if there are no zero crossings. The specifically developed DC Disconnection (DCD) technology acts as a wedge similar to a blocking valve and interrupts the direct current. Consequently, the devices of the DEHNguard SE DC series are capable of safely interrupting direct currents, thus preventing fire damage caused by d.c. switching arcs.

SCI-Technology

The patented SCI technology with active arc extinction allows to actively, quickly and safely extinguish a possible switching arc in case of overload. The PV fuse integrated in the short-circuit path trips immediately after the arc has been extinguished, thus ensuring safe electrical isolation (interruption). Consequently, all PV arresters from DEHN combine surge protection, fire protection and personal protection in a single device

Technical data

Névleges levezetési áram (8/20 µs) (In ) 15 kA
Legnagyobb levezetési áram (8/20 µs) (Imax ) 30 kA
Legnagyobb folyamatos üzemi feszültség DC (UC ) 600 V

Product 952044 was added to Notepad.

Product 952044 was added to the cart.


Varisztor alapú védelmi modul DEHNguard ME YPV SCI és DEHNguard SE PV SCI készülékhez

1 Product

Part No. 952056 DG MOD E PV SCI 750

GTIN 4013364149106, Customs tariff No. (EU): 85363030, Gross weight: 82.70 g, PU: 1.00 db.


Images

Additional information

Varisztoros védőmodul DG MOD E PV SCI 750
Dugaszolható védőmodul DEHNguard
ME YPV SCI és SE PV SCI számára
Besorolás 2. típusú levezető az MSZ EN 50539-11 szerint
Red/Line termékcsalád
Nagyteljesítményű varisztor technológia
Legmagasabb tartós feszültség: 750 V DC
Névleges levezetési lökőáram: 12,5 kA
Hibajelzés

Gyártó: DEHN
Típus: DG MOD E PV SCI 750
Cikksz.: 952056
vagy egyenértékű.

Certificates

 

Circuit Interruption

The backup fuse is already integrated here. This means: reduced space requirement, lower installation costs, faster wiring, and shorter connecting cables. This concept can be found in the product ranges DEHNvenCI, DEHNbloc Maxi S, DEHNguard ... CI and V(A) NH...

Direct Current-Disconnection

When using surge arresters in d.c. applications, disconnection must be reliably ensured even if there are no zero crossings. The specifically developed DC Disconnection (DCD) technology acts as a wedge similar to a blocking valve and interrupts the direct current. Consequently, the devices of the DEHNguard SE DC series are capable of safely interrupting direct currents, thus preventing fire damage caused by d.c. switching arcs.

SCI-Technology

The patented SCI technology with active arc extinction allows to actively, quickly and safely extinguish a possible switching arc in case of overload. The PV fuse integrated in the short-circuit path trips immediately after the arc has been extinguished, thus ensuring safe electrical isolation (interruption). Consequently, all PV arresters from DEHN combine surge protection, fire protection and personal protection in a single device

Technical data

Névleges levezetési áram (8/20 µs) (In ) 12,5 kA
Legnagyobb levezetési áram (8/20 µs) (Imax ) 25 kA
Legnagyobb folyamatos üzemi feszültség DC (UC ) 750 V

Product 952056 was added to Notepad.

Product 952056 was added to the cart.


Varisztor alapú védelmi modul DEHNguard SE H ... készülékekhez

4 Products

Part No. 952900 DG MOD E H LI 275

GTIN 4013364158801, Customs tariff No. (EU): 85363030, Gross weight: 90.00 g, PU: 1.00 db.


Images

Additional information

DG MOD E H LI 275 varisztor alapú védelmi modul
Dugaszolható védelmi modul DEHNguard
SE H LI 275 FM készülékekhez
háromlépcsős korai figyelmeztető rendszerrel
2.típusú SPD az MSZ EN 61643-11 szerint
Nagyteljesítményű varisztor technológia
Legnagyobb folyamatos üzemi feszültség: 275 V DC
Névleges levezetési áram: 30 kA
Élettartam kijelzés

Gyártó: DEHN
Típus: DG MOD E H LI 275
Cikksz.: 952900
vagy egyenértékű.

 

Circuit Interruption

The backup fuse is already integrated here. This means: reduced space requirement, lower installation costs, faster wiring, and shorter connecting cables. This concept can be found in the product ranges DEHNvenCI, DEHNbloc Maxi S, DEHNguard ... CI and V(A) NH...

Direct Current-Disconnection

When using surge arresters in d.c. applications, disconnection must be reliably ensured even if there are no zero crossings. The specifically developed DC Disconnection (DCD) technology acts as a wedge similar to a blocking valve and interrupts the direct current. Consequently, the devices of the DEHNguard SE DC series are capable of safely interrupting direct currents, thus preventing fire damage caused by d.c. switching arcs.

SCI-Technology

The patented SCI technology with active arc extinction allows to actively, quickly and safely extinguish a possible switching arc in case of overload. The PV fuse integrated in the short-circuit path trips immediately after the arc has been extinguished, thus ensuring safe electrical isolation (interruption). Consequently, all PV arresters from DEHN combine surge protection, fire protection and personal protection in a single device

Technical data

Névleges levezetési áram (8/20 µs) (In ) 30 kA
Legnagyobb levezetési áram (8/20 µs) (Imax ) 65 kA
Legnagyobb folyamatos üzemi feszültség AC (UC ) 275 V

Product 952900 was added to Notepad.

Product 952900 was added to the cart.

Part No. 952907 DG MOD E H LI 1000

GTIN 4013364158856, Customs tariff No. (EU): 85363030, Gross weight: 130.00 g, PU: 1.00 db.


Images

Additional information

DG MOD E H LI 1000 varisztor alapú védelmi modul
Dugaszolható védelmi modul DEHNguard
SE H LI 1000 FM készülékekhez
háromlépcsős korai figyelmeztető rendszerrel
2.típusú SPD az MSZ EN 61643-11 szerint
Nagyteljesítményű varisztor technológia
Legnagyobb folyamatos üzemi feszültség: 1000 V DC
Névleges levezetési áram: 20 kA
Kódolt védelmi modul

Gyártó: DEHN
Típus: DG MOD E H LI 1000
Cikksz.: 952907
vagy egyenértékű.

 

Circuit Interruption

The backup fuse is already integrated here. This means: reduced space requirement, lower installation costs, faster wiring, and shorter connecting cables. This concept can be found in the product ranges DEHNvenCI, DEHNbloc Maxi S, DEHNguard ... CI and V(A) NH...

Direct Current-Disconnection

When using surge arresters in d.c. applications, disconnection must be reliably ensured even if there are no zero crossings. The specifically developed DC Disconnection (DCD) technology acts as a wedge similar to a blocking valve and interrupts the direct current. Consequently, the devices of the DEHNguard SE DC series are capable of safely interrupting direct currents, thus preventing fire damage caused by d.c. switching arcs.

SCI-Technology

The patented SCI technology with active arc extinction allows to actively, quickly and safely extinguish a possible switching arc in case of overload. The PV fuse integrated in the short-circuit path trips immediately after the arc has been extinguished, thus ensuring safe electrical isolation (interruption). Consequently, all PV arresters from DEHN combine surge protection, fire protection and personal protection in a single device

Technical data

Névleges levezetési áram (8/20 µs) (In ) 20 kA
Legnagyobb levezetési áram (8/20 µs) (Imax ) 40 kA
Legnagyobb folyamatos üzemi feszültség AC (UC ) 1000 V

Product 952907 was added to Notepad.

Product 952907 was added to the cart.

Part No. 952908 DG MOD E H 1000

GTIN 4013364264526, Customs tariff No. (EU): 85363030, Gross weight: 123.00 g, PU: 1.00 db.


Images

Additional information

DG MOD E H 1000 varisztor alapú védelmi modul
Dugaszolható védelmi modul DEHNguard
SE H 1000 FM készülékekhez
2.típusú SPD az MSZ EN 61643-11 szerint
Nagyteljesítményű varisztor technológia
Legnagyobb folyamatos üzemi feszültség: 1000 V DC
Névleges levezetési áram: 20 kA
Hibajelzés

Gyártó: DEHN
Típus: DG MOD E H 1000
Cikksz.: 952908
vagy egyenértékű.

Certificates

 

Circuit Interruption

The backup fuse is already integrated here. This means: reduced space requirement, lower installation costs, faster wiring, and shorter connecting cables. This concept can be found in the product ranges DEHNvenCI, DEHNbloc Maxi S, DEHNguard ... CI and V(A) NH...

Direct Current-Disconnection

When using surge arresters in d.c. applications, disconnection must be reliably ensured even if there are no zero crossings. The specifically developed DC Disconnection (DCD) technology acts as a wedge similar to a blocking valve and interrupts the direct current. Consequently, the devices of the DEHNguard SE DC series are capable of safely interrupting direct currents, thus preventing fire damage caused by d.c. switching arcs.

SCI-Technology

The patented SCI technology with active arc extinction allows to actively, quickly and safely extinguish a possible switching arc in case of overload. The PV fuse integrated in the short-circuit path trips immediately after the arc has been extinguished, thus ensuring safe electrical isolation (interruption). Consequently, all PV arresters from DEHN combine surge protection, fire protection and personal protection in a single device

Technical data

Névleges levezetési áram (8/20 µs) (In ) 20 kA
Legnagyobb levezetési áram (8/20 µs) (Imax ) 40 kA
Legnagyobb folyamatos üzemi feszültség AC (UC ) 1000 V

Product 952908 was added to Notepad.

Product 952908 was added to the cart.

Part No. 952918 DG MOD E H 1000 VA

GTIN 4013364308336, Customs tariff No. (EU): 85363030, Gross weight: 130.00 g, PU: 1.00 db.


Images

Additional information

DG MOD E 1000 VA varisztor alapú védelmi modul
Dugaszolható védelmi modul DEHNguard
SE H 1000 VA FM készülékekhez
2.típusú SPD az MSZ EN 61643-11 szerint
Nagyteljesítményű varisztor technológia
Legnagyobb folyamatos üzemi feszültség: 1000 V DC
Névleges levezetési áram: 15 kA
Hibajelzés

Gyártó: DEHN
Típus: DG MOD E H 1000 VA
Cikksz.: 952918
vagy egyenértékű.

Certificates

 

Circuit Interruption

The backup fuse is already integrated here. This means: reduced space requirement, lower installation costs, faster wiring, and shorter connecting cables. This concept can be found in the product ranges DEHNvenCI, DEHNbloc Maxi S, DEHNguard ... CI and V(A) NH...

Direct Current-Disconnection

When using surge arresters in d.c. applications, disconnection must be reliably ensured even if there are no zero crossings. The specifically developed DC Disconnection (DCD) technology acts as a wedge similar to a blocking valve and interrupts the direct current. Consequently, the devices of the DEHNguard SE DC series are capable of safely interrupting direct currents, thus preventing fire damage caused by d.c. switching arcs.

SCI-Technology

The patented SCI technology with active arc extinction allows to actively, quickly and safely extinguish a possible switching arc in case of overload. The PV fuse integrated in the short-circuit path trips immediately after the arc has been extinguished, thus ensuring safe electrical isolation (interruption). Consequently, all PV arresters from DEHN combine surge protection, fire protection and personal protection in a single device

Technical data

Névleges levezetési áram (8/20 µs) (In ) 15 kA
Legnagyobb levezetési áram (8/20 µs) (Imax ) 40 kA
Legnagyobb folyamatos üzemi feszültség AC (UC ) 1000 V

Product 952918 was added to Notepad.

Product 952918 was added to the cart.


Varisztor alapú védelmi modul DEHNguard SE DC készülékekhez

4 Products

Part No. 972010 DG MOD E DC 60

GTIN 4013364158672, Customs tariff No. (EU): 85363030, Gross weight: 65.00 g, PU: 1.00 db.


Images

Additional information

DG MOD E DC 60 varisztor alapú védelmi modul
Dugaszolható védelmi modul DEHNguard
SE SE DC ... (FM) készülékekhez
2.típusú SPD az MSZ EN 61643-11 szerint
Nagyteljesítményű varisztor technológia
Kifejezetten egyenáramú áramkörökre fejlesztett
Legnagyobb folyamatos üzemi feszültség: 60 V DC
Névleges levezetési áram: 12,5 kA
Hibajelzés

Gyártó: DEHN
Típus: DG MOD E DC 60
Cikksz.: 972010
vagy egyenértékű.

 

Circuit Interruption

The backup fuse is already integrated here. This means: reduced space requirement, lower installation costs, faster wiring, and shorter connecting cables. This concept can be found in the product ranges DEHNvenCI, DEHNbloc Maxi S, DEHNguard ... CI and V(A) NH...

Direct Current-Disconnection

When using surge arresters in d.c. applications, disconnection must be reliably ensured even if there are no zero crossings. The specifically developed DC Disconnection (DCD) technology acts as a wedge similar to a blocking valve and interrupts the direct current. Consequently, the devices of the DEHNguard SE DC series are capable of safely interrupting direct currents, thus preventing fire damage caused by d.c. switching arcs.

SCI-Technology

The patented SCI technology with active arc extinction allows to actively, quickly and safely extinguish a possible switching arc in case of overload. The PV fuse integrated in the short-circuit path trips immediately after the arc has been extinguished, thus ensuring safe electrical isolation (interruption). Consequently, all PV arresters from DEHN combine surge protection, fire protection and personal protection in a single device

Technical data

Névleges levezetési áram (8/20 µs) (In ) 12,5 kA
Legnagyobb folyamatos üzemi feszültség DC (UC ) 60 V

Product 972010 was added to Notepad.

Product 972010 was added to the cart.

Part No. 972020 DG MOD E DC 242

GTIN 4013364158702, Customs tariff No. (EU): 85363030, Gross weight: 75.00 g, PU: 1.00 db.


Images

Additional information

DG MOD E DC 242 varisztor alapú védelmi modul
Dugaszolható védelmi modul DEHNguard
SE SE DC ... (FM) készülékekhez
2.típusú SPD az MSZ EN 61643-11 szerint
Nagyteljesítményű varisztor technológia
Kifejezetten egyenáramú áramkörökre fejlesztett
Legnagyobb folyamatos üzemi feszültség: 242 V DC
Névleges levezetési áram: 12,5 kA
Hibajelzés

Gyártó: DEHN
Típus: DG MOD E DC 242
Cikksz.: 972020
vagy egyenértékű.

Certificates

 

Circuit Interruption

The backup fuse is already integrated here. This means: reduced space requirement, lower installation costs, faster wiring, and shorter connecting cables. This concept can be found in the product ranges DEHNvenCI, DEHNbloc Maxi S, DEHNguard ... CI and V(A) NH...

Direct Current-Disconnection

When using surge arresters in d.c. applications, disconnection must be reliably ensured even if there are no zero crossings. The specifically developed DC Disconnection (DCD) technology acts as a wedge similar to a blocking valve and interrupts the direct current. Consequently, the devices of the DEHNguard SE DC series are capable of safely interrupting direct currents, thus preventing fire damage caused by d.c. switching arcs.

SCI-Technology

The patented SCI technology with active arc extinction allows to actively, quickly and safely extinguish a possible switching arc in case of overload. The PV fuse integrated in the short-circuit path trips immediately after the arc has been extinguished, thus ensuring safe electrical isolation (interruption). Consequently, all PV arresters from DEHN combine surge protection, fire protection and personal protection in a single device

Technical data

Névleges levezetési áram (8/20 µs) (In ) 12,5 kA
Legnagyobb folyamatos üzemi feszültség DC (UC ) 242 V

Product 972020 was added to Notepad.

Product 972020 was added to the cart.

Part No. 972030 DG MOD E DC 550

GTIN 4013364158719, Customs tariff No. (EU): 85363030, Gross weight: 89.00 g, PU: 1.00 db.


Images

Additional information

DG MOD E DC 550 varisztor alapú védelmi modul
Dugaszolható védelmi modul DEHNguard
SE SE DC ... (FM) készülékekhez
2.típusú SPD az MSZ EN 61643-11 szerint
Nagyteljesítményű varisztor technológia
Kifejezetten egyenáramú áramkörökre fejlesztett
Legnagyobb folyamatos üzemi feszültség: 550 V DC
Névleges levezetési áram: 12,5 kA
Hibajelzés

Gyártó: DEHN
Típus: DG MOD E DC 550
Cikksz.: 972030
vagy egyenértékű.

Certificates

 

Circuit Interruption

The backup fuse is already integrated here. This means: reduced space requirement, lower installation costs, faster wiring, and shorter connecting cables. This concept can be found in the product ranges DEHNvenCI, DEHNbloc Maxi S, DEHNguard ... CI and V(A) NH...

Direct Current-Disconnection

When using surge arresters in d.c. applications, disconnection must be reliably ensured even if there are no zero crossings. The specifically developed DC Disconnection (DCD) technology acts as a wedge similar to a blocking valve and interrupts the direct current. Consequently, the devices of the DEHNguard SE DC series are capable of safely interrupting direct currents, thus preventing fire damage caused by d.c. switching arcs.

SCI-Technology

The patented SCI technology with active arc extinction allows to actively, quickly and safely extinguish a possible switching arc in case of overload. The PV fuse integrated in the short-circuit path trips immediately after the arc has been extinguished, thus ensuring safe electrical isolation (interruption). Consequently, all PV arresters from DEHN combine surge protection, fire protection and personal protection in a single device

Technical data

Névleges levezetési áram (8/20 µs) (In ) 12,5 kA
Legnagyobb folyamatos üzemi feszültség DC (UC ) 550 V

Product 972030 was added to Notepad.

Product 972030 was added to the cart.

Part No. 972040 DG MOD E DC 900

GTIN 4013364158764, Customs tariff No. (EU): 85363030, Gross weight: 95.00 g, PU: 1.00 db.


Images

Additional information

DG MOD E DC 900 varisztor alapú védelmi modul
Dugaszolható védelmi modul DEHNguard
SE SE DC ... (FM) készülékekhez
2.típusú SPD az MSZ EN 61643-11 szerint
Nagyteljesítményű varisztor technológia
Kifejezetten egyenáramú áramkörökre fejlesztett
Legnagyobb folyamatos üzemi feszültség: 900 V DC
Névleges levezetési áram: 12,5 kA
Hibajelzés

Gyártó: DEHN
Típus: DG MOD E DC 900
Cikksz.: 972040
vagy egyenértékű.

Certificates

 

Circuit Interruption

The backup fuse is already integrated here. This means: reduced space requirement, lower installation costs, faster wiring, and shorter connecting cables. This concept can be found in the product ranges DEHNvenCI, DEHNbloc Maxi S, DEHNguard ... CI and V(A) NH...

Direct Current-Disconnection

When using surge arresters in d.c. applications, disconnection must be reliably ensured even if there are no zero crossings. The specifically developed DC Disconnection (DCD) technology acts as a wedge similar to a blocking valve and interrupts the direct current. Consequently, the devices of the DEHNguard SE DC series are capable of safely interrupting direct currents, thus preventing fire damage caused by d.c. switching arcs.

SCI-Technology

The patented SCI technology with active arc extinction allows to actively, quickly and safely extinguish a possible switching arc in case of overload. The PV fuse integrated in the short-circuit path trips immediately after the arc has been extinguished, thus ensuring safe electrical isolation (interruption). Consequently, all PV arresters from DEHN combine surge protection, fire protection and personal protection in a single device

Technical data

Névleges levezetési áram (8/20 µs) (In ) 12,5 kA
Legnagyobb folyamatos üzemi feszültség DC (UC ) 900 V

Product 972040 was added to Notepad.

Product 972040 was added to the cart.


back to top