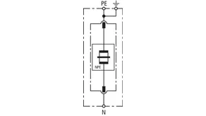
DEHNgap

  • Levezetési áramimpulzus akár 100 kA (10/350 µs)
  • Összegáram-levezető N nullavezető és PE védőföldvezető között, melyet kifejezetten a TT rendszerek 3+1 illetve 1+1 kapcsolásokhoz terveztek az MSZ HD 60364-5-534 szabvány szerint
  • Kúszószikraköz-technológia
  • Működési állapot-/hiba jelzése zöld/piros színnel kémlelőablakban

Details

lorem ipsum

DEHNgap M 255 (FM)

Koordinált, moduláris egypólusú N-PE villámáram-levezető UC = 255 V üzemi feszültséghez; opcionálisan távjelző érintkezővel felügyelet számára (potenciálfüggetlen váltóérintkező)

2 Products

Part No. 961101 DGP M 255

GTIN 4013364118676, Customs tariff No. (EU): 85363030, Gross weight: 331.00 g, PU: 1.00 db.

Predecessor

Images

Additional information

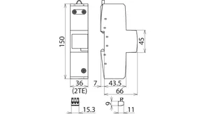
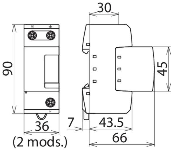
Koordinált DEHNgap M 255 N-PE villámáram-levezető
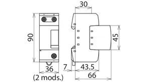
Moduláris, dugaszolható és egypólusú N-PE villámáram-
levezető, beépítési méretek: 2 modul
1.típusú SPD az MSZ EN 61643-11 szabvány szerint
Nyomásvezérelt tokozott kúszószikraköz
Hibajelzés
Villámáram-impulzus (10/350): 100 kA
Védelmi feszültségszint: <= 1.5 kV
Utánfolyóáram kioltási képesség: 100 kArms at 255 V a.c.
Időszakos túlfeszültség (TOV): 1200 V/200 ms
Energetikailag koordinált az MSZ EN 62305-4 szabvány szerint
a DEHNgap C S N-PE Red/Line termékcsalád levezetőivel

Gyártó: DEHN
Típus: DGP M 255
Cikksz.: 961101
vagy egyenértékű.

Certificates

 

Wave breaker function

In the case of spark-gap-based type 1 arresters, the entire current flows through the type 1 arrester during the discharge process. Like a wave breaker, the incoming energy is greatly broken down, which significantly relieves the downstream SPDs. All type 1 arresters in the Red/Line product range feature the WBF wave breaker function.

Technical data

Legnagyobb folyamatos üzemi feszültség AC (UC ) 255 V (50 / 60 Hz)
Levezetési áramimpulzus (10/350 µs) (Iimp ) 100 kA
Védelmi feszültségszint (UP ) ≤ 1,5 kV
Tanúsítványok VDE, KEMA, UL

Product 961101 was added to Notepad.

Product 961101 was added to the cart.

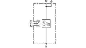
Part No. 961105 DGP M 255 FM

GTIN 4013364118683, Customs tariff No. (EU): 85363030, Gross weight: 336.00 g, PU: 1.00 db.

Predecessor

Images

Additional information

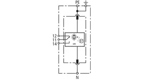
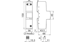
Koordinált DEHNgap M 255 FM N-PE villámáram-levezető
Egypólusú, moduláris, dugaszolható N-PE villámáram-
levezető, szélesség: 2 modul
távjelző érintkezővel
1. Típusú levezető az EN 61643-11 szerint
RADAX Flow szikraköz technológia
Hibajelzés
Jelölés a betekintő ablakban
Villámáram impulzus (10/350): 100 kA
Védelmi feszültségszint: <= 1,5 kV
Utánfolyó zárlati áramkioltó képesség: 100 Aeff 255 V ac esetén
TOV-szilárdság: 1200 V/200 ms
Energetikai koordináció az DIN EN 62305-4 szerint
közvetlenül az N-PE levezetőhöz a DEHNgap C S Red/Line termékcsaládban

Gyártó: DEHN
Típus: DGP M 255 FM
Cikksz.: 961105
vagy egyenértékű.

Certificates

 

Wave breaker function

In the case of spark-gap-based type 1 arresters, the entire current flows through the type 1 arrester during the discharge process. Like a wave breaker, the incoming energy is greatly broken down, which significantly relieves the downstream SPDs. All type 1 arresters in the Red/Line product range feature the WBF wave breaker function.

Technical data

SPD típus/osztály az MSZ EN 61643-11 / ... IEC 61643-11 alapján 1.típus / I.osztály
Legnagyobb folyamatos üzemi feszültség AC (UC ) 255 V (50 / 60 Hz)
Levezetési áramimpulzus (10/350 µs) (Iimp ) 100 kA
Védelmi feszültségszint (UP ) ≤ 1,5 kV
Tanúsítványok VDE, KEMA, UL
Jelzőérintkező / Érintkezőtípus váltóérintkező

Product 961105 was added to Notepad.

Product 961105 was added to the cart.


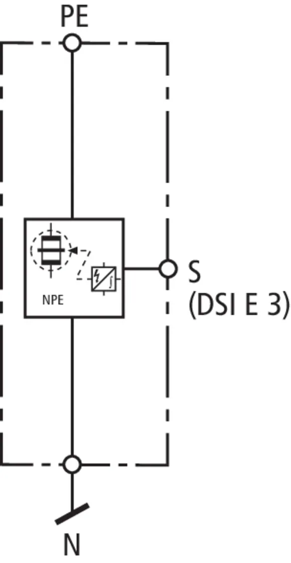
DEHNgap Maxi 1 255 S

Koordinált egypólusú N-PE villámáram-levezető gyűjtősínekhez.

1 Product

Part No. 900050 DGPM 1 255 S

GTIN 4013364107496, Customs tariff No. (EU): 85363090, Gross weight: 539.00 g, PU: 1.00 db.


Images

Additional information

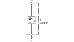
DEHNgap Maxi 1 255 S N-PE villámáram-levezető
Egypólusú, koordinált N-PE villámáram-levezető
ipari gyűjtősínrendszerekhez
1. Típusú levezető az EN 61643-11 szerint
RADAX Flow szikraköz technológia
Legmagasabb tartós feszültség: 255 V AC
Védelmi feszültségszint: <= 2,5 kV (tartalmaz 80 cm csatlakozóvezetéket)
Villámáram impulzus (10/350): 100 kA
Utánfolyó zárlati áramkioltó képesség: 100 Aeff
TOV-szilárdság: 1200 V/200 ms
Energetikailag koordinált DIN EN 62305-4 szabvány
Red/Line-család levezetője
Szerelés min. 35 mm2-es N gyűjtősínre
Beépítési méretek (Sz x Ma x Mé): (72 x 89 x 100) mm

Gyártó: DEHN
Típus: DGPM 1 255 S
Cikksz.: 900050
vagy egyenértékű.

Certificates

 

Wave breaker function

In the case of spark-gap-based type 1 arresters, the entire current flows through the type 1 arrester during the discharge process. Like a wave breaker, the incoming energy is greatly broken down, which significantly relieves the downstream SPDs. All type 1 arresters in the Red/Line product range feature the WBF wave breaker function.

Technical data

SPD típus/osztály az MSZ EN 61643-11 / ... IEC 61643-11 alapján 1.típus / I. osztály
Legnagyobb folyamatos üzemi feszültség AC (UC ) 255 V (50 / 60 Hz)
Levezetési áramimpulzus (10/350 µs) (Iimp ) 100 kA
Védelmi feszültségszint (UP ) ≤ 2.5 kV (beleértve egy 80cm-es kábelszakaszt)
Működésfelügyelet DEHNsignal DSI E 3 segítségével

Product 900050 was added to Notepad.

Product 900050 was added to the cart.


DEHNgap Maxi 1 255 (FM)

Koordinált egypólusú N-PE villámáram-levezető.; FM változat potenciálfüggetlen távjelző érintkezővel.

2 Products

Part No. 961180 DGPM 1 255

GTIN 4013364157323, Customs tariff No. (EU): 85363090, Gross weight: 460.00 g, PU: 1.00 db.


Images

Additional information

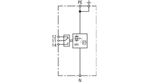
DEHNgap Maxi 1 255 N-PE villámáram-levezető
Koordinált N-PE villámáram-levezető, szélesség 2 modul
1. Típusú levezető az EN 61643-11 szerint
RADAX Flow szikraköz technológia
Hibajelzés
Villámáram impulzus (10/350): 100 kA
Védelmi feszültségszint: <= 1,5 kV
Utánfolyó zárlati áramkioltó képesség: 100 Aeff 255 V ac esetén
TOV-szilárdság: 1200 V/200 ms

Gyártó: DEHN
Típus: DGPM 1 255
Cikksz.: 961180
vagy egyenértékű.

Certificates

 

Wave breaker function

In the case of spark-gap-based type 1 arresters, the entire current flows through the type 1 arrester during the discharge process. Like a wave breaker, the incoming energy is greatly broken down, which significantly relieves the downstream SPDs. All type 1 arresters in the Red/Line product range feature the WBF wave breaker function.

Technical data

SPD típus/osztály az MSZ EN 61643-11 / ... IEC 61643-11 alapján 1.típus + 2.típus/ I.osztály + II.osztály
Legnagyobb folyamatos üzemi feszültség AC (UC ) 255 V (50 / 60 Hz)
Levezetési áramimpulzus (10/350 µs) (Iimp ) 100 kA
Védelmi feszültségszint (UP ) ≤ 1,5 kV
Tanúsítványok KEMA

Product 961180 was added to Notepad.

Product 961180 was added to the cart.

Part No. 961185 DGPM 1 255 FM

GTIN 4013364157330, Customs tariff No. (EU): 85363090, Gross weight: 460.00 g, PU: 1.00 db.


Images

Additional information

DEHNgap Maxi 1 255 FM N-PE villámáram-levezető
Koordinált N-PE villámáram-levezető, szélesség 2 modul
távjelző érintkezővel
1. Típusú levezető az EN 61643-11 szerint
RADAX Flow szikraköz technológia
Hibajelzés
Villámáram impulzus (10/350): 100 kA
Védelmi feszültségszint: <= 1,5 kV
Utánfolyó zárlati áramkioltó képesség: 100 Aeff 255 V ac esetén
TOV-szilárdság: 1200 V/200 ms

Gyártó: DEHN
Típus: DGPM 1 255 FM
Cikksz.: 961185
vagy egyenértékű.

Certificates

 

Wave breaker function

In the case of spark-gap-based type 1 arresters, the entire current flows through the type 1 arrester during the discharge process. Like a wave breaker, the incoming energy is greatly broken down, which significantly relieves the downstream SPDs. All type 1 arresters in the Red/Line product range feature the WBF wave breaker function.

Technical data

SPD típus/osztály az MSZ EN 61643-11 / ... IEC 61643-11 alapján 1.típus + 2.típus/ I.osztály + II.osztály
Legnagyobb folyamatos üzemi feszültség AC (UC ) 255 V (50 / 60 Hz)
Levezetési áramimpulzus (10/350 µs) (Iimp ) 100 kA
Védelmi feszültségszint (UP ) ≤ 1,5 kV
Tanúsítványok KEMA
Jelzőérintkező / Érintkezőtípus váltóérintkező

Product 961185 was added to Notepad.

Product 961185 was added to the cart.


DEHNgap Maxi 440 (FM)

Koordinált egypólusú N-PE villámáram-levezető; FM változat potenciálfüggetlen váltóérintkezővel.

2 Products

Part No. 961160 DGPM 440

GTIN 4013364116290, Customs tariff No. (EU): 85363030, Gross weight: 415.00 g, PU: 1.00 db.


Images

Additional information

DEHNgap Maxi 440 N-PE villámáram-levezető
Koordinált N-PE villámáram-levezető, szélesség 2 modul
1. Típusú levezető az EN 61643-11 szerint
RADAX Flow szikraköz technológia
Hibajelzés
Villámáram impulzus (10/350): 100 kA
Védelmi feszültségszint: <= 2,5 kV
Utánfolyó zárlati áramkioltó képesség: 100 Aeff 440 V ac esetén
TOV-szilárdság: 1200 V/200 ms

Gyártó: DEHN
Típus: DGPM 440
Cikksz.: 961160
vagy egyenértékű.

 

Wave breaker function

In the case of spark-gap-based type 1 arresters, the entire current flows through the type 1 arrester during the discharge process. Like a wave breaker, the incoming energy is greatly broken down, which significantly relieves the downstream SPDs. All type 1 arresters in the Red/Line product range feature the WBF wave breaker function.

Technical data

Legnagyobb folyamatos üzemi feszültség AC (UC ) 440 V (50 / 60 Hz)
Levezetési áramimpulzus (10/350 µs) (Iimp ) 100 kA
Védelmi feszültségszint (UP ) ≤ 2,5 kV
Tanúsítványok UL

Product 961160 was added to Notepad.

Product 961160 was added to the cart.

Part No. 961165 DGPM 440 FM

GTIN 4013364116306, Customs tariff No. (EU): 85363030, Gross weight: 418.00 g, PU: 1.00 db.


Images

Additional information

DEHNgap Maxi 440 FM N-PE villámáram-levezető
Koordinált N-PE villámáram-levezető, szélesség 2 modul
távjelző érintkezővel
1. Típusú levezető az EN 61643-11 szerint
RADAX Flow szikraköz technológia
Hibajelzés
Villámáram impulzus (10/350): 100 kA
Védelmi feszültségszint: <= 2,5 kV
Utánfolyó zárlati áramkioltó képesség: 100 Aeff 440 V ac esetén
TOV-szilárdság: 1200 V/200 ms

Gyártó: DEHN
Típus: DGPM 440 FM
Cikksz.: 961165
vagy egyenértékű.

Certificates

 

Wave breaker function

In the case of spark-gap-based type 1 arresters, the entire current flows through the type 1 arrester during the discharge process. Like a wave breaker, the incoming energy is greatly broken down, which significantly relieves the downstream SPDs. All type 1 arresters in the Red/Line product range feature the WBF wave breaker function.

Technical data

Legnagyobb folyamatos üzemi feszültség AC (UC ) 440 V (50 / 60 Hz)
Levezetési áramimpulzus (10/350 µs) (Iimp ) 100 kA
Védelmi feszültségszint (UP ) ≤ 2,5 kV
Tanúsítványok UL
Jelzőérintkező / Érintkezőtípus váltóérintkező

Product 961165 was added to Notepad.

Product 961165 was added to the cart.


DEHNgap H M 255

Modular egypólusú N-PE villámáram-levezető.

1 Product

Part No. 961102 DGPH M 255

GTIN 4013364118690, Customs tariff No. (EU): 85363030, Gross weight: 300.00 g, PU: 1.00 db.

Predecessor

Images

Additional information

Moduláris DEHNgap H M 255 N-PE villámáram-levezető
Moduláris, dugaszolható és egypólusú N-PE villámáram-
levezető, beépítési méretek: 2 modul
1.típusú SPD az MSZ EN 61643-11 szabvány szerint
Nyomásvezérelt tokozott kúszószikraköz
Villámáram-impulzus (10/350): 100 kA
Védelmi feszültségszint: <= 4 kV
Utánfolyóáram kioltási képesség: 100 kArms at 255 V a.c.
Időszakos túlfeszültség (TOV): 1200 V/200 ms
Energetikailag koordinált az MSZ EN 62305-4 szabvány szerint
a DEHNgap C S N-PE Red/Line termékcsalád levezetőivel

Gyártó: DEHN
Típus: DGPH M 255
Cikksz.: 961102
vagy egyenértékű.

Certificates

 

Wave breaker function

In the case of spark-gap-based type 1 arresters, the entire current flows through the type 1 arrester during the discharge process. Like a wave breaker, the incoming energy is greatly broken down, which significantly relieves the downstream SPDs. All type 1 arresters in the Red/Line product range feature the WBF wave breaker function.

Technical data

Legnagyobb folyamatos üzemi feszültség AC (UC ) 255 V (50 / 60 Hz)
Levezetési áramimpulzus (10/350 µs) (Iimp ) 100 kA
Védelmi feszültségszint (UP ) ≤ 4 kV

Product 961102 was added to Notepad.

Product 961102 was added to the cart.


back to top