DEHNsecure modular

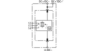
  • Koordinált szikraköz alapú villámáram-levezető mely alapmodulból és dugaszolható védőmodulból áll
  • DC áramkörökhöz kialakított szikraköz technológia
  • Nagy villámáram-levezetési képesség 25 kA (10/350 µs)
  • Közvetlenül koordinált a DEHNguard SE DC ... túlfeszültségkorlátozó készülékekkel
  • Alacsony védelmi feszültségszint
  • Működési állapot-/hiba jelzése zöld/piros színnel kémlelőablakban
  • Szerszámnélküli, egyszerű védőmodul csere, modul zár/kioldó szerkezet segítségével

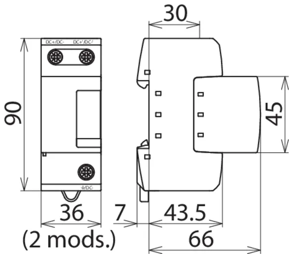
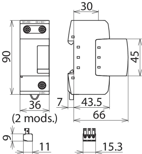
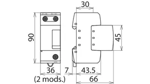
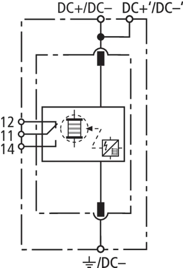
DEHNsecure M 1 ...

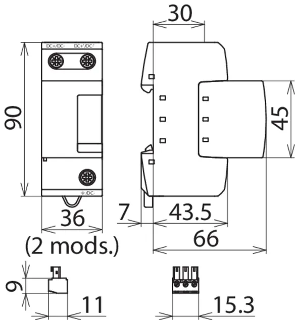
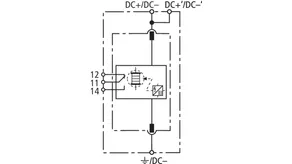
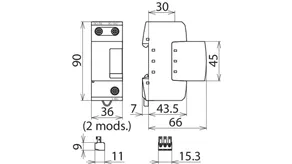
Koordinált, moduláris, egypólusú villámáram-levezető DC alkalmazásokhoz.

3 Products

Part No. 971121 DSE M 1 60

GTIN 4013364138582, Customs tariff No. (EU): 85363090, Gross weight: 300.00 g, PU: 1.00 db.


Images

Additional information

Koordinált DEHNsecure M 1 60 villámáram-levezető
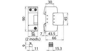
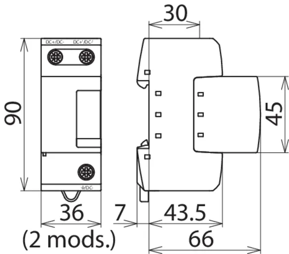
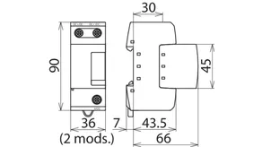
Moduláris, dugaszolható, és koordinált egypólusú
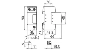
villámáram-levezető, beépítési méret: 2 modul
DC alkalmazásokhoz
1.típusú SPD az MSZ EN 61643-11 szerint
DC áramkörökhöz kialakított szikraköz technológia
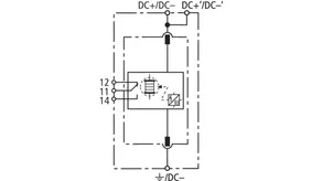
Hibajelzés
Legnagyobb folyamatos üzemi feszültség: 60 V DC
Védelmi feszültségszint: <= 1.5 kV
Levezetési áramimpulzus (10/350 µs): 25 kA
Zárlatiáram állóság (DC): 25 kA
Energetikailag koordinált az MSZ EN 62305-4 szerint
a Red / Line termékcsalád levezetőivel.

Gyártó: DEHN
Típus: DSE M 1 60
Cikksz.: 971121
vagy egyenértékű.

Certificates

 

Wave breaker function

In the case of spark-gap-based type 1 arresters, the entire current flows through the type 1 arrester during the discharge process. Like a wave breaker, the incoming energy is greatly broken down, which significantly relieves the downstream SPDs. All type 1 arresters in the Red/Line product range feature the WBF wave breaker function.

Technical data

SPD típus/osztály az MSZ EN 61643-11 / ... IEC 61643-11 alapján 1.típus / I.osztály
Legnagyobb folyamatos üzemi feszültség DC (UC ) 60 V
Levezetési áramimpulzus (10/350 µs) (Iimp ) 25 kA
Védelmi feszültségszint (UP ) ≤ 1,5 kV
Max. hálózatoldali túláramvédelem 250 A gG
Tanúsítványok UL
Kiegészítő műszaki adatok: Biztonsági világítási rendszerek esetében

Product 971121 was added to Notepad.

Product 971121 was added to the cart.

Part No. 971120 DSE M 1 220

GTIN 4013364133631, Customs tariff No. (EU): 85363090, Gross weight: 268.20 g, PU: 1.00 db.


Images

Additional information

Koordinált DEHNsecure M 1 220 villámáram-levezető
Moduláris, dugaszolható, és koordinált egypólusú
villámáram-levezető, beépítési méret: 2 modul
DC alkalmazásokhoz
1.típusú SPD az MSZ EN 61643-11 szerint
DC áramkörökhöz kialakított szikraköz technológia
Hibajelzés
Legnagyobb folyamatos üzemi feszültség: 220 V DC
Védelmi feszültségszint: <= 2.5 kV
Levezetési áramimpulzus (10/350 µs): 25 kA
Zárlatiáram állóság (DC): 25 kA
Energetikailag koordinált az MSZ EN 62305-4 szerint
a Red / Line termékcsalád levezetőivel.

Gyártó: DEHN
Típus: DSE M 1 220
Cikksz.: 971120
vagy egyenértékű.

Certificates

 

Wave breaker function

In the case of spark-gap-based type 1 arresters, the entire current flows through the type 1 arrester during the discharge process. Like a wave breaker, the incoming energy is greatly broken down, which significantly relieves the downstream SPDs. All type 1 arresters in the Red/Line product range feature the WBF wave breaker function.

Technical data

Legnagyobb folyamatos üzemi feszültség DC (UC ) 220 V
Levezetési áramimpulzus (10/350 µs) (Iimp ) 25 kA
Védelmi feszültségszint (UP ) ≤ 2,5 kV
Max. hálózatoldali túláramvédelem 250 A gG
Kiegészítő műszaki adatok: Biztonsági világítási rendszerek esetében

Product 971120 was added to Notepad.

Product 971120 was added to the cart.

Part No. 971122 DSE M 1 242

GTIN 4013364144477, Customs tariff No. (EU): 85363090, Gross weight: 273.70 g, PU: 1.00 db.


Images

Additional information

Koordinált DEHNsecure M 1 242 villámáram-levezető
Moduláris, dugaszolható, és koordinált egypólusú
villámáram-levezető, beépítési méret: 2 modul
DC alkalmazásokhoz
1.típusú SPD az MSZ EN 61643-11 szerint
DC áramkörökhöz kialakított szikraköz technológia
Hibajelzés
Legnagyobb folyamatos üzemi feszültség: 242 V DC
Védelmi feszültségszint: <= 1.5 kV
Levezetési áramimpulzus (10/350 µs): 25 kA
Zárlatiáram állóság (DC): 25 kA
Energetikailag koordinált az MSZ EN 62305-4 szerint
a Red / Line termékcsalád levezetőivel.

Gyártó: DEHN
Típus: DSE M 1 242
Cikksz.: 971122
vagy egyenértékű.

Certificates

 

Wave breaker function

In the case of spark-gap-based type 1 arresters, the entire current flows through the type 1 arrester during the discharge process. Like a wave breaker, the incoming energy is greatly broken down, which significantly relieves the downstream SPDs. All type 1 arresters in the Red/Line product range feature the WBF wave breaker function.

Technical data

SPD típus/osztály az MSZ EN 61643-11 / ... IEC 61643-11 alapján 1.típus / I.osztály
Legnagyobb folyamatos üzemi feszültség DC (UC ) 242 V
Levezetési áramimpulzus (10/350 µs) (Iimp ) 25 kA
Védelmi feszültségszint (UP ) ≤ 2,5 kV
Max. hálózatoldali túláramvédelem 250 A gG
Kiegészítő műszaki adatok: Biztonsági világítási rendszerek esetében
– Legnagyobb tartós üzemi feszültség AC (UC ) 255 V

Product 971122 was added to Notepad.

Product 971122 was added to the cart.


DEHNsecure M 1 ... FM

Koordinált, moduláris, egypólusú villámáram-levezető DC alkalmazásokhoz;
távjelző érintkezővel felügyeleti rendszerhez (potenciálfüggetlen váltóérintkező).

3 Products

Part No. 971126 DSE M 1 60 FM

GTIN 4013364138599, Customs tariff No. (EU): 85363090, Gross weight: 304.00 g, PU: 1.00 db.


Images

Additional information

Koordinált DEHNsecure M 1 60 FM villámáram-levezető
Moduláris, dugaszolható, és koordinált egypólusú
villámáram-levezető, beépítési méret: 2 modul
DC alkalmazásokhoz, távjelző érintkezővel
1.típusú SPD az MSZ EN 61643-11 szerint
DC áramkörökhöz kialakított szikraköz technológia
Hibajelzés
Legnagyobb folyamatos üzemi feszültség: 60 V DC
Védelmi feszültségszint: <= 1.5 kV
Levezetési áramimpulzus (10/350 µs): 25 kA
Zárlatiáram képesség (DC): 25 kA
Energetikailag koordinált az MSZ EN 62305-4 szerint
a Red / Line termékcsalád levezetőivel.

Gyártó: DEHN
Típus: DSE M 1 60 FM
Cikksz.: 971126
vagy egyenértékű.

Certificates

 

Wave breaker function

In the case of spark-gap-based type 1 arresters, the entire current flows through the type 1 arrester during the discharge process. Like a wave breaker, the incoming energy is greatly broken down, which significantly relieves the downstream SPDs. All type 1 arresters in the Red/Line product range feature the WBF wave breaker function.

Technical data

SPD típus/osztály az MSZ EN 61643-11 / ... IEC 61643-11 alapján 1.típus / I.osztály
Legnagyobb folyamatos üzemi feszültség DC (UC ) 60 V
Levezetési áramimpulzus (10/350 µs) (Iimp ) 25 kA
Védelmi feszültségszint (UP ) ≤ 1,5 kV
Max. hálózatoldali túláramvédelem 250 A gG
Tanúsítványok UL
Jelzőérintkező / Érintkezőtípus váltóérintkező
Kiegészítő műszaki adatok: Biztonsági világítási rendszerek esetében

Product 971126 was added to Notepad.

Product 971126 was added to the cart.

Part No. 971125 DSE M 1 220 FM

GTIN 4013364133648, Customs tariff No. (EU): 85363090, Gross weight: 241.90 g, PU: 1.00 db.


Images

Additional information

Koordinált DEHNsecure M 1 220 FM villámáram-levezető
Moduláris, dugaszolható, és koordinált egypólusú
villámáram-levezető, beépítési méret: 2 modul
DC alkalmazásokhoz, távjelző érintkezővel
1.típusú SPD az MSZ EN 61643-11 szerint
DC áramkörökhöz kialakított szikraköz technológia
Hibajelzés
Legnagyobb folyamatos üzemi feszültség: 220 V DC
Védelmi feszültségszint: <= 2.5 kV
Levezetési áramimpulzus (10/350 µs): 25 kA
Zárlatiáram képesség (DC): 25 kA
Energetikailag koordinált az MSZ EN 62305-4 szerint
a Red / Line termékcsalád levezetőivel.

Gyártó: DEHN
Típus: DSE M 1 220 FM
Cikksz.: 971125
vagy egyenértékű.

Certificates

 

Wave breaker function

In the case of spark-gap-based type 1 arresters, the entire current flows through the type 1 arrester during the discharge process. Like a wave breaker, the incoming energy is greatly broken down, which significantly relieves the downstream SPDs. All type 1 arresters in the Red/Line product range feature the WBF wave breaker function.

Technical data

SPD típus/osztály az MSZ EN 61643-11 / ... IEC 61643-11 alapján 1.típus / I.osztály
Legnagyobb folyamatos üzemi feszültség DC (UC ) 220 V
Levezetési áramimpulzus (10/350 µs) (Iimp ) 25 kA
Védelmi feszültségszint (UP ) ≤ 2,5 kV
Max. hálózatoldali túláramvédelem 250 A gG
Jelzőérintkező / Érintkezőtípus váltóérintkező
Kiegészítő műszaki adatok: Biztonsági világítási rendszerek esetében

Product 971125 was added to Notepad.

Product 971125 was added to the cart.

Part No. 971127 DSE M 1 242 FM

GTIN 4013364144484, Customs tariff No. (EU): 85363090, Gross weight: 269.50 g, PU: 1.00 db.


Images

Additional information

Koordinált DEHNsecure M 1 242 FM villámáram-levezető
Moduláris, dugaszolható, és koordinált egypólusú
villámáram-levezető, beépítési méret: 2 modul
DC alkalmazásokhoz, távjelző érintkezővel
1.típusú SPD az MSZ EN 61643-11 szerint
DC áramkörökhöz kialakított szikraköz technológia
Hibajelzés
Legnagyobb folyamatos üzemi feszültség: 242 V DC
Védelmi feszültségszint: <= 1.5 kV
Levezetési áramimpulzus (10/350 µs): 25 kA
Zárlatiáram képesség (DC): 25 kA
Energetikailag koordinált az MSZ EN 62305-4 szerint
a Red / Line termékcsalád levezetőivel.

Gyártó: DEHN
Típus: DSE M 1 242 FM
Cikksz.: 971127
vagy egyenértékű.

Certificates

 

Wave breaker function

In the case of spark-gap-based type 1 arresters, the entire current flows through the type 1 arrester during the discharge process. Like a wave breaker, the incoming energy is greatly broken down, which significantly relieves the downstream SPDs. All type 1 arresters in the Red/Line product range feature the WBF wave breaker function.

Technical data

SPD típus/osztály az MSZ EN 61643-11 / ... IEC 61643-11 alapján 1.típus / I.osztály
Legnagyobb folyamatos üzemi feszültség DC (UC ) 242 V
Levezetési áramimpulzus (10/350 µs) (Iimp ) 25 kA
Védelmi feszültségszint (UP ) ≤ 2,5 kV
Max. hálózatoldali túláramvédelem 250 A gG
Jelzőérintkező / Érintkezőtípus váltóérintkező
Kiegészítő műszaki adatok: Biztonsági világítási rendszerek esetében
– Legnagyobb tartós üzemi feszültség AC (UC ) 255 V

Product 971127 was added to Notepad.

Product 971127 was added to the cart.


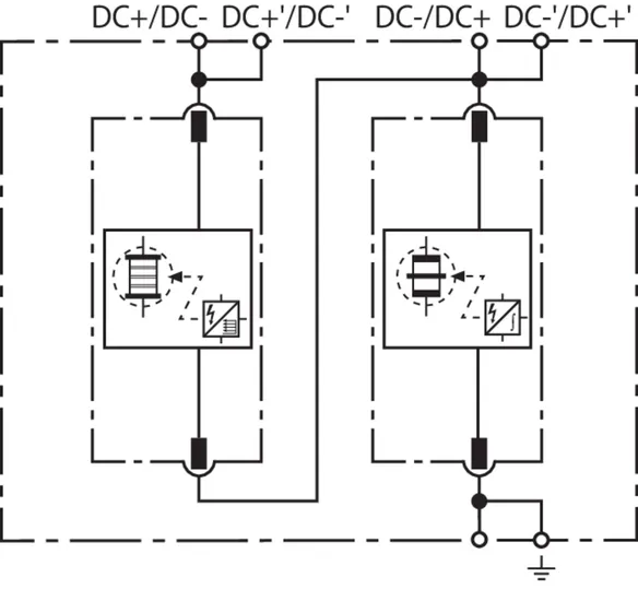
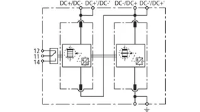
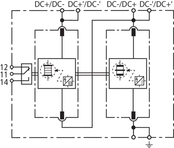
DEHNsecure M 2P ... (FM)

Koordinált, moduláris, kétpólusú villámáram-levezető DC alkalmazásokhoz 60V-ig (1+1 kapcsolás); FM változat potenciálfüggetlen távjelző érintkezővel.

2 Products

Part No. 971221 DSE M 2P 60

GTIN 4013364138612, Customs tariff No. (EU): 85363090, Gross weight: 638.00 g, PU: 1.00 db.


Images

Additional information

Koordinált DEHNsecure M 2P 60 villámáram-levezető
Moduláris, dugaszolható, és koordinált kétpólusú
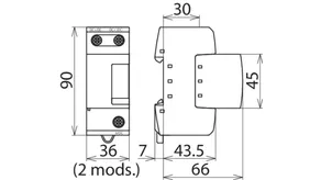
villámáram-levezető, beépítési méret: 4 modul
DC alkalmazásokhoz
1.típusú SPD az MSZ EN 61643-11 szerint
DC áramkörökhöz kialakított szikraköz technológia
Hibajelzés
Legnagyobb folyamatos üzemi feszültség: 60 V DC
Védelmi feszültségszint: <= 1.5 kV
Levezetési áramimpulzus (10/350 µs): 50 kA
Zárlatiáram képesség (DC): 25 kA
Energetikailag koordinált az MSZ EN 62305-4 szerint
a Red / Line termékcsalád levezetőivel.

Gyártó: DEHN
Típus: DSE M 2P 60
Cikksz.: 971221
vagy egyenértékű.

Certificates

 

Wave breaker function

In the case of spark-gap-based type 1 arresters, the entire current flows through the type 1 arrester during the discharge process. Like a wave breaker, the incoming energy is greatly broken down, which significantly relieves the downstream SPDs. All type 1 arresters in the Red/Line product range feature the WBF wave breaker function.

Technical data

SPD típus/osztály az MSZ EN 61643-11 / ... IEC 61643-11 alapján 1.típus / I.osztály
Legnagyobb folyamatos üzemi feszültség DC (UC ) 60 V
Levezetési áramimpulzus (10/350 µs) (DC+/DC- -> DC-/DC+) / (DC-/DC+ -> 9) (Iimp ) 25 / 50 kA
Védelmi feszültségszint (DC+/DC- -> DC-/DC+) / (DC-/DC+ -> 9) (UP ) ≤ 1,5 / ≤ 1,5 kV
Max. hálózatoldali túláramvédelem 250 A gG
Tanúsítványok UL

Product 971221 was added to Notepad.

Product 971221 was added to the cart.

Part No. 971226 DSE M 2P 60 FM

GTIN 4013364138629, Customs tariff No. (EU): 85363090, Gross weight: 675.00 g, PU: 1.00 db.


Images

Additional information

Koordinált DEHNsecure M 2P 60 FM villámáram-levezető
Moduláris, dugaszolható, és koordinált kétpólusú
villámáram-levezető, beépítési méret: 4 modul
DC alkalmazásokhoz, távjelző érintkezővel
1.típusú SPD az MSZ EN 61643-11 szerint
DC áramkörökhöz kialakított szikraköz technológia
Hibajelzés
Legnagyobb folyamatos üzemi feszültség: 60 V DC
Védelmi feszültségszint: <= 1.5 kV
Levezetési áramimpulzus (10/350 µs): 50 kA
Zárlatiáram képesség (DC): 25 kA
Energetikailag koordinált az MSZ EN 62305-4 szerint
a Red / Line termékcsalád levezetőivel.

Gyártó: DEHN
Típus: DSE M 2P 60 FM
Cikksz.: 971226
vagy egyenértékű.

Certificates

 

Wave breaker function

In the case of spark-gap-based type 1 arresters, the entire current flows through the type 1 arrester during the discharge process. Like a wave breaker, the incoming energy is greatly broken down, which significantly relieves the downstream SPDs. All type 1 arresters in the Red/Line product range feature the WBF wave breaker function.

Technical data

SPD típus/osztály az MSZ EN 61643-11 / ... IEC 61643-11 alapján 1.típus / I.osztály
Legnagyobb folyamatos üzemi feszültség DC (UC ) 60 V
Levezetési áramimpulzus (10/350 µs) (DC+/DC- -> DC-/DC+) / (DC-/DC+ -> 9) (Iimp ) 25 / 50 kA
Védelmi feszültségszint (DC+/DC- -> DC-/DC+) / (DC-/DC+ -> 9) (UP ) ≤ 1,5 / ≤ 1,5 kV
Max. hálózatoldali túláramvédelem 250 A gG
Tanúsítványok UL
Jelzőérintkező / Érintkezőtípus váltóérintkező

Product 971226 was added to Notepad.

Product 971226 was added to the cart.


DEHNsecure NG 2P 60 FM

Kétpólusú, moduláris, koordinált villámáram-levezető DC alkalmazásokhoz 60 V-ig (1+1 kapcsolás); FM változat potenciálfüggetlen távjelző érintkezővel.

1 Product

Part No. 971222 DSE NG 2P 60 FM

GTIN 4013364489523, Customs tariff No. (EU): 85363090, Gross weight: 507.00 g, PU: 1.00 db.


Images

Additional information

Koordinált villámáram-levezető DEHNsecure NG 2P 60 FM
2 pólusú, moduláris, dugaszolható,
koordinált villámáram-levezető
egyenáramú alkalmazásokhoz, szélesség 4 modul
távjelző érintkezővel
1. típusú levezető az MSZ EN 61643-11 szerint
Kifejezetten egyenáramú áramkörökre fejlesztett
szikraköz-technológia
Hibajelzés
Legmagasabb tartós feszültség: 60 V DC
Védelmi feszültségszint: <= 1,5 kV
Villámáram impulzus (10/350): 50 kA
Zárlati szilárdság DC: 10 kA
Energetikai koordináció az DIN EN 62305-4 szerint
Red/Line-család levezetője

Gyártó: DEHN
Típus: DSE NG 2P 60 FM
Cikksz.: 971222
vagy egyenértékű.

 

Wave breaker function

In the case of spark-gap-based type 1 arresters, the entire current flows through the type 1 arrester during the discharge process. Like a wave breaker, the incoming energy is greatly broken down, which significantly relieves the downstream SPDs. All type 1 arresters in the Red/Line product range feature the WBF wave breaker function.

Technical data

SPD típus/osztály az MSZ EN 61643-11 / ... IEC 61643-11 alapján 1.típus / I.osztály
Legnagyobb folyamatos üzemi feszültség DC (UC ) 60 V
Levezetési áramimpulzus (10/350 µs) (DC+/DC- -> DC-/DC+) / (DC-/DC+ -> 9) (Iimp ) 25 / 50 kA
Védelmi feszültségszint (DC+/DC- -> DC-/DC+) / (DC-/DC+ -> 9) (UP ) ≤ 1,5 / ≤ 1,5 kV
Max. hálózatoldali túláramvédelem 250 A gG
Jelzőérintkező / Érintkezőtípus váltóérintkező

Product 971222 was added to Notepad.

Product 971222 was added to the cart.


back to top