DEHNbloc Maxi 1 440 / 760

  • Szikraköz alapú villámáram-levezető
  • Nagy villámáram-levezető képesség
  • Nagy utánfolyóáram-, kioltási ill. korlátozási képesség a RADAX-Flow technológiának köszönhetően
  • Energetikailag koordinált a DEHNguard túlfeszültségkorlátozó készülékekkel kiegészítő kábelszakaszok nélkül
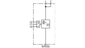
  • Működés- /hibaállapot jelzése, zöld / piros színnel a kémlelőablakban

Details

lorem ipsum

DEHNbloc Maxi 1 440 (FM)

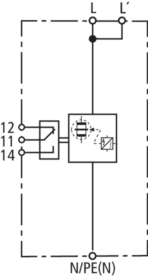
Koordinált egypólusú villámáram-levezető beépített előtét-biztosítóval 400/690V rendszerekhez; FM változat potenciálfüggetlen távjelző érintkezővel.

2 Products

Part No. 961140 DBM 1 440

GTIN 4013364116269, Customs tariff No. (EU): 85363090, Gross weight: 592.00 g, PU: 1.00 db.

Predecessor

Images

Additional information

Koordinált villámáram-levezető DEHNbloc Maxi 1 440
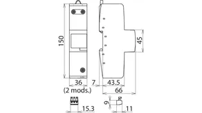
Koordinált, egypólusú villámáram-levezető, 2 modul széles
1.típusú SPD az MSZ EN 61643-11 szerint
RADAX Flow szikraköz technológia
az utánfolyóáram-korlátozására
Hibajelzés
Legnagyobb folyamatos üzemi feszültség: 440 V AC
Védelmi szint: <= 2.5 kV
Villámáram impulzus (10/350): 35 kA
Utánfolyóáram-kioltási képesség: 100 kAeff-ig
Energetikailag koordinált az MSZ EN 62305-4 szerint
a Red/Line termékcsalád levezetőivel

Gyártó: DEHN
Típus: DBM 1 440
Cikksz.: 961140
vagy egyenértékű.

Certificates

 

Wave breaker function

In the case of spark-gap-based type 1 arresters, the entire current flows through the type 1 arrester during the discharge process. Like a wave breaker, the incoming energy is greatly broken down, which significantly relieves the downstream SPDs. All type 1 arresters in the Red/Line product range feature the WBF wave breaker function.

Technical data

SPD típus/osztály az MSZ EN 61643-11 / ... IEC 61643-11 alapján 1.típus / I. osztály
Legnagyobb folyamatos üzemi feszültség AC (UC ) 440 V
Levezetési áramimpulzus (10/350 µs) (Iimp ) 35 kA
Védelmi feszültségszint (UP ) ≤ 2,5 kV
Max. előtét-biztosító (L) IK = 50 kAeff értékig (ta ≤ 0.2 s) 500 A gG
Max. előtét-biztosító (L) IK = 50 kAeff értékig (ta ≤ 5 s) 250 A gG
Tanúsítványok UL, CSA

Product 961140 was added to Notepad.

Product 961140 was added to the cart.

Part No. 961145 DBM 1 440 FM

GTIN 4013364116276, Customs tariff No. (EU): 85363090, Gross weight: 601.60 g, PU: 1.00 db.

Predecessor

Images

Additional information

Koordinált villámáram-levezető DEHNbloc Maxi 1 440 FM
Koordinált, egypólusú villámáram-levezető, 2 modul széles
1.típusú SPD az MSZ EN 61643-11 szerint, távjelző érintkezővel
RADAX Flow szikraköz technológia
az utánfolyóáram-korlátozására
Hibajelzés
Legnagyobb folyamatos üzemi feszültség: 440 V AC
Védelmi szint: <= 2.5 kV
Villámáram impulzus (10/350): 35 kA
Utánfolyóáram-kioltási képesség: 100 kAeff-ig
Energetikailag koordinált az MSZ EN 62305-4 szerint
a Red/Line termékcsalád levezetőivel

Gyártó: DEHN
Típus: DBM 1 440 FM
Cikksz.: 961145
vagy egyenértékű.

Certificates

 

Wave breaker function

In the case of spark-gap-based type 1 arresters, the entire current flows through the type 1 arrester during the discharge process. Like a wave breaker, the incoming energy is greatly broken down, which significantly relieves the downstream SPDs. All type 1 arresters in the Red/Line product range feature the WBF wave breaker function.

Technical data

SPD típus/osztály az MSZ EN 61643-11 / ... IEC 61643-11 alapján 1.típus / I. osztály
Legnagyobb folyamatos üzemi feszültség AC (UC ) 440 V
Levezetési áramimpulzus (10/350 µs) (Iimp ) 35 kA
Védelmi feszültségszint (UP ) ≤ 2,5 kV
Max. előtét-biztosító (L) IK = 50 kAeff értékig (ta ≤ 0.2 s) 500 A gG
Max. előtét-biztosító (L) IK = 50 kAeff értékig (ta ≤ 5 s) 250 A gG
Tanúsítványok UL, CSA
Jelzőérintkező / Érintkezőtípus váltóérintkező

Product 961145 was added to Notepad.

Product 961145 was added to the cart.


DEHNbloc Maxi 1 760 FM

Koordinált egypólusú villámáram-levezető 690V-os rendszerekhez; távjelző érintkezővel felügyeleti rendszerhez (potenciálfüggetlen váltóérintkező).

1 Product

Part No. 961175 DBM 1 760 FM

GTIN 4013364116283, Customs tariff No. (EU): 85363090, Gross weight: 589.80 g, PU: 1.00 db.


Images

Additional information

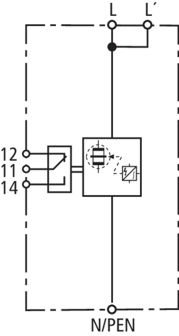
Koordinált villámáram-levezető DEHNbloc Maxi 1 760 FM
Koordinált, egypólusú villámáram-levezető, 2 modul széles
1.típusú SPD az MSZ EN 61643-11 szerint, távjelző érintkezővel
RADAX Flow szikraköz technológia
az utánfolyóáram-korlátozására
Hibajelzés
Legnagyobb üzemi folyamatos feszültség: 760 V AC
Védelmi szint: <= 4 kV
Villámáram impulzus (10/350): 25 kA
Utánfolyóáram-kioltási képesség: 25 kAeff-ig
Energetikailag koordinált az MSZ EN 62305-4 szerint
a Red/Line termékcsalád levezetőivel

Gyártó: DEHN
Típus: DBM 1 760 FM
Cikksz.: 961175
vagy egyenértékű.

Certificates

 

Wave breaker function

In the case of spark-gap-based type 1 arresters, the entire current flows through the type 1 arrester during the discharge process. Like a wave breaker, the incoming energy is greatly broken down, which significantly relieves the downstream SPDs. All type 1 arresters in the Red/Line product range feature the WBF wave breaker function.

Technical data

SPD típus/osztály az MSZ EN 61643-11 / ... IEC 61643-11 alapján 1.típus / I.osztály
Legnagyobb folyamatos üzemi feszültség AC (UC ) 760 V
Levezetési áramimpulzus (10/350 µs) (Iimp ) 25 kA
Védelmi feszültségszint (UP ) ≤ 4 kV
Max. előtét-biztosító (L) IK = 25 kAeff értékig (ta ≤ 5 s) 250 A gG
Tanúsítványok UL, CSA
Jelzőérintkező / Érintkezőtípus váltóérintkező

Product 961175 was added to Notepad.

Product 961175 was added to the cart.


DEHNbloc Maxi 1 440 SN1885 FM

1 Product

Part No. 961148 DBM 1 440 SN1885 FM

GTIN 4013364475953, Customs tariff No. (EU): 85363090, Gross weight: 601.00 g, PU: 1.00 db.


Images

Additional information



Gyártó: DEHN
Típus: DBM 1 440 SN1885 FM
Cikksz.: 961148
vagy egyenértékű.

Certificates

 

Wave breaker function

In the case of spark-gap-based type 1 arresters, the entire current flows through the type 1 arrester during the discharge process. Like a wave breaker, the incoming energy is greatly broken down, which significantly relieves the downstream SPDs. All type 1 arresters in the Red/Line product range feature the WBF wave breaker function.

Technical data

SPD típus/osztály az MSZ EN 61643-11 / ... IEC 61643-11 alapján 1.típus / I. osztály
Legnagyobb folyamatos üzemi feszültség AC (UC ) 440 V
Levezetési áramimpulzus (10/350 µs) (Iimp ) 35 kA
Védelmi feszültségszint (UP ) ≤ 2,5 kV
Max. előtét-biztosító (L) IK = 50 kAeff értékig (ta ≤ 0.2 s) 500 A gG
Max. előtét-biztosító (L) IK = 50 kAeff értékig (ta ≤ 5 s) 250 A gG
Jelzőérintkező / Érintkezőtípus váltóérintkező

Product 961148 was added to Notepad.

Product 961148 was added to the cart.


back to top