DEHNbloc modular

  • Koordinált szikraköz alapú villámáram-levezető mely alapmodulból és dugaszolható védőmodulból áll
  • Nagy rendelkezésre állás a RADAX Flow hálózati utánfolyó áramkorlátozás révén
  • Szelektív 32A gG olvadóbiztosítókkal akár 50kAeff rövidzárlati áramig
  • Villámáram-levezető képesség akár 50kA (10/350us)
  • Közvetlenül koordinált a DEHNguard túlfeszültség-korlátozókkal kiegészítő vezetékszakasz nélkül
  • Alacsony védelmi feszültségszint
  • Működési állapot-/hiba jelzése zöld/piros színnel kémlelőablakban
  • Szerszámnélküli, egyszerű védőmodul csere, modul zár/kioldó szerkezet segítségével

Details

lorem ipsum

DEHNbloc M 1 ...

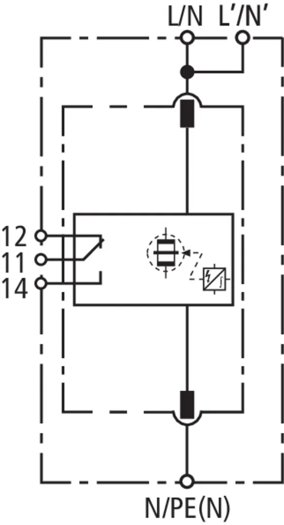
Koordinált, moduláris egypólusú villámáram-levezető magas villámáram levezetési képességgel

3 Products

Part No. 961110 DB M 1 150

GTIN 4013364118560, Customs tariff No. (EU): 85363090, Gross weight: 333.40 g, PU: 1.00 db.

Predecessor

Images

Additional information

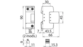
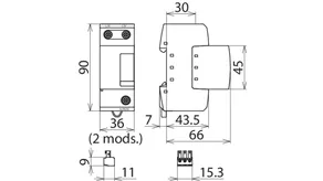
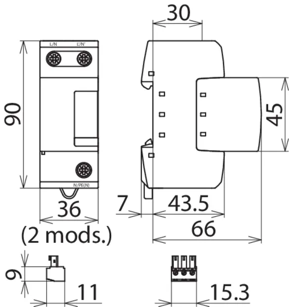
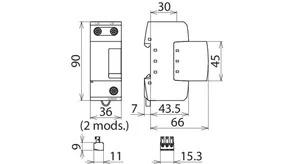
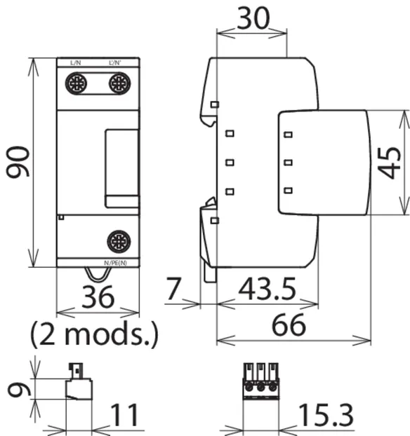
Koordinált DEHNbloc M 1 150 villámáram-levezető
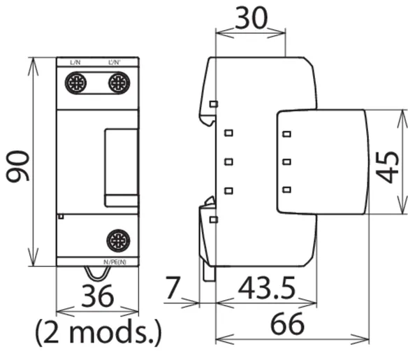
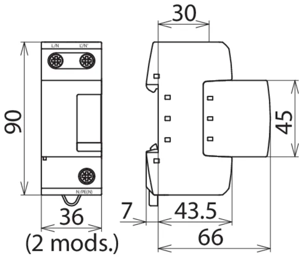
Dugaszolható, koordinált és moduláris egypólusú
villámáram-levezető, szélesség: 2 modul
magas utánfolyóáram korlátozással
1.típusú SPDaz MSZ EN 61643-11 szerint
RADAX Flow szikraköz technológia
az utánfolyóáram korlátozására
Hibajelzés
Legnagyobb üzemi folyamatos feszültség: 150 V AC
Védelmi szint: <= 1.5 kV
Villámáram impulzus (10/350): 35 kA
Utánfolyó áram kioltási képesség: 50 kAeff
Energetikailag koordinált az MSZ EN 62304-5 szerint
a Red/Line termékcsalád levezetőivel

Gyártó: DEHN
Típus: DB M 1 150
Cikksz.: 961110
vagy egyenértékű.

Certificates

 

Wave breaker function

In the case of spark-gap-based type 1 arresters, the entire current flows through the type 1 arrester during the discharge process. Like a wave breaker, the incoming energy is greatly broken down, which significantly relieves the downstream SPDs. All type 1 arresters in the Red/Line product range feature the WBF wave breaker function.

Technical data

SPD típus/osztály az MSZ EN 61643-11 / ... IEC 61643-11 alapján 1.típus / I.osztály
Legnagyobb folyamatos üzemi feszültség AC (UC ) 150 V (50 / 60 Hz)
Levezetési áramimpulzus (10/350 µs) (Iimp ) 35 kA
Védelmi feszültségszint (UP ) ≤ 1,5 kV
Max. előtét-biztosító (L) IK = 35 kAeff-ig (ta ≤ 0.2 s) 500 A gG
Max. előtét-biztosító (L) IK = 35 kAeff-ig (ta ≤ 5 s) 315 A gG
Tanúsítványok UL, CSA

Product 961110 was added to Notepad.

Product 961110 was added to the cart.

Part No. 961120 DB M 1 255

GTIN 4013364118614, Customs tariff No. (EU): 85363090, Gross weight: 355.80 g, PU: 1.00 db.

Predecessor

Images

Additional information

Koordinált DEHNbloc M 1 255 villámáram-levezető
Dugaszolható, koordinált és moduláris egypólusú
villámáram-levezető, szélesség: 2 modul
magas utánfolyóáram korlátozással
1.típusú SPDaz MSZ EN 61643-11 szerint
RADAX Flow szikraköz technológia
az utánfolyóáram korlátozására
Hibajelzés
Legnagyobb üzemi folyamatos feszültség: 255 V AC
Védelmi szint: <= 2.5 kV
Villámáram impulzus (10/350): 50 kA
Utánfolyó áram kioltási képesség: 100 kAeff
Energetikailag koordinált az MSZ EN 62304-5 szerint
a Red/Line termékcsalád levezetőivel

Gyártó: DEHN
Típus: DB M 1 255
Cikksz.: 961120
vagy egyenértékű.

Certificates

 

Wave breaker function

In the case of spark-gap-based type 1 arresters, the entire current flows through the type 1 arrester during the discharge process. Like a wave breaker, the incoming energy is greatly broken down, which significantly relieves the downstream SPDs. All type 1 arresters in the Red/Line product range feature the WBF wave breaker function.

Technical data

SPD típus/osztály az MSZ EN 61643-11 / ... IEC 61643-11 alapján 1.típus / I.osztály
Legnagyobb folyamatos üzemi feszültség AC (UC ) 255 V (50 / 60 Hz)
Levezetési áramimpulzus (10/350 µs) (Iimp ) 50 kA
Védelmi feszültségszint (UP ) ≤ 2,5 kV
Max. előtét-biztosító (L) IK = 50 kAeff-ig (ta ≤ 0,2 s) 500 A gG
Max. előtét-biztosító (L) IK = 50 kAeff-ig (ta ≤ 5 s) 315 A gG
Tanúsítványok VDE, KEMA, UL

Product 961120 was added to Notepad.

Product 961120 was added to the cart.

Part No. 961130 DB M 1 320

GTIN 4013364118638, Customs tariff No. (EU): 85363090, Gross weight: 341.00 g, PU: 1.00 db.

Predecessor

Images

Additional information

Koordinált DEHNbloc M 1 320 villámáram-levezető
Dugaszolható, koordinált és moduláris egypólusú
villámáram-levezető, szélesség: 2 modul
magas utánfolyóáram korlátozással
1.típusú SPDaz MSZ EN 61643-11 szerint
RADAX Flow szikraköz technológia
az utánfolyóáram korlátozására
Hibajelzés
Legnagyobb üzemi folyamatos feszültség: 320 V AC
Védelmi szint: <= 2.5 kV
Villámáram impulzus (10/350): 25 kA
Utánfolyó áram kioltási képesség: 50 kAeff
Energetikailag koordinált az MSZ EN 62304-5 szerint
a Red/Line termékcsalád levezetőivel

Gyártó: DEHN
Típus: DB M 1 320
Cikksz.: 961130
vagy egyenértékű.

Certificates

 

Wave breaker function

In the case of spark-gap-based type 1 arresters, the entire current flows through the type 1 arrester during the discharge process. Like a wave breaker, the incoming energy is greatly broken down, which significantly relieves the downstream SPDs. All type 1 arresters in the Red/Line product range feature the WBF wave breaker function.

Technical data

SPD típus/osztály az MSZ EN 61643-11 / ... IEC 61643-11 alapján 1.típus / I.osztály
Legnagyobb folyamatos üzemi feszültség AC (UC ) 320 V (50 / 60 Hz)
Levezetési áramimpulzus (10/350 µs) (Iimp ) 25 kA
Védelmi feszültségszint (UP ) ≤ 2,5 kV
Max. előtét-biztosító (L) IK = 50 kAeff-ig (ta ≤ 0,2 s) 315 A gG
Max. előtét-biztosító (L) IK = 50 kAeff-ig (ta ≤ 5 s) 315 A gG
Tanúsítványok UL

Product 961130 was added to Notepad.

Product 961130 was added to the cart.


DEHNbloc M 1 ... FM

Koordinált, moduláris egypólusú villámáram-levezető magas villámáram levezetési képességgel; távjelző érintkezővel felügyeleti rendszer számára (potenciálfüggetlen váltóérintkező).

3 Products

Part No. 961115 DB M 1 150 FM

GTIN 4013364118577, Customs tariff No. (EU): 85363090, Gross weight: 337.30 g, PU: 1.00 db.

Predecessor

Images

Additional information

Koordinált DEHNbloc M 1 150 FM villámáram-levezető
Dugaszolható, koordinált és moduláris egypólusú
villámáram-levezető, szélesség: 2 modul
magas utánfolyóáram korlátozással és távjelző érintkezővel
1.típusú SPDaz MSZ EN 61643-11 szerint
RADAX Flow szikraköz technológia
az utánfolyóáram korlátozására
Hibajelzés
Legnagyobb üzemi folyamatos feszültség: 150 V AC
Védelmi szint: <= 1.5 kV
Villámáram impulzus (10/350): 35 kA
Utánfolyó áram kioltási képesség: 50 kAeff
Energetikailag koordinált az MSZ EN 62304-5 szerint
a Red/Line termékcsalád levezetőivel

Gyártó: DEHN
Típus: DB M 1 150 FM
Cikksz.: 961115
vagy egyenértékű.

Certificates

 

Wave breaker function

In the case of spark-gap-based type 1 arresters, the entire current flows through the type 1 arrester during the discharge process. Like a wave breaker, the incoming energy is greatly broken down, which significantly relieves the downstream SPDs. All type 1 arresters in the Red/Line product range feature the WBF wave breaker function.

Technical data

Legnagyobb folyamatos üzemi feszültség AC (UC ) 150 V (50 / 60 Hz)
Levezetési áramimpulzus (10/350 µs) (Iimp ) 35 kA
Védelmi feszültségszint (UP ) ≤ 1,5 kV
Max. előtét-biztosító (L) IK = 35 kAeff-ig (ta ≤ 0.2 s) 500 A gG
Max. előtét-biztosító (L) IK = 35 kAeff-ig (ta ≤ 5 s) 315 A gG
Tanúsítványok UL, CSA

Product 961115 was added to Notepad.

Product 961115 was added to the cart.

Part No. 961125 DB M 1 255 FM

GTIN 4013364118621, Customs tariff No. (EU): 85363090, Gross weight: 359.30 g, PU: 1.00 db.

Predecessor

Images

Additional information

Koordinált DEHNbloc M 1 255 FM villámáram-levezető
Dugaszolható, koordinált és moduláris egypólusú
villámáram-levezető, szélesség: 2 modul
magas utánfolyóáram korlátozással és távjelző érintkezővel
1.típusú SPDaz MSZ EN 61643-11 szerint
RADAX Flow szikraköz technológia
az utánfolyóáram korlátozására
Hibajelzés
Legnagyobb üzemi folyamatos feszültség: 255 V AC
Védelmi szint: <= 2.5 kV
Villámáram impulzus (10/350): 50 kA
Utánfolyó áram kioltási képesség: 100 kAeff
Energetikailag koordinált az MSZ EN 62304-5 szerint
a Red/Line termékcsalád levezetőivel

Gyártó: DEHN
Típus: DB M 1 255 FM
Cikksz.: 961125
vagy egyenértékű.

Certificates

 

Wave breaker function

In the case of spark-gap-based type 1 arresters, the entire current flows through the type 1 arrester during the discharge process. Like a wave breaker, the incoming energy is greatly broken down, which significantly relieves the downstream SPDs. All type 1 arresters in the Red/Line product range feature the WBF wave breaker function.

Technical data

SPD típus/osztály az MSZ EN 61643-11 / ... IEC 61643-11 alapján 1.típus / I.osztály
Legnagyobb folyamatos üzemi feszültség AC (UC ) 255 V (50 / 60 Hz)
Levezetési áramimpulzus (10/350 µs) (Iimp ) 50 kA
Védelmi feszültségszint (UP ) ≤ 2,5 kV
Max. előtét-biztosító (L) IK = 50 kAeff-ig (ta ≤ 0,2 s) 500 A gG
Max. előtét-biztosító (L) IK = 50 kAeff-ig (ta ≤ 5 s) 315 A gG
Tanúsítványok VDE, KEMA, UL

Product 961125 was added to Notepad.

Product 961125 was added to the cart.

Part No. 961135 DB M 1 320 FM

GTIN 4013364118645, Customs tariff No. (EU): 85363090, Gross weight: 346.00 g, PU: 1.00 db.

Predecessor

Images

Additional information

Koordinált DEHNbloc M 1 320 FM villámáram-levezető
Dugaszolható, koordinált és moduláris egypólusú
villámáram-levezető, szélesség: 2 modul
magas utánfolyóáram korlátozással és távjelző érintkezővel
1.típusú SPDaz MSZ EN 61643-11 szerint
RADAX Flow szikraköz technológia
az utánfolyóáram korlátozására
Hibajelzés
Legnagyobb üzemi folyamatos feszültség: 320 V AC
Védelmi szint: <= 2.5 kV
Villámáram impulzus (10/350): 25 kA
Utánfolyó áram kioltási képesség: 50 kAeff
Energetikailag koordinált az MSZ EN 62304-5 szerint
a Red/Line termékcsalád levezetőivel

Gyártó: DEHN
Típus: DB M 1 320 FM
Cikksz.: 961135
vagy egyenértékű.

Certificates

 

Wave breaker function

In the case of spark-gap-based type 1 arresters, the entire current flows through the type 1 arrester during the discharge process. Like a wave breaker, the incoming energy is greatly broken down, which significantly relieves the downstream SPDs. All type 1 arresters in the Red/Line product range feature the WBF wave breaker function.

Technical data

SPD típus/osztály az MSZ EN 61643-11 / ... IEC 61643-11 alapján 1.típus / I.osztály
Legnagyobb folyamatos üzemi feszültség AC (UC ) 320 V (50 / 60 Hz)
Levezetési áramimpulzus (10/350 µs) (Iimp ) 25 kA
Védelmi feszültségszint (UP ) ≤ 2,5 kV
Max. előtét-biztosító (L) IK = 50 kAeff-ig (ta ≤ 0,2 s) 315 A gG
Max. előtét-biztosító (L) IK = 50 kAeff-ig (ta ≤ 5 s) 315 A gG
Tanúsítványok UL

Product 961135 was added to Notepad.

Product 961135 was added to the cart.


back to top