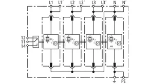
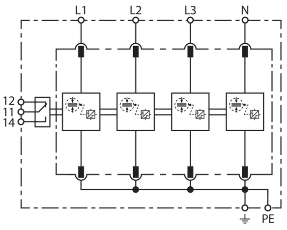
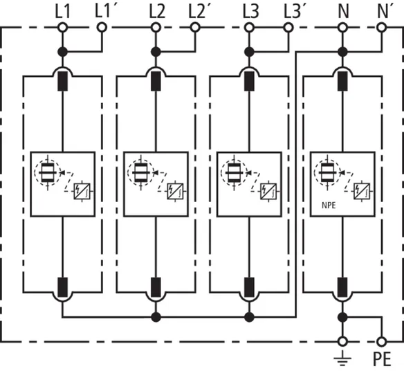
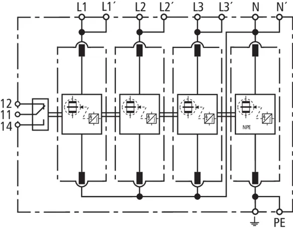
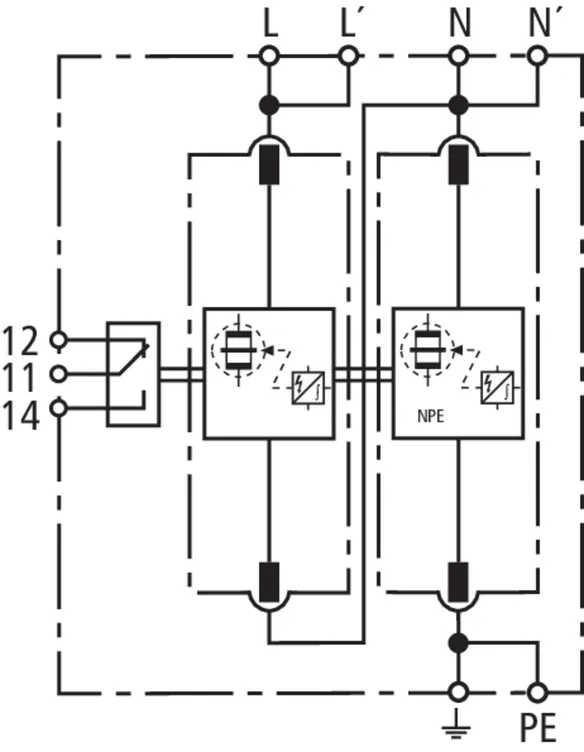
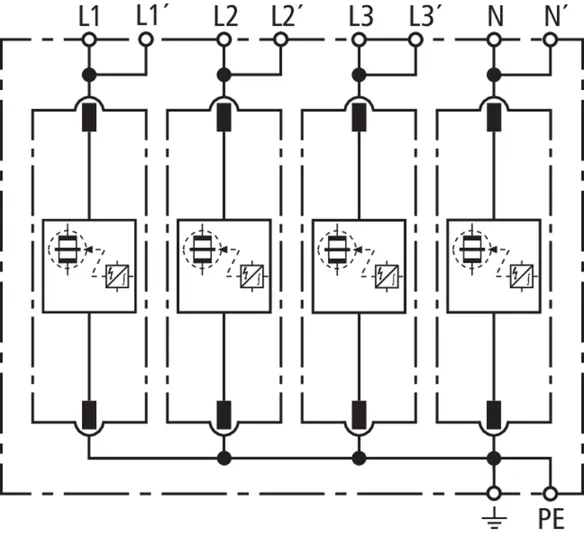
DEHNventil modular
- Szikraköz alapú készreszerelt 1.típus +2.típus +3.típusú kombinált-levezető, mely alapmodulból és dugaszolható védőmodulból áll
- RAC szikraközös technológia mely nagyfokú védelmet biztosít a végkészülékek számára
- Szelektív 20A gG olvadóbiztosítókkal akár 50kAeff rövidzárlati áramig
- Villámáram-levezetési képesség akár 100 kA (10/350 μs)
- Végkészülék védelmet tesz lehetővé
- Működési állapot/hiba jelzése zöld/piros színnel a kémlelő ablakban
- Szerszámnélküli, egyszerű védőmodul csere, modul zár/kioldó szerkezet segítségével
Details
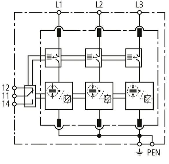
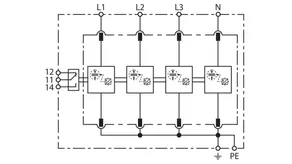
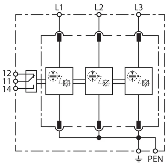
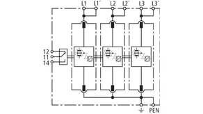
Part No. 956305 DV M2 TNC 255 FM
GTIN 4013364510586, Customs tariff No. (EU): 85363090, Gross weight: 519.19 g, PU: 1.00 db.
PredecessorTechnical data
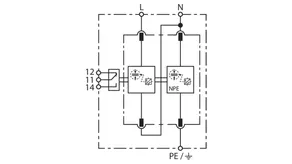
| SPD típus/osztály az MSZ EN 61643-11 / ... IEC 61643-11 alapján | 1.típus+2.típus+3.típus/ I.osztály + II.osztály + III.osztály |
| Levezetési áramimpulzus (10/350 µs) [L1+L2+L3-PEN] (Itotal ) | 75 kA |
| Levezetési áramimpulzus (10/350 µs) [L-PEN] (Iimp ) | 25 kA |
| Védelmi feszültségszint (UP ) | ≤ 1,5 kV |
| Max. előtétbiztosító (L) IK = 50 kAeff értékig | 250 A gG |
| Tanúsítványok | VDE, KEMA, UL |
| Jelzőérintkező / Érintkezőtípus | van / váltóérintkező |
| Bővített műszaki adatok: | Alkalmazás kapcsolószekrényekben, ahol a független zárlati áram nagyobb mint 50 kAeff |
| – Max. független zárlati áram | 100 kAeff (220 kAcsúcs) |
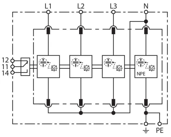
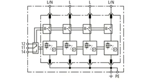
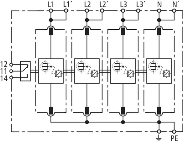
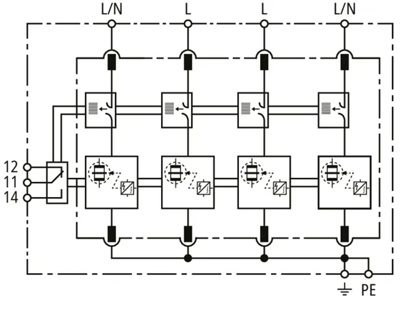
Part No. 956405 DV M2 TNS 255 FM
GTIN 4013364510562, Customs tariff No. (EU): 85363090, Gross weight: 583.68 g, PU: 1.00 db.
PredecessorTechnical data
| SPD típus/osztály az MSZ EN 61643-11 / ... IEC 61643-11 alapján | 1.típus+2.típus+3.típus/ I.osztály + II.osztály + III.osztály |
| Levezetési áramimpulzus (10/350 µs) [L1+L2+L3+N-PE] (Itotal ) | 100 kA |
| Levezetési áramimpulzus (10/350 µs) [L, N-PE] (Iimp ) | 25 kA |
| Védelmi feszültségszint [L-PE]/[N-PE] (UP ) | ≤ 1,5 / ≤ 1,5 k |
| Max. előtétbiztosító (L) IK = 50 kAeff értékig | 250 A gG |
| Tanúsítványok | VDE, KEMA, UL |
| Jelzőérintkező / Érintkezőtípus | van / váltóérintkező |
| Bővített műszaki adatok: | Alkalmazás kapcsolószekrényekben, ahol a független zárlati áram nagyobb mint 50 kAeff |
| – Max. független zárlati áram | 100 kAeff (220 kAcsúcs) |
Part No. 956315 DV M2 TT 255 FM
GTIN 4013364528963, Customs tariff No. (EU): 85363090, Gross weight: 616.00 g, PU: 1.00 db.
Technical data
| SPD típus/osztály az MSZ EN 61643-11 / ... IEC 61643-11 alapján | 1.típus+2.típus+3.típus/ I.osztály + II.osztály + III.osztály |
| Levezetési áramimpulzus (10/350 µs) [L1+L2+L3+N-PE] (Itotal ) | 100 kA |
| Levezetési áramimpulzus (10/350 µs) [L-N]/[N-PE] (Iimp ) | 25 / 100 kA |
| Védelmi feszültségszint [L-N]/[N-PE] (UP ) | ≤ 1,5 / ≤ 1,5 kV |
| Max. előtétbiztosító (L) IK = 50 kAeff értékig | 250 A gG |
| Tanúsítványok | VDE, KEMA, UL |
| Jelzőérintkező / Érintkezőtípus | van / váltóérintkező |
| Bővített műszaki adatok: | Alkalmazás kapcsolószekrényekben, ahol a független zárlati áram nagyobb mint 50 kAeff |
| – Max. független zárlati áram | 100 kAeff (220 kAcsúcs) |
| Kiegészítő adatok: | --------------------------------- |
| – Védelmi feszültségszint [L-PE] (UP ) | 1,8 kV |
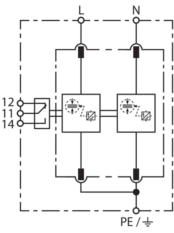
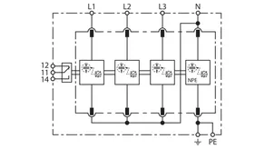
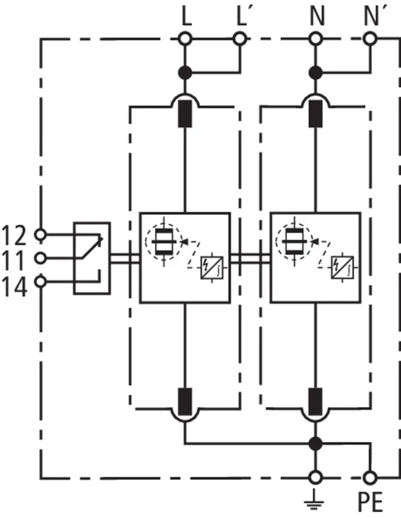
Part No. 956205 DV M2 TN 255 FM
GTIN 4013364510579, Customs tariff No. (EU): 85363090, Gross weight: 311.29 g, PU: 1.00 db.
PredecessorTechnical data
| SPD típus/osztály az MSZ EN 61643-11 / ... IEC 61643-11 alapján | 1.típus+2.típus+3.típus/ I.osztály + II.osztály + III.osztály |
| Levezetési áramimpulzus (10/350 µs) [L+N-PE] (Itotal ) | 50 kA |
| Levezetési áramimpulzus (10/350 µs) [L, N-PE] (Iimp ) | 25 kA |
| Védelmi feszültségszint [L-PE]/[N-PE] (UP ) | ≤ 1,5 / ≤ 1,5 kV |
| Max. előtétbiztosító (L) IK = 50 kAeff értékig | 250 A gG |
| Tanúsítványok | VDE, KEMA, UL |
| Jelzőérintkező / Érintkezőtípus | van / váltóérintkező |
| Bővített műszaki adatok: | Alkalmazás kapcsolószekrényekben, ahol a független zárlati áram nagyobb mint 50 kAeff |
| – Max. független zárlati áram | 100 kAeff (220 kAcsúcs) |
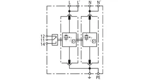
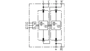
Part No. 956115 DV M2 TT 2P 255 FM
GTIN 4013364546929, Customs tariff No. (EU): 85363090, Gross weight: 327.00 g, PU: 1.00 db.
Technical data
| SPD típus/osztály az MSZ EN 61643-11 / ... IEC 61643-11 alapján | 1.típus+2.típus+3.típus/ I.osztály + II.osztály + III.osztály |
| Levezetési áramimpulzus (10/350 µs) [L+N-PE] (Itotal ) | 50 kA |
| Levezetési áramimpulzus (10/350 µs) [L-N]/[N-PE] (Iimp ) | 25 / 50 kA |
| Védelmi feszültségszint [L-N]/[N-PE] (UP ) | ≤ 1,5 / ≤ 1,5 kV |
| Max. előtétbiztosító (L) IK = 50 kAeff értékig | 250 A gG |
| Tanúsítványok | VDE, KEMA, UL |
| Jelzőérintkező / Érintkezőtípus | van / váltóérintkező |
| Bővített műszaki adatok: | Alkalmazás kapcsolószekrényekben, ahol a független zárlati áram nagyobb mint 50 kAeff |
| – Max. független zárlati áram | 100 kAeff (220 kAcsúcs) |
| Kiegészítő adatok: | --------------------------------- |
| – Védelmi feszültségszint [L-PE] (UP ) | 1,8 kV |
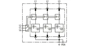
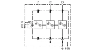
Part No. 951300 DV M TNC 255
GTIN 4013364108134, Customs tariff No. (EU): 85363090, Gross weight: 1004.00 g, PU: 1.00 db.
PredecessorTechnical data
| SPD típus/osztály az MSZ EN 61643-11 / ... IEC 61643-11 alapján | 1.típus + 2.típus/ I.osztály + II.osztály |
| Levezetési áramimpulzus (10/350 µs) [L1+L2+L3-PEN] (Itotal ) | 75 kA |
| Levezetési áramimpulzus (10/350 µs) [L-PEN] (Iimp ) | 25 kA |
| Védelmi feszültségszint (UP ) | ≤ 1,5 kV |
| Max. előtétbiztosító (L) IK = 50 kAeff értékig | 315 A gG |
| Tanúsítványok | KEMA, VDE, UL |
| Bővített műszaki adatok: | Alkalmazás kapcsolószekrényekben, ahol a független zárlati áram nagyobb mint 50 kAeff |
| – Max. független zárlati áram | 100 kAeff (220 kAcsúcs) |
Part No. 951305 DV M TNC 255 FM
GTIN 4013364108141, Customs tariff No. (EU): 85363090, Gross weight: 1020.00 g, PU: 1.00 db.
PredecessorTechnical data
| SPD típus/osztály az MSZ EN 61643-11 / ... IEC 61643-11 alapján | 1.típus + 2.típus/ I.osztály + II.osztály |
| Levezetési áramimpulzus (10/350 µs) [L1+L2+L3-PEN] (Itotal ) | 75 kA |
| Levezetési áramimpulzus (10/350 µs) [L-PEN] (Iimp ) | 25 kA |
| Védelmi feszültségszint (UP ) | ≤ 1,5 kV |
| Max. előtétbiztosító (L) IK = 50 kAeff értékig | 315 A gG |
| Tanúsítványok | KEMA, VDE, UL |
| Jelzőérintkező / Érintkezőtípus | váltóérintkező |
| Bővített műszaki adatok: | Alkalmazás kapcsolószekrényekben, ahol a független zárlati áram nagyobb mint 50 kAeff |
| – Max. független zárlati áram | 100 kAeff (220 kAcsúcs) |
Part No. 951400 DV M TNS 255
GTIN 4013364108158, Customs tariff No. (EU): 85363090, Gross weight: 1.40 kg, PU: 1.00 db.
PredecessorTechnical data
| SPD típus/osztály az MSZ EN 61643-11 / ... IEC 61643-11 alapján | 1.típus + 2.típus/ I.osztály + II.osztály |
| Levezetési áramimpulzus (10/350 µs) [L1+L2+L3+N-PE] (Itotal ) | 100 kA |
| Levezetési áramimpulzus (10/350 µs) [L, N-PE] (Iimp ) | 25 kA |
| Védelmi feszültségszint [L-PE]/[N-PE] (UP ) | ≤ 1,5 / ≤ 1,5 k |
| Max. előtétbiztosító (L) IK = 50 kAeff értékig | 315 A gG |
| Tanúsítványok | KEMA, VDE, UL |
| Bővített műszaki adatok: | Alkalmazás kapcsolószekrényekben, ahol a független zárlati áram nagyobb mint 50 kAeff |
| – Max. független zárlati áram | 100 kAeff (220 kAcsúcs) |
Part No. 951405 DV M TNS 255 FM
GTIN 4013364108165, Customs tariff No. (EU): 85363090, Gross weight: 1.40 kg, PU: 1.00 db.
PredecessorTechnical data
| SPD típus/osztály az MSZ EN 61643-11 / ... IEC 61643-11 alapján | 1.típus + 2.típus/ I.osztály + II.osztály |
| Levezetési áramimpulzus (10/350 µs) [L1+L2+L3+N-PE] (Itotal ) | 100 kA |
| Levezetési áramimpulzus (10/350 µs) [L, N-PE] (Iimp ) | 25 kA |
| Védelmi feszültségszint [L-PE]/[N-PE] (UP ) | ≤ 1,5 / ≤ 1,5 k |
| Max. előtétbiztosító (L) IK = 50 kAeff értékig | 315 A gG |
| Tanúsítványok | KEMA, VDE, UL |
| Jelzőérintkező / Érintkezőtípus | váltóérintkező |
| Bővített műszaki adatok: | Alkalmazás kapcsolószekrényekben, ahol a független zárlati áram nagyobb mint 50 kAeff |
| – Max. független zárlati áram | 100 kAeff (220 kAcsúcs) |
Part No. 951310 DV M TT 255
GTIN 4013364108172, Customs tariff No. (EU): 85363090, Gross weight: 1.31 kg, PU: 1.00 db.
PredecessorTechnical data
| SPD típus/osztály az MSZ EN 61643-11 / ... IEC 61643-11 alapján | 1.típus + 2.típus/ I.osztály + II.osztály |
| Levezetési áramimpulzus (10/350 µs) [L1+L2+L3+N-PE] (Itotal ) | 100 kA |
| Levezetési áramimpulzus (10/350 µs) [L-N]/[N-PE] (Iimp ) | 25 / 100 kA |
| Védelmi feszültségszint [L-N]/[N-PE] (UP ) | ≤ 1,5 / ≤ 1,5 k |
| Max. előtétbiztosító (L) IK = 50 kAeff értékig | 315 A gG |
| Tanúsítványok | KEMA, VDE, UL |
| Bővített műszaki adatok: | Alkalmazás kapcsolószekrényekben, ahol a független zárlati áram nagyobb mint 50 kAeff |
| – Max. független zárlati áram | 100 kAeff (220 kAcsúcs) |
| Kiegészítő adatok: | --------------------------------- |
| – Védelmi feszültségszint [L-PE] (UP ) | 2,2 kV |
Part No. 951315 DV M TT 255 FM
GTIN 4013364108189, Customs tariff No. (EU): 85363090, Gross weight: 1.32 kg, PU: 1.00 db.
PredecessorTechnical data
| SPD típus/osztály az MSZ EN 61643-11 / ... IEC 61643-11 alapján | 1.típus + 2.típus/ I.osztály + II.osztály |
| Levezetési áramimpulzus (10/350 µs) [L1+L2+L3+N-PE] (Itotal ) | 100 kA |
| Levezetési áramimpulzus (10/350 µs) [L-N]/[N-PE] (Iimp ) | 25 / 100 kA |
| Védelmi feszültségszint [L-N]/[N-PE] (UP ) | ≤ 1,5 / ≤ 1,5 k |
| Max. előtétbiztosító (L) IK = 50 kAeff értékig | 315 A gG |
| Tanúsítványok | KEMA, VDE, UL |
| Jelzőérintkező / Érintkezőtípus | váltóérintkező |
| Bővített műszaki adatok: | Alkalmazás kapcsolószekrényekben, ahol a független zárlati áram nagyobb mint 50 kAeff |
| – Max. független zárlati áram | 100 kAeff (220 kAcsúcs) |
| Kiegészítő adatok: | --------------------------------- |
| – Védelmi feszültségszint [L-PE] (UP ) | 2,2 kV |
Part No. 951200 DV M TN 255
GTIN 4013364108097, Customs tariff No. (EU): 85363090, Gross weight: 754.00 g, PU: 1.00 db.
PredecessorTechnical data
| SPD típus/osztály az MSZ EN 61643-11 / ... IEC 61643-11 alapján | 1.típus + 2.típus/ I.osztály + II.osztály |
| Levezetési áramimpulzus (10/350 µs) [L+N-PE] (Itotal ) | 50 kA |
| Levezetési áramimpulzus (10/350 µs) [L, N-PE] (Iimp ) | 25 kA |
| Védelmi feszültségszint [L-PE]/[N-PE] (UP ) | ≤ 1,5 / ≤ 1,5 k |
| Max. előtétbiztosító (L) IK = 50 kAeff értékig | 315 A gG |
| Tanúsítványok | KEMA, VDE, UL |
| Bővített műszaki adatok: | Alkalmazás kapcsolószekrényekben, ahol a független zárlati áram nagyobb mint 50 kAeff |
| – Max. független zárlati áram | 100 kAeff (220 kAcsúcs) |
Part No. 951205 DV M TN 255 FM
GTIN 4013364108103, Customs tariff No. (EU): 85363090, Gross weight: 698.50 g, PU: 1.00 db.
PredecessorTechnical data
| SPD típus/osztály az MSZ EN 61643-11 / ... IEC 61643-11 alapján | 1.típus + 2.típus/ I.osztály + II.osztály |
| Levezetési áramimpulzus (10/350 µs) [L+N-PE] (Itotal ) | 50 kA |
| Levezetési áramimpulzus (10/350 µs) [L, N-PE] (Iimp ) | 25 kA |
| Védelmi feszültségszint [L-PE]/[N-PE] (UP ) | ≤ 1,5 / ≤ 1,5 k |
| Max. előtétbiztosító (L) IK = 50 kAeff értékig | 315 A gG |
| Tanúsítványok | KEMA, VDE, UL |
| Jelzőérintkező / Érintkezőtípus | váltóérintkező |
| Bővített műszaki adatok: | Alkalmazás kapcsolószekrényekben, ahol a független zárlati áram nagyobb mint 50 kAeff |
| – Max. független zárlati áram | 100 kAeff (220 kAcsúcs) |
Part No. 951110 DV M TT 2P 255
GTIN 4013364108110, Customs tariff No. (EU): 85363090, Gross weight: 688.59 g, PU: 1.00 db.
PredecessorTechnical data
| SPD típus/osztály az MSZ EN 61643-11 / ... IEC 61643-11 alapján | 1.típus + 2.típus/ I.osztály + II.osztály |
| Levezetési áramimpulzus (10/350 µs) [L+N-PE] (Itotal ) | 50 kA |
| Levezetési áramimpulzus (10/350 µs) [L-N]/[N-PE] (Iimp ) | 25 / 50 kA |
| Védelmi feszültségszint [L-N]/[N-PE] (UP ) | ≤ 1,5 / ≤ 1,5 k |
| Max. előtétbiztosító (L) IK = 50 kAeff értékig | 315 A gG |
| Tanúsítványok | KEMA, VDE, UL |
| Bővített műszaki adatok: | Alkalmazás kapcsolószekrényekben, ahol a független zárlati áram nagyobb mint 50 kAeff |
| – Max. független zárlati áram | 100 kAeff (220 kAcsúcs) |
| Kiegészítő adatok: | --------------------------------- |
| – Védelmi feszültségszint [L-PE] (UP ) | 2,2 kV |
Part No. 951115 DV M TT 2P 255 FM
GTIN 4013364108127, Customs tariff No. (EU): 85363090, Gross weight: 694.38 g, PU: 1.00 db.
PredecessorTechnical data
| SPD típus/osztály az MSZ EN 61643-11 / ... IEC 61643-11 alapján | 1.típus + 2.típus/ I.osztály + II.osztály |
| Levezetési áramimpulzus (10/350 µs) [L+N-PE] (Itotal ) | 50 kA |
| Levezetési áramimpulzus (10/350 µs) [L-N]/[N-PE] (Iimp ) | 25 / 50 kA |
| Védelmi feszültségszint [L-N]/[N-PE] (UP ) | ≤ 1,5 / ≤ 1,5 k |
| Max. előtétbiztosító (L) IK = 50 kAeff értékig | 315 A gG |
| Tanúsítványok | KEMA, VDE, UL |
| Jelzőérintkező / Érintkezőtípus | váltóérintkező |
| Bővített műszaki adatok: | Alkalmazás kapcsolószekrényekben, ahol a független zárlati áram nagyobb mint 50 kAeff |
| – Max. független zárlati áram | 100 kAeff (220 kAcsúcs) |
| Kiegészítő adatok: | --------------------------------- |
| – Védelmi feszültségszint [L-PE] (UP ) | 2,2 kV |
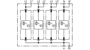
Part No. 961305 DV ACI M TNC 264 FM
GTIN 4013364513440, Customs tariff No. (EU): 85363090, Gross weight: 2.42 kg, PU: 1.00 db.
Technical data
| SPD az EN 61673-11 / IEC 61643-11 szerint | 1. típus + 2. típus + 3. típus / I. osztály + II. osztály + III. osztály |
| Levezetési áramimpulzus (10/350 µs) [L1+L2+L3-PEN] (Itotal ) | 75 kA |
| Levezetési áramimpulzus (10/350 µs) [L-PEN] (Iimp ) | 25 kA |
| Védelmi feszültségszint (UP ) | ≤ 1,5 kV |
| Bővített műszaki adatok: | Alkalmazás kapcsolószekrényekben, ahol a független zárlati áram nagyobb mint 50 kAeff |
| – Max. független zárlati áram | 100 kAeff (220 kApeak) |
Part No. 961405 DV ACI M TNS 264 FM
GTIN 4013364513365, Customs tariff No. (EU): 85363090, Gross weight: 2.42 kg, PU: 1.00 db.
Technical data
| SPD az EN 61673-11 / IEC 61643-11 szerint | 1. típus + 2. típus + 3. típus / I. osztály + II. osztály + III. osztály |
| Levezetési áramimpulzus (10/350 µs) [L1+L2+L3+N-PE] (Itotal ) | 100 kA |
| Levezetési áramimpulzus (10/350 µs) [L, N-PE] (Iimp ) | 25 kA |
| Védelmi feszültségszint [L-PE]/[N-PE] (UP ) | ≤ 1,5 kV |
| Bővített műszaki adatok: | Alkalmazás kapcsolószekrényekben, ahol a független zárlati áram nagyobb mint 50 kAeff |
| – Max. független zárlati áram | 100 kAeff (220 kApeak) |
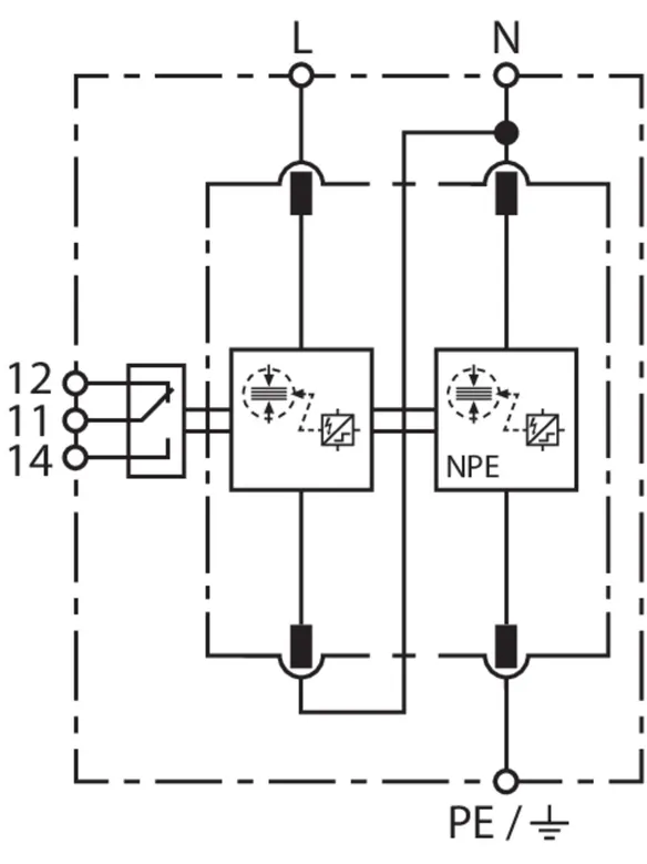
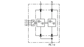
DEHNventil M2 880 FM
Dugaszolható villám- és túlfeszültség-levezetők készlete szigetelt modul vezetékrögzítő sínnel együtt, alkalmazhatók inverteres rendszerekben aktív anti PID-del 750 V DC maximális DC offset mellett. Földelőrendszerek bekötése az IEC 60364-4-44, Table 44.A1 - RE és Z, valamint RE és RA szerint.
1 Product
Part No. 961151 DV M2 880 FM
GTIN 4013364532557, Customs tariff No. (EU): 85363090, Gross weight: 1.07 kg, PU: 1.00 db.
Technical data
| SPD típus/osztály az MSZ EN 61643-11 / ... IEC 61643-11 alapján | 1. típus + 2. típus / I. osztály + II. osztály |
| Villámáram impulzus (10/350 µs) [1,2-3] (Iimp ) | 12,5 kA |
| Max. előtétbiztosító (L) IK = 50 kAeff értékig | 160 A gG |
| Jelzőérintkező / Érintkezőtípus | igen / váltó |
| Kiegészítő adatok: | --------------------------------- |
| – Anti-PID feszültség (U1-3 + UPID ) | 508 VAC + 750 VDC – szilárdság |
