DEHNguard SE CI beépített előtét-biztosítóval

  • Védőmodulba beépített levezető-előbiztosító
  • Alkalmazás nagyobb névleges feszültségeknél
  • Energetikailag koordinált a Red/Line termékcsaládon belül
  • Magas levezetési képesség
  • Nagy készülékbiztonság a „Thermo Dynamic Control” levezető-felügyeletnek köszönhetően
  • Egyszerű, szerszámmentes védőmodulcsere modulreteszelő rendszer következtében modul reteszelésoldó gombbal
  • Rezgés- és ütésállóság az MSZ EN 60068-2 szabvány szerint

DEHNguard SE CI 440 FM

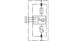
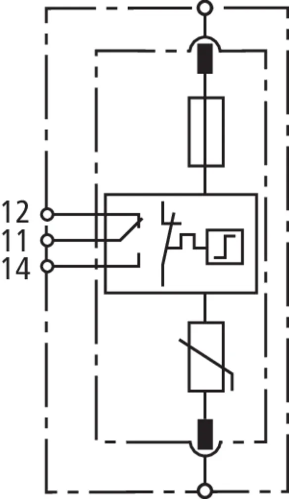
Moduláris egypólusú túlfeszültség-védelmi készülék mely alapmodulból és dugaszolható védelmi modulból áll; beépített előtét-biztosítóval és távjelző érintkezővel felügyeleti rendszer számára (potenciálfüggetlen váltóérintkező)

1 Product

Part No. 952920 DG SE CI 440 FM

GTIN 4013364322622, Customs tariff No. (EU): 85363030, Gross weight: 178.00 g, PU: 1.00 db.


Images

Additional information

DEHNguard SE CI 440 FM túlfeszültség-korlátozó
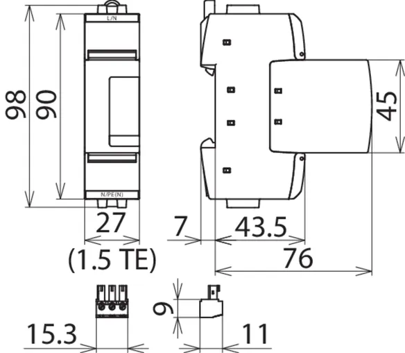
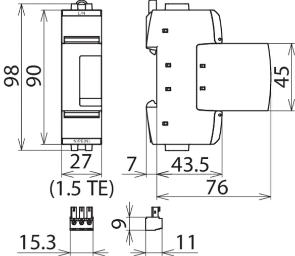
beépített előtét-biztosítóval, beépítési méretek 1.5 modul
távjelző érintkezővel
2.típusú SPD az MSZ EN 61643-11 szabvány szerint
Túlfeszültség-korlátozó, beépített előtét-biztosító mechanikai hibajelzése
Legnagyobb folyamatos üzemi feszültség: 440 V AC
Védelmi feszültségszint: <= 2 kV
Névleges levezetési áram: 12.5 kA
Nincs szükség további előtét-biztosítóra
max. 25 kAeff rövidzárlati áramig
Energia koordináció az MSZ EN 62305-4 szabvány szerint
a Red/Line termékcsalád többi készülékeivel

Gyártó: DEHN
Típus: DG SE CI 440 FM
Cikksz.: 952920
vagy egyenértékű.

Certificates

 

Circuit Interruption

The backup fuse is already integrated here. This means: reduced space requirement, lower installation costs, faster wiring, and shorter connecting cables. This concept can be found in the product ranges DEHNvenCI, DEHNbloc Maxi S, DEHNguard ... CI and V(A) NH...

Technical data

SPD típus/osztály az MSZ EN 61643-11 / ... IEC 61643-11 alapján 2.típus / II.osztály
Legnagyobb folyamatos üzemi feszültség AC (UC ) 440 V (50 / 60 Hz)
Névleges levezetési áram (8/20 µs) (In ) 12,5 kA
Védelmi feszültségszint (UP ) ≤ 2 kV
Max. hálózatoldali túláramvédelem nem szükséges
Jelzőérintkező / Érintkezőtípus váltóérintkező

Product 952920 was added to Notepad.

Product 952920 was added to the cart.


DEHNguard SE CI WE 440 FM

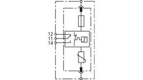
Moduláris egypólusú túlfeszültség-védelmi készülék, Umov = 750V AC névleges varisztor feszültséggel, mely alapmodulból és dugaszolható védelmi modulból áll; beépített előtét-biztosítóval és távjelző érintkezővel felügyeleti rendszer számára (potenciálfüggetlen váltóérintkező)

1 Product

Part No. 952923 DG SE CI WE 440 FM

GTIN 4013364322639, Customs tariff No. (EU): 85363030, Gross weight: 184.00 g, PU: 1.00 db.


Images

Additional information

DEHNguard SE CI 440 WE FM túlfeszültség-korlátozó
beépített előtét-biztosítóval, beépítési méretek 1.5 modul
távjelző érintkezővel
2.típusú SPD az MSZ EN 61643-11 szabvány szerint
Túlfeszültség-korlátozó, beépített előtét-biztosító mechanikai hibajelzése
Legnagyobb folyamatos üzemi feszültség: 440 V AC
Varisztor névleges feszültség: 750V AC
Védelmi feszültségszint: <= 3 kV
Névleges levezetési áram: 12.5 kA
Nincs szükség további előtét-biztosítóra
max. 25 kAeff rövidzárlati áramig
Energia koordináció az MSZ EN 62305-4 szabvány szerint
a Red/Line termékcsalád többi készülékeivel

Gyártó: DEHN
Típus: DG SE CI WE 440 FM
Cikksz.: 952923
vagy egyenértékű.

Certificates

 

Circuit Interruption

The backup fuse is already integrated here. This means: reduced space requirement, lower installation costs, faster wiring, and shorter connecting cables. This concept can be found in the product ranges DEHNvenCI, DEHNbloc Maxi S, DEHNguard ... CI and V(A) NH...

Technical data

SPD típus/osztály az MSZ EN 61643-11 / ... IEC 61643-11 alapján 2.típus / II.osztály
Legnagyobb folyamatos üzemi feszültség AC (UC ) 440 V (50 / 60 Hz)
Varisztor névleges feszültség AC (Umov ) 750 V
Névleges levezetési áram (8/20 µs) (In ) 12,5 kA
Védelmi feszültségszint (UP ) ≤ 3 kV
Max. hálózatoldali túláramvédelem nem szükséges
Jelzőérintkező / Érintkezőtípus váltóérintkező

Product 952923 was added to Notepad.

Product 952923 was added to the cart.


back to top