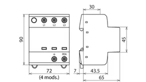
DEHNshield
- Application-optimised and prewired spark-gap-based type 1 + type 2 combined lightning current and surge arrester
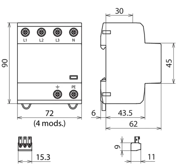
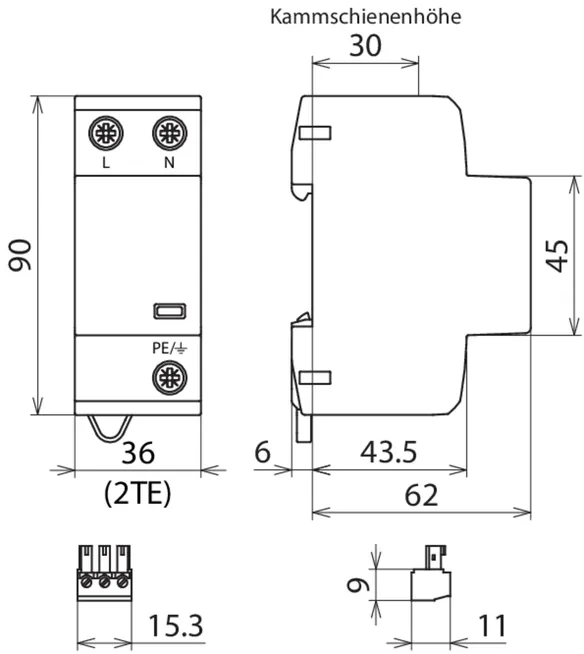
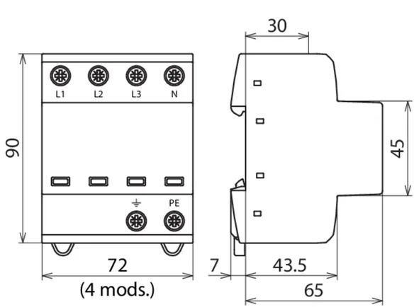
- Compact design due to space-saving spark gap technology with a width of only one module / pole
- Fulfils the minimum requirements on the lightning current discharge capacity according to IEC 60364-5-53
- Allows compact lightning equipotential bonding including protection of terminal equipment
- Discharge capacity up to 50 kA (10/350 µs)
- Operating state / fault indication by green / red indicator flag in the inspection window
- High follow current extinguishing capacity (Ifi = 25 kArms)
Details
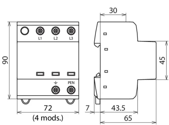
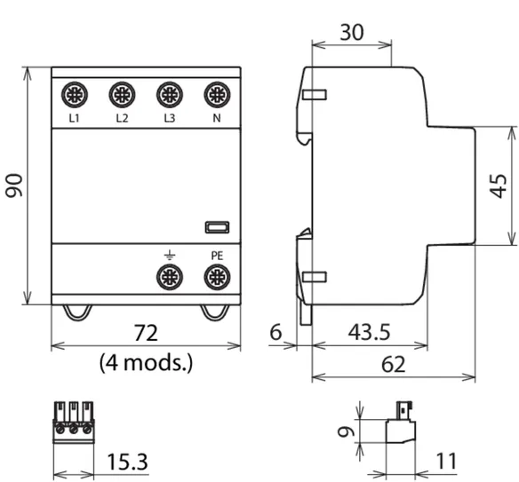
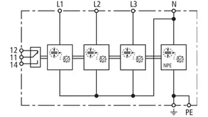
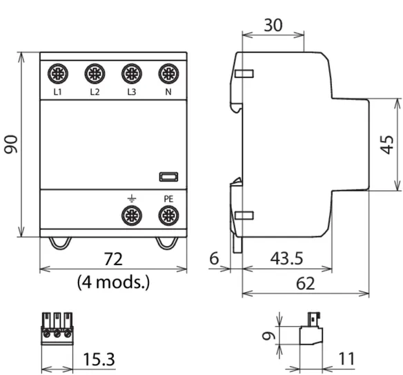
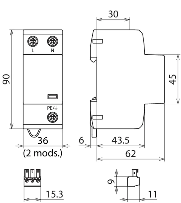
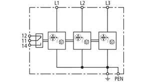
Part No. 941300 DSH TNC 255
GTIN 4013364133556, Customs tariff No. (EU): 85363090, Gross weight: 415.80 g, PU: 1.00 pc(s)
Technical data
| SPD according to EN 61643-11 / IEC 61643-11 | type 1 + type 2 / class I + class II |
| Max. continuous operating voltage (a.c.) (UC ) | 255 V (50 / 60 Hz) |
| Lightning impulse current (10/350 µs) [L1+L2+L3-PEN] (Itotal ) | 37.5 kA |
| Lightning impulse current (10/350 µs) [L-PEN] (Iimp ) | 12.5 kA |
| Voltage protection level (UP ) | ≤ 1.5 kV |
| Max. mains-side overcurrent protection | 160 A gG |
| Approvals | KEMA, VDE, UL |
Part No. 941305 DSH TNC 255 FM
GTIN 4013364275317, Customs tariff No. (EU): 85363090, Gross weight: 420.60 g, PU: 1.00 pc(s)
Technical data
| SPD according to EN 61643-11 / IEC 61643-11 | type 1 + type 2 / class I + class II |
| Max. continuous operating voltage (a.c.) (UC ) | 255 V (50 / 60 Hz) |
| Lightning impulse current (10/350 µs) [L1+L2+L3-PEN] (Itotal ) | 37.5 kA |
| Lightning impulse current (10/350 µs) [L-PEN] (Iimp ) | 12.5 kA |
| Voltage protection level (UP ) | ≤ 1.5 kV |
| Max. mains-side overcurrent protection | 160 A gG |
| Approvals | KEMA, VDE |
| Type of remote signalling contact | changeover contact |
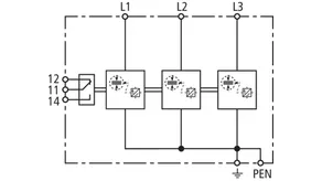
DEHNshield TNC Basic FM
Application-optimised and prewired combined lightning current and surge arrester for TN-C systems for use in the main power supply system (3+0 configuration) in case of residential buildings without external lightning protection system (also in case of buildings supplied by overhead lines); with floating remote signalling contact.
1 Product
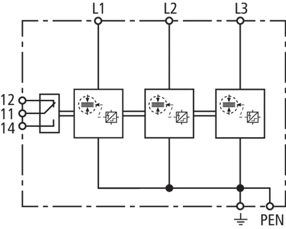
Part No. 941306 DSH B TNC 255 FM
GTIN 4013364328068, Customs tariff No. (EU): 85363090, Gross weight: 422.00 g, PU: 1.00 pc(s)
Technical data
| SPD according to EN 61643-11 / IEC 61643-11 | type 1 + type 2 / class I + class II |
| Max. continuous operating voltage (a.c.) (UC ) | 255 V (50 / 60 Hz) |
| Lightning impulse current (10/350 µs) [L1+L2+L3-PEN] (Itotal ) | 22.5 kA |
| Lightning impulse current (10/350 µs) [L-PEN] (Iimp ) | 7.5 kA |
| Voltage protection level (UP ) | ≤ 1.5 kV |
| Max. mains-side overcurrent protection | 160 A gG |
| Approvals | VDE |
| Type of remote signalling contact | changeover contact |
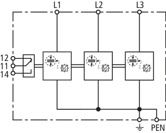
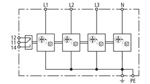
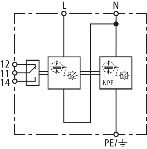
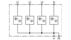
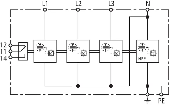
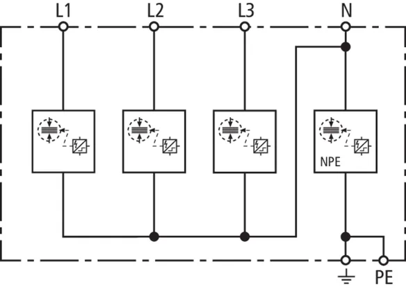
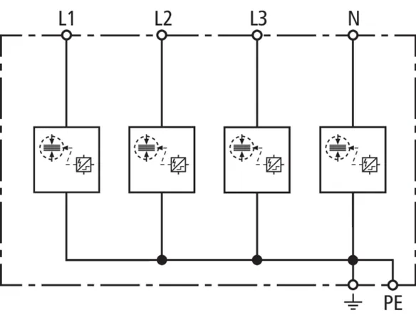
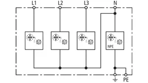
Part No. 941400 DSH TNS 255
GTIN 4013364133563, Customs tariff No. (EU): 85363090, Gross weight: 555.00 g, PU: 1.00 pc(s)
Technical data
| SPD according to EN 61643-11 / IEC 61643-11 | type 1 + type 2 / class I + class II |
| Max. continuous operating voltage (a.c.) (UC ) | 255 V (50 / 60 Hz) |
| Lightning impulse current (10/350 µs) [L1+L2+L3+N-PE] (Itotal ) | 50 kA |
| Lightning impulse current (10/350 µs) [L, N-PE] (Iimp ) | 12.5 kA |
| Voltage protection level [L-PE]/[N-PE] (UP ) | ≤ 1.5 / ≤ 1.5 kV |
| Max. mains-side overcurrent protection | 160 A gG |
| Approvals | KEMA, VDE, UL |
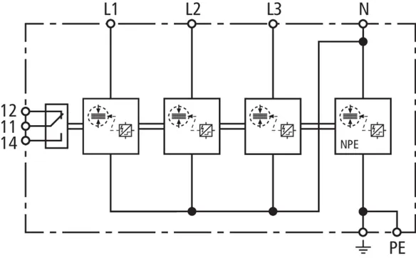
Part No. 941405 DSH TNS 255 FM
GTIN 4013364275331, Customs tariff No. (EU): 85363090, Gross weight: 488.30 g, PU: 1.00 pc(s)
Technical data
| SPD according to EN 61643-11 / IEC 61643-11 | type 1 + type 2 / class I + class II |
| Max. continuous operating voltage (a.c.) (UC ) | 255 V (50 / 60 Hz) |
| Lightning impulse current (10/350 µs) [L1+L2+L3+N-PE] (Itotal ) | 50 kA |
| Lightning impulse current (10/350 µs) [L, N-PE] (Iimp ) | 12.5 kA |
| Voltage protection level [L-PE]/[N-PE] (UP ) | ≤ 1.5 / ≤ 1.5 kV |
| Max. mains-side overcurrent protection | 160 A gG |
| Approvals | KEMA, VDE |
| Type of remote signalling contact | changeover contact |
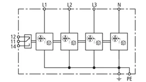
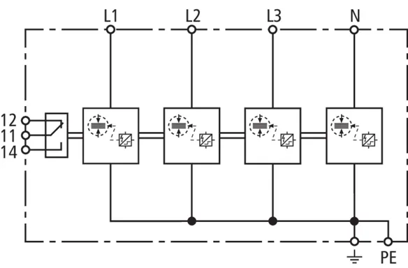
DEHNshield TNS Basic FM
Application-optimised and prewired combined lightning current and surge arrester for TN-S systems for use in the main power supply system (4+0 configuration) in case of residential buildings without external lightning protection system (also in case of buildings supplied by overhead lines); with floating remote signalling contact.
1 Product
Part No. 941406 DSH B TNS 255 FM
GTIN 4013364328082, Customs tariff No. (EU): 85363090, Gross weight: 489.00 g, PU: 1.00 pc(s)
Technical data
| SPD according to EN 61643-11 / IEC 61643-11 | type 1 + type 2 / class I + class II |
| Max. continuous operating voltage (a.c.) (UC ) | 255 V (50 / 60 Hz) |
| Lightning impulse current (10/350 µs) [L1+L2+L3+N-PE] (Itotal ) | 30 kA |
| Lightning impulse current (10/350 µs) [L, N-PE] (Iimp ) | 7.5 kA |
| Voltage protection level [L-PE]/[N-PE] (UP ) | ≤ 1.5 / ≤ 1.5 kV |
| Max. mains-side overcurrent protection | 160 A gG |
| Approvals | VDE |
| Type of remote signalling contact | changeover contact |
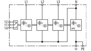
Part No. 941310 DSH TT 255
GTIN 4013364131798, Customs tariff No. (EU): 85363090, Gross weight: 509.90 g, PU: 1.00 pc(s)
Technical data
| SPD according to EN 61643-11 / IEC 61643-11 | type 1 + type 2 / class I + class II |
| Max. continuous operating voltage (a.c.) (UC ) | 255 V (50 / 60 Hz) |
| Lightning impulse current (10/350 µs) [L1+L2+L3+N-PE] (Itotal ) | 50 kA |
| Lightning impulse current (10/350 µs) [L-N]/[N-PE] (Iimp ) | 12.5 / 50 kA |
| Voltage protection level [L-N]/[N-PE] (UP ) | ≤ 1.5 / ≤ 1.5 kV |
| Max. mains-side overcurrent protection | 160 A gG |
| Approvals | KEMA, VDE, UL |
| Extended technical data: | --------------------------------- |
| Voltage protection level [L-PE] (UP ) | 2.0 kV |
Part No. 941315 DSH TT 255 FM
GTIN 4013364275324, Customs tariff No. (EU): 85363090, Gross weight: 508.80 g, PU: 1.00 pc(s)
Technical data
| SPD according to EN 61643-11 / IEC 61643-11 | type 1 + type 2 / class I + class II |
| Max. continuous operating voltage (a.c.) (UC ) | 255 V (50 / 60 Hz) |
| Lightning impulse current (10/350 µs) [L1+L2+L3+N-PE] (Itotal ) | 50 kA |
| Lightning impulse current (10/350 µs) [L-N]/[N-PE] (Iimp ) | 12.5 / 50 kA |
| Voltage protection level [L-N]/[N-PE] (UP ) | ≤ 1.5 / ≤ 1.5 kV |
| Max. mains-side overcurrent protection | 160 A gG |
| Approvals | KEMA, VDE |
| Type of remote signalling contact | changeover contact |
| Extended technical data: | --------------------------------- |
| Voltage protection level [L-PE] (UP ) | 2.0 kV |
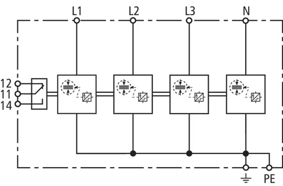
DEHNshield TT Basic FM
Application-optimised and prewired combined lightning current and surge arrester for TT and TN-S systems for use in the main power supply system (3+1 configuration) for residential buildings without external lightning protection (also for buildings supplied by overhead lines); with floating remote signalling contact.
1 Product
Part No. 941316 DSH B TT 255 FM
GTIN 4013364328075, Customs tariff No. (EU): 85363090, Gross weight: 510.00 g, PU: 1.00 pc(s)
Technical data
| SPD according to EN 61643-11 / IEC 61643-11 | type 1 + type 2 / class I + class II |
| Max. continuous operating voltage (a.c.) (UC ) | 255 V (50 / 60 Hz) |
| Lightning impulse current (10/350 µs) [L1+L2+L3+N-PE] (Itotal ) | 30 kA |
| Lightning impulse current (10/350 µs) [L-N]/[N-PE] (Iimp ) | 7.5 / 30 kA |
| Voltage protection level [L-N]/[N-PE] (UP ) | ≤ 1.5 / ≤ 1.5 kV |
| Max. mains-side overcurrent protection | 160 A gG |
| Approvals | VDE |
| Type of remote signalling contact | changeover contact |
| Extended technical data: | --------------------------------- |
| Voltage protection level [L-PE] (UP ) | 2.0 kV |
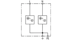
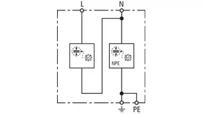
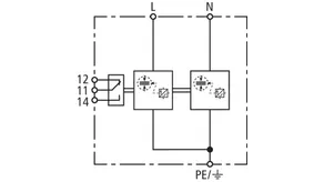
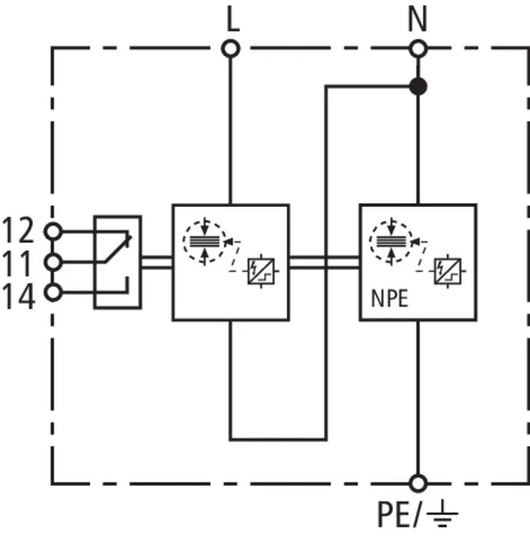
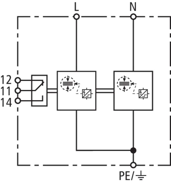
Part No. 941200 DSH TN 255
GTIN 4013364138209, Customs tariff No. (EU): 85363090, Gross weight: 266.00 g, PU: 1.00 pc(s)
Technical data
| SPD according to EN 61643-11 / IEC 61643-11 | type 1 + type 2 / class I + class II |
| Max. continuous operating voltage (a.c.) (UC ) | 255 V (50 / 60 Hz) |
| Lightning impulse current (10/350 µs) [L+N-PE] (Itotal ) | 25 kA |
| Lightning impulse current (10/350 µs) [L, N-PE] (Iimp ) | 12.5 kA |
| Voltage protection level [L-PE]/[N-PE] (UP ) | ≤ 1.5 /≤ 1.5 kV |
| Max. mains-side overcurrent protection | 160 A gG |
| Approvals | KEMA, VDE, UL |
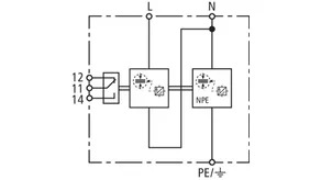
Part No. 941205 DSH TN 255 FM
GTIN 4013364289185, Customs tariff No. (EU): 85363090, Gross weight: 276.00 g, PU: 1.00 pc(s)
Technical data
| SPD according to EN 61643-11 / IEC 61643-11 | type 1 + type 2 / class I + class II |
| Max. continuous operating voltage (a.c.) (UC ) | 255 V (50 / 60 Hz) |
| Lightning impulse current (10/350 µs) [L+N-PE] (Itotal ) | 25 kA |
| Lightning impulse current (10/350 µs) [L, N-PE] (Iimp ) | 12.5 kA |
| Voltage protection level [L-PE]/[N-PE] (UP ) | ≤ 1.5 /≤ 1.5 kV |
| Max. mains-side overcurrent protection | 160 A gG |
| Approvals | KEMA, VDE |
| Type of remote signalling contact | changeover contact |
DEHNshield TN Basic FM
Application-optimised and prewired combined lightning current and surge arrester for single-phase TN systems for use in the main power supply system (2+0 configuration) in case of residential buildings without external lightning protection system (also in case of buildings supplied by overhead lines); with floating remote signalling contact.
1 Product
Part No. 941206 DSH B TN 255 FM
GTIN 4013364373839, Customs tariff No. (EU): 85363090, Gross weight: 276.00 g, PU: 1.00 pc(s)
Technical data
| SPD according to EN 61643-11 / IEC 61643-11 | type 1 + type 2 / class I + class II |
| Max. continuous operating voltage (a.c.) (UC ) | 255 V (50 / 60 Hz) |
| Lightning impulse current (10/350 µs) [L+N-PE] (Itotal ) | 15 kA |
| Lightning impulse current (10/350 µs) [L, N-PE] (Iimp ) | 7.5 kA |
| Voltage protection level [L-PE]/[N-PE] (UP ) | ≤ 1.5 /≤ 1.5 kV |
| Max. mains-side overcurrent protection | 160 A gG |
| Type of remote signalling contact | changeover contact |
Part No. 941110 DSH TT 2P 255
GTIN 4013364137899, Customs tariff No. (EU): 85363090, Gross weight: 291.00 g, PU: 1.00 pc(s)
Technical data
| SPD according to EN 61643-11 / IEC 61643-11 | type 1 + type 2 / class I + class II |
| Max. continuous operating voltage (a.c.) (UC ) | 255 V (50 / 60 Hz) |
| Lightning impulse current (10/350 µs) [L+N-PE] (Itotal ) | 25 kA |
| Lightning impulse current (10/350 µs) [L-N]/[N-PE] (Iimp ) | 12.5 / 25 kA |
| Voltage protection level [L-N]/[N-PE] (UP ) | ≤ 1.5 / ≤ 1.5 kV |
| Max. mains-side overcurrent protection | 160 A gG |
| Approvals | KEMA, VDE, UL |
| Extended technical data: | --------------------------------- |
| Voltage protection level [L-PE] (UP ) | 2.0 kV |
Part No. 941115 DSH TT 2P 255 FM
GTIN 4013364289208, Customs tariff No. (EU): 85363090, Gross weight: 301.00 g, PU: 1.00 pc(s)
Technical data
| SPD according to EN 61643-11 / IEC 61643-11 | type 1 + type 2 / class I + class II |
| Max. continuous operating voltage (a.c.) (UC ) | 255 V (50 / 60 Hz) |
| Lightning impulse current (10/350 µs) [L+N-PE] (Itotal ) | 25 kA |
| Lightning impulse current (10/350 µs) [L-N]/[N-PE] (Iimp ) | 12.5 / 25 kA |
| Voltage protection level [L-N]/[N-PE] (UP ) | ≤ 1.5 / ≤ 1.5 kV |
| Max. mains-side overcurrent protection | 160 A gG |
| Approvals | KEMA, VDE |
| Type of remote signalling contact | changeover contact |
| Extended technical data: | --------------------------------- |
| Voltage protection level [L-PE] (UP ) | 2.0 kV |
DEHNshield TT 2P Basic FM
Application-optimised and prewired combined lightning current and surge arrester for single-phase TT and TN systems for use in the main power supply system (1+1 configuration) in case of residential buildings without external lightning protection system (also in case of buildings supplied by overhead lines); with floating remote signalling contact.
1 Product
Part No. 941116 DSH B TT 2P 255 FM
GTIN 4013364373235, Customs tariff No. (EU): 85363090, Gross weight: 301.00 g, PU: 1.00 pc(s)
Technical data
| SPD according to EN 61643-11 / IEC 61643-11 | type 1 + type 2 / class I + class II |
| Max. continuous operating voltage (a.c.) (UC ) | 255 V (50 / 60 Hz) |
| Lightning impulse current (10/350 µs) [L+N-PE] (Itotal ) | 15 kA |
| Lightning impulse current (10/350 µs) [L-N]/[N-PE] (Iimp ) | 7.5 / 15 kA |
| Voltage protection level [L-N]/[N-PE] (UP ) | ≤ 1.5 / ≤ 1.5 kV |
| Max. mains-side overcurrent protection | 160 A gG |
| Type of remote signalling contact | changeover contact |
| Extended technical data: | --------------------------------- |
| Voltage protection level [L-PE] (UP ) | 2.0 kV |