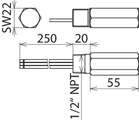
DEHNpipe

Surge arresters to be screwed onto field devices
  • Parallel or series connection
  • Made of corrosion-resistant stainless steel
  • Arrester for protecting a second interface (data or power side) available
Types for Ex (i) and Ex (d) applications
  • For protecting intrinsically safe measuring circuits and bus systems Ex (i)
  • Type in a flameproof enclosure Ex (d)
Variety of approvalsApprovals depending on the arrester: IECEx, ATEX, FISCO, CSA Hazloc

Details

Robust type made of corrosion-resistant stainless steel.
lorem ipsum
Types for series connection.
lorem ipsum
ATEX and IECEx approval.
lorem ipsum
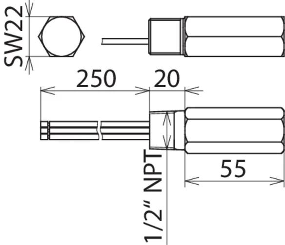
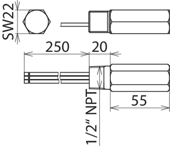
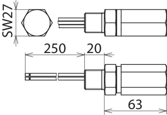
Metric and NPT thread.
lorem ipsum

DPI MD

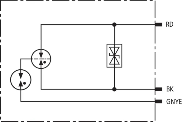
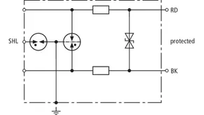
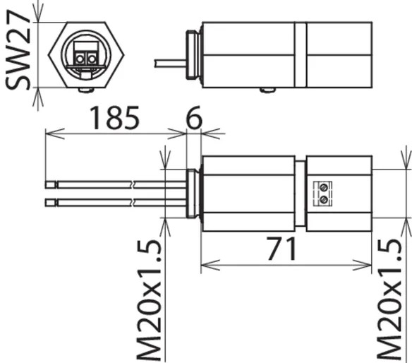
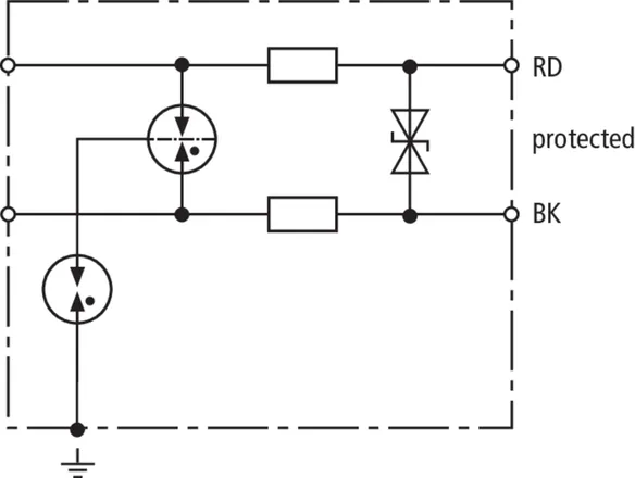
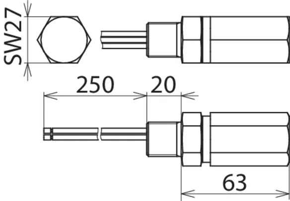
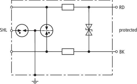
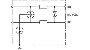
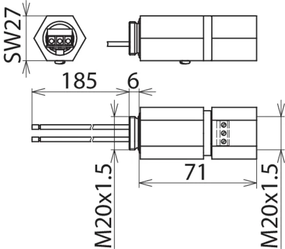
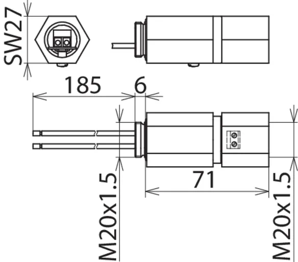
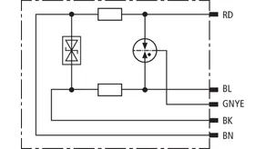
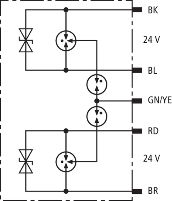
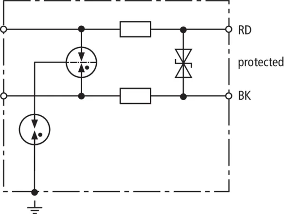
Energy-coordinated two-stage arrester, no leakage currents to earth, for 4-20 mA interfaces with M20 x 1.5 thread (female/male). Direct, indirect or no shield earthing. Cable gland available as an accessory.

1 Product

Part No. 929941 DPI MD 24 M 2S

GTIN 4013364098152, Customs tariff No. (EU): 85363010, Gross weight: 187.40 g, PU: 1.00 pc(s)


Images

Additional information

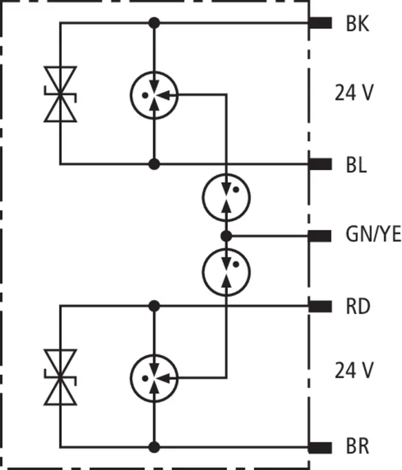
DEHNpipe DPI MD 24 M 2S leakage-current-free two-stage arrester
Surge arrester DEHNpipe, SPD class TYPE 2/1,
tested acc. to EN 61643-21 and energy coordinated
acc. to IEC 61643-22, in V2A, IP67, two-part
enclosure design, for screwing into 2-conductor
process field devices, for serial protection of
interfaces acc. to NAMUR NE 21
Max. continuous operating voltage (d.c.): 34.8 V
Nominal current: 0.5 A
C2 Total nominal discharge current (8/20 µs): 10 kA
Cut-off frequency line-line: 14 MHz

Brand: DEHN
Type: DPI MD 24 M 2S
Part No.: 929941
or equivalent.

Certificates

 

Technical data

SPD class Q
Max. continuous operating voltage (d.c.) (UC ) 34.8 V
Nominal current (IL ) 0.5 A
D1 Lightning impulse current (10/350 µs) per line (Iimp ) 1 kA
C2 Total nominal discharge current (8/20 µs) (In ) 10 kA
Cut-off frequency line-line (fG ) 14 MHz
For mounting on (field / device side) M20 x 1.5 female thread / M20 x 1.5 male thread
Approvals SIL
*) For details see: www.dehn-international.com

Product 929941 was added to Notepad.

Product 929941 was added to the cart.


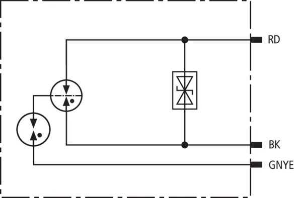
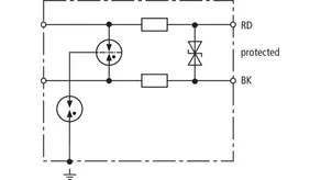
DPI MD EX

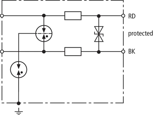
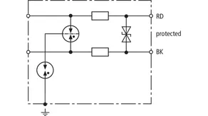
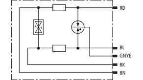
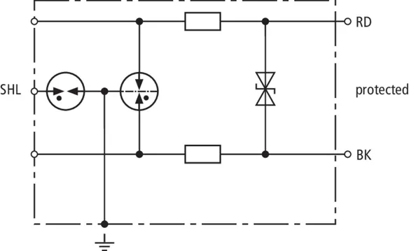
Energy-coordinated two-stage surge arrester with low-capacitance protective circuit for protecting intrinsically safe measuring circuits and bus systems, meets FISCO requirements. Insulation strength > 500 V to earth. Cable glands must be ordered separately.

2 Products

Part No. 929960 DPI MD EX 24 M 2

GTIN 4013364098145, Customs tariff No. (EU): 85363010, Gross weight: 185.80 g, PU: 1.00 pc(s)


Images

Additional information

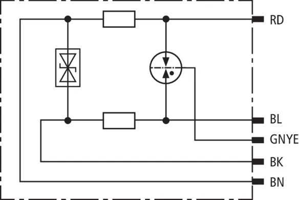
Coordinated two-stage arrester DEHNpipe DPI MD EX 24 M 2
Surge arrester DEHNpipe, SPD class TYPE 2/1,
tested acc. to EN 61643-21 and energy coordinated
acc. to IEC 61643-22, in V2A, IP67, two-part
enclosure design in Ex(i) version, for screwing
into 2-conductor process field devices, for serial
protection of intrinsically safe interfaces acc. to
NAMUR NE 21

Max. continuous operating voltage (d.c.): 34.8 V
Nominal current: 0.5 A
C2 Total nominal discharge current (8/20 µs): 10 kA
Cut-off frequency line-line: 7 MHz

Brand: DEHN
Type: DPI MD EX 24 M 2
Part No.: 929960
or equivalent.

Certificates

 

Technical data

SPD class T
Max. continuous operating voltage (d.c.) (UC ) 34.8 V
Nominal current (IL ) 0.5 A
D1 Lightning impulse current (10/350 µs) per line (Iimp ) 1 kA
C2 Total nominal discharge current (8/20 µs) (In ) 10 kA
Cut-off frequency line-line (fG ) 7 MHz
For mounting on (field / device side) M20 x 1.5 female thread / M20 x 1.5 male thread
Approvals ATEX, IECEx, CCC, CSA & USA Hazloc, SIL
*) For details see: www.dehn-international.com

Product 929960 was added to Notepad.

Product 929960 was added to the cart.

Part No. 929965 DPI MD EX 24 N 2

GTIN 4013364360778, Customs tariff No. (EU): 85363010, Gross weight: 185.00 g, PU: 1.00 pc(s)


Images

Additional information

Coordinated two-stage arrester DEHNpipe DPI MD EX 24 N 2
Surge arrester DEHNpipe, SPD class TYPE 2/1,
tested acc. to EN 61643-21 and energy coordinated
acc. to IEC 61643-22, in V2A, IP67, two-part
enclosure design in Ex(i) version, for screwing
into 2-conductor process field devices, for serial
protection of intrinsically safe interfaces acc. to
NAMUR NE 21

Max. continuous operating voltage (d.c.): 34.8 V
Nominal current: 0.5 A
C2 Total nominal discharge current (8/20 µs): 10 kA
Cut-off frequency line-line: 7 MHz

Brand: DEHN
Type: DPI MD EX 24 N 2
Part No.: 929965
or equivalent.

Certificates

 

Technical data

SPD class T
Max. continuous operating voltage (d.c.) (UC ) 34.8 V
Nominal current (IL ) 0.5 A
D1 Lightning impulse current (10/350 µs) per line (Iimp ) 1 kA
C2 Total nominal discharge current (8/20 µs) (In ) 10 kA
Cut-off frequency line-line (fG ) 7 MHz
For mounting on (field / device side) 1/2-14 NPT female thread / 1/2-14 NPT male thread
Approvals ATEX, IECEx, CCC, SIL
*) For details see: www.dehn-international.com

Product 929965 was added to Notepad.

Product 929965 was added to the cart.


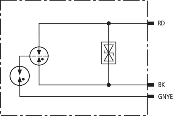
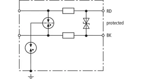
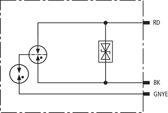
DPI CD EXI

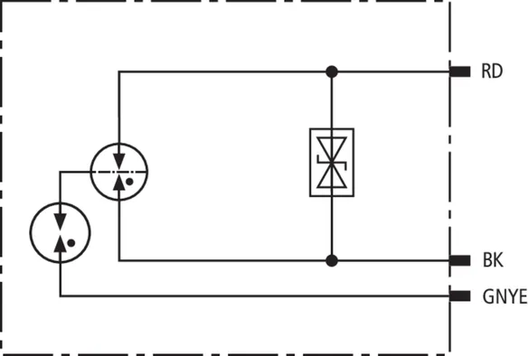
Surge arrester with a low-capacitance protective circuit for protecting intrinsically safe measuring circuits and bus systems, meets FISCO requirements. Insulation strength > 500 V to earth.

2 Products

Part No. 929961 DPI CD EXI 24 M

GTIN 4013364101784, Customs tariff No. (EU): 85363010, Gross weight: 183.00 g, PU: 1.00 pc(s)


Images

Additional information

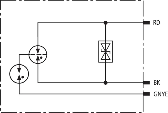
Surge arrester DEHNpipe CD EX (i) DPI CD EXI 24 M
Surge arrester DEHNpipe, SPD class TYPE 2/1,
tested acc. to EN 61643-21 and energy coordinated
acc. to IEC 61643-22, in V2A, IP67, Ex(i)-version,
for screwing into 2-conductor process field devices,
parallel protection of a floating pair as well as
intrinsically safe bus systems
Max. continuous operating voltage (d.c.): 32 V
Nominal current: 0.55 A
C2 Total nominal discharge current (8/20 µs): 10 kA
Cut-off frequency line-line: 67 MHz

Brand: DEHN
Type: DPI CD EXI 24 M
Part No.: 929961
or equivalent.

Certificates

 

Technical data

SPD class T
Max. continuous operating voltage (d.c.) (UC ) 32 V
Nominal current (IL ) 0.55 A
D1 Lightning impulse current (10/350 µs) line-PG (Iimp ) 1 kA
C2 Total nominal discharge current (8/20 µs) (In ) 10 kA
Cut-off frequency line-line (fG ) 67 MHz
For mounting on (field / device side) M20 x 1.5 male thread
Approvals ATEX, IECEx, CCC, CSA & USA Hazloc, SIL
*) For details see: www.dehn-international.com

Product 929961 was added to Notepad.

Product 929961 was added to the cart.

Part No. 929963 DPI CD EXI 24 N

GTIN 4013364101807, Customs tariff No. (EU): 85363010, Gross weight: 196.00 g, PU: 1.00 pc(s)


Images

Additional information

Surge arrester DEHNpipe CD EX (i) DPI CD EXI 24 N
Surge arrester DEHNpipe, SPD class TYPE 2/1,
tested acc. to EN 61643-21 and energy coordinated
acc. to IEC 61643-22, in V2A, IP67, Ex(i)-version,
for screwing into 2-conductor process field devices,
parallel protection of a floating pair as well as
intrinsically safe bus systems
Max. continuous operating voltage (d.c.): 32 V
Nominal current: 0.55 A
C2 Total nominal discharge current (8/20 µs): 10 kA
Cut-off frequency line-line: 67 MHz

Brand: DEHN
Type: DPI CD EXI 24 N
Part No.: 929963
or equivalent.

Certificates

 

Technical data

SPD class T
Max. continuous operating voltage (d.c.) (UC ) 32 V
Nominal current (IL ) 0.55 A
D1 Lightning impulse current (10/350 µs) line-PG (Iimp ) 1 kA
C2 Total nominal discharge current (8/20 µs) (In ) 10 kA
Cut-off frequency line-line (fG ) 67 MHz
For mounting on (field / device side) 1/2-14 NPT male thread
Approvals ATEX, IECEx, CCC, CSA & USA Hazloc, SIL
*) For details see: www.dehn-international.com

Product 929963 was added to Notepad.

Product 929963 was added to the cart.


DPI CD EXD

Flameproof surge arrester with a low-capacitance protective circuit for protecting measuring circuits and bus systems in potentially explosive atmospheres. Insulation strength > 500 V to earth. Certified to CSA and USA Hazloc standards.

2 Products

Part No. 929962 DPI CD EXD 24 M

GTIN 4013364101791, Customs tariff No. (EU): 85363010, Gross weight: 183.00 g, PU: 1.00 pc(s)


Images

Additional information

Surge arrester DEHNpipe CD Ex (d) DPI CD EXD 24 M
Surge arrester DEHNpipe, SPD class TYPE 2/1,
tested acc. to EN 61643-21, in V4A, IP67,
Ex(d)-version, for screwing into 2-conductor
process field devices, parallel protection of a
floating pair as well as bus systems in
Ex zone 1 or 2
Max. continuous operating voltage (d.c.): 32 V
Nominal current: 0.55 A
C2 Total nominal discharge current (8/20 µs): 10 kA
Cut-off frequency line-line: 67 MHz

Brand: DEHN
Type: DPI CD EXD 24 M
Part No.: 929962
or equivalent.

Certificates

 

Technical data

SPD class T
Max. continuous operating voltage (d.c.) (UC ) 32 V
Nominal current (IL ) 0.55 A
D1 Lightning impulse current (10/350 µs) line-PG (Iimp ) 1 kA
C2 Total nominal discharge current (8/20 µs) (In ) 10 kA
Cut-off frequency line-line (fG ) 67 MHz
For mounting on (field / device side) M20 x 1.5 male thread
Approvals ATEX, IECEx, CCC, CSA & USA Hazloc, SIL
*) For more detailed information, please visit www.dehn-international.com.

Product 929962 was added to Notepad.

Product 929962 was added to the cart.

Part No. 929964 DPI CD EXD 24 N

GTIN 4013364101814, Customs tariff No. (EU): 85363010, Gross weight: 183.00 g, PU: 1.00 pc(s)


Images

Additional information

Surge arrester DEHNpipe CD Ex (d) DPI CD EXD 24 N
Surge arrester DEHNpipe, SPD class TYPE 2/1,
tested acc. to EN 61643-21, in V4A, IP67,
Ex(d)-version, for screwing into 2-conductor
process field devices, parallel protection of a
floating pair as well as bus systems in
Ex zone 1 or 2
Max. continuous operating voltage (d.c.): 32 V
Nominal current: 0.55 A
C2 Total nominal discharge current (8/20 µs): 10 kA
Cut-off frequency line-line: 67 MHz

Brand: DEHN
Type: DPI CD EXD 24 N
Part No.: 929964
or equivalent.

Certificates

 

Technical data

SPD class T
Max. continuous operating voltage (d.c.) (UC ) 32 V
Nominal current (IL ) 0.55 A
D1 Lightning impulse current (10/350 µs) line-PG (Iimp ) 1 kA
C2 Total nominal discharge current (8/20 µs) (In ) 10 kA
Cut-off frequency line-line (fG ) 67 MHz
For mounting on (field / device side) 1/2-14 NPT male thread
Approvals ATEX, IECEx, CCC, CSA & USA Hazloc, SIL
*) For more detailed information, please visit www.dehn-international.com.

Product 929964 was added to Notepad.

Product 929964 was added to the cart.


DPI CD HF EXD

Flameproof surge arrester with an energy-coordinated low-capacitance protective circuit for protecting measuring circuits and bus systems in potentially explosive atmospheres.

1 Product

Part No. 929971 DPI CD HF EXD 5 M

GTIN 4013364120761, Customs tariff No. (EU): 85363010, Gross weight: 285.60 g, PU: 1.00 pc(s)


Images

Additional information

Surge arrester DEHNpipe CD Ex (d) DPI CD HF EXD 5 M
DEHNpipe surge arrester of SPD class Type 2 / P1,
tested in accordance with EN 61643-21, V4A, IP 67,
available as Ex (d) type, to be screwed onto 2-
conductor field devices, serial protection of an
unearthed pair and bus systems in explosion
protection zone 1 or 2.

Max. continuous operating voltage (d.c.): 6 V
Nominal current at 80 °C: 0.1 A
C2 Total nominal discharge current (8/20 µs): 20 kA
Cut-off frequency line-line: 100 MHz

Brand: DEHN
Type: DPI CD HF EXD 5 M
Part No.: 929971
or equivalent.

Certificates

 

Technical data

SPD class T
Max. continuous operating voltage (d.c.) (UC ) 6 V
Nominal current at 80 °C (IL ) 0.1 A
C2 Total nominal discharge current (8/20 µs) (In ) 20 kA
Cut-off frequency line-line (fG ) 100 MHz
For mounting on (field / device side) M20 x 1.5 male thread
Approvals ATEX, IECEx, CCC, CSA & USA Hazloc, SIL
*) For more detailed information, please visit www.dehn-international.com.

Product 929971 was added to Notepad.

Product 929971 was added to the cart.


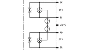
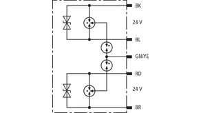
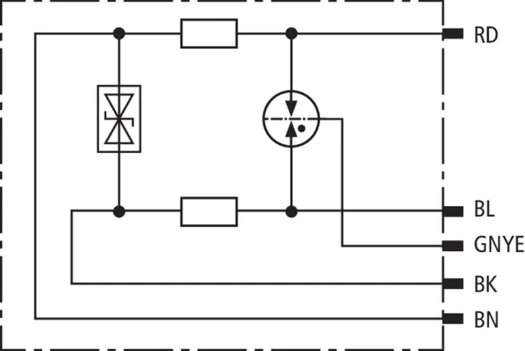
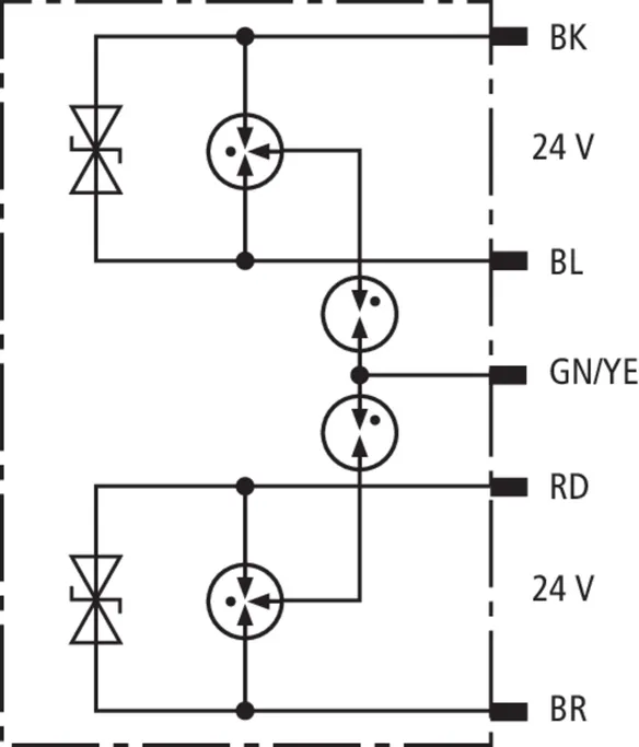
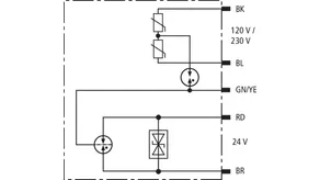
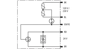
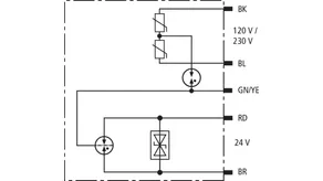
DPI CD EXD 230 24

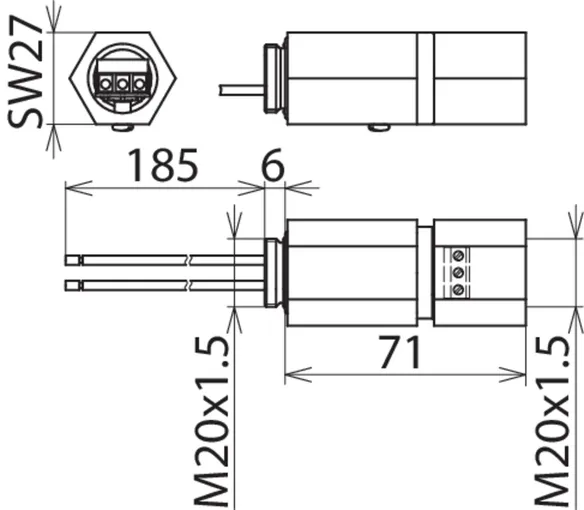
Flameproof surge arrester for the data and power side for protecting one 120 / 230 V power supply system and one 24 V data interface of field devices in potentially explosive areas (zones 1 and 2).
Additional safety due to fault-proof Y circuit for 120 / 230 V power supply systems.

II 2 G Ex d IIC T5/T6 version universally applicable in hazardous zones 1 and 2. Certified to CSA and USA Hazloc standards.

2 Products

Part No. 929969 DPI CD EXD 230 24 M

GTIN 4013364127418, Customs tariff No. (EU): 85363010, Gross weight: 280.00 g, PU: 1.00 pc(s)


Images

Additional information

Dual surge arrester DEHNpipe CD Ex (d) DPI CD EXD 230 24 M
Dual surge arrester
of the SPD class Type 2 and Type 2 / P2
DEHNpipe, tested to
EN 61643-11 and -21, in V2A, IP 67,
in Ex (d) version,
for screwing into field devices
with connection for power supply and 2-wire measurement technology,
parallel protection of 230‑V power supply systems
and a 0/4–20‑mA interface
in Ex zone 1 or 2.
Max. continuous operating voltage (d.c.): 32 V
Nominal current at 80 °C: 0.55 A
C2 Total nominal discharge current (8/20 µs): 10 kA

Brand: DEHN
Type: DPI CD EXD 230 24 M
Part No.: 929969
or equivalent.

Certificates

 

Technical data

Protection of the data side
SPD class U
Max. continuous operating voltage (d.c.) (UC ) 32 V
Nominal current at 80 °C (IL ) 0.55 A
D1 Lightning impulse current (10/350 µs) line-PG (Iimp ) 1 kA
C2 Total nominal discharge current (8/20 µs) (In ) 10 kA
For mounting on (field / device side) M20 x 1.5 male thread
Approvals ATEX, IECEx, CCC, CSA & USA Hazloc, SIL
*) For more detailed information, please visit www.dehn.de.
Protection of the power side
SPD according to EN 61643-11 / IEC 61643-11 type 2 / class II
Max. continuous operating voltage (a.c.) (UC ) 255 V
Total discharge current (8/20 µs) L+N-PE (Itotal ) 5 kA
Voltage protection level L-N (UP ) ≤ 1.4 kV
Max. mains-side overcurrent protection 16 A gG or B 16 A

Product 929969 was added to Notepad.

Product 929969 was added to the cart.

Part No. 929970 DPI CD EXD 230 24 N

GTIN 4013364127425, Customs tariff No. (EU): 85363010, Gross weight: 273.00 g, PU: 1.00 pc(s)


Images

Additional information

Dual surge arrester DEHNpipe CD Ex (d) DPI CD EXD 230 24 N
Dual surge arrester
of the SPD class Type 2 and Type 2 / P2
DEHNpipe, tested to
EN 61643-11 and -21, in V2A, IP 67,
in Ex (d) version,
for screwing into field devices
with connection for power supply and 2-wire measurement technology,
parallel protection of 230‑V power supply systems
and a 0/4–20‑mA interface
in Ex zone 1 or 2.
Max. continuous operating voltage (d.c.): 32 V
Nominal current at 80 °C: 0.55 A
C2 Total nominal discharge current (8/20 µs): 10 kA

Brand: DEHN
Type: DPI CD EXD 230 24 N
Part No.: 929970
or equivalent.

Certificates

 

Technical data

Protection of the data side
SPD class U
Max. continuous operating voltage (d.c.) (UC ) 32 V
Nominal current at 80 °C (IL ) 0.55 A
D1 Lightning impulse current (10/350 µs) line-PG (Iimp ) 1 kA
C2 Total nominal discharge current (8/20 µs) (In ) 10 kA
For mounting on (field / device side) 1/2-14 npt male thread
Approvals ATEX, IECEx, CCC, CSA & USA Hazloc, SIL
*) For more detailed information, please visit www.dehn.de.
Protection of the power side
SPD according to EN 61643-11 / IEC 61643-11 type 2 / class II
Max. continuous operating voltage (a.c.) (UC ) 255 V
Total discharge current (8/20 µs) L+N-PE (Itotal ) 5 kA
Voltage protection level L-N (UP ) ≤ 1.4 kV
Max. mains-side overcurrent protection 16 A gG or B 16 A

Product 929970 was added to Notepad.

Product 929970 was added to the cart.


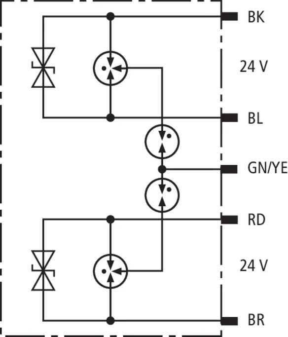
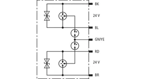
DPI CD EXI+D 2X24

Flameproof surge arrester for protecting two 24 V interfaces in potentially explosive atmospheres.

2 Products

Part No. 929950 DPI CD EXI+D 2X24 M

GTIN 4013364137387, Customs tariff No. (EU): 85363010, Gross weight: 247.00 g, PU: 1.00 pc(s)


Images

Additional information

Surge arrester DEHNpipe CD EX (i) + Ex (d) DPI CD EXI+D 2X24 M
surge arresters
of SPD class Type 2 / P1
DEHNpipe, tested to
EN 61643-21, in V2A, IP67,
in Ex (i) + (d) version,
for the protection of two
unearthed signal circuits
or the supply circuit
of the field device and a
signal circuit in Ex zone 1 or 2.
Max. continuous operating voltage (d.c.): 36 V
Nominal current: 0.55 A
C2 Total nominal discharge current (8/20 µs): 20 kA

Brand: DEHN
Type: DPI CD EXI+D 2X24 M
Part No.: 929950
or equivalent.

Certificates

 

Technical data

SPD class T
Max. continuous operating voltage (d.c.) (UC ) 36 V
Nominal current (IL ) 0.55 A
D1 Lightning impulse current (10/350 µs) line-PG (Iimp ) 1.5 kA
C2 Total nominal discharge current (8/20 µs) (In ) 20 kA
For mounting on (field / device side) M20 x 1.5 male thread
Approvals ATEX, IECEx, CCC, CSA & USA Hazloc, SIL
*) For details see: www.dehn-international.com

Product 929950 was added to Notepad.

Product 929950 was added to the cart.

Part No. 929951 DPI CD EXI+D 2X24 N

GTIN 4013364137394, Customs tariff No. (EU): 85363010, Gross weight: 247.00 g, PU: 1.00 pc(s)


Images

Additional information

Surge arrester DEHNpipe CD EX (i) + Ex (d) DPI CD EXI+D 2X24 N
surge arresters
of SPD class Type 2 / P1
DEHNpipe, tested to
EN 61643-21, in V2A, IP67,
in Ex (i) + (d) version,
for screwing into field devices
for the protection of two
unearthed signal circuits
or the supply circuit
of the field device and a
signal circuit in Ex zone 1 or 2.
Max. continuous operating voltage (d.c.): 36 V
Nominal current: 0.55 A
C2 Total nominal discharge current (8/20 µs): 20 kA

Brand: DEHN
Type: DPI CD EXI+D 2X24 N
Part No.: 929951
or equivalent.

Certificates

 

Technical data

SPD class T
Max. continuous operating voltage (d.c.) (UC ) 36 V
Nominal current (IL ) 0.55 A
D1 Lightning impulse current (10/350 µs) line-PG (Iimp ) 1.5 kA
C2 Total nominal discharge current (8/20 µs) (In ) 20 kA
For mounting on (field / device side) 1/2-14 NPT male thread
Approvals ATEX, IECEx, CCC, CSA & USA Hazloc, SIL
*) For details see: www.dehn-international.com

Product 929951 was added to Notepad.

Product 929951 was added to the cart.


back to top