BLITZDUCTOR VT

  • Cost-effective protection of stranded signal lines
  • Interface-specific versions, e.g. RS485 or telecommunication systems
  • Versions for d.c. power supply systems and cathodic protection

Details

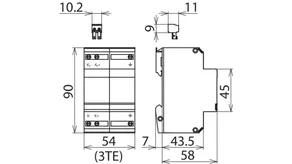
BVT version with a width of 3 modules and screw terminals:
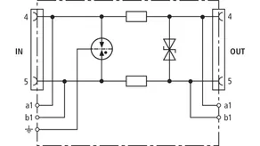
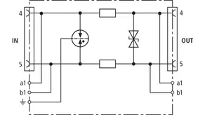
BVT RS485 specifically designed for protecting RS485 / RS422 interfaces.
lorem ipsum
BVT version for protecting active corrosion protection systems.
lorem ipsum
BVT version with a width of 1.5 modules and RJ connection:
BVT TC1 for protecting telecommunication interfaces.
lorem ipsum
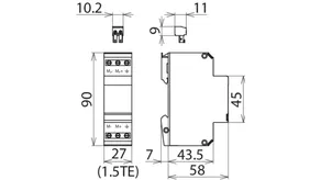
BVT version with a width of 1.5 modules and screw terminals:
BVT AVD/ALD: Two protected lines for d.c. power supply systems
lorem ipsum

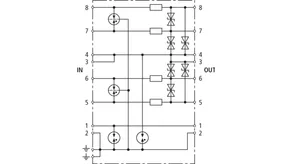
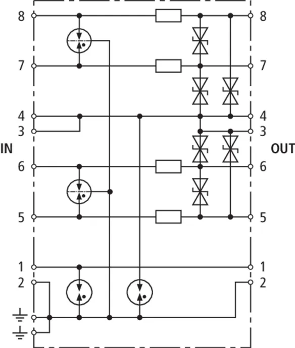
BVT RS485

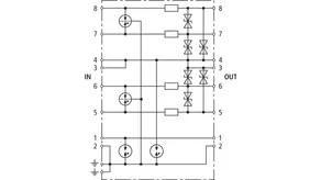
Surge arrester for a wide range of applications, e.g. for balanced four-wire RS485/422 interfaces or temperature sensors. Direct or indirect shield earthing, connection of a signal ground (SG).

1 Product

Part No. 918401 BVT RS485 5

GTIN 4013364074224, Customs tariff No. (EU): 85363010, Gross weight: 199.00 g, PU: 1.00 pc(s)


Images

Additional information

BLITZDUCTOR VT BVT RS485 5 surge arrester
Surge arrester BLITZDUCTOR VT, SPD class
TYPE 2/P1, tested acc. to EN 61643-21
and energy coordinated acc. to IEC 61643-22
for the protection of bus interfaces (e.g. RS 485,
422, V.11), direct/indirect shield earthing,
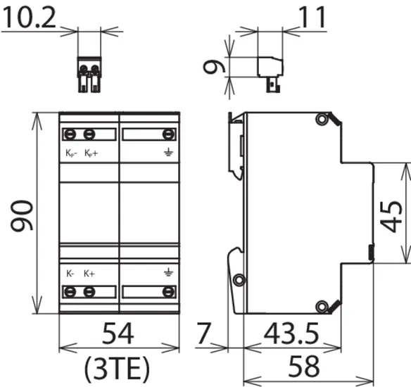
connection via screw terminals,
6 pole, installation width 3 TE

Nominal voltage (d.c.): 5 V
Max. continuous operating voltage (d.c.): 6 V
Nominal current: 0.5 A
C2 Total nominal discharge current (8/20 µs): 10 kA

Brand: DEHN
Type: BVT RS485 5
Part No.: 918401
or equivalent.

Certificates

 

Technical data

SPD class Q
Max. continuous operating voltage (d.c.) (UC ) 6 V
Nominal current (IL ) 0.5 A
D1 Lightning impulse current (10/350 µs) per line (Iimp ) 0.8 kA
C2 Total nominal discharge current (8/20 µs) (In ) 10 kA
Series resistance per line 1.8 ohms
Cut-off frequency line-line (fG ) 1.7 MHz
Approvals CSA

Product 918401 was added to Notepad.

Product 918401 was added to the cart.


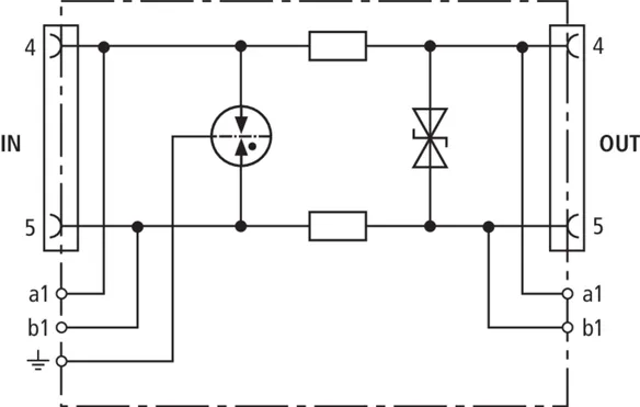
BVT AVD

Surge arresters with improved voltage protection levels for EMC protection of electronic components with d.c. voltage supply. Ideally suited for Siemens PLCs. Since a unipolar diode is used, the polarity of the operating voltage must be observed.

1 Product

Part No. 918422 BVT AVD 24

GTIN 4013364149267, Customs tariff No. (EU): 85363010, Gross weight: 109.10 g, PU: 1.00 pc(s)

Predecessor

Images

Additional information

BVT AVD 24 surge arrester for EMC protection for PLCs
Surge arrester BLITZDUCTOR VT, SPD class
TYPE 3/P1, tested acc. to EN 61643-21 and
can be energy coordinated acc. to IEC 61643-21,
protection to programmable logic controls/PLCs,
screw terminals, 2 pole, installation width 1,5 TE

Nominal voltage (d.c.): 24 V
Max. continuous operating voltage (d.c.): 35 V
Nominal current at 80 °C: 10 A
C2 Total nominal discharge current (8/20 µs): 2 kA

Brand: DEHN
Type: BVT AVD 24
Part No.: 918422
or equivalent.

Certificates

 

Technical data

SPD class W
Max. continuous operating voltage (d.c.) (UC ) 35 V
Nominal current at 80 °C (IL ) 10 A
C2 Total nominal discharge current (8/20 µs) (In ) 2 kA

Product 918422 was added to Notepad.

Product 918422 was added to the cart.


BVT ALD

Energy-coordinated, DIN rail mounted combined lightning current and surge arrester for protecting unearthed d.c. power supply systems.

2 Products

Part No. 918408 BVT ALD 36

GTIN 4013364125292, Customs tariff No. (EU): 85363010, Gross weight: 122.00 g, PU: 1.00 pc(s)


Images

Additional information

Coordinated BVT ALD 36 combined arrester for unearthed d.c. supply systems
Combined lightning current and surge arrester
Type 1 / P1
BLITZDUCTOR VT,
tested according to 61643-21
and energy-coordinated
according to 61643-22 for
protecting earth-free d.c. supply
systems,
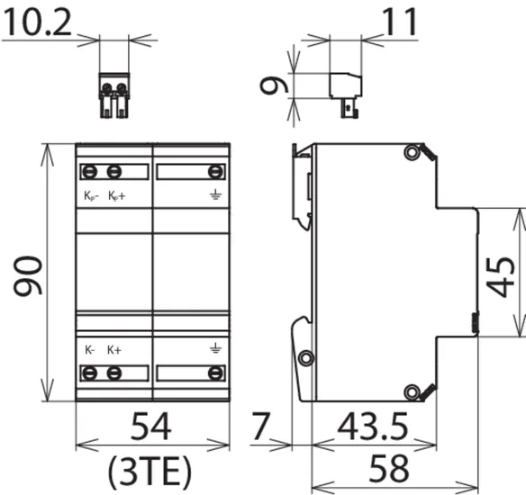
Din rail mounted,
connection via screw terminal,
two-pole, width of 1.5 modules
Nominal voltage (d.c.): 36 V
Max. continuous operating voltage (d.c.): 45 V
Nominal current at 80 °C: 4 A
Nominal current at 45 °C: 7 A
C2 Total nominal discharge current (8/20 µs): 20 kA

Brand: DEHN
Type: BVT ALD 36
Part No.: 918408
or equivalent.

Certificates

 

Technical data

SPD class M
Max. continuous operating voltage (d.c.) (UC ) 45 V
Nominal current at 80 °C (IL ) 4 A
Nominal current at 45 °C (IL ) 7 A
D1 Lightning impulse current (10/350 µs) per line (Iimp ) 2.5 kA
D1 Total lightning impulse current (10/350 µs) (Iimp ) 5 kA
C2 Total nominal discharge current (8/20 µs) (In ) 20 kA
Series resistance per line 22 µH
Approvals UL

Product 918408 was added to Notepad.

Product 918408 was added to the cart.

Part No. 918409 BVT ALD 60

GTIN 4013364146709, Customs tariff No. (EU): 85363010, Gross weight: 122.00 g, PU: 1.00 pc(s)


Images

Additional information

Coordinated BVT ALD 60 combined arrester for unearthed d.c. supply
Combined lightning current and surge arrester
Type 1 / P1
BLITZDUCTOR VT,
tested according to 61643-21
and energy-coordinated
according to 61643-22 for
protecting earth-free d.c. supply
systems,
Din rail mounted,
connection via screw terminal,
two-pole, width of 1.5 modules
Nominal voltage (d.c.): 60 V
Max. continuous operating voltage (d.c.): 65 V
Nominal current at 80 °C: 4 A
Nominal current at 45 °C: 7 A
C2 Total nominal discharge current (8/20 µs): 20 kA

Brand: DEHN
Type: BVT ALD 60
Part No.: 918409
or equivalent.

Certificates

 

Technical data

SPD class M
Max. continuous operating voltage (d.c.) (UC ) 65 V
Nominal current at 80 °C (IL ) 4 A
Nominal current at 45 °C (IL ) 7 A
Backup fuse if UN ≥ 45 V and IL ≥ 1 A
D1 Lightning impulse current (10/350 µs) per line (Iimp ) 2.5 kA
D1 Total lightning impulse current (10/350 µs) (Iimp ) 5 kA
C2 Total nominal discharge current (8/20 µs) (In ) 20 kA
Series resistance per line 22 µH
Approvals UL

Product 918409 was added to Notepad.

Product 918409 was added to the cart.


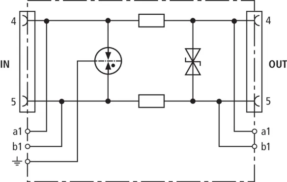
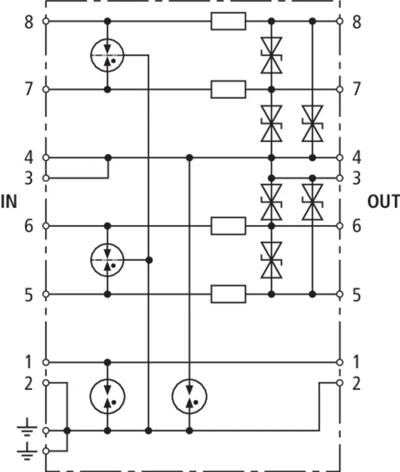
BVT TC

Energy-coordinated and leakage-current-free surge arrester for a/b lines, ISDN Uk0 or ADSL with RJ45 connections and additional screw terminals. Pinning of the RJ45 sockets is compatible with RJ11/12. The parallel screw terminals are more robust than the RJ45 sockets and increase the total nominal discharge current to 10 kA.

1 Product

Part No. 918411 BVT TC 1

GTIN 4013364093133, Customs tariff No. (EU): 85363010, Gross weight: 110.90 g, PU: 1.00 pc(s)


Images

Additional information

Coordinated BVT TC 1 leakage-current-free surge arrester
Surge arrester BLITZDUCTOR VT, SPD class
TYPE 2/P2, tested acc. to EN 61643-21
and energy coordinated acc. to IEC 61643-22
for the protection of analoge modems in switchgear
cabinets, also for ASDL, ISDN Uko, 2 pole,
installation width 1,5 TE, connection via
RJ45(12)-socket or screw terminals

Max. continuous operating voltage (d.c.): 170 V
Nominal current: 0.2 A
C2 Total nominal discharge current (8/20 µs): 5 kA

Brand: DEHN
Type: BVT TC 1
Part No.: 918411
or equivalent.

Certificates

 

Technical data

SPD class R
Max. continuous operating voltage (d.c.) (UC ) 170 V
Nominal current (IL ) 0.2 A
D1 Lightning impulse current (10/350 µs) per line (Iimp ) 1 kA
C2 Total nominal discharge current (8/20 µs) (In ) 5 kA
Series resistance per line 4.7 ohms
Cut-off frequency line-line (fG ) 17 MHz

Product 918411 was added to Notepad.

Product 918411 was added to the cart.


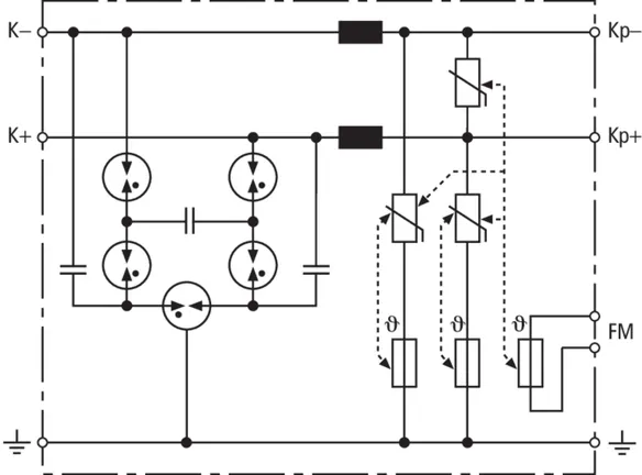
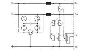
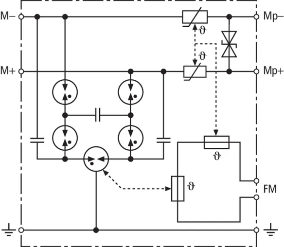
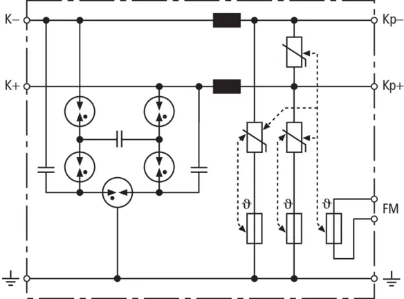
BVT KKS ALD

Energy coordinated combined arrester for protecting the rectifier in the protective circuit (red colour). Pluggable remote signalling contact (break contact) for overload indication (temperature monitoring of the varistors). Installation in sheet metal housing recommended. Low impulse sparkover voltage due to capacitive control.

1 Product

Part No. 918420 BVT KKS ALD 75

GTIN 4013364094895, Customs tariff No. (EU): 85363010, Gross weight: 229.00 g, PU: 1.00 pc(s)

Predecessor

Images

Additional information

Coordinated combined arrester for protective circuits BVT KKS ALD 75
Combined lightning current and surge arrester
BLITZDUCTOR VT KKS, SPD class TYPE 1/P1,
tested acc. to EN 61643-21 and energy coordinated
acc. to IEC 61643-22 for the protection of the
inverter of cathodic corrosion protection systems,
with remote signalling contact, connection via
screw terminals, 2 pole, installation width 3 TE

Max. continuous operating voltage (d.c.): 75 V
Nominal current: 12 A
C2 Total nominal discharge current (8/20 µs): 40 kA

Brand: DEHN
Type: BVT KKS ALD 75
Part No.: 918420
or equivalent.

Certificates

 

Technical data

SPD class M
Max. continuous operating voltage (d.c.) (UC ) 75 V
Nominal current (IL ) 12 A
D1 Lightning impulse current (10/350 µs) per line (Iimp ) 3.5 kA
D1 Total lightning impulse current (10/350 µs) (Iimp ) 7 kA
C2 Total nominal discharge current (8/20 µs) (In ) 40 kA
Series resistance per line 5 µH
Cut-off frequency line-line (fG ) 1 MHz
Type of remote signalling contact break contact

Product 918420 was added to Notepad.

Product 918420 was added to the cart.


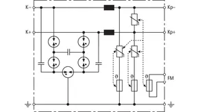
BVT KKS APD

Energy coordinated combined arrester for protecting the voltage measuring circuit (yellow colour). Pluggable remote signalling contact (break contact) for overload indication (temperature monitoring of the discharge paths). Installation in sheet metal housing recommended. Low impulse sparkover voltage due to capacitive control.

1 Product

Part No. 918421 BVT KKS APD 36

GTIN 4013364094901, Customs tariff No. (EU): 85363010, Gross weight: 130.30 g, PU: 1.00 pc(s)

Predecessor

Images

Additional information

Coordinated combined arrester for voltage measuring circuits BVT KKS APD 36
Combined lightning current and surge arrester
BLITZDUCTOR VT KKS, SPD class TYPE 1/P1,
tested acc. to EN 61643-21 and energy coordinated
acc. to IEC 61643-22 for the protection of voltage
measuring circuits of cathodic corrosion protection
systems, with remote signalling contact, connection
via screw terminals, 2 pole, installation width 1,5 TE

Max. continuous operating voltage (d.c.): 36.8 V
Nominal current: 0.05 A
C2 Total nominal discharge current (8/20 µs): 40 kA

Brand: DEHN
Type: BVT KKS APD 36
Part No.: 918421
or equivalent.

Certificates

 

Technical data

SPD class M
Max. continuous operating voltage (d.c.) (UC ) 36.8 V
Nominal current (IL ) 0.05 A
D1 Lightning impulse current (10/350 µs) per line (Iimp ) 3.5 kA
D1 Total lightning impulse current (10/350 µs) (Iimp ) 7 kA
C2 Total nominal discharge current (8/20 µs) (In ) 40 kA
Series resistance per line 55 ohms
Type of remote signalling contact break contact

Product 918421 was added to Notepad.

Product 918421 was added to the cart.


back to top