Stützrohre für HVI long Leitung

Stützrohr mit innenliegendem Endverschluss und PA-Federelement.

Mit Fangspitze

Stützrohr mit innenliegendem Endverschluss und PA-Federelement.
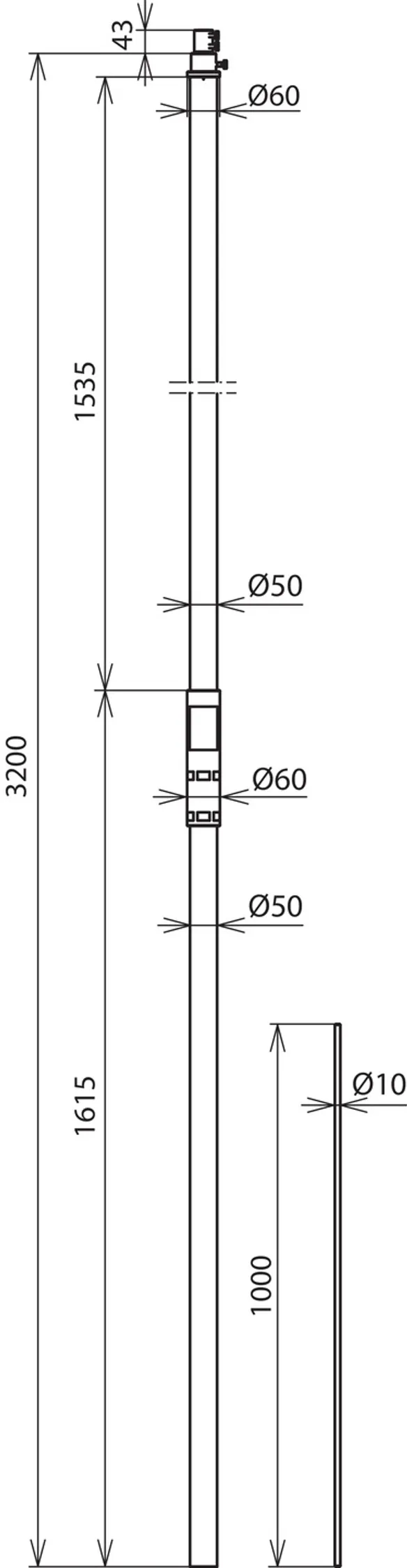
Fangspitze aus NIRO, Ø10 mm, Länge 1000 mm.

4 Products

Part No. 105330 SR D50 3200 FSP1000 IP HVI GFK AL

GTIN 4013364152496, Customs tariff No. (EU): 85389099, Gross weight: 5.60 kg, PU: 1.00 Stk.


Images

Additional information

Stützrohr für HVI long Leitung mit Fangspitze Länge 3200mm GFK/Al
Stützrohre GFK/Al mit innenliegendem Endverschluss
und PA-Federelement für die HVI long Leitung
zum Einhalten des Trennungsabstand zu elektrisch
leitenden Teilen nach DIN EN 62305 (VDE 0185-305-3).
Die Stützrohre sind nach
Eurocode 1 (DIN EN 1991-1-4 + DIN EN 1991-1-4/NA) für eine
max. Böenwindgeschwindigkeit von 237 km/h dimensioniert.
Isolierstrecke aus glasfaserverstärktem Kunststoff GFK
Materialfaktor km = 0,7
Farbe lichtgrau, UV-stabilisiert, 1-teilig
kombiniert mit Fangspitze Ø10 mm Länge 1000 mm aus NIRO
Werkstoff Fangspitze: NIRO
Länge Fangspitze: 1000 mm
Werkstoff Stützrohr: GFK / Al
Länge Stützrohr: 3200 mm
Transportlänge: 3200 mm
Durchmesser Ø Außen: 50 mm
Länge der Isolierstrecke: 1535 mm
Max. freie Länge mit Fangspitze (Wandmontage): 3500 mm
Max. Böenwindgeschwindigkeit: siehe Windlastbroschüre
Normenbezug: DIN IEC/TS 62561-8 (VDE V 0185-561-8)

Fabrikat: DEHN
Typ: SR D50 3200 FSP1000 IP HVI GFK AL
Art.-Nr.: 105330
oder gleichwertig.

Certificates

 

Technical data

Werkstoff Fangspitze NIRO
Länge Fangspitze 1000 mm
Werkstoff Stützrohr GFK / Al
Länge Stützrohr 3200 mm
Transportlänge 3200 mm
Durchmesser Ø Außen 50 mm
Länge der Isolierstrecke 1535 mm
Max. freie Länge mit Fangspitze (Wandmontage) 3500 mm
Normenbezug DIN IEC/TS 62561-8 (VDE V 0185-561-8)

Product 105330 was added to Notepad.

Product 105330 was added to the cart.

Part No. 105332 SR D50 4700 FSP1000 IP HVI GFK AL

GTIN 4013364152519, Customs tariff No. (EU): 85389099, Gross weight: 8.25 kg, PU: 1.00 Stk.


Images

Additional information

Stützrohr für HVI long Leitung mit Fangspitze Länge 4700mm GFK/Al
Stützrohre GFK/Al mit innenliegendem Endverschluss
und PA-Federelement für die HVI long Leitung
zum Einhalten des Trennungsabstand zu elektrisch
leitenden Teilen nach DIN EN 62305 (VDE 0185-305-3).
Die Stützrohre sind nach
Eurocode 1 (DIN EN 1991-1-4 + DIN EN 1991-1-4/NA) für eine
max. Böenwindgeschwindigkeit von 237 km/h dimensioniert.
Isolierstrecke aus glasfaserverstärktem Kunststoff GFK
Materialfaktor km = 0,7
Farbe lichtgrau, UV-stabilisiert 1-teilig
kombiniert mit Fangspitze Ø10 mm Länge 1000 mm aus NIRO
Werkstoff Fangspitze: NIRO
Länge Fangspitze: 1000 mm
Werkstoff Stützrohr: GFK / Al
Länge Stützrohr: 4700 mm
Transportlänge: 4700 mm
Durchmesser Ø Außen: 50 mm
Länge der Isolierstrecke: 1535 mm
Max. freie Länge mit Fangspitze (Wandmontage): 4000 mm
Max. Böenwindgeschwindigkeit: siehe Windlastbroschüre
Normenbezug: DIN IEC/TS 62561-8 (VDE V 0185-561-8)

Fabrikat: DEHN
Typ: SR D50 4700 FSP1000 IP HVI GFK AL
Art.-Nr.: 105332
oder gleichwertig.

Certificates

 

Technical data

Werkstoff Fangspitze NIRO
Länge Fangspitze 1000 mm
Werkstoff Stützrohr GFK / Al
Länge Stützrohr 4700 mm
Transportlänge 4700 mm
Durchmesser Ø Außen 50 mm
Länge der Isolierstrecke 1535 mm
Max. freie Länge mit Fangspitze (Wandmontage) 4000 mm
Normenbezug DIN IEC/TS 62561-8 (VDE V 0185-561-8)

Product 105332 was added to Notepad.

Product 105332 was added to the cart.

Part No. 105314 SR D50 3200 FSP1000 IP HVI GFK V2A

GTIN 4013364157781, Customs tariff No. (EU): 85389099, Gross weight: 10.10 kg, PU: 1.00 Stk.


Images

Additional information

Stützrohr für HVI long Leitung mit Fangspitze Länge 3200mm GFK/NIRO
Stützrohre GFK/NIRO mit innenliegendem Endverschluss
und PA-Federelement für die HVI long Leitung
zum Einhalten des Trennungsabstand zu elektrisch leitenden Teilen
nach DIN EN 62305 (VDE 0185-305-3).
Die Stützrohre sind nach
Eurocode 1 (DIN EN 1991-1-4 + DIN EN 1991-1-4/NA) für eine
max. Böenwindgeschwindigkeit von 231 km/h dimensioniert.
Isolierstrecke aus glasfaserverstärktem Kunststoff GFK
Materialfaktor km = 0,7
Farbe lichtgrau, UV-stabilisiert 1-teilig
kombiniert mit Fangspitze Ø10 mm Länge 1000 mm aus NIRO
Werkstoff Fangspitze: NIRO
Länge Fangspitze: 1000 mm
Werkstoff Stützrohr: GFK / NIRO
Länge Stützrohr: 3200 mm
Transportlänge: 3200 mm
Durchmesser Ø Außen: 50 mm
Länge der Isolierstrecke: 1535 mm
Max. freie Länge mit Fangspitze (Wandmontage): 3500 mm
Max. Böenwindgeschwindigkeit: siehe Windlastbroschüre
Normenbezug: DIN IEC/TS 62561-8 (VDE V 0185-561-8)

Fabrikat: DEHN
Typ: SR D50 3200 FSP1000 IP HVI GFK V2A
Art.-Nr.: 105314
oder gleichwertig.

Certificates

 

Technical data

Werkstoff Fangspitze NIRO
Länge Fangspitze 1000 mm
Werkstoff Stützrohr GFK / NIRO
Länge Stützrohr 3200 mm
Transportlänge 3200 mm
Durchmesser Ø Außen 50 mm
Länge der Isolierstrecke 1535 mm
Max. freie Länge mit Fangspitze (Wandmontage) 3500 mm
Normenbezug DIN IEC/TS 62561-8 (VDE V 0185-561-8)

Product 105314 was added to Notepad.

Product 105314 was added to the cart.

Part No. 105316 SR D50 4700 FSP1000 IP HVI GFK V2A

GTIN 4013364157798, Customs tariff No. (EU): 85389099, Gross weight: 15.60 kg, PU: 1.00 Stk.


Images

Additional information

Stützrohr für HVI long Leitung mit Fangspitze Länge 4700mm GFK/NIRO
Stützrohre GFK/NIRO mit innenliegendem Endverschluss
und PA-Federelement für die HVI long Leitung
zum Einhalten des Trennungsabstand zu elektrisch
leitenden Teilen nach DIN EN 62305 (VDE 0185-305-3).
Die Stützrohre sind nach
Eurocode 1 (DIN EN 1991-1-4 + DIN EN 1991-1-4/NA) für eine
max. Böenwindgeschwindigkeit von 231 km/h dimensioniert.
Isolierstrecke aus glasfaserverstärktem Kunststoff GFK
Materialfaktor km = 0,7
Farbe lichtgrau, UV-stabilisiert 1-teilig
kombiniert mit Fangspitze Ø10 mm Länge 1000 mm aus NIRO
Werkstoff Fangspitze: NIRO
Länge Fangspitze: 1000 mm
Werkstoff Stützrohr: GFK / NIRO
Länge Stützrohr: 4700 mm
Transportlänge: 4700 mm
Durchmesser Ø Außen: 50 mm
Länge der Isolierstrecke: 1535 mm
Max. freie Länge mit Fangspitze (Wandmontage): 4000 mm
Max. Böenwindgeschwindigkeit: siehe Windlastbroschüre
Normenbezug: DIN IEC/TS 62561-8 (VDE V 0185-561-8)

Fabrikat: DEHN
Typ: SR D50 4700 FSP1000 IP HVI GFK V2A
Art.-Nr.: 105316
oder gleichwertig.

Certificates

 

Technical data

Werkstoff Fangspitze NIRO
Länge Fangspitze 1000 mm
Werkstoff Stützrohr GFK / NIRO
Länge Stützrohr 4700 mm
Transportlänge 4700 mm
Durchmesser Ø Außen 50 mm
Länge der Isolierstrecke 1535 mm
Max. freie Länge mit Fangspitze (Wandmontage) 4000 mm
Normenbezug DIN IEC/TS 62561-8 (VDE V 0185-561-8)

Product 105316 was added to Notepad.

Product 105316 was added to the cart.


Mit Fangstange

Stützrohr mit innenliegendem Endverschluss und PA-Federelement.
Fangstange Ø22 / 16 / 10 mm, Länge 2500 mm.

4 Products

Part No. 105331 SR D50 3200 FS22 2500 IP HVI GFK AL

GTIN 4013364152502, Customs tariff No. (EU): 85389099, Gross weight: 6.12 kg, PU: 1.00 Stk.


Images

Additional information

Stützrohr für HVI long Leitung mit Fangstange Länge 3200mm GFK/NIRO
Stützrohre GFK/Al mit innenliegendem Endverschluss
und PA-Federelement für die HVI long Leitung
zum Einhalten des Trennungsabstand zu elektrisch
leitenden Teilen nach DIN EN 62305 (VDE 0185-305-3).
Die Stützrohre sind nach
Eurocode 1 (DIN EN 1991-1-4 + DIN EN 1991-1-4/NA) für eine
max. Böenwindgeschwindigkeit von 189 km/h dimensioniert.
Isolierstrecke aus glasfaserverstärktem Kunststoff GFK
Materialfaktor km = 0,7
Farbe lichtgrau, UV-stabilisiert 1-teilig
kombiniert mit Fangstange Ø22/16/10 mm Länge 2500 mm aus Al
Werkstoff Fangstange: Al
Länge Fangstange: 2500 mm
Werkstoff Stützrohr: GFK / Al
Länge Stützrohr: 3200 mm
Transportlänge: 3200 mm
Durchmesser Ø Außen: 50 mm
Länge der Isolierstrecke: 1535 mm
Max. freie Länge mit Fangstange (Wandmontage): 5000 mm
Max. Böenwindgeschwindigkeit: siehe Windlastbroschüre
Normenbezug: DIN IEC/TS 62561-8 (VDE V 0185-561-8)

Fabrikat: DEHN
Typ: SR D50 3200 FS22 2500 IP HVI GFK AL
Art.-Nr.: 105331
oder gleichwertig.

Certificates

 

Technical data

Werkstoff Fangstange Al
Länge Fangstange 2500 mm
Werkstoff Stützrohr GFK / Al
Länge Stützrohr 3200 mm
Transportlänge 3200 mm
Durchmesser Ø Außen 50 mm
Länge der Isolierstrecke 1535 mm
Max. freie Länge mit Fangstange (Wandmontage) 5000 mm
Normenbezug DIN IEC/TS 62561-8 (VDE V 0185-561-8)

Product 105331 was added to Notepad.

Product 105331 was added to the cart.

Part No. 105333 SR D50 4700 FS22 2500 IP HVI GFK AL

GTIN 4013364152526, Customs tariff No. (EU): 85389099, Gross weight: 8.51 kg, PU: 1.00 Stk.


Images

Additional information

Stützrohr für HVI long Leitung mit Fangstange Länge 4700mm GFK/NIRO
Stützrohre GFK/Al mit innenliegendem Endverschluss
und PA-Federelement für die HVI long Leitung zum Einhalten
des Trennungsabstand zu elektrisch
leitenden Teilen nach DIN EN 62305 (VDE 0185-305-3).
Die Stützrohre sind nach
Eurocode 1 (DIN EN 1991-1-4 + DIN EN 1991-1-4/NA) für eine
max. Böenwindgeschwindigkeit von 184 km/h dimensioniert.
Isolierstrecke aus glasfaserverstärktem Kunststoff GFK
Materialfaktor km = 0,7
Farbe lichtgrau, UV-stabilisiert 1-teilig
kombiniert mit Fangstange Ø22/16/10 mm Länge 2500 mm aus Al
Werkstoff Fangstange: Al
Länge Fangstange: 2500 mm
Werkstoff Stützrohr: GFK / Al
Länge Stützrohr: 4700 mm
Transportlänge: 4700 mm
Durchmesser Ø Außen: 50 mm
Länge der Isolierstrecke: 1535 mm
Max. freie Länge mit Fangstange (Wandmontage): 5500 mm
Max. Böenwindgeschwindigkeit: siehe Windlastbroschüre
Normenbezug: DIN IEC/TS 62561-8 (VDE V 0185-561-8)

Fabrikat: DEHN
Typ: SR D50 4700 FS22 2500 IP HVI GFK AL
Art.-Nr.: 105333
oder gleichwertig.

Certificates

 

Technical data

Werkstoff Fangstange Al
Länge Fangstange 2500 mm
Werkstoff Stützrohr GFK / Al
Länge Stützrohr 4700 mm
Transportlänge 4700 mm
Durchmesser Ø Außen 50 mm
Länge der Isolierstrecke 1535 mm
Max. freie Länge mit Fangstange (Wandmontage) 5500 mm
Normenbezug DIN IEC/TS 62561-8 (VDE V 0185-561-8)

Product 105333 was added to Notepad.

Product 105333 was added to the cart.

Part No. 105315 SR D50 3200 FS22 2500 IP HVI GFK V2A

GTIN 4013364157804, Customs tariff No. (EU): 85389099, Gross weight: 12.00 kg, PU: 1.00 Stk.


Images

Additional information

Stützrohr für HVI long Leitung mit Fangstange Länge 3200mm GFK/NIRO
Stützrohre GFK/NIRO mit innenliegendem Endverschluss
und PA-Federelement für die HVI long Leitung
zum Einhalten des Trennungsabstand zu elektrisch
leitenden Teilen nach DIN EN 62305 (VDE 0185-305-3).
Die Stützrohre sind nach
Eurocode 1 (DIN EN 1991-1-4 + DIN EN 1991-1-4/NA) für eine
max. Böenwindgeschwindigkeit von 186 km/h dimensioniert.
Isolierstrecke aus glasfaserverstärktem Kunststoff GFK
Materialfaktor km = 0,7
Farbe lichtgrau, UV-stabilisiert 1-teilig
kombiniert mit Fangstange Ø22/16/10 mm Länge 2500 mm aus NIRO
Werkstoff Fangstange: NIRO
Länge Fangstange: 2500 mm
Werkstoff Stützrohr: GFK / NIRO
Länge Stützrohr: 3200 mm
Transportlänge: 3200 mm
Durchmesser Ø Außen: 50 mm
Länge der Isolierstrecke: 1535 mm
Max. freie Länge mit Fangstange (Wandmontage): 5000 mm
Max. Böenwindgeschwindigkeit: siehe Windlastbroschüre
Normenbezug: DIN IEC/TS 62561-8 (VDE V 0185-561-8)

Fabrikat: DEHN
Typ: SR D50 3200 FS22 2500 IP HVI GFK V2A
Art.-Nr.: 105315
oder gleichwertig.

 

Technical data

Werkstoff Fangstange NIRO
Länge Fangstange 2500 mm
Werkstoff Stützrohr GFK / NIRO
Länge Stützrohr 3200 mm
Transportlänge 3200 mm
Durchmesser Ø Außen 50 mm
Länge der Isolierstrecke 1535 mm
Max. freie Länge mit Fangstange (Wandmontage) 5000 mm
Normenbezug DIN IEC/TS 62561-8 (VDE V 0185-561-8)

Product 105315 was added to Notepad.

Product 105315 was added to the cart.

Part No. 105317 SR D50 4700 FS22 2500 IP HVI GFK V2A

GTIN 4013364157811, Customs tariff No. (EU): 85389099, Gross weight: 17.12 kg, PU: 1.00 Stk.


Images

Additional information

Stützrohr für HVI long Leitung mit Fangstange Länge 4700mm GFK/NIRO
Stützrohre GFK/NIRO mit innenliegendem Endverschluss
und PA-Federelement für die HVI long Leitung
zum Einhalten des Trennungsabstand zu elektrisch
leitenden Teilen nach DIN EN 62305 (VDE 0185-305-3).
Die Stützrohre sind nach
Eurocode 1 (DIN EN 1991-1-4 + DIN EN 1991-1-4/NA) für eine
max. Böenwindgeschwindigkeit von 185 km/h dimensioniert.
Isolierstrecke aus glasfaserverstärktem Kunststoff GFK
Materialfaktor km = 0,7
Farbe lichtgrau, UV-stabilisiert 1-teilig
kombiniert mit Fangstange Ø22/16/10 mm Länge 2500 mm aus NIRO
Werkstoff Fangstange: NIRO
Länge Fangstange: 2500 mm
Werkstoff Stützrohr: GFK / NIRO
Länge Stützrohr: 4700 mm
Transportlänge: 4700 mm
Durchmesser Ø Außen: 50 mm
Länge der Isolierstrecke: 1535 mm
Max. freie Länge mit Fangstange (Wandmontage): 5500 mm
Max. Böenwindgeschwindigkeit: siehe Windlastbroschüre
Normenbezug: DIN IEC/TS 62561-8 (VDE V 0185-561-8)

Fabrikat: DEHN
Typ: SR D50 4700 FS22 2500 IP HVI GFK V2A
Art.-Nr.: 105317
oder gleichwertig.

 

Technical data

Werkstoff Fangstange NIRO
Länge Fangstange 2500 mm
Werkstoff Stützrohr GFK / NIRO
Länge Stützrohr 4700 mm
Transportlänge 4700 mm
Durchmesser Ø Außen 50 mm
Länge der Isolierstrecke 1535 mm
Max. freie Länge mit Fangstange (Wandmontage) 5500 mm
Normenbezug DIN IEC/TS 62561-8 (VDE V 0185-561-8)

Product 105317 was added to Notepad.

Product 105317 was added to the cart.


Mit Fangspitze und seitlichem Auslass

Stützrohr mit innenliegendem Endverschluss und PA-Federelement.
Fangspitze aus NIRO, Ø10 mm, Länge 1000 mm.

4 Products

Part No. 105325 SR D50 3200 FS1000 IP SA HVI GFK AL

GTIN 4013364157828, Customs tariff No. (EU): 85389099, Gross weight: 5.42 kg, PU: 1.00 Stk.


Images

Additional information

Stützrohr für HVI long Leitung mit Fangspitze und seitlichem Auslass
Stützrohre GFK/Al mit seitlichem Auslass, innenliegendem Endverschluss
und PA-Federelement für die HVI long Leitung
zum Einhalten des Trennungsabstand zu elektrisch
leitenden Teilen nach DIN EN 62305 (VDE 0185-305-3).
Die Stützrohre sind nach
Eurocode 1 (DIN EN 1991-1-4 + DIN EN 1991-1-4/NA) dimensioniert.
Isolierstrecke aus glasfaserverstärktem Kunststoff GFK
Materialfaktor km = 0,7
Farbe lichtgrau, UV-stabilisiert 1-teilig
kombiniert mit Fangspitze Ø10 mm Länge 1000 mm aus NIRO
Werkstoff Fangspitze: NIRO
Länge Fangspitze: 1000 mm
Werkstoff Stützrohr: GFK / Al
Länge Stützrohr: 3200 mm
Transportlänge: 3200 mm
Durchmesser Ø Außen: 50 mm
Länge der Isolierstrecke: 1535 mm
Max. Böenwindgeschwindigkeit: siehe Windlastbroschüre
Normenbezug: DIN IEC/TS 62561-8 (VDE V 0185-561-8)

Fabrikat: DEHN
Typ: SR D50 3200 FS1000 IP SA HVI GFK AL
Art.-Nr.: 105325
oder gleichwertig.

Certificates

 

Technical data

Werkstoff Fangspitze NIRO
Länge Fangspitze 1000 mm
Werkstoff Stützrohr GFK / Al
Länge Stützrohr 3200 mm
Transportlänge 3200 mm
Durchmesser Ø Außen 50 mm
Länge der Isolierstrecke 1535 mm
Normenbezug DIN IEC/TS 62561-8 (VDE V 0185-561-8)

Product 105325 was added to Notepad.

Product 105325 was added to the cart.

Part No. 105327 SR D50 4700 FS1000 IP SA HVI GFK AL

GTIN 4013364157835, Customs tariff No. (EU): 85389099, Gross weight: 8.15 kg, PU: 1.00 Stk.


Images

Additional information

Stützrohr für HVI long Leitung mit Fangspitze und seitlichem Auslass
Stützrohre GFK/Al mit seitlichem Auslass, innenliegendem Endverschluss
und PA-Federelement für die HVI long Leitung
zum Einhalten des Trennungsabstand zu elektrisch
leitenden Teilen nach DIN EN 62305 (VDE 0185-305-3).
Die Stützrohre sind nach
Eurocode 1 (DIN EN 1991-1-4 + DIN EN 1991-1-4/NA) dimensioniert.
Isolierstrecke aus glasfaserverstärktem Kunststoff GFK
Materialfaktor km = 0,7
Farbe lichtgrau, UV-stabilisiert 1-teilig
kombiniert mit Fangspitze Ø10 mm Länge 1000 mm aus NIRO
Werkstoff Fangspitze: NIRO
Länge Fangspitze: 1000 mm
Werkstoff Stützrohr: GFK / Al
Länge Stützrohr: 4700 mm
Transportlänge: 4700 mm
Durchmesser Ø Außen: 50 mm
Länge der Isolierstrecke: 1535 mm
Max. Böenwindgeschwindigkeit: siehe Windlastbroschüre
Normenbezug: DIN IEC/TS 62561-8 (VDE V 0185-561-8)

Fabrikat: DEHN
Typ: SR D50 4700 FS1000 IP SA HVI GFK AL
Art.-Nr.: 105327
oder gleichwertig.

 

Technical data

Werkstoff Fangspitze NIRO
Länge Fangspitze 1000 mm
Werkstoff Stützrohr GFK / Al
Länge Stützrohr 4700 mm
Transportlänge 4700 mm
Durchmesser Ø Außen 50 mm
Länge der Isolierstrecke 1535 mm
Normenbezug DIN IEC/TS 62561-8 (VDE V 0185-561-8)

Product 105327 was added to Notepad.

Product 105327 was added to the cart.

Part No. 105336 SR D50 3200 FS1000 IP SA HVI GFK V2A

GTIN 4013364157866, Customs tariff No. (EU): 85389099, Gross weight: 9.90 kg, PU: 1.00 Stk.


Images

Additional information

Stützrohr für HVI long Leitung mit Fangspitze und seitlichem Auslass
Stützrohre GFK/NIRO mit seitlichem Auslass, innenliegendem Endverschluss
und PA-Federelement für die HVI long Leitung
zum Einhalten des Trennungsabstand zu elektrisch
leitenden Teilen nach DIN EN 62305 (VDE 0185-305-3).
Die Stützrohre sind nach
Eurocode 1 (DIN EN 1991-1-4 + DIN EN 1991-1-4/NA) dimensioniert.
Isolierstrecke aus glasfaserverstärktem Kunststoff GFK
Materialfaktor km = 0,7
Farbe lichtgrau, UV-stabilisiert 1-teilig
kombiniert mit Fangspitze Ø10 mm Länge 1000 mm aus NIRO
Werkstoff Fangspitze: NIRO
Länge Fangspitze: 1000 mm
Werkstoff Stützrohr: GFK / NIRO
Länge Stützrohr: 3200 mm
Transportlänge: 3200 mm
Durchmesser Ø Außen: 50 mm
Länge der Isolierstrecke: 1535 mm
Max. Böenwindgeschwindigkeit: siehe Windlastbroschüre
Normenbezug: DIN IEC/TS 62561-8 (VDE V 0185-561-8)

Fabrikat: DEHN
Typ: SR D50 3200 FS1000 IP SA HVI GFK V2A
Art.-Nr.: 105336
oder gleichwertig.

 

Technical data

Werkstoff Fangspitze NIRO
Länge Fangspitze 1000 mm
Werkstoff Stützrohr GFK / NIRO
Länge Stützrohr 3200 mm
Transportlänge 3200 mm
Durchmesser Ø Außen 50 mm
Länge der Isolierstrecke 1535 mm
Normenbezug DIN IEC/TS 62561-8 (VDE V 0185-561-8)

Product 105336 was added to Notepad.

Product 105336 was added to the cart.

Part No. 105338 SR D50 4700 FS1000 IP SA HVI GFK V2A

GTIN 4013364157873, Customs tariff No. (EU): 85389099, Gross weight: 15.13 kg, PU: 1.00 Stk.


Images

Additional information

Stützrohr für HVI long Leitung mit Fangspitze und seitlichem Auslass
Stützrohre GFK/NIRO mit seitlichem Auslass, innenliegendem Endverschluss
und PA-Federelement für die HVI long Leitung
zum Einhalten des Trennungsabstand zu elektrisch
leitenden Teilen nach DIN EN 62305 (VDE 0185-305-3).
Die Stützrohre sind nach
Eurocode 1 (DIN EN 1991-1-4 + DIN EN 1991-1-4/NA) dimensioniert.
Isolierstrecke aus glasfaserverstärktem Kunststoff GFK
Materialfaktor km = 0,7
Farbe lichtgrau, UV-stabilisiert 1-teilig
kombiniert mit Fangspitze Ø10 mm Länge 1000 mm aus NIRO
Werkstoff Fangspitze: NIRO
Länge Fangspitze: 1000 mm
Werkstoff Stützrohr: GFK / NIRO
Länge Stützrohr: 4700 mm
Transportlänge: 4700 mm
Durchmesser Ø Außen: 50 mm
Länge der Isolierstrecke: 1535 mm
Max. Böenwindgeschwindigkeit: siehe Windlastbroschüre
Normenbezug: DIN IEC/TS 62561-8 (VDE V 0185-561-8)

Fabrikat: DEHN
Typ: SR D50 4700 FS1000 IP SA HVI GFK V2A
Art.-Nr.: 105338
oder gleichwertig.

 

Technical data

Werkstoff Fangspitze NIRO
Länge Fangspitze 1000 mm
Werkstoff Stützrohr GFK / NIRO
Länge Stützrohr 4700 mm
Transportlänge 4700 mm
Durchmesser Ø Außen 50 mm
Länge der Isolierstrecke 1535 mm
Normenbezug DIN IEC/TS 62561-8 (VDE V 0185-561-8)

Product 105338 was added to Notepad.

Product 105338 was added to the cart.


Mit Fangstange und seitlichem Auslass

Stützrohr mit innenliegendem Endverschluss und PA-Federelement.
Fangstange Ø22 / 16 / 10 mm, Länge 2500 mm.

4 Products

Part No. 105326 SR D50 3200 FS2500 IP SA HVI GFK AL

GTIN 4013364157842, Customs tariff No. (EU): 85389099, Gross weight: 5.82 kg, PU: 1.00 Stk.


Images

Additional information

Stützrohr für HVI long Leitung mit Fangstange und seitlichem Auslass
Stützrohre GFK/Al mit seitlichem Auslass, innenliegendem Endverschluss
und PA-Federelement für die HVI long-Leitung
zum Einhalten des Trennungsabstand zu elektrisch
leitenden Teilen nach DIN EN 62305 (VDE 0185-305-3).
Die Stützrohre sind nach
Eurocode 1 (DIN EN 1991-1-4 + DIN EN 1991-1-4/NA) dimensioniert.
Isolierstrecke aus glasfaserverstärktem Kunststoff GFK
Materialfaktor km = 0,7
Farbe lichtgrau, UV-stabilisiert 1-teilig
kombiniert mit Fangstange Ø22/16/10 mm Länge 2500 mm aus Al
Werkstoff Fangstange: Al
Länge Fangstange: 2500 mm
Werkstoff Stützrohr: GFK / Al
Länge Stützrohr: 3200 mm
Transportlänge: 3200 mm
Durchmesser Ø Außen: 50 mm
Länge der Isolierstrecke: 1535 mm
Max. Böenwindgeschwindigkeit: siehe Windlastbroschüre
Normenbezug: DIN IEC/TS 62561-8 (VDE V 0185-561-8)

Fabrikat: DEHN
Typ: SR D50 3200 FS2500 IP SA HVI GFK AL
Art.-Nr.: 105326
oder gleichwertig.

 

Technical data

Werkstoff Fangstange Al
Länge Fangstange 2500 mm
Werkstoff Stützrohr GFK / Al
Länge Stützrohr 3200 mm
Transportlänge 3200 mm
Durchmesser Ø Außen 50 mm
Länge der Isolierstrecke 1535 mm
Normenbezug DIN IEC/TS 62561-8 (VDE V 0185-561-8)

Product 105326 was added to Notepad.

Product 105326 was added to the cart.

Part No. 105328 SR D50 4700 FS2500 IP SA HVI GFK AL

GTIN 4013364157859, Customs tariff No. (EU): 85389099, Gross weight: 8.34 kg, PU: 1.00 Stk.


Images

Additional information

Stützrohr für HVI long Leitung mit Fangstange und seitlichem Auslass
Stützrohre GFK/Al mit seitlichem Auslass, innenliegendem Endverschluss
und PA-Federelement für die HVI long Leitung
zum Einhalten des Trennungsabstand zu elektrisch
leitenden Teilen nach DIN EN 62305 (VDE 0185-305-3).
Die Stützrohre sind nach
Eurocode 1 (DIN EN 1991-1-4 + DIN EN 1991-1-4/NA) dimensioniert.
Isolierstrecke aus glasfaserverstärktem Kunststoff GFK
Materialfaktor km = 0,7
Farbe lichtgrau, UV-stabilisiert 1-teilig
kombiniert mit Fangstange Ø22/16/10 mm Länge 2500 mm aus Al
Werkstoff Fangstange: Al
Länge Fangstange: 2500 mm
Werkstoff Stützrohr: GFK / Al
Länge Stützrohr: 4700 mm
Transportlänge: 4700 mm
Durchmesser Ø Außen: 50 mm
Länge der Isolierstrecke: 1535 mm
Max. Böenwindgeschwindigkeit: siehe Windlastbroschüre
Normenbezug: DIN IEC/TS 62561-8 (VDE V 0185-561-8)

Fabrikat: DEHN
Typ: SR D50 4700 FS2500 IP SA HVI GFK AL
Art.-Nr.: 105328
oder gleichwertig.

 

Technical data

Werkstoff Fangstange Al
Länge Fangstange 2500 mm
Werkstoff Stützrohr GFK / Al
Länge Stützrohr 4700 mm
Transportlänge 4700 mm
Durchmesser Ø Außen 50 mm
Länge der Isolierstrecke 1535 mm
Normenbezug DIN IEC/TS 62561-8 (VDE V 0185-561-8)

Product 105328 was added to Notepad.

Product 105328 was added to the cart.

Part No. 105337 SR D50 3200 FS2500 IP SA HVI GFK V2A

GTIN 4013364157880, Customs tariff No. (EU): 85389099, Gross weight: 11.64 kg, PU: 1.00 Stk.


Images

Additional information

Stützrohr für HVI long Leitung mit Fangstange und seitlichem Auslass
Stützrohre GFK/NIRO mit seitlichem Auslass, innenliegendem Endverschluss
und PA-Federelement für die HVI long Leitung
zum Einhalten des Trennungsabstand zu elektrisch
leitenden Teilen nach DIN EN 62305 (VDE 0185-305-3).
Die Stützrohre sind nach
Eurocode 1 (DIN EN 1991-1-4 + DIN EN 1991-1-4/NA) dimensioniert.
Isolierstrecke aus glasfaserverstärktem Kunststoff GFK
Materialfaktor km = 0,7
Farbe lichtgrau, UV-stabilisiert 1-teilig
kombiniert mit Fangstange Ø22/16/10 mm Länge 2500 mm aus NIRO
Werkstoff Fangstange: NIRO
Länge Fangstange: 2500 mm
Werkstoff Stützrohr: GFK / NIRO
Länge Stützrohr: 3200 mm
Transportlänge: 3200 mm
Durchmesser Ø Außen: 50 mm
Länge der Isolierstrecke: 1535 mm
Max. Böenwindgeschwindigkeit: siehe Windlastbroschüre
Normenbezug: DIN IEC/TS 62561-8 (VDE V 0185-561-8)

Fabrikat: DEHN
Typ: SR D50 3200 FS2500 IP SA HVI GFK V2A
Art.-Nr.: 105337
oder gleichwertig.

 

Technical data

Werkstoff Fangstange NIRO
Länge Fangstange 2500 mm
Werkstoff Stützrohr GFK / NIRO
Länge Stützrohr 3200 mm
Transportlänge 3200 mm
Durchmesser Ø Außen 50 mm
Länge der Isolierstrecke 1535 mm
Normenbezug DIN IEC/TS 62561-8 (VDE V 0185-561-8)

Product 105337 was added to Notepad.

Product 105337 was added to the cart.

Part No. 105339 SR D50 4700 FS2500 IP SA HVI GFK V2A

GTIN 4013364157897, Customs tariff No. (EU): 85389099, Gross weight: 16.90 kg, PU: 1.00 Stk.


Images

Additional information

Stützrohr für HVI long-Leitung mit Fangstange und seitlichem Auslass
Stützrohre GFK/NIRO mit seitlichem Auslass, innenliegendem Endverschluss
und PA-Federelement für die HVI long Leitung
zum Einhalten des Trennungsabstand zu elektrisch
leitenden Teilen nach DIN EN 62305 (VDE 0185-305-3).
Die Stützrohre sind nach
Eurocode 1 (DIN EN 1991-1-4 + DIN EN 1991-1-4/NA) dimensioniert.
Isolierstrecke aus glasfaserverstärktem Kunststoff GFK
Materialfaktor km = 0,7
Farbe lichtgrau, UV-stabilisiert 1-teilig
kombiniert mit Fangstange Ø22/16/10 mm Länge 2500 mm aus NIRO
Werkstoff Fangstange: NIRO
Länge Fangstange: 2500 mm
Werkstoff Stützrohr: GFK / NIRO
Länge Stützrohr: 4700 mm
Transportlänge: 4700 mm
Durchmesser Ø Außen: 50 mm
Länge der Isolierstrecke: 1535 mm
Max. Böenwindgeschwindigkeit: siehe Windlastbroschüre
Normenbezug: DIN IEC/TS 62561-8 (VDE V 0185-561-8)

Fabrikat: DEHN
Typ: SR D50 4700 FS2500 IP SA HVI GFK V2A
Art.-Nr.: 105339
oder gleichwertig.

 

Technical data

Werkstoff Fangstange NIRO
Länge Fangstange 2500 mm
Werkstoff Stützrohr GFK / NIRO
Länge Stützrohr 4700 mm
Transportlänge 4700 mm
Durchmesser Ø Außen 50 mm
Länge der Isolierstrecke 1535 mm
Normenbezug DIN IEC/TS 62561-8 (VDE V 0185-561-8)

Product 105339 was added to Notepad.

Product 105339 was added to the cart.


back to top