Stative für Fangstangen D40 und Stützrohre GFK/Al

Zum Errichten mit Betonsockel (Gewicht 17 kg). Anpassung an die Dachneigung bis max. 10° mittels variabler Fixierung am Sockelhalter. Die Fangstangen D40 / Stützrohre sind separat zu bestellen.

Jeweils im Zubehör separat verfügbar sind die stapelbaren Betonsockel, die Unterlegplatten, das Sockelhalterset zur Aufnahme weiterer Betonsockel und das Adapterset für Fangstangen D40.

Hinweis: Informationen zur Materialverträglichkeit Dachleitungshalter sowie Unterlegplatten in Verbindung mit Dachteilen, können bei DEHN angefordert werden.

Dreibeinstativ klein

Für Fangstangen D40, DEHNiso-Combi-Stützrohre mit Fangspitze / -stange oder HVI Leitung verlegt im / am Stützrohr.
Anschluss mit Doppelüberleger für 2x Rd 8-10 mm [Blitzstromtragfähigkeit 100 kA (10/350 µs)].

1 Product

Part No. 107390 DBS KB D50 RA680 V2A

GTIN 4013364478466, Customs tariff No. (EU): 85389099, Gross weight: 7.75 kg, PU: 1.00 Stk.

Predecessor

Images

Additional information

Dreibeinstativ klein NIRO (Ausführung klappbar)
Dreibeinstativ (Ausführung klappbar) für Stützrohre
D 50 mm mit seitlichem Auslass oder Fangstange
D 40 mm mit Reduzierungszubehör
Mit Doppelüberleger für den Anschluss 2x Rd 8-10 mm
Zum Errichten mit Betonsockel (Gewicht 17 kg)
Ausgleich Dachneigungwinkel bis max 10°
Stapelbare Betonsockel (Art.-Nr. 102 010)
Unterlegplatte (Art.-Nr. 102 050)
Sockelhalterset (Art.-Nr. 107 396)
Reduzierungszubehör (Art.-Nr. 107 399)
sind separat zu bestellen.
Dreibeinstative sind nach
Eurocode 1 (DIN EN 1991-1-4 + DIN EN 1991-1-4/NA)
dimensioniert.
Werkstoff Stativ: NIRO
Aufnahme: 50 und 40*) mm
Radius: 680 mm
Platzbedarf Stativ: 1175 x 1020 mm

Fabrikat: DEHN
Typ: DBS KB D50 RA680 V2A
Art.-Nr.: 107390
oder gleichwertig.

Certificates

 

Technical data

Werkstoff Stativ NIRO
Aufnahme 50 und 40*) mm
Radius 680 mm
Platzbedarf Stativ 1175 x 1020 mm
*) Nur mit Adapterset Art-Nr. 107 399.

Product 107390 was added to Notepad.

Product 107390 was added to the cart.


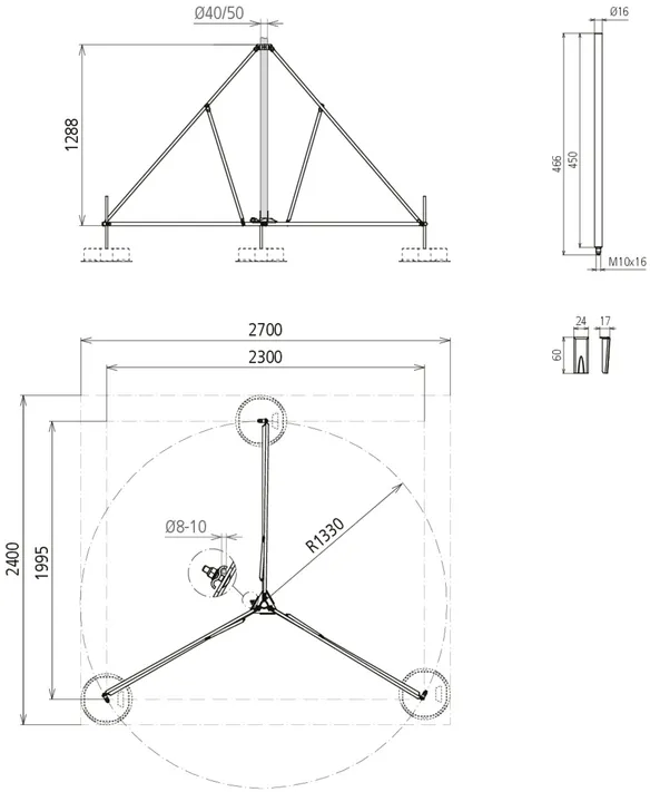
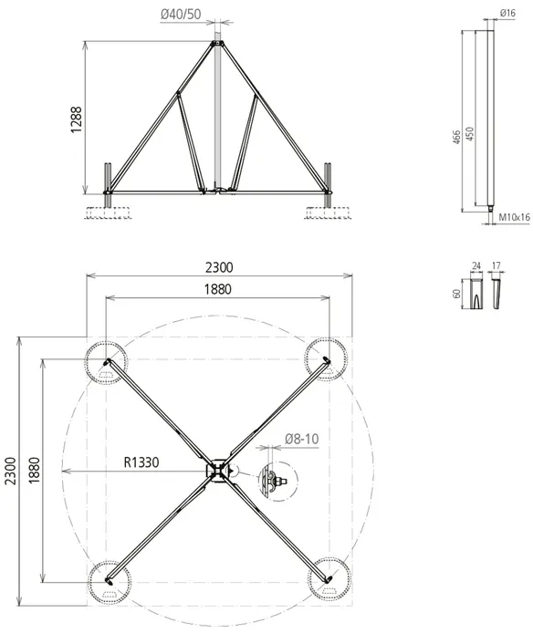
Dreibeinstativ groß

Für Fangstangen D40, DEHNiso-Combi-Stützrohre mit Fangspitze / -stange oder HVI Leitung verlegt im / am Stützrohr.
Anschluss mit Doppelüberleger für 2x Rd 8-10 mm [Blitzstromtragfähigkeit 100 kA (10/350 µs)].

1 Product

Part No. 107391 DBS KB D50 RA1330 V2A

GTIN 4013364478473, Customs tariff No. (EU): 85389099, Gross weight: 15.60 kg, PU: 1.00 Stk.

Predecessor

Images

Additional information

Dreibeinstativ groß NIRO (Ausführung klappbar)
Dreibeinstativ (Ausführung klappbar) für Stützrohre
D 50 mm mit seitlichem Auslass und Doppelüberleger für
den Anschluss 2x Rd 8-10 mm, zum Errichten mit
Betonsockel (Gewicht 17 kg) mit Anpassung mittels
Sockelhalterset an die Dachneigung bis max. 10°.
Stapelbare Betonsockel (Art.-Nr. 102 010)
Unterlegplatte (Art.-Nr. 102 050)
Sockelhalterset (Art.-Nr. 107 396)
Reduzierungszubehör (Art.-Nr. 107 399)
sind separat zu bestellen.
Dreibeinstative sind nach
Eurocode 1 (DIN EN 1991-1-4 + DIN EN 1991-1-4/NA)
dimensioniert.
Werkstoff Stativ: NIRO
Aufnahme: 50 und 40*) mm
Radius: 1330 mm
Platzbedarf Stativ: 2300 x 1995 mm

Fabrikat: DEHN
Typ: DBS KB D50 RA1330 V2A
Art.-Nr.: 107391
oder gleichwertig.

 

Technical data

Werkstoff Stativ NIRO
Aufnahme 50 und 40*) mm
Radius 1330 mm
Platzbedarf Stativ 2300 x 1995 mm
*) Nur mit Adapterset Art-Nr. 107 399.

Product 107391 was added to Notepad.

Product 107391 was added to the cart.


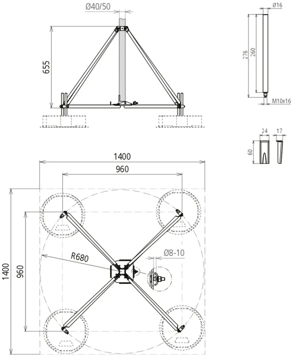
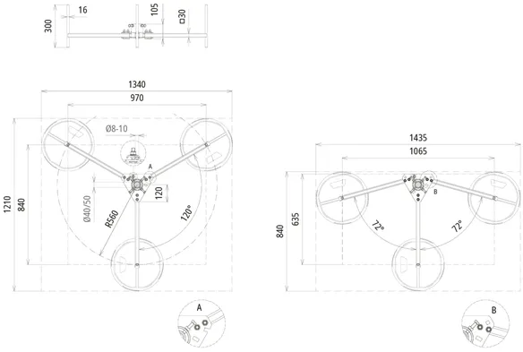
Vierbeinstativ klein

Für Fangstangen D40, D50 und D60, DEHNiso-Combi-Stützrohre mit Fangspitze / -stange oder HVI Leitung verlegt im / am Stützrohr.
Anschluss mit Doppelüberleger für 2x Rd 8-10 mm [Blitzstromtragfähigkeit 100 kA (10/350 µs)].

1 Product

Part No. 107490 VBS KB D50 RA680 V2A

GTIN 4013364478480, Customs tariff No. (EU): 85389099, Gross weight: 10.38 kg, PU: 1.00 Stk.


Images

Additional information

Vierbeinstativ klein NIRO (Ausführung klappbar)
Vierbeinstativ (Ausführung klappbar) für Stützrohre
D 50 mm mit seitlichem Auslass oder Fangstange
D 40 mm mit Reduzierungszubehör
Mit Doppelüberleger für den Anschluss 2x Rd 8-10 mm
Zum Errichten mit Betonsockel (Gewicht 17 kg)
Ausgleich Dachneigungwinkel bis max 10°
Stapelbare Betonsockel (Art.-Nr. 102 010)
Unterlegplatte (Art.-Nr. 102 050)
Sockelhalterset (Art.-Nr. 107 396)
Reduzierungszubehör (Art.-Nr. 107 399)
sind separat zu bestellen.
Vierbeinstative sind nach
Eurocode 1 (DIN EN 1991-1-4 + DIN EN 1991-1-4/NA)
dimensioniert.
Werkstoff Stativ: NIRO
Aufnahme: 50 und 40*) mm
Radius: 680 mm
Platzbedarf Stativ: 960 x 960 mm

Fabrikat: DEHN
Typ: VBS KB D50 RA680 V2A
Art.-Nr.: 107490
oder gleichwertig.

Certificates

 

Technical data

Werkstoff Stativ NIRO
Aufnahme 50 und 40*) mm
Radius 680 mm
Platzbedarf Stativ 960 x 960 mm
*) Nur mit Adapterset Art-Nr. 107 399.

Product 107490 was added to Notepad.

Product 107490 was added to the cart.


Vierbeinstativ groß

Für Fangstangen D40, D50 und D60, DEHNiso-Combi-Stützrohre mit Fangspitze / -stange oder HVI Leitung verlegt im / am Stützrohr.
Anschluss mit Doppelüberleger für 2x Rd 8-10 mm [Blitzstromtragfähigkeit 100 kA (10/350 µs)].

1 Product

Part No. 107491 VBS KB D50 RA1330 V2A

GTIN 4013364478497, Customs tariff No. (EU): 85389099, Gross weight: 17.63 kg, PU: 1.00 Stk.


Images

Additional information

Vierbeinstativ groß NIRO (Ausführung klappbar)
Vierbeinstativ (Ausführung klappbar) für Stützrohre
D 50 mm mit seitlichem Auslass oder Fangstange
D 40 mm mit Reduzierungszubehör
Mit Doppelüberleger für den Anschluss 2x Rd 8-10 mm
Zum Errichten mit Betonsockel (Gewicht 17 kg)
Ausgleich Dachneigungwinkel bis max 10°
Stapelbare Betonsockel (Art.-Nr. 102 010)
Unterlegplatte (Art.-Nr. 102 050)
Sockelhalterset (Art.-Nr. 107 396)
Reduzierungszubehör (Art.-Nr. 107 399)
sind separat zu bestellen.
Vierbeinstative sind nach
Eurocode 1 (DIN EN 1991-1-4 + DIN EN 1991-1-4/NA)
dimensioniert.
Werkstoff Stativ: NIRO
Aufnahme: 50 und 40*) mm
Radius: 1330 mm
Platzbedarf Stativ: 1880 x 1880 mm

Fabrikat: DEHN
Typ: VBS KB D50 RA1330 V2A
Art.-Nr.: 107491
oder gleichwertig.

 

Technical data

Werkstoff Stativ NIRO
Aufnahme 50 und 40*) mm
Radius 1330 mm
Platzbedarf Stativ 1880 x 1880 mm
*) Nur mit Adapterset Art-Nr. 107 399.

Product 107491 was added to Notepad.

Product 107491 was added to the cart.


Ausführung klappbar St/tZn

Für Fangstangen Ø40 mm oder Stützrohre Ø50 mm mit der Länge 3200 mm (z. B. Art.-Nr. 105 440 oder 105 300), ohne zusätzliche Befestigung an Konstruktionselementen.
Anschluss mit Doppelüberleger für 2x Rd 8-10 mm [Blitzstromtragfähigkeit 100 kA (10/350 µs)].

3 Products

Part No. 105200 DBS KB D40.50 RA560 STTZN

GTIN 4013364095908, Customs tariff No. (EU): 85389099, Gross weight: 9.60 kg, PU: 1.00 Stk.


Images

Additional information

Dreibeinstativ für Fangstangen Ausführung klappbar St/tZn
Dreibeinstativ für DEHNiso-Combi
zum freien Errichten der Stützrohre
oder Fangstangen D40
mit der Länge 3200 mm
(z. B. Art.-Nr. 105 300 oder 105 440),
ohne zusätzliche Befestigung an
Konstruktionselementen
Mit Anpassung an die Dachneigung bis max. 10°.
Der stapelbare Betonsockel (Art.-Nr. 102 010) und die
Unterlegplatte (Art.-Nr. 102 050) sind separat zu
bestellen.
Werkstoff Stativ: St/tZn
Aufnahme: Ø40 / 50 mm
Radius: 560 mm
Platzbedarf Stativ: 1200 x 1330 mm
Anzahl Betonsockel: 6 / 9 Stück à 17 kg
Normenbezug: DIN EN 62561-1

Fabrikat: DEHN
Typ: DBS KB D40.50 RA560 STTZN
Art.-Nr.: 105200
oder gleichwertig.

Certificates

 

Technical data

Werkstoff Stativ St/tZn
Aufnahme Ø40 / 50 mm
Radius 560 mm
Platzbedarf Stativ 1200 x 1330 mm
Normenbezug DIN EN 62561-1

Product 105200 was added to Notepad.

Product 105200 was added to the cart.

Part No. 105351 DBS KB D40.50 RA620 STTZN

GTIN 4013364238916, Customs tariff No. (EU): 85389099, Gross weight: 11.50 kg, PU: 1.00 Stk.


Images

Additional information

Dreibeinstativ für HVI Leitung klein St/tZn
Dreibeinstativ für HVI Leitung im Stützrohr
spezielle Ausführung für Stützrohre (Länge 3200 mm).
Um den Biegeradius der HVI Leitung unten
am Dreibeinstativ einzuhalten, werden 2 Betonsockel
unterhalb des Schenkels und einer oberhalb positioniert.
Ohne zusätzliche Befestigung an Konstruktionselementen
Anpassung an die Dachneigung bis max. 10° möglich.
Der stapelbare Betonsockel (Art.-Nr. 102 010) und die
Unterlegplatte (Art.-Nr. 102 050) sind separat zu bestellen.
Dreibeinstative sind nach
Eurocode 1 (DIN EN 1991-1-4 + DIN EN 1991-1-4/NA) dimensioniert.
Werkstoff Stativ: St/tZn
Aufnahme: 40 / 50 mm
Radius: 620 mm
Platzbedarf Stativ: 1300 x 1450 mm
Anzahl Betonsockel: 3-12 Stück á 17 kg

Fabrikat: DEHN
Typ: DBS KB D40.50 RA620 STTZN
Art.-Nr.: 105351
oder gleichwertig.

 

Technical data

Werkstoff Stativ St/tZn
Aufnahme 40 / 50 mm
Radius 620 mm
Platzbedarf Stativ 1300 x 1450 mm

Product 105351 was added to Notepad.

Product 105351 was added to the cart.

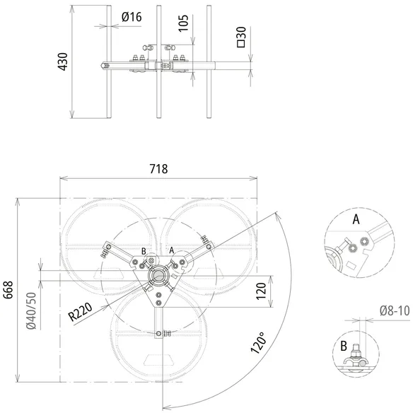
Part No. 105357 DBS KB D40.50 RA220 STTZN

GTIN 4013364527829, Customs tariff No. (EU): 85389099, Gross weight: 8.04 kg, PU: 1.00 Stk.


Images

Additional information

Dreibeinstativ platzsparend, höhenverstellbar und klappbar
zur Aufnahme von Fangstangen und Stützrohre
Ø40 mm und Ø50 mm
Ausgleich von Dachschrägen bis 10° möglich
Aufnahme von bis zu vier Betonsockel
je Bein möglich
Werkstoff Stativ: St/tZn
Aufnahme: 40 / 50 mm
Radius: 220 mm
Platzbedarf Stativ: 668 x 718 mm
Anzahl Betonsockel: 3-12 Stück á 17 kg
Normenbezug: DIN EN 62561-1

Fabrikat: DEHN
Typ: DBS KB D40.50 RA220 STTZN
Art.-Nr.: 105357
oder gleichwertig.

 

Technical data

Werkstoff Stativ St/tZn
Aufnahme 40 / 50 mm
Radius 220 mm
Platzbedarf Stativ 668 x 718 mm
Normenbezug DIN EN 62561-1

Product 105357 was added to Notepad.

Product 105357 was added to the cart.


Dreibeinstativ klein (Auslauf)

1 Product

Part No. 105290 DBS KB D40.50 RA590 V2A

GTIN 4013364126046, Customs tariff No. (EU): 85389099, Gross weight: 8.40 kg, PU: 1.00 Stk.


Images

Additional information

Dreibeinstativ für Fangstangen Ausführung klappbar NIRO
Dreibeinstative für Fangstangen D40 und Stützrohre GFK/Al
zum Errichten mit Betonsockel (Gewicht 17 kg)
Mit Anpassung mittels Gewindestange M16 an die Dachneigung
bis max. 10 Grad.
Dimensioniert für eine Windgeschwindigkeit
bis 145 km/h (Windlastzone II). Die
Fangstangen D40/Stützrohre oder der stapelbare Betonsockel
(Art.-Nr. 102 010) und die Unterlegplatte (Art.-Nr. 102
050) sind separat zu bestellen.
Klappbar für Fangstangen
D40 bis Höhe 5,5 m,
Werkstoff Stativ: NIRO
Aufnahme: Ø40 / 50 mm
Radius: 590 mm
Platzbedarf Stativ: 1230 x 1370 mm
Höhe – Anzahl Betonsockel: 4000 / 4500 mm – 3 Stück 5000 / 5500 mm – 6 Stück

Fabrikat: DEHN
Typ: DBS KB D40.50 RA590 V2A
Art.-Nr.: 105290
oder gleichwertig.

 

Technical data

Werkstoff Stativ NIRO
Aufnahme Ø40 / 50 mm
Radius 590 mm
Platzbedarf Stativ 1230 x 1370 mm

Product 105290 was added to Notepad.

Product 105290 was added to the cart.


Ausführung teilbar NIRO (Auslauf)

Für Fangstangen D40, DEHNiso-Combi-Stützrohre mit Fangspitze oder HVI Leitung verlegt im / am Stützrohr.

1 Product

Part No. 105291 DBS KB D40.50 RA1100 V2A

GTIN 4013364126053, Customs tariff No. (EU): 85389099, Gross weight: 19.00 kg, PU: 1.00 Stk.


Images

Additional information

Dreibeinstativ für Fangstangen Ausführung teilbar NIRO
Dreibeinstative für Fangstangen D40 und Stützrohre GFK/Al
zum Errichten mit Betonsockel (Gewicht 17 kg)
Mit Anpassung mittels Gewindestange M16 an die Dachneigung
bis max. 10 Grad.
Dimensioniert für eine Windgeschwindigkeit
bis 145 km/h (Windlastzone II). Die
Fangstangen D40/Stützrohre oder der stapelbare Betonsockel
(Art.-Nr. 102 010) und die Unterlegplatte (Art.-Nr. 102
050) sind separat zu bestellen.
Teilbar für Fangstangen
D40 bis Höhe 8,0 m,
Werkstoff Stativ: NIRO
Aufnahme: Ø40 / 50 mm
Radius: 1155 mm
Platzbedarf Stativ: 2050 x 2300 mm
Höhe – Anzahl Betonsockel: 6000 / 6500 mm – 6 Stück 7000-8000 mm – 9 Stück

Fabrikat: DEHN
Typ: DBS KB D40.50 RA1100 V2A
Art.-Nr.: 105291
oder gleichwertig.

Certificates

 

Technical data

Werkstoff Stativ NIRO
Aufnahme Ø40 / 50 mm
Radius 1155 mm
Platzbedarf Stativ 2050 x 2300 mm

Product 105291 was added to Notepad.

Product 105291 was added to the cart.


back to top