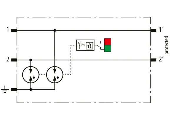
BLITZDUCTORconnect – Kompakt

Universell einsetzbarer Blitzstrom- und Überspannungs-Ableiter
  • Zum Schutz von Datenbus-Schnittstellen und MSR-Kreise
  • Hohes Ableitvermögen 3 kA (10/350 µs), 10 kA (8/20 µs)
  • Maximale Stoßstrombelastbarkeit (8/20 µs) Imax bis 20 kA
  • Niedrige Schutzpegel, auch für Endgeräteschutz geeignet
Kompakter Ableiter
  • Schneller und einfacher Leitungsanschluss durch Push-In-Anschlusstechnik
  • Hohe Anlagenverfügbarkeit durch Failsafe-Verhalten
Funktionsoptimiertes Gerätedesign in 6 mm Baubreite
  • Im Ableiter integrierter LifeCheck und optische Statusanzeige
  • Einfache Status-Fernmeldung mit optionaler FM-Einheit
  • Vibrations- und schockgeprüft für den sicheren Betrieb

Details

Höchste Anlagenverfügbarkeit
Zulassungen für den Einsatz in eigensicheren Messkreisen
lorem ipsum
Connect = Protect
Push-In-Anschlusstechnik für einfachen und schnellen Leitungsanschluss
lorem ipsum
Schnell geprüft – auf einen Blick
Integrierte Anzeige zur einfachen und schnellen Wartung
lorem ipsum
Einfache Wartung
Statusmeldung mit Überwachungsein­heit für Ableitergruppen
lorem ipsum

BCO CL2 B 180

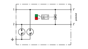
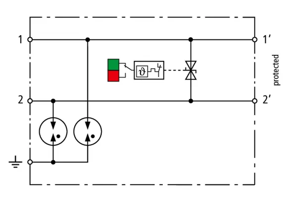
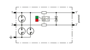
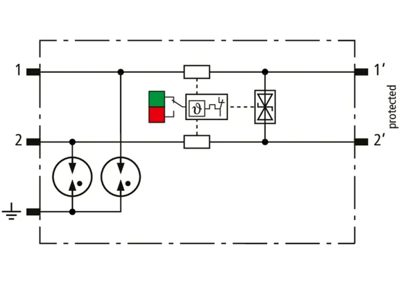
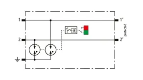
Platzsparender, kompakter Blitzstrom-Ableiter in 6 mm Baubreite und Push-in-Anschlusstechnik mit Statusanzeige zum Schutz von 2 Einzeladern für den Blitzschutz-Potentialausgleich sowie die Ausführung einer indirekten Erdung geschirmter Leitungen.

1 Product

Part No. 927910 BCO CL2 B 180

GTIN 4013364411739, Customs tariff No. (EU): 85363010, Gross weight: 57.86 g, PU: 1.00 Stk.


Images

Additional information

Blitzstrom-Ableiter BLITZDUCTORconnect CL2 B 180
kompakter Blitzstrom-Ableiter zum Schutz
von 2 Einzeladern für den
Blitzschutz-Potentialausgleich sowie die
Ausführung einer indirekten Erdung
geschirmter Leitungen
geprüft nach EN/IEC 61643-21 und energetisch
koordiniert nach IEC 61643-22
Ableiterklasse Type 1
Impulskategorie: C2, C3, B2, D1
Statusanzeige, Baubreite 6 mm
Höchste Dauerspannung: 180,0 V DC / 127,0 V AC
Nennstrom bei 80°C: 1,2 A
C2 Nennableitstoßstrom pro Ader (8/20): 5 kA
C2 Nennableitstoßstrom gesamt (8/20): 10 kA
D1 Blitzstoßstrom (10/350 µs) pro Ader: 1,5 kA
D1 Blitzstoßstrom (10/350 µs) gesamt: 3 kA
Leitungsanschluss: Push-in

Fabrikat: DEHN
Typ: BCO CL2 B 180
Art.-Nr.: 927910
oder gleichwertig.

Certificates

 

Technical data

Ableiterklasse A
Höchste Dauerspannung DC (UC ) 180 V
Nennstrom (IL ) 1,2 A
D1 Blitzstoßstrom (10/350 µs) pro Ader (Iimp ) 1,5 kA
C2 Nennableitstoßstrom (8/20 µs) gesamt (In ) 10 kA
Serienimpedanz pro Ader 0 Ohm
Zulassungen UL 497B, CSA, ATEX, IECEx, CCC, SIL
*) Details siehe: www.dehn.de

Product 927910 was added to Notepad.

Product 927910 was added to the cart.


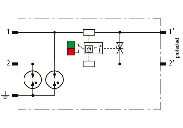
BCO CL2 BE

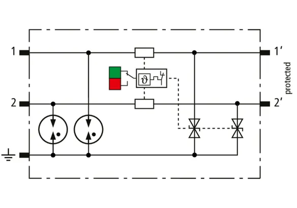
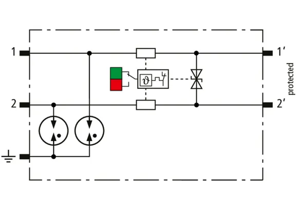
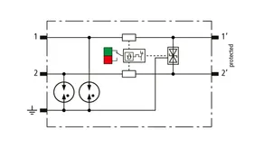
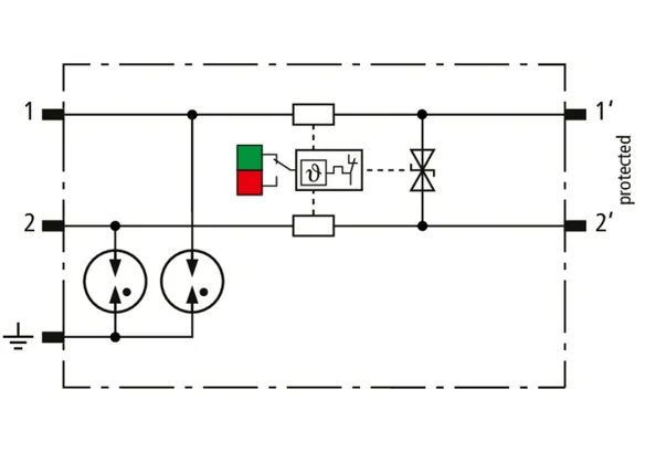
Platzsparender, kompakter Kombi-Ableiter in 6 mm Baubreite und Push-in-Anschlusstechnik mit Statusanzeige zum Schutz von 2 Einzeladern mit gemeinsamen Bezugspotential sowie unsymmetrischer Schnittstellen.

3 Products

Part No. 927922 BCO CL2 BE 12

GTIN 4013364411951, Customs tariff No. (EU): 85363010, Gross weight: 57.86 g, PU: 1.00 Stk.

Predecessor

Images

Additional information

Kombi-Ableiter BLITZDUCTORconnect CL2 BE 12
kompakter Kombi-Ableiter zum Schutz
von 2 Einzeladern mit gemeinsamen
Bezugspotential sowie unsymmetrischer Schnittstellen
geprüft nach EN/IEC 61643-21 und energetisch
koordiniert nach IEC 61643-22
Ableiterklasse Type 1 / P1
Impulskategorie: C1, C2, C3, B2, D1
Statusanzeige, Baubreite 6 mm
Höchste Dauerspannung: 15,0 V DC / 10,6 V AC
Nennstrom bei 70°C: 0,75 A
C2 Nennableitstoßstrom pro Ader (8/20): 5 kA
C2 Nennableitstoßstrom gesamt (8/20): 10 kA
D1 Blitzstoßstrom (10/350 µs) pro Ader: 1,5 kA
D1 Blitzstoßstrom (10/350 µs) gesamt: 3 kA
Leitungsanschluss: Push-in

Fabrikat: DEHN
Typ: BCO CL2 BE 12
Art.-Nr.: 927922
oder gleichwertig.

Certificates

 

Technical data

Ableiterklasse M
Höchste Dauerspannung DC (UC ) 15 V
Nennstrom bei 70 °C (IL ) 0,75 A
D1 Blitzstoßstrom (10/350 µs) pro Ader (Iimp ) 1,5 kA
C2 Nennableitstoßstrom (8/20 µs) gesamt (In ) 10 kA
Serienimpedanz pro Ader 1 Ohm
Grenzfrequenz Ad-Ad (fG ) 1,4 MHz
Zulassungen UL 497B, CSA, ATEX, IECEx, CCC, SIL
*) Details siehe: www.dehn.de

Product 927922 was added to Notepad.

Product 927922 was added to the cart.

Part No. 927924 BCO CL2 BE 24

GTIN 4013364411968, Customs tariff No. (EU): 85363010, Gross weight: 57.86 g, PU: 1.00 Stk.

Predecessor

Images

Additional information

Kombi-Ableiter BLITZDUCTORconnect CL2 BE 24
kompakter Kombi-Ableiter zum Schutz
von 2 Einzeladern mit gemeinsamen
Bezugspotential sowie unsymmetrischer Schnittstellen
geprüft nach EN/IEC 61643-21 und energetisch
koordiniert nach IEC 61643-22
Ableiterklasse Type 1 / P1
Impulskategorie: C1, C2, C3, B2, D1
Statusanzeige, Baubreite 6 mm
Höchste Dauerspannung: 33,0 V DC / 23,3 V AC
Nennstrom bei 70°C: 0,75 A
C2 Nennableitstoßstrom pro Ader (8/20): 5 kA
C2 Nennableitstoßstrom gesamt (8/20): 10 kA
D1 Blitzstoßstrom (10/350 µs) pro Ader: 1,5 kA
D1 Blitzstoßstrom (10/350 µs) gesamt: 3 kA
Leitungsanschluss: Push-in

Fabrikat: DEHN
Typ: BCO CL2 BE 24
Art.-Nr.: 927924
oder gleichwertig.

Certificates

 

Technical data

Ableiterklasse M
Höchste Dauerspannung DC (UC ) 33 V
Nennstrom bei 70 °C (IL ) 0,75 A
D1 Blitzstoßstrom (10/350 µs) pro Ader (Iimp ) 1,5 kA
C2 Nennableitstoßstrom (8/20 µs) gesamt (In ) 10 kA
Serienimpedanz pro Ader 1 Ohm
Grenzfrequenz Ad-Ad (fG ) 3,4 MHz
Zulassungen UL 497B, CSA, ATEX, IECEx, CCC, SIL
*) Details siehe: www.dehn.de

Product 927924 was added to Notepad.

Product 927924 was added to the cart.

Part No. 927925 BCO CL2 BE 48

GTIN 4013364411975, Customs tariff No. (EU): 85363010, Gross weight: 57.86 g, PU: 1.00 Stk.

Predecessor

Images

Additional information

Kombi-Ableiter BLITZDUCTORconnect CL2 BE 48
kompakter Kombi-Ableiter zum Schutz
von 2 Einzeladern mit gemeinsamen Bezugspotential
sowie unsymmetrischer Schnittstellen
geprüft nach EN/IEC 61643-21 und energetisch
koordiniert nach IEC 61643-22
Ableiterklasse Type 1 / P1
Impulskategorie: C1, C2, C3, B2, D1
Statusanzeige, Baubreite 6 mm
Höchste Dauerspannung: 54,0 V DC / 38,1 V AC
Nennstrom bei 70°C: 0,75 A
C2 Nennableitstoßstrom pro Ader (8/20): 5 kA
C2 Nennableitstoßstrom gesamt (8/20): 10 kA
D1 Blitzstoßstrom (10/350 µs) pro Ader: 1,5 kA
D1 Blitzstoßstrom (10/350 µs) gesamt: 3 kA
Leitungsanschluss: Push-in

Fabrikat: DEHN
Typ: BCO CL2 BE 48
Art.-Nr.: 927925
oder gleichwertig.

Certificates

 

Technical data

Ableiterklasse M
Höchste Dauerspannung DC (UC ) 54 V
Nennstrom bei 70 °C (IL ) 0,75 A
D1 Blitzstoßstrom (10/350 µs) pro Ader (Iimp ) 1,5 kA
C2 Nennableitstoßstrom (8/20 µs) gesamt (In ) 10 kA
Serienimpedanz pro Ader 1 Ohm
Grenzfrequenz Ad-Ad (fG ) 5 MHz
Zulassungen UL 497B, CSA, ATEX, IECEx, CCC, SIL
*) Details siehe: www.dehn.de

Product 927925 was added to Notepad.

Product 927925 was added to the cart.


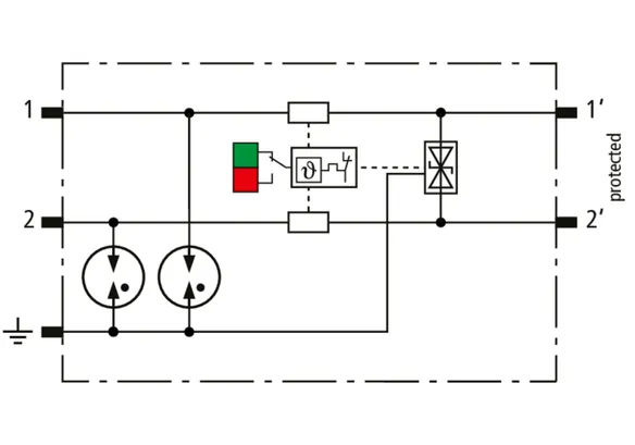
BCO CL2 BD

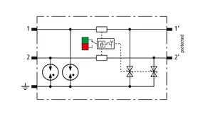
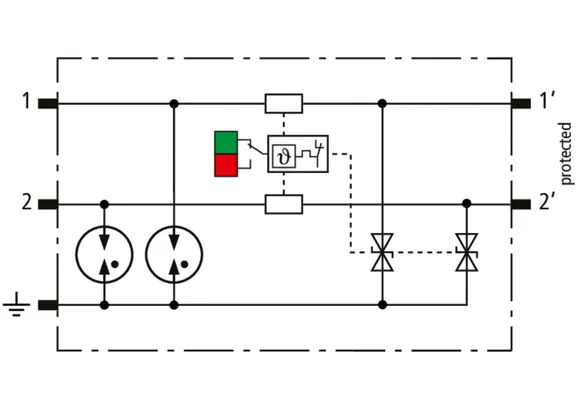
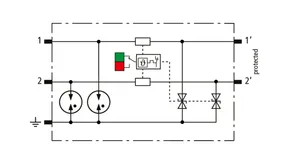
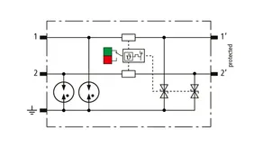
Platzsparender, kompakter Kombi-Ableiter in 6 mm Baubreite und Push-in-Anschlusstechnik mit Statusanzeige zum Schutz von 1 Doppelader erdpotentialfreier symmetrischer Schnittstellen.

3 Products

Part No. 927942 BCO CL2 BD 12

GTIN 4013364411777, Customs tariff No. (EU): 85363010, Gross weight: 57.86 g, PU: 1.00 Stk.

Predecessor

Images

Additional information

Kombi-Ableiter BLITZDUCTORconnect CL2 BD 12
kompakter Kombi-Ableiter zum Schutz
einer Doppelader erdpotentialfreier
symmetrischer Schnittstellen
geprüft nach EN/IEC 61643-21 und energetisch
koordiniert nach IEC 61643-22
Ableiterklasse Type 1 / P2
Impulskategorie: C1, C2, C3, B2, D1
Statusanzeige, Baubreite 6 mm
Höchste Dauerspannung: 15,0 V DC / 10,6 V AC
Nennstrom bei 70°C: 0,75 A
C2 Nennableitstoßstrom pro Ader (8/20): 5 kA
C2 Nennableitstoßstrom gesamt (8/20): 10 kA
D1 Blitzstoßstrom (10/350 µs) pro Ader: 1,5 kA
D1 Blitzstoßstrom (10/350 µs) gesamt: 3 kA
Leitungsanschluss: Push-in

Fabrikat: DEHN
Typ: BCO CL2 BD 12
Art.-Nr.: 927942
oder gleichwertig.

Certificates

 

Technical data

Ableiterklasse L
Höchste Dauerspannung DC (UC ) 15 V
Nennstrom bei 70 °C (IL ) 0,75 A
D1 Blitzstoßstrom (10/350 µs) pro Ader (Iimp ) 1,5 kA
C2 Nennableitstoßstrom (8/20 µs) gesamt (In ) 10 kA
Serienimpedanz pro Ader 1 Ohm
Grenzfrequenz Ad-Ad (fG ) 2,6 MHz
Zulassungen UL 497B, CSA, ATEX, IECEx, CCC, SIL
*) Details siehe: www.dehn.de

Product 927942 was added to Notepad.

Product 927942 was added to the cart.

Part No. 927944 BCO CL2 BD 24

GTIN 4013364411784, Customs tariff No. (EU): 85363010, Gross weight: 57.86 g, PU: 1.00 Stk.

Predecessor

Images

Additional information

Kombi-Ableiter BLITZDUCTORconnect CL2 BD 24
kompakter Kombi-Ableiter zum Schutz
einer Doppelader erdpotentialfreier
symmetrischer Schnittstellen
geprüft nach EN/IEC 61643-21 und energetisch
koordiniert nach IEC 61643-22
Ableiterklasse Type 1 / P2
Impulskategorie: C1, C2, C3, B2, D1
Statusanzeige
Höchste Dauerspannung: 36,0 V DC / 25,4 V AC
Nennstrom bei 70°C: 0,75 A
C2 Nennableitstoßstrom pro Ader (8/20): 5 kA
C2 Nennableitstoßstrom gesamt (8/20): 10 kA
D1 Blitzstoßstrom (10/350 µs) pro Ader: 1,5 kA
D1 Blitzstoßstrom (10/350 µs) gesamt: 3 kA
Leitungsanschluss: Push-in
Baubreite 6 mm

Fabrikat: DEHN
Typ: BCO CL2 BD 24
Art.-Nr.: 927944
oder gleichwertig.

Certificates

 

Technical data

Ableiterklasse L
Höchste Dauerspannung DC (UC ) 36 V
Nennstrom bei 70 °C (IL ) 0,75 A
D1 Blitzstoßstrom (10/350 µs) pro Ader (Iimp ) 1,5 kA
C2 Nennableitstoßstrom (8/20 µs) gesamt (In ) 10 kA
Serienimpedanz pro Ader 1 Ohm
Grenzfrequenz Ad-Ad (fG ) 5,8 MHz
Zulassungen UL 497B, CSA, ATEX, IECEx, CCC, SIL
*) Details siehe: www.dehn.de

Product 927944 was added to Notepad.

Product 927944 was added to the cart.

Part No. 927945 BCO CL2 BD 48

GTIN 4013364411807, Customs tariff No. (EU): 85363010, Gross weight: 57.86 g, PU: 1.00 Stk.

Predecessor

Images

Additional information

Kombi-Ableiter BLITZDUCTORconnect CL2 BD 48
kompakter Kombi-Ableiter zum Schutz
einer Doppelader erdpotentialfreier
symmetrischer Schnittstellen
geprüft nach EN/IEC 61643-21 und energetisch
koordiniert nach IEC 61643-22
Ableiterklasse Type 1 / P2
Impulskategorie: C1, C2, C3, B2, D1
Statusanzeige
Höchste Dauerspannung: 56,0 V DC / 39,6 V AC
Nennstrom bei 70°C: 0,75 A
C2 Nennableitstoßstrom pro Ader (8/20): 5 kA
C2 Nennableitstoßstrom gesamt (8/20): 10 kA
D1 Blitzstoßstrom (10/350 µs) pro Ader: 1,5 kA
D1 Blitzstoßstrom (10/350 µs) gesamt: 3 kA
Leitungsanschluss: Push-in
Baubreite 6 mm

Fabrikat: DEHN
Typ: BCO CL2 BD 48
Art.-Nr.: 927945
oder gleichwertig.

Certificates

 

Technical data

Ableiterklasse L
Höchste Dauerspannung DC (UC ) 56 V
Nennstrom bei 70 °C (IL ) 0,75 A
D1 Blitzstoßstrom (10/350 µs) pro Ader (Iimp ) 1,5 kA
C2 Nennableitstoßstrom (8/20 µs) gesamt (In ) 10 kA
Serienimpedanz pro Ader 1 Ohm
Grenzfrequenz Ad-Ad (fG ) 7,2 MHz
Zulassungen UL 497B, CSA, ATEX, IECEx, CCC, SIL
*) Details siehe: www.dehn.de

Product 927945 was added to Notepad.

Product 927945 was added to the cart.


BCO CL2 BE HF

Platzsparender, kompakter Kombi-Ableiter in 6 mm Baubreite und Push-in-Anschlusstechnik mit Statusanzeige zum Schutz von 2 Einzeladern hochfrequenter Übertragungen mit gemeinsamen Bezugspotential sowie unsymmetrischer Schnittstellen.

1 Product

Part No. 927970 BCO CL2 BE HF 5

GTIN 4013364411982, Customs tariff No. (EU): 85363010, Gross weight: 57.86 g, PU: 1.00 Stk.


Images

Additional information

Kombi-Ableiter BLITZDUCTORconnect CL2 BE HF 5
kompakter Kombi-Ableiter zum Schutz
von 2 Einzeladern hochfrequenter Übertragungen
mit gemeinsamen Bezugspotential sowie
unsymmetrischer Schnittstellen
geprüft nach EN/IEC 61643-21 und energetisch
koordiniert nach IEC 61643-22
Ableiterklasse Type 1 / P1
Impulskategorie: C1, C2, C3, B2, D1
Statusanzeige, Baubreite 6 mm
Höchste Dauerspannung: 8,5 V DC / 6,0 V AC
Nennstrom bei 70°C: 0,75 A
Grenzfrequenz 100 MHz
C2 Nennableitstoßstrom pro Ader (8/20): 5 kA
C2 Nennableitstoßstrom gesamt (8/20): 10 kA
D1 Blitzstoßstrom (10/350 µs) pro Ader: 1,5 kA
D1 Blitzstoßstrom (10/350 µs) gesamt: 3 kA
Leitungsanschluss: Push-in

Fabrikat: DEHN
Typ: BCO CL2 BE HF 5
Art.-Nr.: 927970
oder gleichwertig.

Certificates

 

Technical data

Ableiterklasse M
Höchste Dauerspannung DC (UC ) 8,5 V
Nennstrom bei 70 °C (IL ) 0,75 A
D1 Blitzstoßstrom (10/350 µs) pro Ader (Iimp ) 1,5 kA
C2 Nennableitstoßstrom (8/20 µs) gesamt (In ) 10 kA
Serienimpedanz pro Ader 1 Ohm
Zulassungen UL 497B, CSA, ATEX, IECEx, CCC, SIL
*) Details siehe: www.dehn.de

Product 927970 was added to Notepad.

Product 927970 was added to the cart.


BCO CL2 BD HF

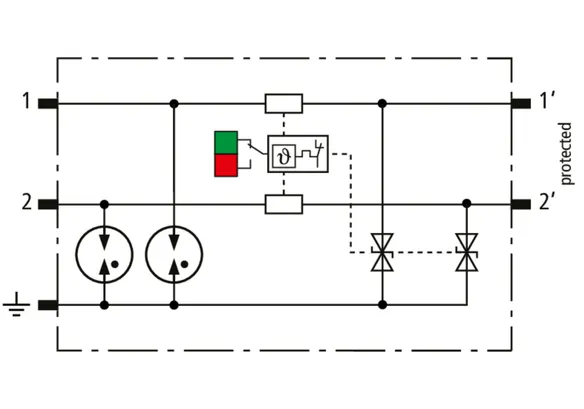
Platzsparender, kompakter Kombi-Ableiter in 6 mm Baubreite und Push-in-Anschlusstechnik mit Statusanzeige zum Schutz von 1 Doppelader erdpotentialfreier hochfrequenter Bussysteme sowie symmetrischer Schnittstellen.

1 Product

Part No. 927971 BCO CL2 BD HF 5

GTIN 4013364411999, Customs tariff No. (EU): 85363010, Gross weight: 57.86 g, PU: 1.00 Stk.

Predecessor

Images

Additional information

Kombi-Ableiter BLITZDUCTORconnect CL2 BD HF 5
kompakter Kombi-Ableiter zum Schutz
von 1 Doppelader erdpotentialfreier
hochfrequenter Bussysteme sowie
symmetrischer Schnittstellen
geprüft nach EN/IEC 61643-21 und energetisch
koordiniert nach IEC 61643-22
Ableiterklasse Type 1 / P2
Impulskategorie: C1, C2, C3, B2, D1
Statusanzeige, Baubreite 6 mm
Höchste Dauerspannung: 8,5 V DC / 6,0 V AC
Nennstrom bei 70°C: 0,75 A
Grenzfrequenz 100 MHz
C2 Nennableitstoßstrom pro Ader (8/20): 5 kA
C2 Nennableitstoßstrom gesamt (8/20): 10 kA
D1 Blitzstoßstrom (10/350 µs) pro Ader: 1,5 kA
D1 Blitzstoßstrom (10/350 µs) gesamt: 3 kA
Leitungsanschluss: Push-In

Fabrikat: DEHN
Typ: BCO CL2 BD HF 5
Art.-Nr.: 927971
oder gleichwertig.

Certificates

 

Technical data

Ableiterklasse L
Höchste Dauerspannung DC (UC ) 8,5 V
Nennstrom bei 70 °C (IL ) 0,75 A
D1 Blitzstoßstrom (10/350 µs) pro Ader (Iimp ) 1,5 kA
C2 Nennableitstoßstrom (8/20 µs) gesamt (In ) 10 kA
Serienimpedanz pro Ader 1 Ohm
Grenzfrequenz Ad-Ad (fG ) 100 MHz
Zulassungen UL 497B, CSA, ATEX, IECEx, CCC, SIL
*) Details siehe: www.dehn.de

Product 927971 was added to Notepad.

Product 927971 was added to the cart.


BCO CL2 E

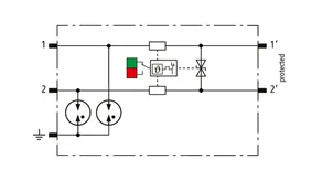
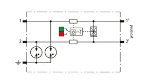
Platzsparender, kompakter Überspannungs-Ableiter in 6 mm Baubreite und Push-In Anschlusstechnik mit Statusanzeige. Fein begrenzender, einstufiger Überspannungsschutz mit leistungsfähigen Dioden zum Schutz von 2 Einzeladern mit gemeinsamen Bezugspotential sowie unsymmetrischer Schnittstellen.

3 Products

Part No. 927987 BCO CL2 E 12

GTIN 4013364485754, Customs tariff No. (EU): 85363010, Gross weight: 55.94 g, PU: 1.00 Stk.

Predecessor

Images

Additional information

Überspannungs-Ableiter BLITZDUCTORconnect CL2 E 12
kompakter, einstufiger Überspannungsschutz
mit leistungsfähigen Dioden zum Schutz von
2 Einzeladern mit gemeinsamen Bezugspotential
sowie unsymmetrischer Schnittstellen
geprüft nach EN/IEC 61643-21 und energetisch
koordiniert nach IEC 61643-22
Ableiterklasse Type 3/P1
Impulskategorie: C1, C3
Statusanzeige, Baubreite 6 mm
Höchste Dauerspannung: 15 V DC / 10,6 V AC
Nennstrom bei 60°C: 10 A
C1 Nennableitstoßstrom pro Ader (8/20): 1,5 kA
C1 Nennableitstoßstrom gesamt (8/20): 3 kA
Leitungsanschluss: Push-In

Fabrikat: DEHN
Typ: BCO CL2 E 12
Art.-Nr.: 927987
oder gleichwertig.

Certificates

 

Technical data

Ableiterklasse W
Höchste Dauerspannung DC (UC ) 15 V
Nennstrom bei 60 °C (IL ) 10 A
Nennstrom bei 80 °C (IL ) 6 A
C1 Nennableitstoßstrom (8/20 µs) gesamt (In ) 3 kA
Serienimpedanz pro Ader 0 Ohm
Zulassungen UL 497B, SIL
*) Details siehe: www.dehn.de

Product 927987 was added to Notepad.

Product 927987 was added to the cart.

Part No. 927988 BCO CL2 E 24

GTIN 4013364485747, Customs tariff No. (EU): 85363010, Gross weight: 56.04 g, PU: 1.00 Stk.

Predecessor

Images

Additional information

Überspannungs-Ableiter BLITZDUCTORconnect CL2 E 24
kompakter, einstufiger Überspannungsschutz
mit leistungsfähigen Dioden zum Schutz von
2 Einzeladern mit gemeinsamen Bezugspotential
sowie unsymmetrischer Schnittstellen
geprüft nach EN/IEC 61643-21 und energetisch
koordiniert nach IEC 61643-22
Ableiterklasse Type 3/P1
Impulskategorie: C1, C3
Statusanzeige, Baubreite 6 mm
Höchste Dauerspannung: 33 V DC / 23 V AC
Nennstrom bei 60°C: 10 A
C1 Nennableitstoßstrom pro Ader (8/20): 0,6 kA
C1 Nennableitstoßstrom gesamt (8/20): 1,2 kA
Leitungsanschluss: Push-In

Fabrikat: DEHN
Typ: BCO CL2 E 24
Art.-Nr.: 927988
oder gleichwertig.

Certificates

 

Technical data

Ableiterklasse W
Höchste Dauerspannung DC (UC ) 33 V
Nennstrom bei 60 °C (IL ) 10 A
Nennstrom bei 80 °C (IL ) 6 A
C1 Nennableitstoßstrom (8/20 µs) gesamt (In ) 1,2 kA
Serienimpedanz pro Ader 0 Ohm
Zulassungen UL 497B, SIL
*) Details siehe: www.dehn.de

Product 927988 was added to Notepad.

Product 927988 was added to the cart.

Part No. 927989 BCO CL2 E 48

GTIN 4013364485761, Customs tariff No. (EU): 85363010, Gross weight: 36.58 g, PU: 1.00 Stk.

Predecessor

Images

Additional information

Überspannungs-Ableiter BLITZDUCTORconnect CL2 E 48
kompakter, einstufiger Überspannungsschutz
mit leistungsfähigen Dioden zum Schutz von
2 Einzeladern mit gemeinsamen Bezugspotential
sowie unsymmetrischer Schnittstellen
geprüft nach EN/IEC 61643-21 und energetisch
koordiniert nach IEC 61643-22
Ableiterklasse Type 3/P1
Impulskategorie: C1, C3
Statusanzeige, Baubreite 6 mm
Höchste Dauerspannung: 58 V DC / 41 V AC
Nennstrom bei 60°C: 10 A
C1 Nennableitstoßstrom pro Ader (8/20): 0,4 kA
C1 Nennableitstoßstrom gesamt (8/20): 0,8 kA
Leitungsanschluss: Push-In

Fabrikat: DEHN
Typ: BCO CL2 E 48
Art.-Nr.: 927989
oder gleichwertig.

Certificates

 

Technical data

Ableiterklasse W
Höchste Dauerspannung DC (UC ) 58 V
Nennstrom bei 60 °C (IL ) 10 A
Nennstrom bei 80 °C (IL ) 6 A
C1 Nennableitstoßstrom (8/20 µs) gesamt (In ) 0,8 kA
Serienimpedanz pro Ader 0 Ohm
Zulassungen UL 497B, SIL
*) Details siehe: www.dehn.de

Product 927989 was added to Notepad.

Product 927989 was added to the cart.


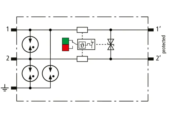
BCO CL4 BC

Platzsparender, kompakter Kombi-Ableiter in 12 mm Baubreite und Push-In Anschlusstechnik mit Statusanzeige zum Schutz von erdfreien 4-Leiter-Messkreisen für informationstechnische Systeme und MSR-Technik.

1 Product

Part No. 927954 BCO CL4 BC 24

GTIN 4013364485730, Customs tariff No. (EU): 85363010, Gross weight: 80.10 g, PU: 1.00 Stk.


Images

Additional information

Kombi-Ableiter BLITZDUCTORconnect CL2 BC 24
kompakter Kombi-Ableiter zum Schutz von
erdfreien 4-Leiter-Messungen für informations-
technische Systeme und MSR Kreise
geprüft nach EN/IEC 61643-21 und energetisch
koordiniert nach IEC 61643-22
Ableiterklasse Type 1 / P2
Impulskategorie: D1, C1, C2, C3, B2
Statusanzeige
Höchste Dauerspannung: 36,0 V DC / 25,4 V AC
Nennstrom bei 80°C: 3 A
Serienimpedanz pro Ader: 0 Ohm
C2 Nennableitstoßstrom pro Ader (8/20): 10 kA
C2 Nennableitstoßstrom gesamt (8/20): 20 kA
D1 Blitzstoßstrom (10/350) pro Ader: 2,5 kA
D1 Blitzstoßstrom (10/350) gesamt: 5 kA
Leitungsanschluss: Push-In
Baubreite 12 mm

Fabrikat: DEHN
Typ: BCO CL4 BC 24
Art.-Nr.: 927954
oder gleichwertig.

Certificates

 

Technical data

Ableiterklasse L
Höchste Dauerspannung DC (UC ) 36 V
Nennstrom bei 80 °C (IL ) 3 A
D1 Blitzstoßstrom (10/350 µs) pro Ader (Iimp ) 2,5 kA
C2 Nennableitstoßstrom (8/20 µs) gesamt (In ) 20 kA
Serienimpedanz pro Ader 0 Ohm
Zulassungen UL 497B, SIL
*) Details siehe: www.dehn.de

Product 927954 was added to Notepad.

Product 927954 was added to the cart.


BCO CL2 BD HC10A 24

Platzsparender, kompakter Kombi-Ableiter in 12 mm Baubreite und Push-In Anschlusstechnik mit Statusanzeige zum Schutz von 1 Doppelader erdfreier DC-Versorgungen für informationstechnische Systeme und MSR Kreise.

1 Product

Part No. 927408 BCO CL2 BD HC10A 24

GTIN 4013364463653, Customs tariff No. (EU): 85363010, Gross weight: 68.30 g, PU: 1.00 Stk.

Predecessor

Images

Additional information

Kombi-Ableiter BLITZDUCTORconnect CL2 BD HC10A 24
kompakter Kombi-Ableiter zum Schutz einer
Doppelader erdfreier DC-Versorgungen für
informationstechnische Systeme und MSR Kreise
geprüft nach EN/IEC 61643-21 und
energetisch koordiniert nach IEC 61643-22
Ableiterklasse Type 1 / P2
Impulskategorie: C1, C2, C3, B2, D1
Statusanzeige
Höchste Dauerspannung: 45,0 V DC / 31,8 V AC
Nennstrom bei 80°C: 10 A
C2 Nennableitstoßstrom pro Ader (8/20): 10 kA
C2 Nennableitstoßstrom gesamt (8/20): 20 kA
D1 Blitzstoßstrom (10/350 µs) pro Ader: 2,5 kA
D1 Blitzstoßstrom (10/350 µs) gesamt: 5 kA
Leitungsanschluss: Push-In
Baubreite 12 mm

Fabrikat: DEHN
Typ: BCO CL2 BD HC10A 24
Art.-Nr.: 927408
oder gleichwertig.

Certificates

 

Technical data

Ableiterklasse L
Höchste Dauerspannung DC (UC ) 45 V
Nennstrom bei 80 °C (IL ) 10 A
D1 Blitzstoßstrom (10/350 µs) pro Ader (Iimp ) 2,5 kA
C2 Nennableitstoßstrom (8/20 µs) gesamt (In ) 20 kA
Serienimpedanz pro Ader 0 Ohm
Zulassungen UL 497B, SIL
*) Details siehe: www.dehn.de

Product 927408 was added to Notepad.

Product 927408 was added to the cart.


BCO CL2 BD EX 24

Platzsparender, kompakter Überspannungs-Ableiter in 6 mm Baubreite und Push-in-Anschlusstechnik mit Statusanzeige zum Schutz von 1 Doppelader eigensicherer Messkreise und Bussysteme. Erfüllt Anforderungen nach FISCO. Isolationsfestigkeit >500 V Ader-Erde.

1 Product

Part No. 927984 BCO CL2 BD EX 24

GTIN 4013364412002, Customs tariff No. (EU): 85363010, Gross weight: 57.86 g, PU: 1.00 Stk.

Predecessor

Images

Additional information

Kombi-Ableiter BLITZDUCTORconnect CL2 BD EX 24
kompakter Kombi-Ableiter zum Schutz
einer Doppelader eigensicherer, potentialfreier
symmetrischer Schnittstellen
geprüft nach EN/IEC 61643-21 und energetisch
koordiniert nach IEC 61643-22
Ableiterklasse Type 1 / P2
Impulskategorie: C1, C2, C3, B2, D1
Statusanzeige, Baubreite 6 mm
Höchste Dauerspannung: 36,0 V DC / 25,4 V AC
Nennstrom bei 70°C: 0,75 A
Max. Eingangsspannung nach EN 60079-11: 30 V
Max. Eingangsstrom nach EN 60079-11: 0,5 A
C2 Nennableitstoßstrom pro Ader (8/20): 5 kA
C2 Nennableitstoßstrom gesamt (8/20): 10 kA
D1 Blitzstoßstrom (10/350 µs) pro Ader: 1,5 kA
D1 Blitzstoßstrom (10/350 µs) gesamt: 3 kA
Leitungsanschluss: Push-in

Fabrikat: DEHN
Typ: BCO CL2 BD EX 24
Art.-Nr.: 927984
oder gleichwertig.

Certificates

 

Technical data

Ableiterklasse L
Höchste Dauerspannung DC (UC ) 36 V
Nennstrom bei 80 °C (IL ) 0,5 A
D1 Blitzstoßstrom (10/350 µs) pro Ader (Iimp ) 1,5 kA
C2 Nennableitstoßstrom (8/20 µs) gesamt (In ) 10 kA
Serienimpedanz pro Ader 1 Ohm
Grenzfrequenz Ad-Ad (fG ) 3,5 MHz
Zulassungen ATEX, IECEx, CCC, SIL
*) Details siehe: www.dehn.de

Product 927984 was added to Notepad.

Product 927984 was added to the cart.


back to top