DEHNbox

Kombinierter Blitzstrom- und Überspannungs-Ableiter
  • Blitzstromtragfähig bis 10 kA (10/350 μs)
  • Niedriger Schutzpegel, auch für Endgeräteschutz geeignet
  • Einsetzbar nach dem Blitz-Schutzzonen-Konzept an den Schnittstellen 0A – 2 und höher
Einfache Handhabung
  • Geeignet für Wandmontage
  • Schnelle und einfache Installation durch Federklemmtechnik
  • Ermöglicht einfaches Nachrüsten des Überspannungsschutzes
Sicher bei Installation und Betrieb (DBX TC B 180)
  • Statusanzeige für einfache Wartung
  • RJ45-Anschlussmöglichkeit für Plug & Play
  • Universeller Einsatz bis 1 Gbit

Details

Aneinanderreihung mehrerer Geräte durch Stecktechnik der Gehäuse möglich (DBX TC B 180).
lorem ipsum
Push-In-Klemmen für den werkzeug­losen Schnellanschluss (DBX TC B 180)
lorem ipsum
Optische Statusanzeige
(DBX TC B 180).
lorem ipsum
RJ45 Buchse am Ausgang für den
direkten Anschluss am Router
(DBX TC B 180).
lorem ipsum

Further information


DBX TC B 180

Platzsparender kompakter Überspannungs-Ableiter im Kunststoff-Aufputz-Gehäuse mit Push-in Anschlusstechnik und Statusanzeige zum Schutz einer Doppelader erdpotentialfreier symetrischer Schnittstellen, insbesondere Telekommunikationsschnittstellen bis VVDSL und G.fast (bis 1 Gbit/s). Möglichkeit zur direkten / indirekten Schirmerdung. Ausgangsseitig wahlweise Anschluss einer Doppelader oder einer Patchleitung mit RJ45 Stecker.

Tests der Deutschen Telekom Technik GmbH bestätigen die Verträglichkeit mit Vectoring-VDSL (VVDSL), Super-Vectoring-VDSL (SVVDSL) und G.Fast.

1 Product

Part No. 922220 DBX TC B 180

GTIN 4013364433953, Customs tariff No. (EU): 85363030, Gross weight: 93.63 g, PU: 1.00 Stk.

Predecessor

Images

Additional information

Kompakter Blitzstromableiter DEHNbox DBX TC B 180
Anreihbarer kompakter Ableiter
der Ableiterklasse Type 1/P2
zum Schutz einer Doppelader
von Telekommunikationsschnittstellen
in werkzeugloser Schnellanschlusstechnik,
integrierte Zugentlastung und Statusanzeige
Nennstrom bei 40 °C: 1 A
D1 Blitzstoßstrom (10/350 µs) gesamt: 7,5 kA
C2 Nennableitstoßstrom (8/20 µs) gesamt: 20 kA

Fabrikat: DEHN
Typ: DBX TC B 180
Art.-Nr.: 922220
oder gleichwertig.

Certificates

 

Technical data

Ableiterklasse L
Höchste Dauerspannung DC (UC ) 180 V
Nennstrom bei 40 °C (IL ) 1 A
D1 Blitzstoßstrom (10/350 µs) gesamt (Iimp ) 7,5 kA
C2 Nennableitstoßstrom (8/20 µs) gesamt (In ) 20 kA
Serienimpedanz pro Ader 0 Ohm
Grenzfrequenz Ad-Ad (100 Ohm) (fG ) 425 MHz

Product 922220 was added to Notepad.

Product 922220 was added to the cart.


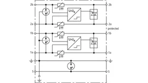
DBX U4 KT BD S 0-180

Kompakter Kombi-Ableiter im Kunststoff-Aufputz-Gehäuse mit actiVsense-Technologie zum Schutz von 2 Doppeladern mit gleicher oder unterschiedlicher Signalspannung symmetrischer Schnittstellen mit galvanischer Trennung, wahlweise direkte oder indirekte Schirmerdung.

1 Product

Part No. 922400 DBX U4 KT BD S 0-180

GTIN 4013364137349, Customs tariff No. (EU): 85363010, Gross weight: 251.70 g, PU: 1.00 Stk.


Images

Additional information

Kompakter Kombi-Ableiter DEHNbox DBX U4 KT BD S 0-180
Universeller Blitz- und Überspannungsableiter,
der Ableiterklasse Type 1/P1 mit actiVsense-
Technologie zur automatischen Erkennung der
Betriebsspannung und optimalen Anpassung
des Schutzpegels; geprüft nach EN 61643-21 und
energetisch koordiniert nach IEC 61643-22 zum
Schutz von zwei Doppeladern für symmetrische
Schnittstellen mit galvanischer Trennung, wahlweise
indirekte oder direkte Schirmerdung.
Betriebsspannung UN: 0-180 V
Zulässige überlagerte Signalspannung: ≤ +/- 5 V
Nennstrom (entspr. max. Kurzschlussstrom): 100 mA
D1 Blitzstoßstrom (10/350 µs) gesamt: 10 kA
C2 Nennableitstoßstrom (8/20 µs) gesamt: 20 kA

Fabrikat: DEHN
Typ: DBX U4 KT BD S 0-180
Art.-Nr.: 922400
oder gleichwertig.

Certificates

 

Technical data

Ableiterklasse M
Höchste Dauerspannung DC (UC ) 180 V
Zulässige überlagerte Signalspannung (USignal ) ≤ +/- 5 V
Grenzfrequenz Ad-Ad (USignal, symmetrisch 100 Ohm) (fG ) 50 MHz
Nennstrom (entspr. max. Kurzschlussstrom) (IL ) 100 mA
D1 Blitzstoßstrom (10/350 µs) gesamt (Iimp ) 10 kA
C2 Nennableitstoßstrom (8/20 µs) gesamt (In ) 20 kA
Serienimpedanz pro Ader ≤ 9 Ohm; typisch 7,9 Ohm
Abmessungen (l x b x h) 93 x 93 x 55 mm

Product 922400 was added to Notepad.

Product 922400 was added to the cart.


back to top