DEHNpipe

Überspannungs-Ableiter zum Einschrauben in Feldgeräte
  • In parallel- oder Serienverdrahtung
  • Fertigung aus korrosionsbeständigem Edelstahl
  • Ableiter zum Schutz einer zweiten Schnittstellen (Datenseite oder Energieseite) verfügbar
Varianten für Ex (i) und Ex (d)-Anwendungen
  • Zum Schutz eigensicherer Messkreise und Bussysteme Ex (i)
  • Ausführung in druckfester Kapselung Ex (d)
Umfangreiche ZulassungenZulassungen je nach Ableiter: IECEx, ATEX, FISCO, CSA Hazloc

Details

Varianten zur Durchgangsverdrahtung.
lorem ipsum
Robuste Ausführung aus korrosionsbeständigem Edelstahl.
lorem ipsum
ATEX- und IECEx-Zulassung.
lorem ipsum
Metrisches und NPT-Gewinde.
lorem ipsum

DPI MD

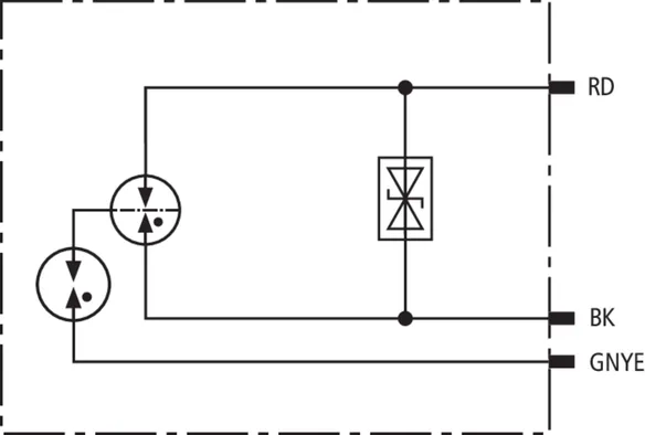
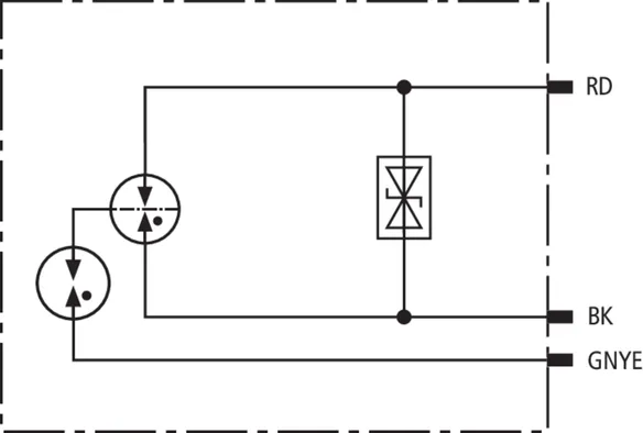
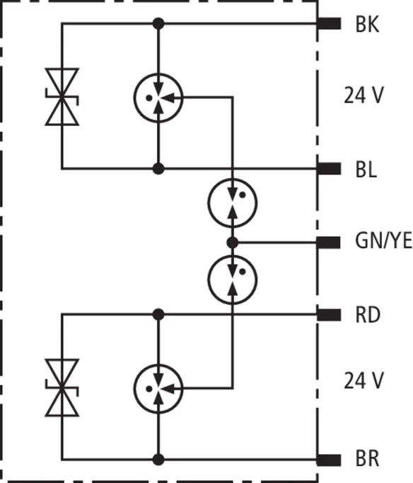
Energetisch koordinierter gegen Erde leckstromfreier zweistufiger Ableiter für 4-20 mA-Schnittstellen mit Schraubgewinde M20 x 1,5 (innen/außen). Schirmerdung direkt, indirekt oder ohne möglich. Kabelverschraubung als Zubehör lieferbar.

1 Product

Part No. 929941 DPI MD 24 M 2S

GTIN 4013364098152, Customs tariff No. (EU): 85363010, Gross weight: 187.40 g, PU: 1.00 Stk.


Images

Additional information

Leckstromfreier zweistufiger Ableiter DEHNpipe DPI MD 24 M 2S
Überspannungs-Ableiter
der Ableiterklasse Type 2 / P1
DEHNpipe, geprüft nach EN 61643-21
und energetisch koordiniert nach
IEC 61643-22, in V2A, IP 67,
2-teiliges Gehäusedesign,
zum Einschrauben in Feldgeräte
mit 2-Leiter-Messtechnik,
serieller Schutz von einer
erdpotentialfrei betriebenen
Doppelader sowie symmetrischen
Schnittstellen nach NAMUR NE 21.
Höchste Dauerspannung DC: 34,8 V
Nennstrom: 0,5 A
C2 Nennableitstoßstrom (8/20 µs) gesamt: 10 kA
Grenzfrequenz Ad-Ad: 14 MHz

Fabrikat: DEHN
Typ: DPI MD 24 M 2S
Art.-Nr.: 929941
oder gleichwertig.

Certificates

 

Technical data

Ableiterklasse Q
Höchste Dauerspannung DC (UC ) 34,8 V
Nennstrom (IL ) 0,5 A
D1 Blitzstoßstrom (10/350 µs) pro Ader (Iimp ) 1 kA
C2 Nennableitstoßstrom (8/20 µs) gesamt (In ) 10 kA
Grenzfrequenz Ad-Ad (fG ) 14 MHz
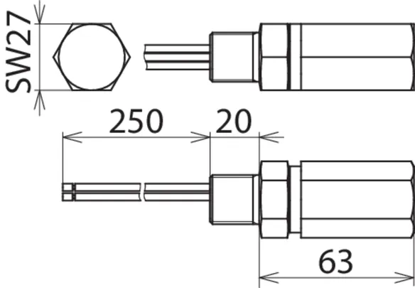
Montage Feld- / Geräteseite M20 x 1,5 Innengewinde / M20 x 1,5 Außengewinde
Zulassungen SIL
*) Details siehe: www.dehn.de

Product 929941 was added to Notepad.

Product 929941 was added to the cart.


DPI MD EX

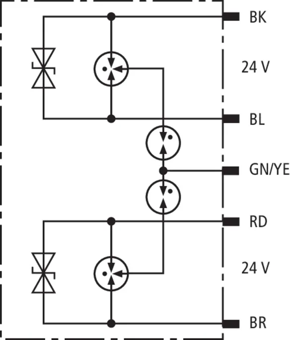
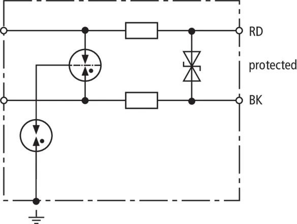
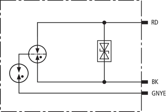
Energetisch koordinierter zweistufiger Ableiter mit kapazitätsarmer Schutzschaltung zum Schutz von eigensicheren Messkreisen und Bussystemen, erfüllt die Anforderungen nach FISCO. Isolationsfestigkeit > 500 V gegen Erde. Kabelverschraubungen sind gesondert zu bestellen.

2 Products

Part No. 929960 DPI MD EX 24 M 2

GTIN 4013364098145, Customs tariff No. (EU): 85363010, Gross weight: 185.80 g, PU: 1.00 Stk.


Images

Additional information

Koordinierter zweistufiger Ableiter DEHNpipe DPI MD EX 24 M 2
Überspannungs-Ableiter
der Ableiterklasse Type 2 / P1
DEHNpipe, geprüft nach EN 61643-21
und energetisch koordiniert nach
IEC 61643-22, in V2A, IP 67,
2-teiliges Gehäusedesign in
Ex (i)-Ausführung,
zum Einschrauben in Feldgeräte
mit 2-Leiter-Messtechnik,
serieller Schutz von einer
erdpotentialfrei betriebenen
Doppelader sowie symmetrischen
Schnittstellen nach NAMUR NE 21.
Höchste Dauerspannung DC: 34,8 V
Nennstrom: 0,5 A
C2 Nennableitstoßstrom (8/20 µs) gesamt: 10 kA
Grenzfrequenz Ad-Ad: 7 MHz

Fabrikat: DEHN
Typ: DPI MD EX 24 M 2
Art.-Nr.: 929960
oder gleichwertig.

Certificates

 

Technical data

Ableiterklasse T
Höchste Dauerspannung DC (UC ) 34,8 V
Nennstrom (IL ) 0,5 A
D1 Blitzstoßstrom (10/350 µs) pro Ader (Iimp ) 1 kA
C2 Nennableitstoßstrom (8/20 µs) gesamt (In ) 10 kA
Grenzfrequenz Ad-Ad (fG ) 7 MHz
Montage Feld- / Geräteseite M20 x 1,5 Innengewinde / M20 x 1,5 Außengewinde
Zulassungen ATEX, IECEx, CCC, CSA & USA Hazloc, SIL
*) Details siehe: www.dehn.de

Product 929960 was added to Notepad.

Product 929960 was added to the cart.

Part No. 929965 DPI MD EX 24 N 2

GTIN 4013364360778, Customs tariff No. (EU): 85363010, Gross weight: 185.00 g, PU: 1.00 Stk.


Images

Additional information

Koordinierter zweistufiger Ableiter DEHNpipe DPI MD EX 24 N 2
Überspannungs-Ableiter
der Ableiterklasse Type 2 / P1
DEHNpipe, geprüft nach EN 61643-21
und energetisch koordiniert nach
IEC 61643-22, in V2A, IP 67,
2-teiliges Gehäusedesign in
Ex (i)-Ausführung,
zum Einschrauben in Feldgeräte
mit 2-Leiter-Messtechnik,
serieller Schutz von einer
erdpotentialfrei betriebenen
Doppelader sowie symmetrischen
Schnittstellen nach NAMUR NE 21.
Höchste Dauerspannung DC: 34,8 V
Nennstrom: 0,5 A
C2 Nennableitstoßstrom (8/20 µs) gesamt: 10 kA
Grenzfrequenz Ad-Ad: 7 MHz

Fabrikat: DEHN
Typ: DPI MD EX 24 N 2
Art.-Nr.: 929965
oder gleichwertig.

Certificates

 

Technical data

Ableiterklasse T
Höchste Dauerspannung DC (UC ) 34,8 V
Nennstrom (IL ) 0,5 A
D1 Blitzstoßstrom (10/350 µs) pro Ader (Iimp ) 1 kA
C2 Nennableitstoßstrom (8/20 µs) gesamt (In ) 10 kA
Grenzfrequenz Ad-Ad (fG ) 7 MHz
Montage Feld- / Geräteseite 1/2-14 NPT Innengewinde / 1/2-14 NPT Außengewinde
Zulassungen ATEX, IECEx, CCC, SIL
*) Details siehe: www.dehn.de

Product 929965 was added to Notepad.

Product 929965 was added to the cart.


DPI CD EXI

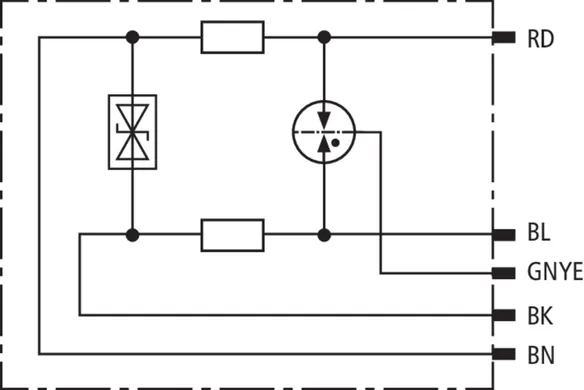
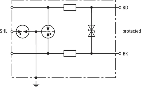
Überspannungs-Ableiter mit kapazitätsarmer Schutzschaltung zum Schutz von eigensicheren Messkreisen und Bussystemen, erfüllt Anforderungen nach FISCO. Isolationsfestigkeit > 500 V gegen Erde.

2 Products

Part No. 929961 DPI CD EXI 24 M

GTIN 4013364101784, Customs tariff No. (EU): 85363010, Gross weight: 183.00 g, PU: 1.00 Stk.


Images

Additional information

Überspannungs-Ableiter DEHNpipe CD EX (i) DPI CD EXI 24 M
Überspannungs-Ableiter
der Ableiterklasse Type 2 / P1
DEHNpipe, geprüft nach
EN 61643-21, in V4A, IP 67,
in Ex (i)-Ausführung,
zum Einschrauben in Feldgeräte
mit 2-Leiter-Messtechnik,
paralleler Schutz von einer
erdpotentialfrei betriebenen
Doppelader sowie eigensicherer
Bussysteme.
Höchste Dauerspannung DC: 32 V
Nennstrom: 0,55 A
C2 Nennableitstoßstrom (8/20 µs) gesamt: 10 kA
Grenzfrequenz Ad-Ad: 67 MHz

Fabrikat: DEHN
Typ: DPI CD EXI 24 M
Art.-Nr.: 929961
oder gleichwertig.

Certificates

 

Technical data

Ableiterklasse T
Höchste Dauerspannung DC (UC ) 32 V
Nennstrom (IL ) 0,55 A
D1 Blitzstoßstrom (10/350 µs) Ad-PG (Iimp ) 1 kA
C2 Nennableitstoßstrom (8/20 µs) gesamt (In ) 10 kA
Grenzfrequenz Ad-Ad (fG ) 67 MHz
Montage Feld- / Geräteseite M20 x 1,5 Außengewinde
Zulassungen ATEX, IECEx, CCC, CSA & USA Hazloc, SIL
*) Details siehe: www.dehn.de

Product 929961 was added to Notepad.

Product 929961 was added to the cart.

Part No. 929963 DPI CD EXI 24 N

GTIN 4013364101807, Customs tariff No. (EU): 85363010, Gross weight: 196.00 g, PU: 1.00 Stk.


Images

Additional information

Überspannungs-Ableiter DEHNpipe CD EX (i) DPI CD EXI 24 N
Überspannungs-Ableiter
der Ableiterklasse Type 2 / P1
DEHNpipe, geprüft nach
EN 61643-21, in V4A, IP 67,
in Ex (i)-Ausführung,
zum Einschrauben in Feldgeräte
mit 2-Leiter-Messtechnik,
paralleler Schutz von einer
erdpotentialfrei betriebenen
Doppelader sowie eigensicherer
Bussysteme.
Höchste Dauerspannung DC: 32 V
Nennstrom: 0,55 A
C2 Nennableitstoßstrom (8/20 µs) gesamt: 10 kA
Grenzfrequenz Ad-Ad: 67 MHz

Fabrikat: DEHN
Typ: DPI CD EXI 24 N
Art.-Nr.: 929963
oder gleichwertig.

Certificates

 

Technical data

Ableiterklasse T
Höchste Dauerspannung DC (UC ) 32 V
Nennstrom (IL ) 0,55 A
D1 Blitzstoßstrom (10/350 µs) Ad-PG (Iimp ) 1 kA
C2 Nennableitstoßstrom (8/20 µs) gesamt (In ) 10 kA
Grenzfrequenz Ad-Ad (fG ) 67 MHz
Montage Feld- / Geräteseite 1/2-14 NPT Außengewinde
Zulassungen ATEX, IECEx, CCC, CSA & USA Hazloc, SIL
*) Details siehe: www.dehn.de

Product 929963 was added to Notepad.

Product 929963 was added to the cart.


DPI CD EXD

Überspannungs-Ableiter mit kapazitätsarmer Schutzschaltung in druckfester Kapselung zum Einsatz in explosionsgefährdeten Bereichen zum Schutz von Messkreisen und Bussystemen. Isolationsfestigkeit > 500 V gegen Erde. Nach CSA und USA Hazloc-Standard zertifiziert.

2 Products

Part No. 929962 DPI CD EXD 24 M

GTIN 4013364101791, Customs tariff No. (EU): 85363010, Gross weight: 183.00 g, PU: 1.00 Stk.


Images

Additional information

Überspannungs-Ableiter DEHNpipe CD Ex (d) DPI CD EXD 24 M
Überspannungs-Ableiter
der Ableiterklasse Type 2 / P1
DEHNpipe, geprüft nach
EN 61643-21, in V4A, IP 67,
in Ex (d)-Ausführung,
zum Einschrauben in Feldgeräte
mit 2-Leiter-Messtechnik,
paralleler Schutz von einer
erdpotentialfrei betriebenen
Doppelader sowie Bussysteme
in Ex-Zone 1 oder 2.
Höchste Dauerspannung DC: 32 V
Nennstrom: 0,55 A
C2 Nennableitstoßstrom (8/20 µs) gesamt: 10 kA
Grenzfrequenz Ad-Ad: 67 MHz

Fabrikat: DEHN
Typ: DPI CD EXD 24 M
Art.-Nr.: 929962
oder gleichwertig.

Certificates

 

Technical data

Ableiterklasse T
Höchste Dauerspannung DC (UC ) 32 V
Nennstrom (IL ) 0,55 A
D1 Blitzstoßstrom (10/350 µs) Ad-PG (Iimp ) 1 kA
C2 Nennableitstoßstrom (8/20 µs) gesamt (In ) 10 kA
Grenzfrequenz Ad-Ad (fG ) 67 MHz
Montage Feld- / Geräteseite M20 x 1,5 Außengewinde
Zulassungen ATEX, IECEx, CCC, CSA & USA Hazloc, SIL
*) Details siehe: www.dehn.de

Product 929962 was added to Notepad.

Product 929962 was added to the cart.

Part No. 929964 DPI CD EXD 24 N

GTIN 4013364101814, Customs tariff No. (EU): 85363010, Gross weight: 183.00 g, PU: 1.00 Stk.


Images

Additional information

Überspannungs-Ableiter DEHNpipe CD Ex (d) DPI CD EXD 24 N
Überspannungs-Ableiter
der Ableiterklasse Type 2 / P1
DEHNpipe, geprüft nach
EN 61643-21, in V4A, IP 67,
in Ex (d)-Ausführung,
zum Einschrauben in Feldgeräte
mit 2-Leiter-Messtechnik,
paralleler Schutz von einer
erdpotentialfrei betriebenen
Doppelader sowie Bussysteme
in Ex-Zone 1 oder 2.
Höchste Dauerspannung DC: 32 V
Nennstrom: 0,55 A
C2 Nennableitstoßstrom (8/20 µs) gesamt: 10 kA
Grenzfrequenz Ad-Ad: 67 MHz

Fabrikat: DEHN
Typ: DPI CD EXD 24 N
Art.-Nr.: 929964
oder gleichwertig.

Certificates

 

Technical data

Ableiterklasse T
Höchste Dauerspannung DC (UC ) 32 V
Nennstrom (IL ) 0,55 A
D1 Blitzstoßstrom (10/350 µs) Ad-PG (Iimp ) 1 kA
C2 Nennableitstoßstrom (8/20 µs) gesamt (In ) 10 kA
Grenzfrequenz Ad-Ad (fG ) 67 MHz
Montage Feld- / Geräteseite 1/2-14 NPT Außengewinde
Zulassungen ATEX, IECEx, CCC, CSA & USA Hazloc, SIL
*) Details siehe: www.dehn.de

Product 929964 was added to Notepad.

Product 929964 was added to the cart.


DPI CD HF EXD

Überspannungs-Ableiter mit kapazitätsarmer energetisch koordinierter Schutzschaltung in druckfester Kapselung zum Einsatz in explosionsgefährdeten Bereichen zum Schutz von Messkreisen und Bussystemen.

1 Product

Part No. 929971 DPI CD HF EXD 5 M

GTIN 4013364120761, Customs tariff No. (EU): 85363010, Gross weight: 285.60 g, PU: 1.00 Stk.


Images

Additional information

Überspannungs-Ableiter DEHNpipe CD Ex (d) DPI CD HF EXD 5 M
Überspannungs-Ableiter
der Ableiterklasse Type 2 / P1
DEHNpipe, geprüft nach
EN 61643-21, in V4A, IP 67,
in Ex (d)-Ausführung,
zum Einschrauben in Feldgeräte
mit 2-Leiter-Messtechnik,
serieller Schutz von einer
erdpotentialfrei betriebenen
Doppelader sowie Bussysteme
in Ex-Zone 1 oder 2.
Höchste Dauerspannung DC: 6 V
Nennstrom bei 80 °C: 0,1 A
C2 Nennableitstoßstrom (8/20 µs) gesamt: 20 kA
Grenzfrequenz Ad-Ad: 100 MHz

Fabrikat: DEHN
Typ: DPI CD HF EXD 5 M
Art.-Nr.: 929971
oder gleichwertig.

Certificates

 

Technical data

Ableiterklasse T
Höchste Dauerspannung DC (UC ) 6 V
Nennstrom bei 80 °C (IL ) 0,1 A
C2 Nennableitstoßstrom (8/20 µs) gesamt (In ) 20 kA
Grenzfrequenz Ad-Ad (fG ) 100 MHz
Montage Feld- / Geräteseite M20 x 1,5 Außengewinde
Zulassungen ATEX, IECEx, CCC, CSA & USA Hazloc, SIL
*) Details siehe: www.dehn.de

Product 929971 was added to Notepad.

Product 929971 was added to the cart.


DPI CD EXD 230 24

Überspannungs-Ableiter in kombinierter Ausführung für Energie und Datenseite. Druckfeste Kapselung zum Einsatz in explosionsgefährdeten Bereichen in Zone 1 und 2, zum Schutz einer 120 / 230 V-Netzversorgungs- und einer 24 V-Datenschnittstelle von Feldgeräten.
Zusätzliche Sicherheit durch verwechslungssichere Y-Schaltung für die 120 / 230 V-Netzversorgung.

Durch Ausführung II 2 G Ex d IIC T5/T6 universell einsetzbar in Ex-Zone 1 und 2. Nach CSA und USA Hazloc-Standard zertifiziert.

2 Products

Part No. 929969 DPI CD EXD 230 24 M

GTIN 4013364127418, Customs tariff No. (EU): 85363010, Gross weight: 280.00 g, PU: 1.00 Stk.


Images

Additional information

Dualer Überspannungs-Ableiter DEHNpipe CD Ex (d) DPI CD EXD 230 24 M
Dualer Überspannungs-Ableiter
der Ableiterklasse Typ 2 sowie Type 2 / P2
DEHNpipe, geprüft nach
EN 61643-11 und -21, in V2A, IP 67,
in Ex (d)-Ausführung,
zum Einschrauben in Feldgeräte
mit Anschluß für Spannungsversorgung und 2-Leiter-Messtechnik,
Paralleler Schutz einer 230 V-Netzversorgung
und einer 0/4-20 mA-Schnittstelle
in Ex-Zone 1 oder 2.
Höchste Dauerspannung DC: 32 V
Nennstrom bei 80 °C: 0,55 A
C2 Nennableitstoßstrom (8/20 µs) gesamt: 10 kA

Fabrikat: DEHN
Typ: DPI CD EXD 230 24 M
Art.-Nr.: 929969
oder gleichwertig.

Certificates

 

Technical data

Schutz der Datenseite
Ableiterklasse U
Höchste Dauerspannung DC (UC ) 32 V
Nennstrom bei 80 °C (IL ) 0,55 A
D1 Blitzstoßstrom (10/350 µs) Ad-PG (Iimp ) 1 kA
C2 Nennableitstoßstrom (8/20 µs) gesamt (In ) 10 kA
Montage Feld- / Geräteseite M20 x 1,5 Außengewinde
Zulassungen ATEX, IECEx, CCC, CSA & USA Hazloc, SIL
*) Details siehe: www.dehn.de
Schutz der Energieseite
SPD nach EN 61643-11 / ... IEC 61643-11 Typ 2 / Class II
Höchste Dauerspannung AC (UC ) 255 V
Gesamtableitstoßstrom (8/20 µs) L+N-PE (Itotal ) 5 kA
Schutzpegel L-N (UP ) ≤ 1,4 kV
Maximaler netzseitiger Überstromschutz 16 A gG oder B 16 A

Product 929969 was added to Notepad.

Product 929969 was added to the cart.

Part No. 929970 DPI CD EXD 230 24 N

GTIN 4013364127425, Customs tariff No. (EU): 85363010, Gross weight: 273.00 g, PU: 1.00 Stk.


Images

Additional information

Dualer Überspannungs-Ableiter DEHNpipe CD Ex (d) DPI CD EXD 230 24 N
Dualer Überspannungs-Ableiter
der Ableiterklasse Typ 2 sowie Type 2 / P2
DEHNpipe, geprüft nach
EN 61643-11 und -21, in V2A, IP 67,
in Ex (d)-Ausführung,
zum Einschrauben in Feldgeräte
mit Anschluß für Spannungsversorgung und 2-Leiter-Messtechnik,
Paralleler Schutz einer 230 V-Netzversorgung
und einer 0/4-20 mA-Schnittstelle
in Ex-Zone 1 oder 2.
Höchste Dauerspannung DC: 32 V
Nennstrom bei 80 °C: 0,55 A
C2 Nennableitstoßstrom (8/20 µs) gesamt: 10 kA

Fabrikat: DEHN
Typ: DPI CD EXD 230 24 N
Art.-Nr.: 929970
oder gleichwertig.

Certificates

 

Technical data

Schutz der Datenseite
Ableiterklasse U
Höchste Dauerspannung DC (UC ) 32 V
Nennstrom bei 80 °C (IL ) 0,55 A
D1 Blitzstoßstrom (10/350 µs) Ad-PG (Iimp ) 1 kA
C2 Nennableitstoßstrom (8/20 µs) gesamt (In ) 10 kA
Montage Feld- / Geräteseite 1/2-14 NPT Außengewinde
Zulassungen ATEX, IECEx, CCC, CSA & USA Hazloc, SIL
*) Details siehe: www.dehn.de
Schutz der Energieseite
SPD nach EN 61643-11 / ... IEC 61643-11 Typ 2 / Class II
Höchste Dauerspannung AC (UC ) 255 V
Gesamtableitstoßstrom (8/20 µs) L+N-PE (Itotal ) 5 kA
Schutzpegel L-N (UP ) ≤ 1,4 kV
Maximaler netzseitiger Überstromschutz 16 A gG oder B 16 A

Product 929970 was added to Notepad.

Product 929970 was added to the cart.


DPI CD EXI+D 2X24

Überspannungs-Ableiter in druckfester Kapselung zum Einsatz in explosionsgefährdeten Bereichen zum Schutz von zwei 24 V-Schnittstellen.

2 Products

Part No. 929950 DPI CD EXI+D 2X24 M

GTIN 4013364137387, Customs tariff No. (EU): 85363010, Gross weight: 247.00 g, PU: 1.00 Stk.


Images

Additional information

Überspannungs-Ableiter DEHNpipe CD EX (i) + Ex (d) DPI CD EXI+D 2X24 M
Überspannungs-Ableiter
der Ableiterklasse Type 2 / P1
DEHNpipe, geprüft nach
EN 61643-21, in V2A, IP 67,
in Ex (i) + (d)-Ausführung,
zum Schutz von zwei
erdpotentialfreien Signalkreisen
oder den Versorgungskreis
des Feldgerätes und einen
Signalkreis in Ex-Zone 1 oder 2.
Höchste Dauerspannung DC: 36 V
Nennstrom: 0,55 A
C2 Nennableitstoßstrom (8/20 µs) gesamt: 20 kA

Fabrikat: DEHN
Typ: DPI CD EXI+D 2X24 M
Art.-Nr.: 929950
oder gleichwertig.

Certificates

 

Technical data

Ableiterklasse T
Höchste Dauerspannung DC (UC ) 36 V
Nennstrom (IL ) 0,55 A
D1 Blitzstoßstrom (10/350 µs) Ad-PG (Iimp ) 1,5 kA
C2 Nennableitstoßstrom (8/20 µs) gesamt (In ) 20 kA
Montage Feld- / Geräteseite M20 x 1,5 Außengewinde
Zulassungen ATEX, IECEx, CCC, CSA & USA Hazloc, SIL
*) Details siehe: www.dehn.de

Product 929950 was added to Notepad.

Product 929950 was added to the cart.

Part No. 929951 DPI CD EXI+D 2X24 N

GTIN 4013364137394, Customs tariff No. (EU): 85363010, Gross weight: 247.00 g, PU: 1.00 Stk.


Images

Additional information

Überspannungs-Ableiter DEHNpipe CD EX (i) + Ex (d) DPI CD EXI+D 2X24 N
Überspannungs-Ableiter
der Ableiterklasse Type 2 / P1
DEHNpipe, geprüft nach
EN 61643-21, in V2A, IP 67,
in Ex (i) + (d)-Ausführung,
zum Einschrauben in Feldgeräte
zum Schutz von zwei
erdpotentialfreien Signalkreisen
oder den Versorgungskreis
des Feldgerätes und einen
Signalkreis in Ex-Zone 1 oder 2.
Höchste Dauerspannung DC: 36 V
Nennstrom: 0,55 A
C2 Nennableitstoßstrom (8/20 µs) gesamt: 20 kA

Fabrikat: DEHN
Typ: DPI CD EXI+D 2X24 N
Art.-Nr.: 929951
oder gleichwertig.

Certificates

 

Technical data

Ableiterklasse T
Höchste Dauerspannung DC (UC ) 36 V
Nennstrom (IL ) 0,55 A
D1 Blitzstoßstrom (10/350 µs) Ad-PG (Iimp ) 1,5 kA
C2 Nennableitstoßstrom (8/20 µs) gesamt (In ) 20 kA
Montage Feld- / Geräteseite 1/2-14 NPT Außengewinde
Zulassungen ATEX, IECEx, CCC, CSA & USA Hazloc, SIL
*) Details siehe: www.dehn.de

Product 929951 was added to Notepad.

Product 929951 was added to the cart.


back to top