DEHNgap C S

  • Speziell für den Einsatz im TT-System in der 3+1- und 1+1-Schaltung nach E DIN VDE 0100-534 zwischen Neutralleiter N und Schutzleiter PE
  • Hohes Ableitvermögen
  • Zweiteilig, bestehend aus Basisteil und gestecktem Funkenstrecken-Schutzmodul
  • Energetisch koordiniert innerhalb der Red/Line-Produktfamilie
  • Funktions- / Defektanzeige durch grün-rote Markierung im Sichtfenster
  • Mit Fernmeldekontakt für Überwachungseinrichtung
  • Einfacher, werkzeugloser Schutzmodulwechsel durch Modulentriegelungssystem mit Modulentriegelungstaste
  • Vibrations- und schockgeprüft nach EN 60068-2

DEHNgap C S (FM)

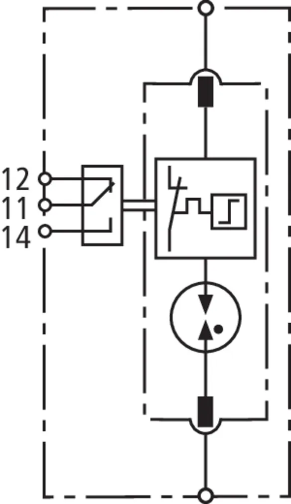
N-PE-Überspannungs-Ableiter; in der Ausführung FM mit potentialfreiem Fernmeldekontakt.

2 Products

Part No. 952030 DGP C S

GTIN 4013364108530, Customs tariff No. (EU): 85363030, Gross weight: 121.00 g, PU: 1.00 Stk.

Predecessor

Images

Additional information

N-PE-Überspannungs-Ableiter DEHNgap C S
N-PE-Überspannungs-Ableiter, Breite 1TE
Defektanzeige
Ableiter Typ 2 nach EN 61643-11
Basisteil mit gestecktem Funkenstrecken-Schutzmodul
Nennableitstoßstrom (8/20): 20 kA
Blitzstoßstrom (10/350): 12 kA
Schutzpegel: <= 1,5 kV
Folgestromlöschfähigkeit: 100 Aeff bei 255 V ac
Energetische Koordination nach DIN EN 62305-4
Ableiter der Red/Line-Familie

Fabrikat: DEHN
Typ: DGP C S
Art.-Nr.: 952030
oder gleichwertig.

Certificates

 

Technical data

SPD nach EN 61643-11 / ... IEC 61643-11 Typ 2 / Class II
Höchste Dauerspannung AC (UC ) 255 V (50 / 60 Hz)
Nennableitstoßstrom (8/20 µs) (In ) 20 kA
Max. Ableitstoßstrom (8/20 µs) (Imax ) 40 kA
Schutzpegel (UP ) ≤ 1,5 kV
Zulassungen KEMA, VDE, UL

Product 952030 was added to Notepad.

Product 952030 was added to the cart.

Part No. 952035 DGP C S FM

GTIN 4013364108547, Customs tariff No. (EU): 85363030, Gross weight: 125.00 g, PU: 1.00 Stk.

Predecessor

Images

Additional information

N-PE-Überspannungs-Ableiter DEHNgap C S FM
N-PE-Überspannungs-Ableiter
mit Fernmeldekontakt, Breite 1TE
Defektanzeige
Ableiter Typ 2 nach EN 61643-11
Basisteil mit gestecktem Funkenstrecken-Schutzmodul
Nennableitstoßstrom (8/20): 20 kA
Blitzstoßstrom (10/350): 12 kA
Schutzpegel: <= 1,5 kV
Folgestromlöschfähigkeit: 100 Aeff bei 255 V ac
Energetische Koordination nach DIN EN 62305-4
Ableiter der Red/Line-Familie

Fabrikat: DEHN
Typ: DGP C S FM
Art.-Nr.: 952035
oder gleichwertig.

Certificates

 

Technical data

SPD nach EN 61643-11 / ... IEC 61643-11 Typ 2 / Class II
Höchste Dauerspannung AC (UC ) 255 V (50 / 60 Hz)
Nennableitstoßstrom (8/20 µs) (In ) 20 kA
Max. Ableitstoßstrom (8/20 µs) (Imax ) 40 kA
Schutzpegel (UP ) ≤ 1,5 kV
Zulassungen KEMA, VDE, UL
FM-Kontakte / Kontaktform Wechsler

Product 952035 was added to Notepad.

Product 952035 was added to the cart.


back to top