DEHNbloc modular

  • Koordinierter Blitzstrom-Ableiter auf Funkenstreckenbasis, bestehend aus Basisteil und gestecktem Schutzmodul
  • Höchste Anlagenverfügbarkeit durch RADAX-Flow-Folgestrombegrenzung
  • Ausschaltselektiv zu 35 A gG-Sicherungen bis 50 kAeff Kurzschlussstrom
  • Ableitvermögen bis 50 kA (10/350 µs)
  • Ohne zusätzliche Leitungslänge auf Überspannungs-Schutzgerät DEHNguard direkt koordiniert
  • Tiefer Schutzpegel
  • Funktions- / Defektanzeige durch grün-rote Markierung im Sichtfenster
  • Einfacher, werkzeugloser Schutzmodulwechsel durch Modulverriegelungssystem mit Modulentriegelungstaste

Details

lorem ipsum

DEHNbloc M 1 ...

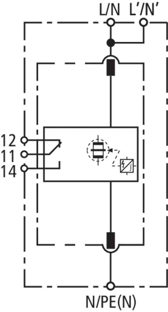
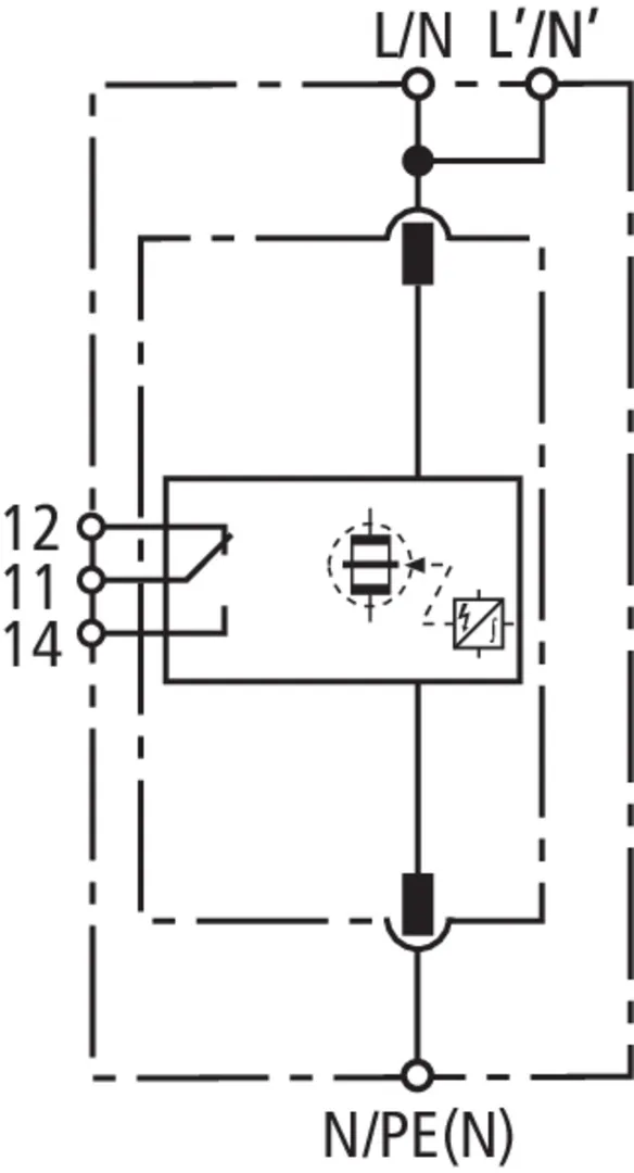
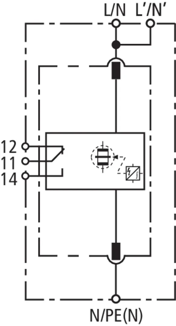
Einpoliger, modularer, koordinierter Blitzstrom-Ableiter mit hohem Ableitvermögen.

3 Products

Part No. 961110 DB M 1 150

GTIN 4013364118560, Customs tariff No. (EU): 85363090, Gross weight: 333.40 g, PU: 1.00 Stk.

Predecessor

Images

Additional information

Koordinierter Blitzstrom-Ableiter DEHNbloc M 1 150
1-poliger, modularer, steckbarer, koordinierter Blitzstrom-Ableiter
mit hoher Folgestrombegrenzung, Breite 2TE
Ableiter Typ 1 nach EN 61643-11
RADAX-Flow-Funkenstrecken-Technologie
zur Folgestrombegrenzung
Defektanzeige
Höchste Dauerspannung: 150 V ac
Schutzpegel: <= 1,5 kV
Blitzstoßstrom (10/350): 35 kA
Folgestromlöschfähigkeit: bis 50 kAeff
Energetische Koordination nach DIN EN 62305-4
Ableiter der Red/Line-Familie

Fabrikat: DEHN
Typ: DB M 1 150
Art.-Nr.: 961110
oder gleichwertig.

Certificates

 

Wave breaker function

In the case of spark-gap-based type 1 arresters, the entire current flows through the type 1 arrester during the discharge process. Like a wave breaker, the incoming energy is greatly broken down, which significantly relieves the downstream SPDs. All type 1 arresters in the Red/Line product range feature the WBF wave breaker function.

Technical data

SPD nach EN 61643-11 / ... IEC 61643-11 Typ 1 / Class I
Höchste Dauerspannung AC (UC ) 150 V (50 / 60 Hz)
Blitzstoßstrom (10/350 µs) (Iimp ) 35 kA
Schutzpegel (UP ) ≤ 1,5 kV
Max. Vorsicherung (L) bis IK = 35 kAeff (ta ≤ 0,2 s) 500 A gG
Max. Vorsicherung (L) bis IK = 35 kAeff (ta ≤ 5 s) 315 A gG
Zulassungen UL, CSA

Product 961110 was added to Notepad.

Product 961110 was added to the cart.

Part No. 961120 DB M 1 255

GTIN 4013364118614, Customs tariff No. (EU): 85363090, Gross weight: 355.80 g, PU: 1.00 Stk.

Predecessor

Images

Additional information

Koordinierter Blitzstrom-Ableiter DEHNbloc M 1 255
1-poliger, modularer, steckbarer, koordinierter Blitzstrom-Ableiter
mit hoher Folgestrombegrenzung, Breite 2TE
Ableiter Typ 1 nach EN 61643-11
RADAX-Flow-Funkenstrecken-Technologie
zur Folgestrombegrenzung
Defektanzeige
Höchste Dauerspannung: 255 V ac
Schutzpegel: <= 2,5 kV
Blitzstoßstrom (10/350): 50 kA
Folgestromlöschfähigkeit: bis 100 kAeff
Energetische Koordination nach DIN EN 62305-4
Ableiter der Red/Line-Familie

Fabrikat: DEHN
Typ: DB M 1 255
Art.-Nr.: 961120
oder gleichwertig.

Certificates

 

Wave breaker function

In the case of spark-gap-based type 1 arresters, the entire current flows through the type 1 arrester during the discharge process. Like a wave breaker, the incoming energy is greatly broken down, which significantly relieves the downstream SPDs. All type 1 arresters in the Red/Line product range feature the WBF wave breaker function.

Technical data

SPD nach EN 61643-11 / ... IEC 61643-11 Typ 1 / Class I
Höchste Dauerspannung AC (UC ) 255 V (50 / 60 Hz)
Blitzstoßstrom (10/350 µs) (Iimp ) 50 kA
Schutzpegel (UP ) ≤ 2,5 kV
Max. Vorsicherung (L) bis IK = 50 kAeff (ta ≤ 0,2 s) 500 A gG
Max. Vorsicherung (L) bis IK = 50 kAeff (ta ≤ 5 s) 315 A gG
Zulassungen VDE, KEMA, UL

Product 961120 was added to Notepad.

Product 961120 was added to the cart.

Part No. 961130 DB M 1 320

GTIN 4013364118638, Customs tariff No. (EU): 85363090, Gross weight: 341.00 g, PU: 1.00 Stk.

Predecessor

Images

Additional information

Koordinierter Blitzstrom-Ableiter DEHNbloc M 1 320
1-poliger, modularer, steckbarer koordinierter Blitzstrom-Ableiter
mit hoher Folgestrombegrenzung, Breite 2TE
Ableiter Typ 1 nach EN 61643-11
RADAX-Flow-Funkenstrecken-Technologie
zur Folgestrombegrenzung
Defektanzeige
Höchste Dauerspannung: 320 V ac
Schutzpegel: <= 2,5 kV
Blitzstoßstrom (10/350): 25 kA
Folgestromlöschfähigkeit: bis 50 kAeff
Energetische Koordination nach DIN EN 62305-4
Ableiter der Red/Line-Familie

Fabrikat: DEHN
Typ: DB M 1 320
Art.-Nr.: 961130
oder gleichwertig.

Certificates

 

Wave breaker function

In the case of spark-gap-based type 1 arresters, the entire current flows through the type 1 arrester during the discharge process. Like a wave breaker, the incoming energy is greatly broken down, which significantly relieves the downstream SPDs. All type 1 arresters in the Red/Line product range feature the WBF wave breaker function.

Technical data

SPD nach EN 61643-11 / ... IEC 61643-11 Typ 1 / Class I
Höchste Dauerspannung AC (UC ) 320 V (50 / 60 Hz)
Blitzstoßstrom (10/350 µs) (Iimp ) 25 kA
Schutzpegel (UP ) ≤ 2,5 kV
Max. Vorsicherung (L) bis IK = 50 kAeff (ta ≤ 0,2 s) 315 A gG
Max. Vorsicherung (L) bis IK = 50 kAeff (ta ≤ 5 s) 315 A gG
Zulassungen UL

Product 961130 was added to Notepad.

Product 961130 was added to the cart.


DEHNbloc M 1 ... FM

Einpoliger, modularer, koordinierter Blitzstrom-Ableiter mit hohem Ableitvermögen; mit Fernmeldekontakt für Überwachungseinrichtung (potentialfreier Wechsler).

3 Products

Part No. 961115 DB M 1 150 FM

GTIN 4013364118577, Customs tariff No. (EU): 85363090, Gross weight: 337.30 g, PU: 1.00 Stk.

Predecessor

Images

Additional information

Koordinierter Blitzstrom-Ableiter DEHNbloc M 1 150 FM
1-poliger, modularer, steckbarer, koordinierter Blitzstrom-Ableiter
mit hoher Folgestrombegrenzung
mit Fernmeldekontakt, Breite 2TE
Ableiter Typ 1 nach EN 61643-11
RADAX-Flow-Funkenstrecken-Technologie
zur Folgestrombegrenzung
Defektanzeige
Höchste Dauerspannung: 150 V ac
Schutzpegel: <= 1,5 kV
Blitzstoßstrom (10/350): 35 kA
Folgestromlöschfähigkeit: bis 50 kAeff
Energetische Koordination nach DIN EN 62305-4
Ableiter der Red/Line-Familie

Fabrikat: DEHN
Typ: DB M 1 150 FM
Art.-Nr.: 961115
oder gleichwertig.

Certificates

 

Wave breaker function

In the case of spark-gap-based type 1 arresters, the entire current flows through the type 1 arrester during the discharge process. Like a wave breaker, the incoming energy is greatly broken down, which significantly relieves the downstream SPDs. All type 1 arresters in the Red/Line product range feature the WBF wave breaker function.

Technical data

SPD nach EN 61643-11 / ... IEC 61643-11 Typ 1 / Class I
Höchste Dauerspannung AC (UC ) 150 V (50 / 60 Hz)
Blitzstoßstrom (10/350 µs) (Iimp ) 35 kA
Schutzpegel (UP ) ≤ 1,5 kV
Max. Vorsicherung (L) bis IK = 35 kAeff (ta ≤ 0,2 s) 500 A gG
Max. Vorsicherung (L) bis IK = 35 kAeff (ta ≤ 5 s) 315 A gG
Zulassungen UL, CSA

Product 961115 was added to Notepad.

Product 961115 was added to the cart.

Part No. 961125 DB M 1 255 FM

GTIN 4013364118621, Customs tariff No. (EU): 85363090, Gross weight: 359.30 g, PU: 1.00 Stk.

Predecessor

Images

Additional information

Koordinierter Blitzstrom-Ableiter DEHNbloc M 1 255 FM
1-poliger, modularer, steckbarer, koordinierter Blitzstrom-Ableiter
mit hoher Folgestrombegrenzung
mit Fernmeldekontakt, Breite 2TE
Ableiter Typ 1 nach EN 61643-11
RADAX-Flow-Funkenstrecken-Technologie
zur Folgestrombegrenzung
Defektanzeige
Höchste Dauerspannung: 255 V ac
Schutzpegel: <= 2,5 kV
Blitzstoßstrom (10/350): 50 kA
Folgestromlöschfähigkeit: bis 100 kAeff.
Energetische Koordination nach DIN EN 62305-4
Ableiter der Red/Line-Familie

Fabrikat: DEHN
Typ: DB M 1 255 FM
Art.-Nr.: 961125
oder gleichwertig.

Certificates

 

Wave breaker function

In the case of spark-gap-based type 1 arresters, the entire current flows through the type 1 arrester during the discharge process. Like a wave breaker, the incoming energy is greatly broken down, which significantly relieves the downstream SPDs. All type 1 arresters in the Red/Line product range feature the WBF wave breaker function.

Technical data

SPD nach EN 61643-11 / ... IEC 61643-11 Typ 1 / Class I
Höchste Dauerspannung AC (UC ) 255 V (50 / 60 Hz)
Blitzstoßstrom (10/350 µs) (Iimp ) 50 kA
Schutzpegel (UP ) ≤ 2,5 kV
Max. Vorsicherung (L) bis IK = 50 kAeff (ta ≤ 0,2 s) 500 A gG
Max. Vorsicherung (L) bis IK = 50 kAeff (ta ≤ 5 s) 315 A gG
Zulassungen VDE, KEMA, UL

Product 961125 was added to Notepad.

Product 961125 was added to the cart.

Part No. 961135 DB M 1 320 FM

GTIN 4013364118645, Customs tariff No. (EU): 85363090, Gross weight: 346.00 g, PU: 1.00 Stk.

Predecessor

Images

Additional information

Koordinierter Blitzstrom-Ableiter DEHNbloc M 1 320 FM
1-poliger, modularer, steckbarer, koordinierter Blitzstrom-Ableiter
mit hoher Folgestrombegrenzung,
mit Fernmeldekontakt, Breite 2TE
Ableiter Typ 1 nach EN 61643-11
RADAX-Flow-Funkenstrecken-Technologie
zur Folgestrombegrenzung
Defektanzeige
Höchste Dauerspannung: 320 V ac
Schutzpegel: <= 2,5 kV
Blitzstoßstrom (10/350): 25 kA
Folgestromlöschfähigkeit: bis 50 kAeff
Energetische Koordination nach DIN EN 62305-4
Ableiter der Red/Line-Familie

Fabrikat: DEHN
Typ: DB M 1 320 FM
Art.-Nr.: 961135
oder gleichwertig.

Certificates

 

Wave breaker function

In the case of spark-gap-based type 1 arresters, the entire current flows through the type 1 arrester during the discharge process. Like a wave breaker, the incoming energy is greatly broken down, which significantly relieves the downstream SPDs. All type 1 arresters in the Red/Line product range feature the WBF wave breaker function.

Technical data

SPD nach EN 61643-11 / ... IEC 61643-11 Typ 1 / Class I
Höchste Dauerspannung AC (UC ) 320 V (50 / 60 Hz)
Blitzstoßstrom (10/350 µs) (Iimp ) 25 kA
Schutzpegel (UP ) ≤ 2,5 kV
Max. Vorsicherung (L) bis IK = 50 kAeff (ta ≤ 0,2 s) 315 A gG
Max. Vorsicherung (L) bis IK = 50 kAeff (ta ≤ 5 s) 315 A gG
Zulassungen UL

Product 961135 was added to Notepad.

Product 961135 was added to the cart.


back to top